MICHELL PSD4 Pressure Swing Dryer User Manual
Please fill out the form(s) below for each instrument that has been purchased.
Use this information when contacting Michell Instruments for service purposes
| Product Name | |
| Order Code | |
| Serial Number | |
| Invoice Date | |
| Installation Location | |
| Tag Number |
| Product Name | |
| Order Code | |
| Serial Number | |
| Invoice Date | |
| Installation Location | |
| Tag Number |
| Product Name | |
| Order Code | |
| Serial Number | |
| Invoice Date | |
| Installation Location | |
| Tag Number |
PSD4

For Michell Instruments’ contact information please go to
www.michell.com
© 2022 Michell Instruments
This document is the property of Michell Instruments Ltd and may not be copied or otherwise reproduced, communicated in any way to third parties, nor stored in any Data Processing System without the express written authorization of Michell Instruments Ltd.
Safety
The manufacturer has designed this equipment to be safe when operated using the procedures detailed in this manual. The user must not use this equipment for any other purpose than that stated. Do not apply values greater than the maximum value stated.
This manual contains operating and safety instructions, which must be followed to ensure the safe operation and to maintain the equipment in a safe condition. The safety instructions are either warnings or cautions issued to protect the user and the equipment from injury or damage. Use competent personnel using good engineering practice for all procedures in this manual.
Electrical Safety
The instrument is designed to be completely safe when used with options and accessories supplied by the manufacturer for use with the instrument.
Pressure Safety
DO NOT permit pressures greater than the safe working pressure to be applied to the instrument. The specified safe working pressure is 10 barg (145 psig)
Toxic Materials
The use of hazardous materials in the construction of this instrument has been minimized. During normal operation it is not possible for the user to come into contact with any hazardous substance which might be employed in the construction of the instrument. Care should, however, be exercised during maintenance and the disposal of certain parts.
Repair and Maintenance
The instrument must be maintained either by the manufacturer or an accredited service agent. Refer to www.michell.com for details of Michell Instruments’ worldwide offices contact information.
Safety Conformity
This product meets the essential protection requirements of the relevant EU and UK directives.
Further details of applied standards may be found in the product specification.
Abbreviations
The following abbreviations are used in this manual:
- AC: alternating current
- atm pressure unit (atmosphere)
- bar pressure unit (=100 kP or 0.987 atm)
- °C degrees Celsius
- °F degrees Fahrenheit
- dp dew point
- kg kilogram
- Hz Hertz
- lb pound
- Nl/min normal liters per minute
- max maximum
- mm millimeter
- ppmV parts per million (by volume)
- ppbV parts per billion (by volume)
- V Volts
- ” inch(es)
- % percentage
Warnings
The following general warning listed below is applicable to this instrument. It is repeated in the text in the appropriate locations.
Where this hazard warning symbol appears in the following sections it is used to indicate areas where potentially hazardous operations need to be carried out.
INTRODUCTION
Overview
The Michell PSD4 is a Pressure Swing Dryer in a compact wall mounting unit and is designed to remove moisture from compressed air down to trace levels of -100 ºC (-148 ºF) dew point, 13.8 ppbV
The dryer operates by pressure swing regeneration of a desiccant column. Design is
such that, with 2 columns operating in rotation, a constant flow of very dry air (or other inert gas) can be produced for long periods without maintenance.
As no heating is used to regenerate the desiccant the unit is energy-efficient and extremely reliable, with the typical lifetime of the desiccant being 5 years.
Operating Principle
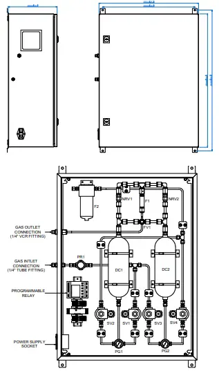
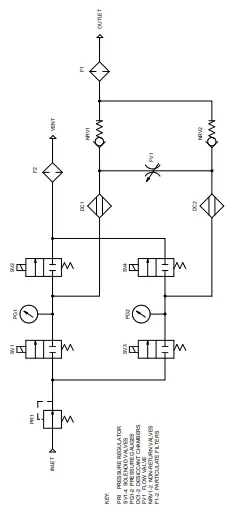
The supply of compressed air/gas is pressure regulated by use of the regulator (PR1) and indicated by the gauge (PG1 or PG2). The air/gas then passes through either switching solenoid valves (SV2 & SV1 or SV3 & SV4) and into the appropriate desiccant column (DC1 or DC2) before finally venting via particulate filters (F1 & F2). Refer to Appendix B.
The desiccant columns are filled with 4 Ångström molecular sieve. The column capacity is designed so that, as the molecular sieve absorbs water from the flowing gas, the moisture content is reduced to less than 13.8 ppbV
This very low moisture content level is achievable from an inlet source of either cylinder gas, or compressed air, which typically would be equal to or better than -40 ºC (-40 ºF) dew point.
Assuming the solenoid valve (SV1) is allowing supply gas to pass through the desiccant column (DC1) then a dry gas passes through the non return valve (NRV1) and then through the filter (F1) before finally exiting through the GAS OUTLET connector located on the left hand side of the enclosure.
While the supply gas is being dried in DC1 the second desiccant column DC2 is being regenerated (stripped of accumulated moisture). At the beginning of its regeneration cycle the bulk of the moisture in DC2 is removed by rapidly reducing the pressure in the column, which effectively ‘evaporates’ moisture from the molecular sieve surface, this is caused by SV4 being opened to vent via the vent filter (F2). After depressurization, the remainder of the moisture is removed by back-flushing column DC2 with a small proportion of the dry gas being generated in DC1 which is controlled through the flow metering valve (FV1).
When the regeneration cycle is complete, DC2 is re-pressurized and then the supply gas is diverted to it via SV3. SV2 opens to vent DC1 and allows it to regenerate. Degradation of the desiccant is prevented by re-pressurizing ‘off-line’ with a low flow-rate of gas rather than with the main gas flow.
The procedure is now repeated with DC2 providing the main flow of dry gas and DC1 being regenerated by depressurization and back-flushing. This cyclic operation and regeneration process is operated and controlled by a programmable relay unit and is set to provide 6 minute cycles.
Refer to Appendix B, Figure 2, for the System Flow Diagram.
INSTALLATION
The PSD4 is supplied with a full accessory package. Please check that you have received all the items listed on the Packing Check List.
The power supply voltage is indicated on the yellow label located adjacent to the power socket on the left of the enclosure.
Installing the Dryer
The PSD4 requires an operating environment of +10…+40 °C (+50…+104 °F). Refer to Appendix B for outline dimensions.
The PSD4 enclosure is designed for wall/panel mounting. Wall mounting brackets are supplied loose. Alternatively, it may free stand on or be placed under a bench. The enclosure should be mounted vertically and be located in a shaded position free from any appreciable vibration and not in direct sunlight.
NOTE: A minimum distance of 200 mm (8”) to the left hand side of the unit is required for access to gas connections and wiring.
Electrical Connections
Power is connected via an IEC socket located on the left hand side of the enclosure. A suitably fused power supply, conforming to local electrical safety regulations, must be provided by the user. The power supply voltage can be 100…240 V AC with power consumption a maximum of 160 W.
IMPORTANT: Before connecting the unit to a mains power source, ensure the correct operating voltage. The voltage rating is marked on the yellow label located adjacent to the power socket.
Gas Connections
Gas connections are made via tube fittings located on the left hand side of the enclosure marked GAS INLET and GAS OUTLET.
The gas inlet connection is a Swagelok® stainless steel ¼” bulkhead union tube fitting.
The gas outlet connection is a Swagelok® stainless steel ¼” bulkhead union face seal (VCR) fitting.
Ensure the supply inlet gas is of a suitable pressure – 6…10 barg (87…145 psig), free of oil and at a dew point of typically <-40 ºC (<-40 ºF). If the supply inlet gas does
not meet this requirement it will reduce the dryer’s efficiency and eventually lead to complete failure.
NOTE: An oil free compressor or bulk inert gas source must be used.
OPERATION
There are no external controls for the PSD4 Pressure Swing Dryer; operation is fully automatic and no internal adjustment is required.
After inlet and outlet gas connections are made tight, the unit may be connected to a power supply. The unit is designed for on-line automatic use; therefore, as soon as
power is applied the unit will operate.
Operating the Dryer
The inlet pressure regulator of the PSD4 is set from the factory at 4.8 barg (70 psig). The HPO model allows user adjustment of the inlet pressure regulator up to 8 barg (116 psig).
Upon initial start-up the two desiccant columns will be at equilibrium with ambient
air and therefore drying efficiency will be quite low. Initially, it is likely that the outlet dew point will be as high as -20 ºC (-4 ºF) or -30 ºC (-22 ºF) dew point although the exact level depends on time since its previous use as well as local ambient conditions.
The generator should be operated for a minimum of 24 hours with no flow of air being drawn from the outlet to allow correct regeneration of the desiccant columns. If the humidity level fails to reduce below 2 parts per million (-72 ºC (-98 ºF) dew point) after 12 hours of no-load operation the desiccant may have been damaged by oil or other contamination and it may need to be replaced. If this is the case, please consult Michell Instruments’ Customer Service Department (see www.michell.com for contact information) for further advice.
NOTE: For optimum performance it is necessary to operate the PSD4 continuously. It is recommended that, when not in use, the dryer is kept in stand-by condition by operating at a reduced outlet flow rate of 1 Nl/min (2.1 scfh).
MAINTENANCE
Maintaining the Dryer
Other than replacement of the desiccant and the filters no other general maintenance is required.
The period between replacement of the desiccant will be determined by the period of operation and quality of the supply gas.
Replacement of the filters is recommended every 5 years.
Desiccant Change
Molecular sieve type 4Å, 4 – 8 mesh desiccant, can be ordered from Michell using the order code GEN-01117.
Desiccant Disposal Guidelines
4 Å, 4 – 8 mesh desiccant, which is used in this product, may be sent to a licensed disposal facility
Handling must be carried out by technically qualified persons familiar with potential
chemical hazards. Personal protective equipment including safety goggles, respirator, gloves, face shield and/or safety shield must be used while handling desiccant.
After any change of desiccant, the purge flow should always be checked.
Proceed as follows:
NOTE: Both cylinders should be renewed with desiccant at the same time.
- Disconnect the power supply and gas supply source.
- Disconnect the compression coupling at the base of the cylinder and the VCR coupling at the top of the cylinder.
- Loosen the 2 cylinder restraining straps and remove the cylinder.
- Remove the compression coupling from the inlet of the cylinder.
- Carefully unscrew and remove the desiccant retaining gauze from the neck of the cylinder. The old desiccant may now be poured into a dry container for disposal.
- Refill the cylinder with desiccant. When filling the cylinder continually lightly tap the outer cylinder wall to aid full filling at settlement of the desiccant. There should be no air gap between the desiccant and the gauze.
- Immediately replace the retaining gauze, ensuring that the gauze does not fully pass the threaded part of the neck. Refit the compression coupling using PTFE tape to reseal the coupling into the cylinder neck.
- Replace the cylinder into the retaining straps and secure.
- Reconnect the VCR coupling ensuring a new metal gasket is fitted.
- Reconnect the compression coupling. The system may now be powered up and gas applied.
To check the purge flow proceed as follows:
- Connect a flow meter to the exhaust filter (F2) and adjust the flow valve (FV1) to achieve a measured flow of 10 Nl/min (21.2 scfh). This is measured after de-pressurization at the end of the purge cycle when the air flow is constant. This occurs just before the flow goes to zero and the changeover begins.
- Check the measured flow is within 0.5 Nl/min (1 scfh) of the exhaust flow previously measured, when the 2nd channel exhausts. Any significant difference from 0.5 Nl/min (1 scfh) between the two exhaust ports would indicate a partial blockage in the pipe work.
Outlet Filter Replacement
Replacement filter type – Michell part no. PSD-4-FO
Proceed as follows:
- Disconnect power supply and gas supply source.
- Disconnect both the VCR couplings at each end of the filter body.
- Remove and discard the old filter body and replace with a new one.
- Reconnect the VCR couplings ensuring new metal gaskets are fitted. The system may now be powered up and gas applied.
Vent Filter Replacement
Replacement filter element type – Michell part no. PSD-4-FV
Proceed as follows:
- Disconnect power supply and gas supply source.
- Unscrew and remove the clear filter bowl.
- Unscrew and discard the old filter element and replace with a new one.
- Replace the clear filter bowl. The system may now be powered up and gas applied
Fault Diagnosis
The PSD4 Pressure Swing Dryer is a factory set unit which should not need any further adjustment.
If a fault occurs, it is recommended that the unit be returned to Michell Instruments (see www.michell.com for contact details) or to your local Michell agent for repair or desiccant column refilling.
The table below details some likely faults and recommended actions.
| SYMPTOM | POSSIBLE CAUSE | ACTION |
| No column changeover | Programmable relay fault | Replace programmable relay |
| Solenoid valve failure | Replace solenoid valve | |
| No, or intermittent, output flow | Input source gas interrupted | Check source supply |
| Solenoid valve failure | Replace solenoid | |
| Regulator failure | Replace regulator | |
| Dryer output wetter than expected | Incorrect purge flow | Check purge flow setting |
| Desiccant saturated | Check supply gas quality and purge for 24 hours | |
| Desiccant contaminated | Replace desiccant | |
| Low inlet pressure | Increase pressure | |
| Excess load | Reduce outlet flow |
Technical Specifications

System Drawings
System Layout Drawing

Figure 1 System Layout Drawing
Schematic Flow Drawing

Figure 2 Schematic Flow Drawing
Quality, Recycling, Compliance & Warranty Information
Michell Instruments is dedicated to complying to all relevant legislation and directives. Full information can be found on our website at:
http://www.michell.com/compliance
This page contains information on the following directives:
- Anti-Facilitation of Tax Evasion Policy
- ATEX Directive
- Calibration Facilities
- Conflict Minerals
- FCC Statement
- Manufacturing Quality
- Modern Slavery Statement
- Pressure Equipment Directive
- REACH
- RoHS3
- WEEE2
- Recycling Policy
- Warranty and Returns
This information is also available in PDF format.
Return Document & Decontamination Declaration
Decontamination Certificate
IMPORTANT NOTE: Please complete this form prior to this instrument, or any components, leaving your site and being returned to us, or, where applicable, prior to any work being carried out by a Michell engineer at your site.
| Instrument | Serial Number | |||||||
| Warranty Repair? | YES | NO | Original PO # | |||||
| Company Name | Contact Name | |||||||
| Address | ||||||||
| Telephone # | E-mail address | |||||||
| Reason for Return /Description of Fault: | ||||||||
| Has this equipment been exposed (internally or externally) to any of the following? Please circle (YES/NO) as applicable and provide details below | ||||||||
| Biohazards | YES | NO | ||||||
| Biological agents | YES | NO | ||||||
| Hazardous chemicals | YES | NO | ||||||
| Radioactive substances | YES | NO | ||||||
| Other hazards | YES | NO | ||||||
| Please provide details of any hazardous materials used with this equipment as indicated above (use continuation sheet if necessary) | ||||||||
| Your method of cleaning/decontamination | ||||||||
| Has the equipment been cleaned and decontaminated? | YES | NOT NECESSARY | ||||||
| Michell Instruments will not accept instruments that have been exposed to toxins, radio-activity or bio-hazardous materials. For most applications involving solvents, acidic, basic, flammable or toxic gases a simple purge with dry gas (dew point <-30°C) over 24 hours should be sufficient to decontaminate the unit prior to return. Work will not be carried out on any unit that does not have a completed decontamination declaration. | ||||||||
| Decontamination Declaration | ||||||||
| I declare that the information above is true and complete to the best of my knowledge, and it is safe for Michell personnel to service or repair the returned instrument. | ||||||||
| Name (Print) | Position | |||||||
| Signature | Date | |||||||
Support



















