TOA VX-3000IM-EB Loop-Isolator Monitor Manager

Product Information: Loop-Isolator Monitor VX-3000IM-EB
Thank you for purchasing TOA’s Loop-Isolator Manager of the Integrated Voice Evacuation System VX-3000. The Loop-Isolator Monitor VX-3000IM-EB is designed to control the transmission path of 8 loudspeaker loops equipped with the isolators VM-300IS-EB. It is compliant with Class A of CISPR 32 and EN 54-16:2008 fire detection and fire alarm systems – part 16: Voice alarm control and indication system for fire detection and fire alarm systems for buildings.
The options available with this product include manual silencing of voice alarm condition, manual reset of voice alarm condition, voice alarm condition output, indication of a fault related to voice alarm zones, voice alarm manual control, emergency microphones, and redundant power amplifiers.
The isolator manager VX-3000IM-EB is suitable for use in various applications where a reliable voice evacuation system is required.
Specifications
- Loudspeaker Line Connections: Single amplifier output to single loop or several loops
- Connection of the Fault Outputs to the VX-3000F
Accessories
Refer to the user manual for a list of compatible accessories.
Safety Precautions
Before operating the Loop-Isolator Monitor VX-3000IM-EB, please read and understand the safety symbols and messages provided in the manual to prevent bodily injury and property damage.
- WARNING: Indicates a potentially hazardous situation which, if mishandled, could result in death or serious personal injury.
- CAUTION: Indicates a potentially hazardous situation which, if mishandled, could result in moderate or minor personal injury, and/or property damage.
General Description
The isolator manager VX-3000IM-EB controls the transmission path of 8 loudspeaker loops equipped with isolators VM-300IS-EB. Under normal conditions, it sends the audio signal into the beginning of the loop.
Product Usage Instructions
- Ensure that the equipment rack is installed on a stable, hard floor and fixed with anchor bolts or other arrangements to prevent it from falling down.
- Use the supplied rack-mounting screws only for the TOA equipment rack and not for other racks.
- If you detect smoke or a strange smell coming from the unit, if water or any metallic object gets into the unit, if the unit falls or the unit case breaks, or if it is malfunctioning (no tone sounds), immediately stop using the unit and refer to the user manual for further instructions.
- For detailed connection instructions, refer to section 5.1 and 5.2 of the user manual.
- For software settings, refer to section 6 of the user manual.
Loop-Isolator Monitor
Thank you for purchasing TOA’s Loop-Isolator Manager of the Integrated Voice Evacuation System VX-3000.
Please carefully follow the instructions in this manual to ensure long, trouble-free use of your equipment

TOA Electronics Europe GmbH Süderstraße 282, 20537 Hamburg, Germany 1134-CPR-195
21
DoP 21-004
EN 54-16: 2008
Fire Detection and fire alarm systems – part 16: Voice alarm control and indication system for fire detection and fire alarm systems for buildings Options:
Manual silencing of voice alarm condition
Manual reset of voice alarm condition
Voice alarm condition output
Indication of a fault related to voice alarm zones
Voice alarm manual control
Emergency microphones
Redundant power amplifiers
SAFETY PRECAUTIONS
- Before installation or use, be sure to carefully read all the instructions in this section for correct and safe operation.
- Be sure to follow all the precautionary instructions in this section, which contain important warnings and/or cautions regarding safety.
- After reading, keep this manual handy for future reference.
- This equipment is not suitable for use in locations where children are likely to be present.
- An equipment installer and the person in charge of maintenance are required to fully understand the functions and structure of this unit, then be aware of electrical and mechanical risks before work. Before starting work, he or she should take possible measures to prevent occurrence of such risks. Be sure to contact your nearest TOA dealer if you need to confirm unclear points about risk sources of this unit.
Safety Symbol and Message Conventions
Safety symbols and messages described below are used in this manual to prevent bodily injury and property damage which could result from mishandling. Before operating your product, read this manual first and understand the safety symbols and messages so you are thoroughly aware of the potential safety hazards.
WARNING
Indicates a potentially hazardous situation which, if mishandled, could result in death or serious personal injury.
When Installing the Unit
- Do not expose the unit to rain or an environment where it may be splashed by water or other liquids, as doing so may result in fire or electric shock.
- Use the unit only with the voltage specified on the unit. Using a voltage higher than that which is specified may result in fire or electric shock.
- Since the unit is designed for indoor use, do not install it outdoors. If installed outdoors, the aging of parts causes the unit to fall off, resulting in personal injury. Also, when it gets wet with rain, there is a danger of electric shock.
When the Unit is in Use
- Should the following irregularity be found during use, immediately switch off the power, disconnect the power supply plug from the AC outlet and contact your nearest TOA dealer. Make no further attempt to operate the unit in this condition as this may cause fire or electric shock.
- If you detect smoke or a strange smell coming from the unit
- If water or any metallic object gets into the unit
- If the unit falls, or the unit case breaks
- If it is malfunctioning (no tone sounds)
- To prevent a fire or electric shock, never open nor remove the unit case as there are high voltage components inside the unit. Refer all servicing to qualified service personnel.
- Do not place cups, bowls, or other containers of liquid or metallic objects on top of the unit. If they accidentally spill into the unit, this may cause a fire or electric shock.
- Do not insert nor drop metallic objects or flammable materials in the ventilation slots of the unit’s cover, as this may result in fire or electric shock.
- When replacing the fuse, be sure to use the supplied one. Using any other fuse than supplied may cause fire or electric shock.
- Be sure to switch off the amplifier’s power when replacing the fuse.
Inserting or removing the fuse with the amplifier’s power on may cause personal injury.
CAUTION
Indicates a potentially hazardous situation which, if mishandled, could result in moderate or minor personal injury, and/or property damage.
When Installing the Unit
- Do not block the ventilation slots in the unit’s cover. Doing so may cause heat to build up inside the unit and result in fire.
- Avoid installing the unit in humid or dusty locations, in locations exposed to the direct sunlight, near the heaters, or in locations generating sooty smoke or steam as doing otherwise may result in fire or electric shock.
- Note correct polarity (positive and negative orientation) when connecting the power supply cord. Reversed polarity connections will cause damage to the unit.
- To avoid electric shocks, be sure to switch off the power when connecting the unit.
- The VX-3000IM-EB is designed exclusively to be mounted in an equipment rack. Be sure observe the following instructions when rack-mounting the unit. Failure to do so may cause a fire or personal injury.
- Install the equipment rack on a stable, hard floor. Fix it with anchor bolts or take other arrangements to prevent it from falling down.
- The supplied rack-mounting screws can be used for the TOA equipment rack only. Do not use them for other racks.
Warning: This equipment is compliant with Class A of CISPR 32. In a residential environment this equipment may cause radio interference.
GENERAL DESCRIPTION
The isolator manager VX-3000IM-EB is designed to control the transmission path of 8 loudspeaker loops equipped with the isolators VM-300IS-EB. Normally (when no fault is present) it sends the audio signal into beginning of the loop.
In case of a short circuit on the loudspeaker line, the isolators isolate the defective line from the proper line. This causes a break of the loudspeaker line. The isolator manager VX-3000IM-EB detects a break of the loudspeaker line and then sends the audio signal into the beginning and end of the loop. It indicates the defective line by an LED on the front panel and provides a control output signal for each faulty line to the VX-3000F.
NOMENCLATURE
Front panel

- Green: channel is OK
- Yellow: failure on the channel
Rear panel

INSTALLATION
The unit with a height of 2 U is designed to be mounted into standard 19” cabinet racks. We strongly recommend using supporting brackets for the unit due to its weight.
Fix the unit by four screws at its mounting holes (see front panel above).
CONNECTIONS
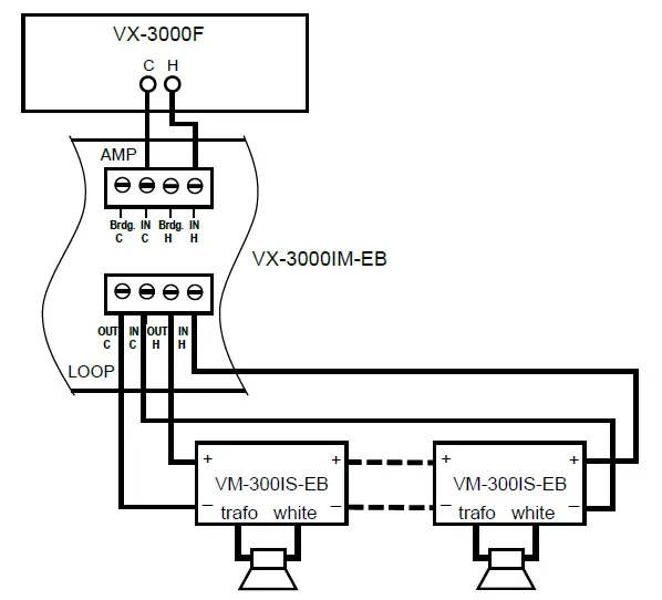
The unit connects the VX-3000F speaker output signals with the speaker line loops. Each speaker line loop can handle up to 150 watts speaker power. When an amplifier output exceeds 150 watts, then two or three loops are to be used.
- Loudspeaker Line Connections
- Connection between a single amplifier output and a single loop

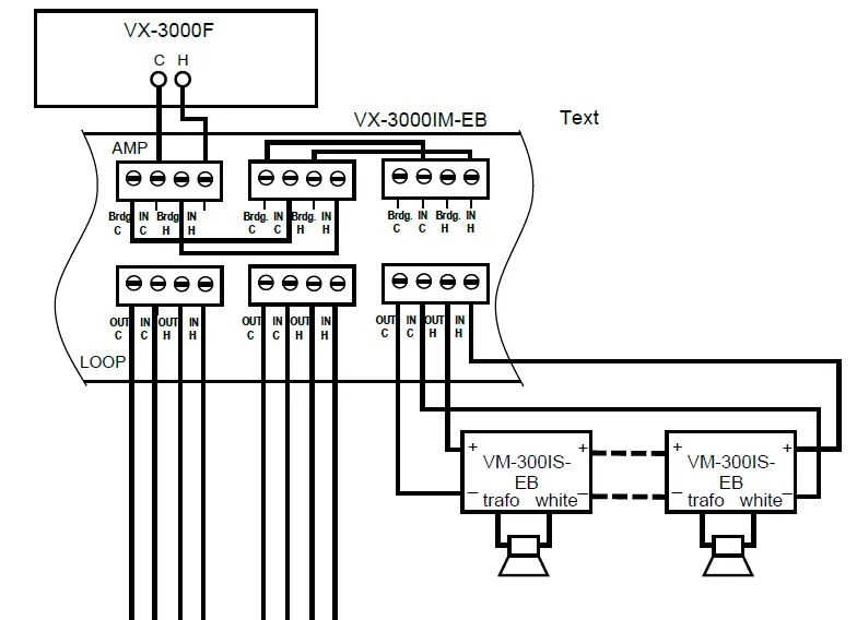
Connection between a single amplifier output and a several loops
Since the maximum wattage per loop is limited to 150 watts, in case of connecting an amplifier with more than 150 watts output power, the loudspeaker lines are to be split into several loops that can handle the total power.
The following drawing shows how to connect several loudspeaker line loops to one amplifier.
Connection diagram with three loudspeaker loops at one amplifier (max. 450 watts):


Connection of the Fault Outputs to the VX-3000F
This connection is quite simple: connect the fault output (RJ45 jack) with the control inputs CONTROL IN 1 or CONTROL IN 2 jacks that shall receive the failure information from the VX-3000IM-EB.with a shielded patch cable (Cat5 FTP/STP or higher with RJ45 plugs).
Example: Connection from VX-3000IM-EB to a VX-3004F, CONTROL IN 1:

Settings in the VX-3000 Setting Software
Relation between Control Inputs and Failure Outputs
Depending on the control input jack used, there is the following relation between the channels of the fault output and the control input jacks CONTROL IN 1 and CONTROL IN 2:
| VX-3000IM-EB Fault output channel | 1 | 2 | 3 | 4 | 5 | 6 | 7 | 8 |
| VX-3000F CONTROL IN 1 control input no. | 1 | 2 | 3 | 4 | 5 | 6 | 7 | 8 |
| VX-3000F CONTROL IN 2 control input no. | 9 | 10 | 11 | 12 | 13 | 14 | 15 | 16 |
Software Settings
The fault information of the VX-3000IM-EB is to be treated as a failure of the control inputs. All of them are to be implemented into the general fault pattern that you must create for compliance with EN 54-16.
In the following description, we explain the settings by an example with a VX-3016F and two VX-3000IM-EB. All 16 audio output channels are used. The fault output of the first VX-3000IM-EB (IM1) is connected to CONTROL IN 1, that of the second VX-3000IM-EB is connected to CONTROL IN 2. The settings for other frames are to be made accordingly.
Basic Settings
Set “used” for the “Setting for fault detection functions”.

Surveillance Settings
Since we use the surveillance of the control inputs connected to the VX-3000IM-EB, make a check for all control inputs that receive a failure information from the VX-3000IM_EB.

The loop isolator detects short circuits and breaks of the speaker lines but not an earth leakage, therefore set the earth lakage surveillance of the speaker lines used.
General Failure: Pattern Settings in Tab “Failure”
For indicating failures of the speaker lines by the general failure, select all control inputs that receive the failure information of the VX-3000IM-EB. In the box “Speaker line fault”, at “Type”, select “Earth only”. (Example: red frames).

SPECIFICATIONS
| Power Source | 31 VDC (operating range: 20 – 33 VDC), removable screw terminal 2 pin |
| Current consumption | 380 mA at 31 VDC, 510 mA at 21 VDC (without isolators) Additional current per isolator VM-300IS-EB: 1.5 mA |
| Fuse | 1.6 AT (slow type) |
| Indicator (front panel) | Power: green LED Zones: 2-colour LED; zone OK: green, zone fault: yellow |
| Controls | Lamp test button |
| Control output | Failure output: 8 (for zones 1 – 8), no-voltage make contact, max. control current: 10 mA, withstand voltage: 28 VDC Connector: shielded RJ45, recommended cable: Cat5-STP/FTP |
| Amplifier inputs | 8 (from VX-3000F) 8 removable screw terminal blocks, 4 pins |
| Loop connection | 8 (loop out and return) 8 removable screw terminal blocks, 4 pins |
| Loop ratings | Max. cable length: 1 km (requires 1 mm² cross section area); min./max. speaker wattage per loop: 20 W/150 W max. no. of connectable isolators: 60 |
| Usable isolator | VM-300IS-EB |
| Operation temperature | -5°C to +45°C |
| Operation humidity | 90% RH or less |
| Finish | Surface treated front panel, black; steel |
| Dimensions | 483 (W) x 88.4 (H) x 345 (D) mm |
| Weight | 15,4 kg |
ACCESSORIES
- Instruction manual ……………………………………………………………………………………………………… 1
- 4-pole removable screw terminal blocks ……………………………………………………………………… 16
- 2-pole removable screw terminal block …………………………………………………………………………. 1
- Rack-mounting screws M5 x 10 mm ……………………………………………………………………………… 4
TOA Electronics Europe GmbH
Süderstraße 282 ♦ 20537 Hamburg ♦ Germany
Tel.: +49-(0)40-25 17 19-0
Fax: +49-(0)40-25 17 19-98
URL: www.toa.eu
TOA Electronics Europe GmbH


















