panlux PN32300026 Zeus LED Ceiling and Wall Circular Light
Product Information
- Power: 15.5W
- Luminous Flux: 1395 lm
- Model Numbers:
- PN31300086
- PN32300026
- PN32300027
- PN32300028
- PN31300087
- PN32300026 + PN32300028
- PN32300027
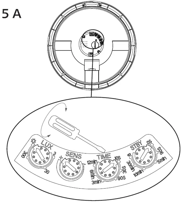
- Detection Area: Dosah
- Detection Range:
- I – 100%
- II – 75%
- III – 50%
- IV – 10%
- Hold Time Settings: | Hold Time
- Hold Time Range:
- I – 10s
- II – 90s
- III – 3min
- IV – 10min
- Daylight Sensor: Daylight Senzor
- Daylight Sensor Range:
- I – 2000lux
- II – 50lux
- III – 15lux
- IV – 5lux
- Stand-by Period:
- Stand-by Period Range:
- I – 0s
- II – 30s
- III – 10min
- IV – +
Product Usage Instructions
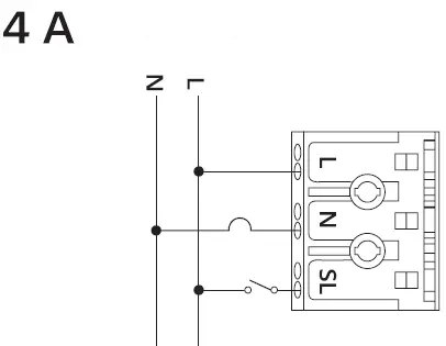
- Connect the product to a power source.
- Adjust the detection range using the Dosah setting. Choose a range from I to IV.
- Set the hold time using the| Hold Time setting. Choose a hold time from I to IV.
- Adjust the daylight sensor using the Daylight Sensor setting. Choose a range from I to IV.
- Set the standby period using the Stand-by Period setting. Choose a range from I to IV.
- The product is now ready for use.
Features

INSTRUCTIONS
Thank you for choosing this product from PAN LUX s.r.o
Before using or installing the product, please read the instructions and follow the safety rules. Installation should be carried out by a qualified professional or company.
Technical data
- Recommended installation height: Ceiling 7,5-3,5m I Wall 2-4m
- Material: PC plastic, metal
Notes
Before using, check the product and ensure that it is not damaged in any way; if it is, do not use it. Before any installation ensure that the main electrical supply is disconnected. If the product is damaged, do not attempt to repair or disassemble it. For the best results, the area of movement should be directly in front of the sensor. Product malfunction can be caused by an interruption of the electromagnetic field, a small temperature difference between a moving object and the surroundings, and reflection (e.g. a strong light source). The light source contained in this luminaire shall only be replaced by the manufacturer or his service agent or a similar qualified person. Failure to follow these instructions can cause damage to health and property.
PN32300028+PN31300087
The warranty of battery is 24 months. It does not apply to capacity decrease, which is caused by common use. The warranty is void if the product is damaged or installed incorrectly.
SENSOR SETUP
Principle of sensor
The integrated radar (HF) sensor emits high-frequency waves (5,8 GHz) and receives the echo. The sensor detects the change in echo from even the slightest movement within its detection zone. A microprocessor then triggers the process to switch the lamp on. The transmitted electromagnetic waves lead to different large reflections and reductions according to the type of material of the obstacles.
Time setting (switch-off delay) – TIME (1 Os (±3s) to 12min (±1 min)
The countdown of the selected time begins after the last detected movement. We recommend selecting the minimum time during functional testing.
PN82000EZENd + PN323000EZENd

- 10s minimum
- 12min maximum
PN32300027

- TIME (10s (+3s) to 10min (+1min)
Light sensitivity setting – LUX (3-20001x)
- We highly recommend setting LUX to the maximum so the sensor will work in daylight during functional testing.
PN32300026 + PN32300028

- 3 minimum
maximum
PN32300027

Reach setting (sensitivity) – max. 20m
Reach is the area traced out by the angle of detection and the minimum to maximum possible distance from the sensor. Reach can be changed by rotating the head of the sensor.
PN32300026 + PN32300028

- – minimum
- + maximum
PN32300027

Dimming STBY Os – ∞
- By setting the STBY time, the TIME function will not turn off the luminaire completely. but only reduce the illumination to 25%.
PN32300026 + PN32300028

- Os minimum
- ∞ maximum
PN32300027

- These figures are approximate and may vary depending on position and mounting height.
Dimensions

Power Off

Installation


MODEL: PN31300087

MODEL: PN32300026 | PN32300028

MODEL: PN32300027


MODEL: PN32300028 + PN31300087

Power On

Wight

Please, download the latest updated version of the manual.
All right reserved.
Technical data can be changed without previous notice.
















