
Analog 4-Wire Video Intercom
Quick Start Guide
Foreword
General
This document mainly introduces the structure, installation, wiring, and menu operations of the analog 4-wire video intercom.
Model
VTH1020J, and VTH1020J-T
Safety Instructions
The following categorized signal words with defined meanings might appear in the manual.
| Signal Words | Meaning |
| Indicates a high potential hazard that, if not avoided, will result in death or serious injury. | |
| Indicates a medium or low potential hazard that, if not avoided, could result in slight or moderate injury. | |
| This indicates a potential risk that, if not avoided, could result in property damage, data loss, lower performance, or unpredictable result. | |
| Provides methods to help you solve a problem or save you time. | |
| Provides additional information as the emphasis and supplement to the text. |
Revision History
| Version | Revision Content | Release Time |
| VI 1 0 | •Added description of the functions of VTH1020J-T. •Added factory reset function. | March-21 |
| V1.0.0 | First release. | August-20 |
About the Manual
- The manual is for reference only. If there is an inconsistency between the manual and the actual product, the actual product shall prevail.
- We are not liable for any loss caused by the operations that do not comply with the manual.
- The manual would be updated according to the latest laws and regulations of related jurisdictions. For detailed information, refer to the paper manual, CD-ROM, QR code, or our official website. If there is an inconsistency between the paper manual and the electronic version, the electronic version shall prevail.
- All the designs and software are subject to change without prior written notice. The product updates might cause some differences between the actual product and the manual. Please contact the customer service for the latest program and supplementary documentation.
- There still might be deviations in technical data, functions, and operations description, or errors in print. If there is any doubt or dispute, we reserve the right to a final explanation.
- Upgrade the reader software or try other mainstream reader software if the manual (in PDF format) cannot be opened.
- All trademarks, registered trademarks, and the company names in the manual are the properties of their respective owners.
- Please visit our website, and contact the supplier or customer service if there is any problem occurring when using the device.
- If there is any uncertainty or controversy, we reserve the right of a final explanation.
Important Safeguards and Warnings
The following description is the correct application method of the device. Please read the manual carefully before use, in order to prevent danger and property loss. Strictly conform to the manual during application and keep it properly after reading.
Operating Requirements
- Do not expose the device to direct sunlight or heat sources.
- Do not install the device in a humid or dusty area.
- Install the device horizontally at stable places to prevent it from falling.
- Do not drip or splash liquids onto the device; do not put on the device anything filled with liquids.
- Install the device at well-ventilated places and do not block its ventilation opening.
- Use the device only within rated input and output range.
- Do not dismantle the device by yourself.
- The device should be used with screened network cables.
Power Requirements
- Use recommended power cables in the region under their rated specification.
- Use a power supply that meets SELV (safety extra low voltage) requirements, and supply power with a rated voltage that conforms to Limited Power Source in IEC60950-1. For specific power supply requirements, please refer to device labels.
- The appliance coupler is a disconnecting device. During normal use, please keep an angle that facilitates operation.
Device Update
Do not cut off the power supply during device updates. The power supply can be cut off only after the device has completed the update and has restarted.
Structure
Introduction
The analog 4-wire video intercom consists of a door station (“VTO”) and an indoor monitor (“VTH”). It is applicable to buildings, such as residential buildings, for people to do voice and video calls. The VTO is installed outdoors and VTH is installed indoors.
Features
VTH
- Real-time video/voice communication
- Can be connected to three VTOs
- Can be connected to cameras (CVBS)
- Plug-and-play
VTO
- Real-time voice communication
- Self-adaptive IR illumination
Front Panel 
Table 1-1 Front panel
| No. | Icon | Description |
| 1 | – | Microphone. |
| 2 | •Press to hang up the incoming call. •Take snapshots during monitoring (only supported by VTH1020J-T). | |
| 3 | Wake up the screen, and bring up the menu. I | |
| For how to operate the menu, see “4 Menu Operations”. | ||
| 4 | When someone is calling from the VTO: •Press once to do voice communication with the person. •Press twice quickly to hang up. | |
| 5 | When someone is calling from the VTO: •Press to talk to the person (only supported by VTH10201). •Press to take snapshots (only supported by VTH1020J-T). When no one is calling: •Press once, twice, three times and four times to view live video of: VTO1, VTO2, analog camera 1 and analog camera 2 respectively. •On any live video, press to take snapshots (only supported by VTH10201-T). | |
| 6 | When someone is calling, press to open the door where the VTO is installed. | |
| 7 | – | Power indicator. |
| 8 | – | LCD screen. |
| 9 | – | Microphone. |
| 10 | – | Built-in camera. |
| 11 | – | Power indicator. |
| 12 | – | Call button. •Press once to call the VTH. •Press and hold for 10 seconds to change the bell type of the VTO. The power indicator will flash. •Press and hold for 15 seconds to turn up the bell volume of the VTO. The power indicator will flash. When the volume reaches a maximum, this step will set it to a minimum. Repeat this step to set appropriate volume. •Press and hold for 20 seconds to change to DWDR (digital wide dynamic range)/normal mode for the VTO. The power indicator will flash. |
| 13 | – | Speaker. |
1.4 Rear Panel 
Table 1-2 Rear panel
| No. | Description | No. | Description |
| 1 | Analog camera port 1. | 6 | VTH cascading port 1. |
| 2 | VTO port 1. | 7 | VTH cascading port 2. |
| 3 | VTO port 2. | 8 | VTO hanging slot. |
| 4 | Power input. | 9 | Wires. |
| 5 | Analog camera port 2. | – | – |
Installation
2.1 VTH
Fix the bracket on the wall by screws, hang the VTH on the bracket, and then apply silicone sealant to the gap between the device and the wall. VTH installation 
2.2 VTO
Install the VTO bracket on the wall, and then hang the VTO on the bracket; or install the VTO cover on the wall, and then hang the VTO on the cover. Finally, apply silicone sealant to the gap between the device and the wall. 
Apply silicone sealant to the gap between the device and the wall 
Wiring
At most 2 VTOs and 3 VTRs can be wired in one communication system.
3.1 Preparations
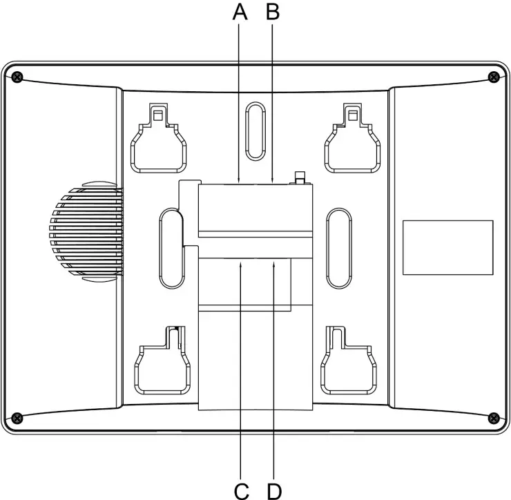
3.1.1 Port Connection Rules Port connection rules 
- Port A of a VTH can be connected to Port C of another VTH to do data communication.
- Port B of a VTH can be connected to Port D of another VTH to do data communication.
- Port A of a VTH cannot be connected to Port B or D of another VTH to do data communication
- Port C of a VTH cannot be connected to Port B or D of another VTH to do data communication
3.1.2 Cord Specification
Depending on the distance between the VTO and VTH, you need to select RVV4 cords of different specifications.
Table 3-1 Cord specification
| Transmission Distance (TD) | RVV4 Cord Specification |
| TD10m | RVV4 x 0.3 mm2 |
| 10 m <TD 30 m | RVV4 x 0.5 mm2 |
| 30m<TD5Om | RVV4 x 0.75 mm2 |
If the distance between the VTO and VTH is more than 50 m, use coaxial cables.![]()
- Do not pull the cords violently.
- During wiring, wrap the cord joints with insulated rubber tape to prevent short circuits.
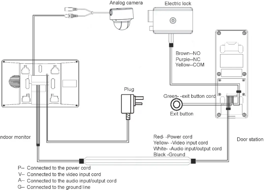
3.2 Wiring One VTO and One VTH 
3.3 Wiring Three VTOs and One VTH 
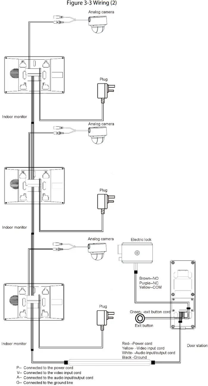
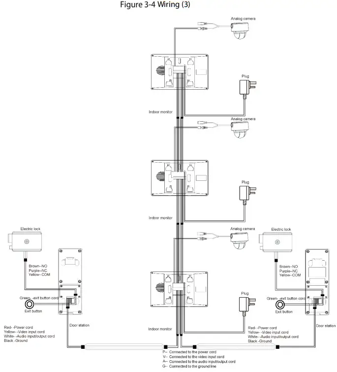
3.4 Wiring Two VTOs and Three VTHs 
The recommended analog cameras (CVBS) are HAC 1230 series.
You can configure the functions of the VTH, such as volume, brightness, and more.![]()
- Only VTH1020J-T supports the Snapshots and Time functions.
- All configurations will be saved after you exit the menu.

Table 4-1 Menu operations
| Icon | Function |
| Used to confirm your operation when you are using the Snapshots and Time functions (only supported by VTH1020J-T). | |
| Adjust Vol (volume), Bright (brightness), Contrast, and BellVol (bell volume), change Bell and turn off DND (do not disturb). | |
| Turn up Vol (volume), Bright (brightness), Contrast, and BellVol (bell volume), change Bell, turn off DND (do not disturb), and adjust the time. | |
| Select an item. | |
| ♦Exit the menu and lock the screen. ♦Go back to the previous interface. |
4.1 Snapshots
You can take snapshots during monitoring, and view the snapshots you have taken.
The VTH can store up to 200 snapshots. If storage is full, the earlier ones will be overwritten.
Taking Snapshots
- During monitoring.
Step 1 Press
- to go to the monitoring image that you want.
Step 2, Press
and then Successful will appear on the screen. - When a VTO is calling or in a call with a VTO, press
, and then Successful will appear on the screen.
If the calling lasts more than 1 second, a snapshot will be automatically taken.
Viewing Snapshots
Step 1 Press
to bring up the menu.
Step 2 Press
, select Snapshots, and then press
Step 3 Press
to select the one that you need, and then press
.
To delete a snapshot, press
, Detele? will appear on the screen, and then press
to confirm. 
Step 4 Press
or
to view the previous or next snapshot. Or you can press
to go back to the list of snapshots, and then select the one that you need.![]()
To delete a snapshot, press
, Detele? will appear on the screen, and then press to confirm.
4.2 Time
Step 1 Press
to bring up the menu.
Step 2 Press
2 to select the part of the time that you want.
Step 3 Press
to or
adjust the number.
4.3 Restoring to Default Settings
Step 1 Press
to bring up the menu.
Step 2 Press
to select factory reset.
Step 3 Press
, and then the device will restart.
Appendix 1 Cybersecurity Recommendations
Cybersecurity is more than just a buzzword: it’s something that pertains to every device that is connected to the internet. IP video surveillance is not immune to cyber risks, but taking basic steps toward protecting and strengthening networks and networked appliances will make them less susceptible to attacks. Below are some tips and recommendations on how to create a more secured security system.
Mandatory actions to be taken for basic device network security:
- Use Strong Passwords Please refer to the following suggestions to set passwords:
• The length should not be less than 8 character
• Include at least two types of characters; character types include upper and lower case letters, numbers, and symbols;
• Do not contain the account name or the account name in reverse order;
• Do not use continuous characters, such as 123, ABC, etc.;
• Do not use overlapped characters, such as 111, aaa, etc.; - Update Firmware and Client Software in Time
According to the standard procedure in Tech-industry, we recommend keeping your device (such as NVR, DVR, IP camera, etc.) firmware up-to-date to ensure the system is equipped with the latest security patches and fixes. When the device is connected to the public network, it is recommended to enable the “auto-check for updates” function to obtain timely information on firmware updates released by the manufacturer.
We suggest that you download and use the latest version of the client software. “
Nice to have” recommendations to improve your device network security:
- Physical Protection
We suggest that you perform physical protection on devices, especially storage devices. For example, place the device in a special computer room and cabinet, and implement well-done access control permission and key management to prevent unauthorized personnel from carrying out physical contacts such as damaging hardware, and unauthorized connection of removable devices (such as USB flash disks, serial port), etc. - Change Passwords Regularly We suggest that you change passwords regularly to reduce the risk of being guessed or cracked.
- Set and Update Passwords Reset Information Timely
The device supports the password reset function. Please set up related information for password reset in time, including the end user’s mailbox and password protection questions. If the information changes, please modify it in time. When setting password protection questions, it is suggested not to use those that can be easily guessed. - Enable Account Lock
The account lock feature is enabled by default, and we recommend you to keep it on to guarantee account security. If an attacker attempts to log in with the wrong password several times, the corresponding account and the source IP address will be locked - Change Default HTTP and Other Service Ports
We suggest you to change default HTTP and other service ports into any set of numbers between 1024~65535, reducing the risk of outsiders being able to guess which ports you are using - Enable HTTPS
We suggest you to enable HTTPS so that you visit Web services through a secure communication channel. - MAC Address Binding
We recommend you to bind the IP and MAC address of the gateway to the device, thus reducing the risk of ARP spoofing. - Assign Accounts and Privileges Reasonably
According to business and management requirements, reasonably add users and assign a minimum set of permissions to them. - Disable Unnecessary Services and Choose Secure Modes
If not needed, it is recommended to turn off some services such as SNMP, SMTP, UPnP, etc., to reduce risks.
If necessary, it is highly recommended that you use safe modes, including but not limited to the following services:
• SNMP: Choose SNMP v3, and set up strong encryption passwords and authentication passwords.
• SMTP: Choose TLS to access the mailbox server.
• FTP: Choose SFTP, and set up strong passwords.
• AP hotspot: Choose WPA2-PSK encryption mode, and set up strong passwords. - Audio and Video Encrypted Transmission
If your audio and video data contents are very important or sensitive, we recommend that you use an encrypted transmission function, to reduce the risk of audio and video data being stolen during transmission.
Reminder: the encrypted transmission will cause some loss in transmission efficiency. - Secure Auditing
• Check online users: we suggest that you check online users regularly to see if the device is logged in without authorization.
• Check device log: By viewing the logs, you can know the IP addresses that were used to log in to your devices and their key operations. - Network Log
Due to the limited storage capacity of the device, the stored log is limited. If you need to save the log for a long time, it is recommended that you enable the network log function to ensure that the critical logs are synchronized to the network log server for tracing. - Construct a Safe Network Environment
In order to better ensure the safety of devices and reduce potential cyber risks, we recommend:
• Disable the port mapping function of the router to avoid direct access to the intranet devices from the external network.
• The network should be partitioned and isolated according to the actual network needs. If there are no communication requirements between two sub-networks, it is suggested to use VLAN, network GAP and other technologies to partition the network, so as to achieve
the network isolation effect.
• Establish the 802.1x access authentication system to reduce the risk of unauthorized access to private networks.
• Enable IP/MAC address filtering function to limit the range of hosts allowed to access the device.

















