THUNDERSTRUCK MOTORS JLD404 Programmable Battery Meter
Thunderstruck Motors JLD404 Manual
Thank you for purchasing a JLD404 battery meter. You have made a wise choice to monitor the status of your batteries. Before installing your meter, please read this entirely and see the included wiring diagram.
It should be apparent from the drawing that your high-current load does not go through the meter. Instead, it is sensed via the shunt at 9 and 10 (notice that 10 is closest to the battery). If you have any questions about the legitimacy of your wiring, feel free to take a photo of it and shoot us an email; we’ll gladly look it over for you. To get your meter to function to its fullest, you may need to establish a few parameters. Your meter should already be set up for your battery pack, in that it is programmed to accept a voltage range from 0-100V or from 0-500V. Be sure to use the appropriate terminal (5 or 6) for your application. If you want to change this setting, you’ll have to swap terminals, and change settings for both the v-Sn (voltage input) and vPvH (full-scale voltage) to match your choice.
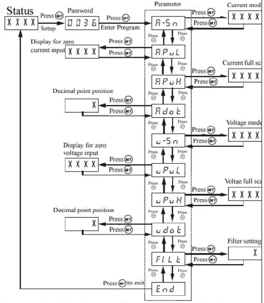
To make programming changes like those mentioned above, see the included manufacturer’s manual for details. Simply put, you hit SET and choose 0036, and scroll through the choices. To make changes to the output relay settings, you hit SET and choose 0001.To reset Ah or Timer, scroll until that variable is displayed, then hold the Down arrow for 3 seconds (until you hear a beep) and it will reset to zero. If you want the meter to cycle through all of the display variables, hold the Right arrow for 3 seconds, until you hear the beep. In regards to the relays, consider both terminal sets 15-16 and 18-19 two normally closed circuits, or 16-17 and 19-20 normally opened circuits. To change the level that these relays switch on and off (at a certain voltage, amp, or Ah) please see the included manufacturer’s manual. Please let us know if you have any questions or concerns with your application and we’ll do our best to help you out!
Simplified Wiring Diagram
Features
- Support DC input: 5A, 1A, 75mV, 100V, 500V
- Wide range measurement can be achieved by using a proper DC shunt
- Auto range switching: 0.001W-9999KW
- Two alarm output; Alarm or Control can be accomplished
- RS485 comunication port(optional)
Specification
- Input range: Curent: 0-9999A(need a DC shunt): +/
- 0.56FS+3d; 0-500VDCc (0.5% FS+3d)
- Input mode: Common Ground
- Sampling: 3times/sec
- Overload: “EEEE” or “-EEE”
- Expandable(need a proper DC shunt, programmable)
- Power 0.001W-9999Kw
- DC Accuracy: +/- 1%
- LED Display: Power (Blue/0.56″)
- Operating Power: DC8-30V/2W
- Temperature: 0~ +50’C
- Humidity: <<85% RH
- Relay: AC220V/BA
- Relay Life Span: 10s
- Dimension: 96*48*82(mm), Mounting hole: 92*44(mm)
Panel
- Display
- Watt indicator
- alam indicator
- Current indicator
- Selection key
- Increment parameter down
- KiloWat indicator
- larm indicator
- Voltage indicator
- Set Confirm
- decrement/parameter up
Key setting
During the stage of measuring, Press to select the reading from P(wat), V, and I(amp). Press for over 3 ‘s, it will display P,V,I in sequence. Press again will cancel it. Parameter setup: Press,enter passcode: 0036

Setting
- Pressto enter programming mode
- Input Password using
- Press O to set parameters
- Measurement setup

- Current Input (A-Sn): Input rangge 5A (-1A-5A), 1A(-0.2-1A). 75mV(shunt value: -15-75mV). Default: 5A
- Zero current input(APVL): Setup the meter how to display when the input current is “0.0A”. It serves as offset adjustment. Default: “0000”
- Full-scale curent display: (APvH): To display value when input current is at max. Resolution varies with this setting.
- Decimal point position: Can be set arbitrary
- Voltage Input(V-Sn): Voltage input range 500V (-100-500V);
- Digital filtering Index: Range: 0,1,2,3 where 0 means no filtering. l=weak, 2=medium, 3=strong. The higher the index, the more stable of the display but w/ slower refresh 100V(-20100V) rate
Power Alarm Parameters( Press, enter password “0001”)
Note:
The position of the decimal point changes automatically when displaying the power. To setup the alarm value or the decimal position Press the decimal point blink, press or to set the value.
The setting of the alarm is similar to the setting of the measurement 7 Alarm/relay(J1,J2) operation AH1 & AH2 are the latched value, where ALI & AL2 are unlatched value
- Set AH1=AL1(AH2=AL2), relay disable Set AH1>ALI(AH2>AL2), when measured value 2 AH1, the relay will latch; when AL1 2 measured value, relay
unlatched. - This is for ‘upper limited’ configuration. See Fig 1.
- Set AHl<ALI(AH2<AL2), when AH1 2 measured value, the relay will latch; when measured value 2 AHI, the relay unlatched. This is for the “lower limited” configuration. See Eio

Transmission Output (Press, enter code: 0042)(note: this function does not apply to all models. It’s optional)
- Table of transmission parameters

- Procedures of setting up Transmission is similar to the measurement setup
- Parameters definition: 8 Transmission mode(obty): Output selection either in 0-20mA or 4-20mA
- Transmission lower limit(obL): output is either in OmA or 4mA
- Transmission upper limit(obH): output is 20mA. Resolution varies depends on the obH setting. The smaller value of obH, the
- lower the resolution is. To set the decimal point, press or for W or KW selection
Setup Procedures:
- Pressto enter the programming stage
- Use O to enter the password
- Use to set value
- Press to confirm and save


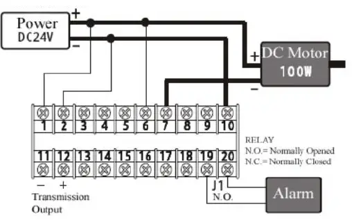
Example: Monitoring a DC motor (Power: 10OW; DC24V, <5A or equal Condition requirement
- when power go over 110W, relay J1 latched to set off alarm
- Convert 0-100W to 4-20mA for transmission output
- Power is DC24V To full this requirement, the meter must be equipped with “Transmission output and “relay output” functions. * Never jump short cable betveen #1 and #6. Doing so the meter will not read properly

Setup
- Enter password: 0036
Current mode: A-Sn = 5A, Current “zero input” APvL: 0.000;
Current full scale APvH: 5.000; Decimal point dot-3 (0.000-5.000A))
Voltage mode U-Sn: 100V; Voltage “zero input” UpvL= 000.0;
Voltage full scale: UpvH=100.0; Decimal point dot=2 (0.0-100.0V) - Enter password: 0001, set alarm
Set current upper limit J1 latched value(AH1)= 110.0W
Set current lower limit J1 unlatched value(AL1) = 109.5W
Set voltage upper limit J2 (AH2) =200W;
Set voltage lower limite J2 (AL2) =200W; (AH2=AL2, disable J2) - Enter password: 0042
Set obty=4-20mA, set obL = 0000W, set obH= 0100W





























