ICEGAME AF1000X Air FX Full Size Air Hockey Table
Locate keys and Open
The keys are either located in the coin return of the coin door or screwed to the bottom of the cabinet. There should be two different types of keys. One set for the coin door and another to open the player’s puck doors.
Locate the legs and feet.
The leg, feet, and hardware is located inside the right side door.
Leg Assembly
After removing the legs from the cabinet, remove the bolt using a 6mm Allen wrench on each leg. You will have to also use a wrench to hold the adjustment rod from spinning out. Then place one feet per leg and reattach the 6mm bolt. The adjustment rods are installed from the factory and can be adjusted for uneven heights once installed to the cabinet.
Attaching the assembled Legs
Using four 7/16 bolts and washers attach each leg onto the bottom of the cabinet. Tighten all bolts.
Positioning the Table
Flip the table onto its legs using at least four people on either side.
Opening The cabinet Top
Located in the cash box is the Allen wrench key to open the cabinet top playfield. Insert the wrench as shown and turn counter-clock-wise to unlock the playfield.
Locating the Score Head and sides
The score head assembly is bolted to the bottom of the cabinet. The side rails and divider are attached with straps stapled to the bottom of the cabinet.
Installing Score Head
The score head is mounted on the opposite side of the coin door. Insert the wire harness from the score header marquee into the cabinet. Then attach the Score Header Marquee using four AA6584 1/4 20 black bolts and washers. Open the playfield back up and connect the harness.
Attaching Side Guards
Using four AA6032 8×1/2 Hex w/tek screws attach the side guards. Slide the playfield divider into the side guard slot.
Slide the other side guard into the other end of the playfield divider and attach using AA6032 8×1/2 Hex w/tek screws
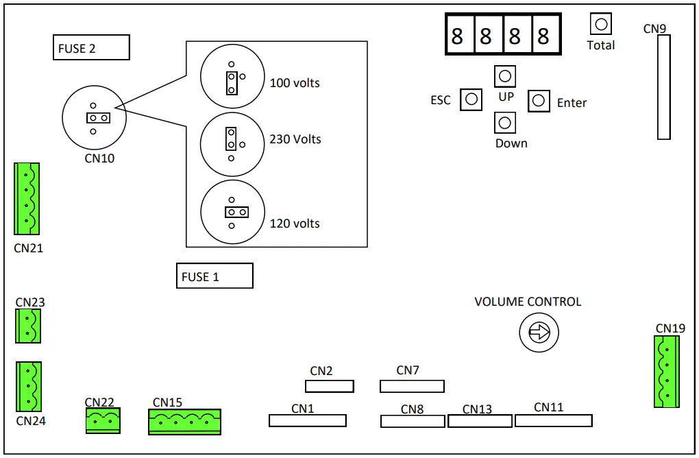
Rev B board layout



J1: Connector
| Pin | Color wire | Description |
| 1 | Orange | +12 volts |
| 2 | Yellow/red | Red RGB LED |
| 3 | Yellow/green | Green RGB LED |
| 4 | Yellow/blue | Blue RGB LED |
| 5 | Orange/black | Marquee +12 volts |
| 6 | Red/Black | Marquee Red RGB LED |
| 7 | Green/Black | Marquee Green RGB LED |
| 8 | Blue/Black | Marquee Blue RGB LED |
J2: Connector
| Pin | Color wire | Description |
| 1 | Orange | +12 volts |
| 2 | Yellow/red | Red RGB LED |
| 3 | Yellow/green | Green RGB LED |
| 4 | Yellow/blue | Blue RGB LED |
| 5 | Orange/black | +12 volts |
| 6 | Brown/red | Red RGB LED |
| 7 | Brown/green | Green RGB LED |
| 8 | Brown/blue | Blue RGB LED |
J7:
| Pin | Color wire | Description |
| 1 | Black | Fused (7amps) +12 volts |
| 2 | – | – |
| 3 | – | – |
| 4 | Black/white | Ground |
| 5 | Black/white | Ground |
J8:
| Pin | Color wire | Description |
| 1 | Orange | Marquee +12 |
| 2 | Black | Marquee ground |

CN4: Connector ; Ticket dispensers
| Pin | Color wire | Description |
| 1 | Orange | +12 VDC |
| 2 | Black | Ground |
| 3 | Violet/white | Ticket run line ; Goes High when tickets are owed. |
| 4 | Violet/blue | Notch Line ; Goes low when optic is not blocked. |
| 5 | Orange | +12 VDC |
| 6 | Black | Ground |
| 7 | Yellow/white | Ticket run line; Goes High when tickets are owed. |
| 8 | Yellow/blue | Notch line ; Goes low when optic is not blocked. |
CN1: Connector ; Power
| Pin | Color wire | Description |
| 1 | Green w/yellow | Earth ground |
| 2 | N/A | No connection |
| 3 | Blue | Neutral AC |
| 4 | Brown | Hot AC |
CN3: Connector ; Data to main board
| Pin | Color wire | Description |
| 1 | light Blue | +24 VDC |
| 2 | Black | Ground |
| 3 | white | data |
| 4 | tan | data |
| 5 | yellow | data |
| 6 | green | data |

CN1:
| Pin | Wire Color | Description |
| 1 | Black | Ground |
| 2 | Grey/red | Power |
| 3 | N/A | No connection |
| 4 | Blue/black | Sense |
Programming
To access configuration menu the machine should have no credits and be at attract mode.
To enter the Program Menu press and hold for a few seconds. The display will show “P1”. This informs you that you are in program mode.
To navigate the menu:
Momentarily pressing the key will advance to the next parameter.
Momentarily pressing key will go back a parameter.
Momentarily pressing key will INCREASE the value for that parameter.
Momentarily pressing key will DECREASE the value for that parameter.
Holding will exit out of the configuration menu and SAVE CHANGES.
P1 (goals): Maximum number of goals per game:
- Minimum value 2.
- Maximum value 9.
P2 (time): Maximum length of the game (in minutes):
- Minimum value 2.
- Maximum value 9.
P3 (free games): Length of the free games mode (in hours).
- Minimum value 1.
- Maximum value 9.
P4 (small coin): Number of small coins to buy 1 game.
- Minimum value 1.
- Maximum value 9.
P5 (DBV): Number of pulses for DBV for 1 game.
- Minimum value 1.
- Maximum value 9.
P6 (DBV): Discount: Number of games per 1 game credits. CN11 – pin 5.
- Minimum value 1.
- Maximum value 9.
P7 (tune): Select tune during the game.
- Minimum value 1 (for BABY air hockey).
- Maximum value 2 (other models: 2 random tunes).
P8 (tune): Appeal tune activation.
- Minimum value 0 (not activated).
- Maximum value 1 (activated).
T1: Number of ticket expendors connected.
- Minimum value 0.
- Maximum value 2.
T2: Number of tickets per scored goal.
- Minimum value 0.
- Maximum value 9.
T3: When tickets per goal are delivered.
- Minimum value 1 (when goal is scored).
- Maximum value 2 (at the end of the game).
T4: Number of tickets per won game.
- Minimum value 0.
- Maximum value 9.
T5: Display tickets counter in collection sequence (only if T1=2).
- Minimum value 0.
- Maximum value 2.
- Modes:
Value 0: small coin – big coin – ticket1 – ticket2
Value 1: small coin – big coin – tickets
Value 2: small coin – big coin – ticket1 – ticket2 – tickets
E1: Special function mode: DOOR MOTORS ALWAYS CLOSED:
GOAL OPEN JUST WHEN GOAL SCORED.
- Minimum value 0 (normal function mode).
- Maximum value 1 (special function mode).
Ball Deflector Mounting Positions
NOTE ** Color has been changed to red to accent.
Accessing the SA1228 Boards
- Step 1: Remove the back cover.

- Step 2: Remove the standoffs that hold the boards.


Mounting position determines dipswitch settings.







Spare Parts List
| ICE part | Description |
| SA0259 | Bright Yellow (hard/fast) puck |
| SA1006RF | Player handle red |
| SA1007BF | Player handle blue |
| E00724AFAX | LED strip RGB 59 cuts |
| E00724AFBX | LED strip dual 4 cuts |
| E00852AFX | LED strip large white 19 cuts |
| AA5014 | 7/8 cam lock |
| SA0258 | Puck Blue |
| SA11766 | Cash Box |
| SA12344 | Puck Motor |
| SA12220 | Goal Sensor |
WARRANTY POLICY
ICE Inc. warrants that all of its products will be free from defects in material and workmanship. When placing a warranty request, please be prepared to provide the following information:
- Serial Number of Game or Bill of Sale
- Machine Type
- A Detailed Description of the Equipment Fault Symptoms
ICE product, including, Sam’s Billiards, Neolith, Game Concepts & Funway is warranted as follows:
- 180 days on the Main PCB, Computers and Motors
- 1 Year on LCD/LED Monitor Panels (through Manufacturer)
- 90 days on all other electronic/mechanical components (i.e. DBV’s, Ticket Dispensers)
- 30 days on all parts and repaired items
- ICE Inc shall not be obligated to furnish a warranty request under the following conditions:
- Equipment has been subjected to unwarranted stress through abuse or neglect
- Equipment has been damaged as a result of arbitrary repair/modification attempts
- Equipment that has failed through normal wear and tear (bulbs, balls, buttons, etc.)
ICE Inc. will assume no liability whatsoever for costs associated with labor to replace defective parts or travel time associated therein.
All defective warranty covered components will be replaced with new or factory refurbished components equal to OEM specifications. ICE Inc. (or the manufacturer) will cover domestic (U.S.A.) UPS ground (or comparable shipping means) freight costs to the customer during the warranty period. Expedited shipments are available for an additional charge at the customer’s own expense.
Defective parts are to be returned to ICE Inc. (or the manufacturer), at the customer’s expense, in a timely fashion.
They should be packaged following UPS guidelines to insure safe transit back to ICE. Adequate value freight insurance should be used in case the shipper damages the item and a claim must be filed.
ICE distributors are independent, privately owned and operated. In their judgment, they may sell parts and/or accessories other than those manufactured by ICE Inc. We cannot be responsible for the quality, suitability or safety of any non-ICE part, modification (including labor) that is performed by such a distributor.
CUSTOMER SERVICE
Innovative Concepts in Entertainment
10123 Main St.
Clarence, NY 14031
Phone #: (716) – 759 – 0360
Fax #: (716) – 759 – 0884
www.icegame.com



















