Hill 90C, Air90C Table

Product Information and Usage Instructions
Congratulations on your purchase of the Hill 90C/Air90C Table from Hill Laboratories. Hill Laboratories has been providing quality products since 1945, and the Hill 90C Table is no exception. The table is built with a tradition of innovation, value, and reliability, giving you solid service for many years to come.
Product Features
The Hill 90C/Air90C Table comes with a range of features, including:
- Basic Table Components and Options
- Specifications
- Height Pedal
- Function Control Panel
- Thoracic Release/Thoracic Breakaway
- Raised Pelvic
- Manual Drops
- Air Drops
- Tilting Headpiece
- Dual Drop Headpiece
- Raised Headpiece
- Cervical Flexion Headpiece
- Maintenance and Trouble Shooting
- Wiring Diagrams
- Index of Terms
Product Specification
The specifications for the Hill 90C/Air90C Table are:
- Length: 70 inches (178 cm)
- Width: 22 inches (56 cm)
- Height: Adjustable from 21 to 31 inches (53 to 79 cm)
- Weight: Approximately 350 lbs (159 kg)
Product Table Care
Cleaning Your Table
When cleaning your Hill 90C/Air90C Table, use nonabrasive household detergents and water. Wear rubber gloves during all cleaning activities. Do not use solvents near open flames or intense heat.
Caution and Symbol Explanation
It is important to follow these cautions and symbol explanations:
- Do not leave children alone in a room with the table. Children should always be accompanied by an adult.
- Always unplug the table before performing any maintenance.
- Check the table once a year to make sure all internal and external bolts are secure.
- The power cord should be located to avoid the risk of tripping or having objects rolled over or placed on top of it.
- Grounding reliability can only be achieved when connected to an equivalent receptacle marked hospital only or hospital grade.
Product Basic Table Operation
Preparing the 90C for Your Patient
The Hill 90C/Air90C Table is designed to accommodate a range of patients. Adjust the height of the table to suit the patient’s needs using the height pedal.
Height Pedal
The height pedal allows you to adjust the height of the table to suit your patient’s needs. Press down on the pedal to raise or lower the table.
Function Control Panel
The function control panel allows you to operate the various features of the table, including the thoracic release/thoracic breakaway and raised pelvic features.
Thoracic Release/Thoracic Breakaway
The thoracic release/thoracic breakaway feature allows you to adjust the table to suit your patient’s needs. This feature is located on the function control panel.
Raised Pelvic
The raised pelvic feature allows you to adjust the table to suit your patient’s needs. This feature is located on the function control panel.
Product Using Drops
Manual Drops
The Hill 90C/Air90C Table comes with manual drops, which allow you to adjust the table to suit your patient’s needs. The manual drops are located on the various headpieces of the table.
Air Drops
The Hill 90C/Air90C Table also comes with air drops, which allow you to adjust the table to suit your patient’s needs. The air drops are located on the various headpieces of the table.
Product Headpieces
The Hill 90C/Air90C Table comes with a range of headpieces, including:
- Tilting Headpiece
- Dual Drop Headpiece
- Raised Headpiece
- Cervical Flexion Headpiece
These headpieces allow you to adjust the table to suit your patient’s needs.
Product Maintenance and Troubleshooting
If you experience any problems with your Hill 90C/Air90C Table, refer to the maintenance and troubleshooting section of the user manual. Wiring diagrams are also provided to assist with any repairs that may be required.
Conclusion
Thank you for choosing the Hill 90C/Air90C Table from Hill Laboratories. We are confident that this table will provide you with reliable service for many years to come. If you have any questions or concerns, please do not hesitate to contact your local dealer or Hill Laboratories directly.
Congratulations!
And welcome to the Hill Laboratories family.
Hill Laboratories Company has been making quality a family business since 1945. Your Hill 90C Table is built in a tradition of innovation and value that Hill Laboratories products have become known for. Our good name rests on the confidence that your Hill Table will provide you with solid, reliable service for many years to come.
At Your Service
The Hill Laboratories Guarantee
Your Hill Laboratories table has been thoroughly tested and inspected before shipment. All parts are guaranteed against defect in materials for one full year from the date of purchase. Tables damaged by mishandling or accident will be repaired at a reasonable charge. All correspondence should be directed to your local dealer, or when this is not possible, to Hill Laboratories directly.
We appreciate your business and your confidence in our products. Our aim is to provide you with excellent service and satisfaction for many years to come.

Howard A. Hill
President, Hill Laboratories
Product Features
Basic Table Components and Options

- Tilting Headpiece. May include several options.
- Thoracic Drop with Thoracic Release. May include Breakaway.
- Lumbar Drop
- Pelvic Drop
- Stationary Foot Section
- Drop-Foot Section (optional)
- Air-Control Foot Pedal for Thoracic Breakaway (air-models)
- Power Foot Strip (air-models)
- Rocker Foot Pedal for height adjustment (standard height pedal, also shown)
- Armrest
- Drop Tension Knobs
- Function Control Panel (air-models)
- Tension Control Handle for Manual Spring-Breakaway (caption)
- Cocking Handle for Manual Drop
Specifications
- Electric requirement 115 v~, 60 Hz, 2.7 A / Air90C – 7 A (or 230v~, 50 Hz)
- Important: See note about using a voltage regulator on page 11
- Lifting capacity – 450 pounds
- Acrylic thermo-plastic base skirting
- Ultra-Cell® foam for comfort and shape retention
- Height Range: 90C: 22” – 35” / AirC: 211/2”-29” or 221/2”-31”
- Length – 90C: 5′ 10″; with drop-away foot – 5′ 1″
- Air90C: 6′ 1″; with drop-away foot – 5′ 4″
- Optional Slide-out Foot Section: removed – 5’1″; inserted – 5’4″; extended – 6’4″
- Standard width 24”, optional 27”, 30”
- Shipping weight is approximately 250-300 lbs.
Table Care
Cleaning your Table
Hill table upholstery may be cleaned with Hill Laboratories’ Vinyl and Leather Cleaner or any household dishwashing liquid mixed with water. Hill also offers Protex™ Disinfectant Spray and wipes to protect against pathogens, such as MRSA, HIV, Staph and the H1N1 Swine Flu Virus. Many stubborn stains can be removed by applying 91% rubbing alcohol (isopropyl alcohol) to the stain and wiping with a dry, soft, lint-free cotton cloth, towel or soft bristle brush. Be sure to rinse thoroughly with water.
Caution: Some solvents are highly flammable; do not use near open flame or intense heat. Wear rubber gloves during all cleaning activities. When cleaning other parts of your table (besides upholstery) use only nonabrasive household detergents and water.
Caution and Symbol Explanation
- Caution: Children should never be left alone in a room with the table but should always be accompanied by an adult.
- Caution: Always unplug the table before performing any maintenance.
- Caution: Check table once a year to make sure all internal and external bolts are secure.
- Caution: The power cord should be located to avoid risk of tripping or having objects rolled over or placed on top of it. Damaged cords should be replaced with another of hospital grade.
- Caution: Grounding reliability can only be achieved when connected to an equivalent receptacle marked hospital only or hospital grade.
Symbols
Each of the symbols below are used in your table labeling. An explanation of each is below.

Basic Table Operation
Preparing the 90C for your patient
Plug your table into any 110 volt grounded outlet (or 220 volt – international).

Paper Roll: Feed the paper through the face cutout, around the paper bar (just below the cutout) and over the headpiece (photo 1). Close the paper cutter located on the side of the headpiece and tear off excess paper.
Preparing the Air System (option)
For air models, press the Power button of the main Control Panel (photo 3). Each of the function buttons will light consecutively and then turn off. The table’s air-compressor may also turn on to replenish the air-supply. The compressor will stop when the pressure reaches 90 lbs.* See 4.2, “Using Air-Drops” for air-feature instructions. *If the air-compressor runs for more than 2-3 minutes, call for service.
Note: The Air90C is equipped with an Auto Shutdown mode which will power down the main control board if the table is inactive for 2 hours. Press the green power button to power the board back up.
Height Pedal
The basic 90C is equipped with a corded foot pedal which controls the height. The Air90C features a dual Rocker Foot Pedal (#9 under “Product Features”) which controls the table height from either side of the base. Press the right side of either pedal to elevate; the left side to lower.
Auto-Touch Foot Pedal (option)
The Auto-Touch Foot Pedal option maintains upward or downward motion after releasing the pedal. To operate:
- When the table is at the lowest height, double-touch the “UP” arrow and release. The table will continue upward until you tap either side of the pedal again.
- When the table is at maximum height, double-touch the “DOWN” arrow and release. The table will continue downward until you tap either side of the pedal again.
- When the table is at any starting height in between, a single-touch up or down will start and stop the motion.
For Air90Cs, the control panel (photo 2) has a power switch, drop-selector buttons and a thoracic-breakaway button (BRKY). After power, press in any order to activate the corresponding function.
Thoracic Release / Thoracic Breakaway
Thoracic Release

To operate the Thoracic Release, pull the lever towards you while holding the cushion; adjust to the desired depth. Release the lever to lock the cushion.
Thoracic Spring-Breakaway
The manual Thoracic Breakaway (non-air) uses a coiled spring to create a recoil movement. First, unlock the cushion (photo 4). Next, firmly pull out on the tension control handle (photo 3) to adjust firmness. Push down for greater firmness; up for less. Push handle back in to lock in desired firmness.
Thoracic Air-Breakaway
For tables with a Thoracic Air-Breakaway, it is necessary to regulate the air-pressure before treating your patient. Follow these steps:

- Select the ‘BRKY’ (breakaway) button on the main control panel (photo 3).
- Unlock the thoracic breakaway switch by pulling toward you until it clicks (photo 4). This will allow the cushion to move freely up and down.
- Press the right side of the Pressure Foot Pedal to increase the air pressure or left side to decrease in the thoracic section. Push down on the cushion as you add air to test for desired firmness.

- Lock the cushion at any point by pushing the thoracic lock switch towards the table until it clicks.
Raised Pelvic

Both the 90C and the AirC may be equipped with an optional raised pelvic section. To operate, locate the lever under the cushion (photo 6, A). Pull the lever toward you while you lift the cushion. Release the lever to lock it at the desired angle.
Using Drops
Manual-Drops
Cocking handles are located on both sides of each drop. Lift the cocking handle up (photo 5, A) to activate the drop. Turn the tension knobs (photo 5,B) clockwise to tighten and counterclockwise to loosen (also see caution).
Air-Drops
Drop Selector Switches

The Drop Selector Switches (photo 7) activate the table drops. You may choose one or up to four drops simultaneously. Once selected, press the foot strips to activate the drops. After discharging, press the pedal or foot strip again to immediately reactivate the drops.
Drop Tension Control Knobs
The Drop Tension Knobs are located on the left side of each drop. Turn the knob clockwise to increase the firmness of the drop—counter clockwise to decrease.
Caution: Do not loosen Tension Knobs too far- Adjusting the tension knobs out too far can cause the drops to malfunction. See “TroubleShooting” section on.
Headpieces (options)
Tilting Headpiece

The lever for adjusting the tilting headpiece is located under the front of the headpiece (photo 8, A). It controls the angle of tilt 30° positive or negative. Click the switch in to lock; out to unlock.
Dual-Drop Headpiece
- The Dual-Drop headpiece contains two drops—a drop-forward motion and a straight-down drop.
Important Note
- Before changing any of the settings described in the following section, be sure the headpiece drop is discharged.
Drop-Forward Motion Headpiece

To use the Drop-Forward Motion of the headpiece, the setting lever should remain in the side channel of the setting mechanism as shown in photo 9. Be sure that the pin locks into the receiver behind it—otherwise, the drop will not work. For a manual drop, push up on the black cocking handle to engage. For Air-Cervical Drop.
Straight-Down Drop Headpiece
To use the Straight-Down Drop action of the headpiece, pull the black setting lever out and turn it to the left so that it points straight down (photo 10). For a manual drop, push up on the black cocking handle to engage. For Air-Cervical Drop.
Raised Headpiece
The Raised Headpiece allows the headpiece to rise up to 5” above the surface of the table. It is controlled by a lever in front of the head cushion (photo 8, B). Pull and hold the switch to adjust to the desired height; release to lock. To lower, apply gentle downward pressure to the thoracic end of the headpiece with one hand while pulling the lever to adjust.
Cervical Flexion/Distraction
The Cervical Flexion Headpiece includes the raised headpiece feature, occipital strap and the removable tiller bar.
Note
- Cervical Flexion, Distraction and Lateral Motion (described below) can be used separately or in combination.
Cervical Flexion

Position the patient as shown in photo 11. Secure the occipital strap using the Velcro® connectors. Use the Tiller Bar to apply flexion.
Cervical Distraction
To use Manual Cervical Distraction you must first unlock the cushion for axial motion by releasing the red lock pin (photo 12). Pull and turn the lever to the left.
Cervical Lateral Motion

The Cervical Flexion Headpiece includes lateral motion. To use lateral motion, locate the switch as shown in photo 13 (or photo 8, C). Pull the lever toward you to click and unlock. This will allow full-range lateral movement. The headpiece can also be locked at any angle in the lateral range.
Translation/CBP Headpiece
To use the translation headpiece, loosen the black knob in front of the headpiece by turning it counterclockwise. Push the cushion left or right to the desired position; turn clockwise to tighten the knob.
Maintenance
Regular Maintenance
- Your Hill 90C is practically maintenance free. There is no lubrication of parts needed.
Trouble Shooting
Problem
- The Cervical Cushion cocks up but does not stay up. The drop pin has come out of it’s L-bracket.
To Fix

- Loosen the Cervical Drop Tension Knob enough to rotate the drop pin (see “A” in photo) so that the spring pin (B) faces and engages the bracket (C) as shown in the photo. Once the pin is turned into the bracket, retighten the Tension Knob.
Problem

The main power board is turning off on it’s own. This is likely the Auto-Shutdown mode operating normally. When the Air90C is left inactive for 2 hours, the Auto-Shutdown mode will power the main control board down automatically.
To Fix: Simply press the green power button.
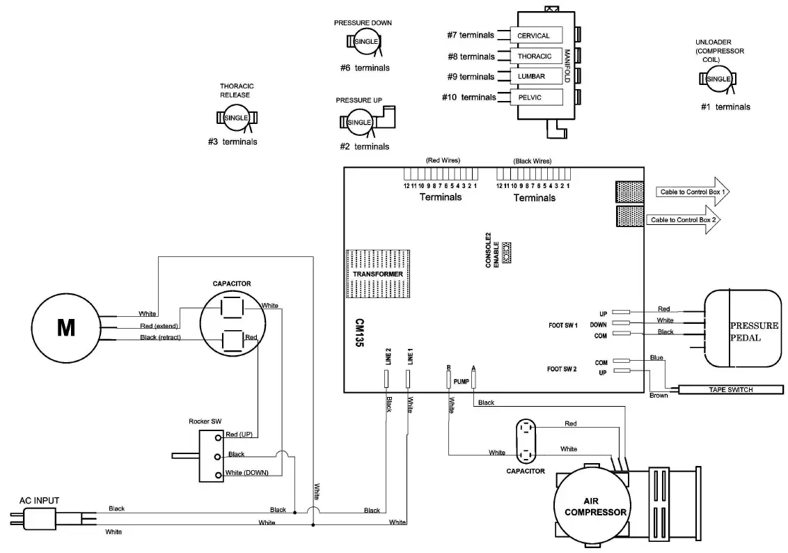
Wiring Diagram
90C, 24VDC, Part 1
- Air System for all 90C Models.

90C, 24VDC, Part 2

Control Box

Important
Air functions on this table are controlled by a circuit board and low voltage valves. Since electrical spikes, surges and undervoltage can be detrimental to electronic components, we recommend protecting your table with an automatic voltage regulator. While a voltage regulator will not guarantee parts against failure, it could save you the cost of parts as well as table downtime. The APC LE1200 voltage regulator is one example of a device that would provide a minimum level of protection.
90C, 24VDC, Part 3

- Height System for all 90C Models.
Contact
Additional service needed? Contact your local dealer or reach us directly:
- Phone: 1-877-445-5020
- Fax: 610-647-6297
- Email: [email protected]
Technicians are available 9 am – 4 pm E.S.T., Monday – Friday.
- 3 N. Bacton Hill Road, Frazer, PA 19355
- www.HillLabs.com
- 610-644-2867
- 1-877-445-5020
- Fax: 610-647-6297
© Copyright 2011, Hill Laboratories



















