Schaller MF-P-HTD Paper Moisture Sensor

Overview of your MF-P-HTD Sensor
Overview top side
| No | Name |
| 1 | Installation plate |
| 2 | Socket for external sensors (Option) |
| 3 | Button with green LED (Reset, Link) |
| 4 | USB interface for firmware Update |
| 5 | Button with red LED (Status, Adjust) |
| 6 | Paper guide rolls |
Overview bottom side
| No | Name |
| 1 | Paper guide rolls |
| 2 | Sensor plate |
ATTENTION
Sensitive sensor plate
The white sensor surface consists of a thin ceramic plate. It can be damaged by mechanical loads!
- When installing the sensor, remove the provided transport protection as late as possible!
Overview connections

| No | Name |
| 1 | Modbus TCP connection (optional) |
| 2 | Connection for IR temperature sensor |
| 3 | Power supply and optional analog output |
Overview transport protection
| No | Name |
| 1 | Transport protection |
| 2 | Safety note |
Introduction
Information on this user manual
These user manual enables safe and efficient use of the MF-P-HTD. The user manual is an essential part of the device and must be kept close to the device and be accessible to the user at any time. Before starting any work, the user must carefully read and understand this manual. Ba-sic requirement for safe work is to follow all safety and handling instructions specified in this user manual.
Limitation of liability
All of the information and instructions provided in this user manual have been com-piled on the basis of the current standards and regulations, the state of the art, and the extensive expertise and experience of Schaller Messtechnik GmbH. Schaller Messtechnik GmbH does not accept any liability for damages associated with the following, which also voids the warranty:
- Non-observance of this user manual
- Improper use
- Inadequately qualified users
- Unauthorized modifications
- Technical changes
- Use of unapproved spare parts
This fast measuring procedure can be affected by a range of different factors. For this reason, we recommend periodically checking the device’s measurements with a
standardized oven-drying method.
Used symbols
All safety instructions in this user manual are identified by symbols.
ATTENTION
Non-observance can lead to physical damage.
Information
This symbol indicates important information that enables users to use the de-vice more efficiently and cost effectively.
Customer support
For technical advice, please contact our customer service department at Schaller Messtechnik GmbH
Max-Schaller-Straße 99
A – 8181 St.Ruprecht an der Raab
Telefon: +43 (0)3178 28899
Fax: +43 (0)3178 28899 – 901
E-Mail: [email protected]
Internet: www.humimeter.com
© Schaller Messtechnik GmbH 2022
For your safety
The device complies with the following European directives:
- Restriction of Hazardous Substances in Electrical and Electronic Equipment (RoHS)
- Electromagnetic compatibility (EMC)
The device corresponds to state-of-the-art technology. However, it is still associate with a number of residual hazards. These hazards can be avoided through strict observance of our safety information.
Proper use
- Sensor for online moisture measurement of paper and cardboard
- For paper and cardboard with a grammage of 80 to 500 g/m²
- For paper and cardboard with a temperature of 0 to + 100 °C
Improper use
- The device should not be used in ATEX areas.
- Corrugated board cannot be measured.
- Papers and cardboard that have been carbon (graphite) blackened.
- Papers and cardboard with metallic coatings.
- In an environment with a temperature below 0 or above + 70 °C.
User qualifications
The device should only be handled by persons who are expected to carry out the work reliably. Persons whose reactions are influenced, by drugs, alcohol or medication, are not permitted to use the device. Persons who use this device must have read and understood the user manual and follow its instructions.
General safety information
Follow the safety instructions below to avoid personal injury and material damage:
- If you notice loose parts or damage on the device contact your distributor.
All of the device’s technical features have been inspected and tested before delivery. Every device has a serial number. Do not remove the tag with the serial number.
Warranty
Not covered by warranty:
- Damages caused by non-observance of the user manual
- Damages caused by third-party intervention
- Products that have been used improperly or modified without authorization
- Damages caused by force majeure, natural disasters, etc.
- Damages due to improper cleaning
First steps
Unpacking the device
- Unpack the device.
- Next, make sure that it is not damaged and that no parts are missing.
- DO NOT remove the transport protection from the device.
Checking the delivery content
Use the following list to check if the delivery is complete:
- MF-P-HTD Paper moisture sensor with installed IR temperature sensor and paper guide roller set
- connection cable for power supply (1.9 metres) with 5-pole plug
- user manual
- transport protection
Options:
- Modbus TCP interface
- Analog output
- PC-Software MF-P-HTD Sense Ware – Software for moisture calculation, type calibration, measured value display and measured data management (only possible in connection with Modbus TCP interface!)
- Power supply Power over Ethernet (PoE) (Only possible in connection with Mod-bus TCP interface!)
Installation instructions
Please follow these instructions:
- The installation position has to be chosen so that the sensor does not condense when operating. Be careful if installing in a cool environment, where the paper or cardboard is very warm!
- Avoid strong mechanical impacts or loads.
- Do not install the device near strong electromagnetic radiations.
- Ensure that the paper lies on the paper guide rollers of the MF-P-HTD sensor dur-ing operation.
- The sensor must always be installed above the paper web.
- Do not place any objects under the sensor! There must be a free space of 300 mm!
Mechanical installation
ATTENTION
Sensitive sensor plate
The white sensor surface consists of a thin ceramic plate. This can be destroyed by mechanical pressure!
- When installing the sensor, remove the provided transport protection as late as possible!
The MF-P-HTD sensor has to be fastened with the mounting plate to the machine. For this, different holes are placed on the mounting plate. Use four screws (M8 or M6) to attach the sensor to the machine.
The sensor can also be installed on a linear guide.
- Please ensure that the sensor has to be mounted always above the paper web and that there must be a free space of 300 mm below the sensor!
- The sensor has to be installed in such a position, that the two paper guide rollers always touch the paper web .

- For this, the sensor must be tightened against the paper web.
Installation height of the sensor
Ensure the correct installation height of the sensor.
If the paper guide rollers do not always touch the paper web, incorrect measu-rements will occur.
- For this, the sensor must be tightened against the paper web.
- For an easier installation, the mounting plate can also be completely unscrewed from the MF-P-HTD sensor .

- Therefore, the four lowest M8 nuts have to be released .

- Therefore, the four lowest M8 nuts have to be released .
- The height of the sensor can be adjusted with the four M8x50 hexagon screws.
- First, release the two marked M8 hexagon nuts for each screw.

- With these nuts the desired height can now be adjusted.
- Then tighten all the nuts again.
- First, release the two marked M8 hexagon nuts for each screw.
- The contactless infrared temperature sensor has a 10:1 optics.
- During the measurement, there must always be paper in the measuring field of the temperature sensor.

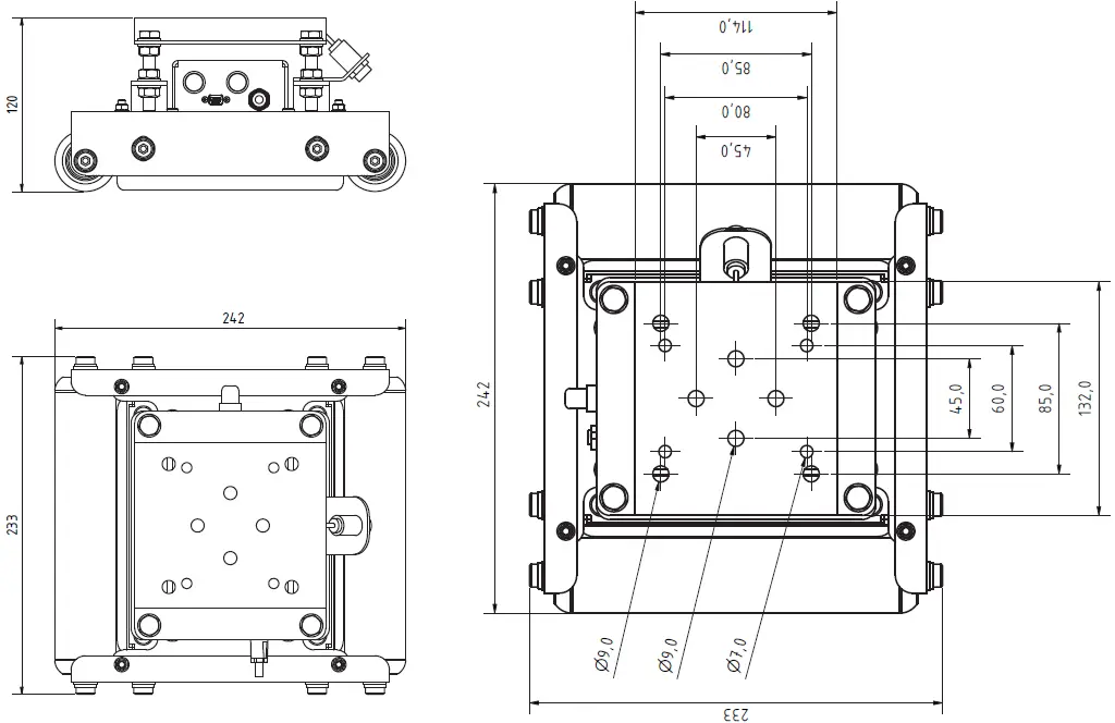
Sketch MF-P-HTD
Pin assignment power supply and analogue output (option)
| Cable color | Pin No | Function |
| Brown | 1 | Power supply V- (0 VDC) |
| White | 2 | Power supply V+ (24 VDC) |
| Blue | 3 | Power output moisture 4 – 20 mA (optional) |
| Black | 4 | Ground power output & temperature (optional) |
| Grey | 5 | Power output temperature 4 – 20 mA (optional) |
| Purple | Housing | Potential equalisation GND (shielding) |
ATTENTION
Electronic damage caused by incorrect cable connection
Incorrect assignments can cause serious electronic damages.
- Connect all cables correctly.
Electrical damages caused by extension problems
Extension problems can cause electronic damages.
- The cross-section of the extension may not be under 0.25 mm2.
ATTENTION
Measuring signal interference caused by missing potential equalization
A missing potential equalisation can transfer interference signals to the measuring signal.
- The potential equalisation GND (shielding) must be connected.
Pin assignment Modbus TCP (option)
A 4-pole M12 connector with D-coding (M12-D) is required here.
| Pin No | Function |
| 1 | TX+ |
| 2 | RX+ |
| 3 | TX- |
| 4 | RX- |
| Housing | Shielding |
- A CAT6 or higher type cable is recommended.
- Every cable type must be equipped with a shielded M12 round plug D-coded on the sensor side.
- The cable shield must be earthed in this installation setup!
Laying the power supply or transmission line
- The cable cannot be laid in the range of interference fields.
- The transmitter cannot be used near electromagnetic interference fields.
- The cable should not be strongly bent.
- Permissible cross-sections for installation have to be considered.
- The cable length must be kept as short as possible.
- Should an extension be necessary, the cross-section of the extension may not be under 0.25 mm².
- The potential equalisation GND ( shielding ) must be connected.
Measurement
Requirement: The sensor is powered and running (the red LED flashes in 5 second intervals). An adjustment (adjust) was successfully completed in the last two weeks.
MF-P-HTD with Modbus TCP option and Humi Sense Ware software
With these options it is possible to calculate, visualize and document the water content of the paper. However, this requires a paper calibration and the correct paper
classification (grammage) in the HumiSenseWare software. The paper calibration is stored in the HumiSenseWare as well. This software also automatically compensates the different paper temperatures.
The HumiSenseWare manual can be found as a help file in this software.
MF-P-HTD with analogue output option
To calculate the water content with the analogue output option, a separate PLC programme is required. The value of the MF-P-HTD analogue output is not the water content, it is the internal value of the MF-P-HTD sensor!
Care and maintenance
Regular cleaning and maintenance will ensure that your device remains in perfect condition as long as possible.
ATTENTION
Sensitive sensor plate
The white sensor surface consists of a thin ceramic plate. This can be destroyed by mechanical pressure!
- When installing the sensor, remove the provided transport protection as late as possible!
Adjustment of the device
Every two weeks an adjustment must be run (adjust). This procedure guarantees a long term stability of the moisture measuring.
Requirement: The device must have a temperature between 20.0 °C and 26.0 °C and must be on for at least 30 minutes.
- Remove the paper or cardboard under the sensor surface

- Make sure there is nothing under the sensor sur-face.
- Press the button with the red LED until the LED lights up constantly .

- When you release the button, the adjustment begins!
- During adjustment, the red LED flashes every second.
- Once the adjustment is completed, the red LED goes out for a moment and then flashes again every 5 seconds.
Reset
- Press the button with the green LED.

- The button with the green LED lights up for one second and the button with the red LED flashes rapidly for this period.
- The device will now restart.
Cleaning the device
ATTENTION
Device damage caused by wet cleaning
Water or cleaning products can damage the device if they get into the device.
- Only dry cleaning (compressed air) is recommended.
ATTENTION
Sensitive sensor plate
The white sensor surface consists of a thin ceramic plate. This can be destroyed by mechanical pressure!
- Take care of the sensitive sensor surface during cleaning!
ATTENTION
Scratching the IR temperature sensor
Cleaning the optical system with a tissue could cause scratches and irreparable damages.
- Clean only with dry compressed air!
Faults
If the following actions do not eliminate the faults or if other faults not listed here ap-pear, please contact Schaller Messtechnik GmbH.
| Fault | Cause | Remedy |
| Incorrect measurement | Paper or cardboard temperature beyond the application range: Material below 0 °C or above +100 °C | Use material with a temperature above 0 °C or below +100 °C |
| Condensation on the sensor surface | Choose another installation location | |
| The distance to the paper web is not correct | Adjust the distance to the paper web correctly | |
| Insufficient grammage | Only paper with a gram- mage over 80 g/m² can be measured | |
| Metals or similar conductive materials in the measuring field | Remove metals or similar conductive materials from the measuring field (metal or carbon coated papers cannot be measured) | |
| No measuring value output | Microcontroller or microcont- roller software have hung up | Reset (see “5.2 Reset”) |
| Incorrect adjustment | Material is behind the sensor plat (during the adjustment) | Hold the device in the air – be careful not to place your fingers on the sensor surface |
| Dirty sensor surface | Clean the sensor surface (see “5.3 Cleaning the device”) |
Storage and disposal
Storing the device
Store the device as follows:
- Store with the original transport cover.
- Do not store outdoors.
- Store dry and dust-free.
- Avoid mechanical shocks and impacts.
- Storage temperature: -20 °C to +70 °C
Disposal of the device
- Devices marked with this symbol are regulated by the European Directive 2012/19/EU of the European Parliament and the Council of 4 July 2012 relating to waste of electrical and electronic equipment. If the device is not used within the European Union, national disposal-regulations in the country of use must be observed.
Electrical devices should not be disposed of with household waste. Please recycle the device in an environmentally friendly way using suitable recycling systems.
Device information
EC declaration of conformity
DECLARATION OF CONFORMITY
Name/ address of manufacturer: Schaller Messtechnik GmbH Max-Schaller-Straße 99 A – 8181 St. Ruprecht
Product designation: Schaller
Type designation: MF-P-HTD ; MF-SHTD
Product description Measuring device for determining the water content in pa-per and board
The designated product is in conformity with the European directives:
EMV – Richtlinie 2014/30/EC
RoHS – Richtlinie 2011/65/EG
EMC Directive 2014/30/EU
RoHS-Directive 2011/65/EU
Full compliance with the standards listed below proves the conformity of the designated product with the provisions of the above-mentioned EC Directives:
EN 61326–1:2013 Electrical equipment for measurement, control, and laboratory use – EMC requirements
EN IEC 63000:2019-05 replaced Technical documentation for the assessment of electrical and electronic products with respect to the restriction of hazardous substances.
EN 50581:2012
For the mentioned product a complete documentation with manual of instruction in original version is available.
In case of any changes not agreed upon with the manufacturer, this declaration of conformity loses its validity.
Technical data
| Measuring range moisture | 1 % to 20 % water content (depending on material) |
| Measuring range tempera- ture | 0 °C to +100 °C |
| Paper grammage | 80 to 500 g/m² |
| Paper temperature | 0 °C to +100 °C |
| Operating temperature | automatic |
| Environmental temperature | 0 °C to +70 °C |
| Storage temperature | -20 °C to +70 °C |
| Power supply | 12 to 28 VDC (optional PoE) |
| Power consumption | 60 mA at 24 VDC (without options) |
| Device IP rating | IP 65 |
| Dimensions | 242 x 233 x 120 mm |
| Weight | 4,9 kg |
ATTENTION
Moisture calculation: Water content of the paper
The output signal of the sensor depends on material and grammage.
- To calculate and display the water content, the Modbus TCP interface and a separate PC software are required!

Schaller Messtechnik develops, produces and sells professional moisture meters and turnkey solutions.
Schaller Messtechnik GmbH
Max-Schaller-Straße 99, A – 8181 St. Ruprecht an der Raab Tel +43 (0)3178 – 28899 , Fax +43 (0)3178 – 28899 – 901 [email protected], www.humimeter.com


























