MSD-A Silo Pressure Detector
Instruction Manual
MSD-A Silo Pressure Detector
By use in explosive hazardous areas read and follow the special conditions and instructions for safe application of the attached explosive protection information first and take notice of the operating instructions.
![]()
Description
1.1 Intended use
The pressure detector controls as limit switch the over pressure in silos and vessels.
1.2 Function
If the pressure reaches the switching point SP, the pressure detector will give a signal.
1.3 Technical data
| Manufacturer | MOLLET Füllstandtechnik GmbH |
| Address | Industriepark RIO 103 74706 Osterburken |
| Name | Silo pressure detector |
| Type | MSD-A . F1 . B . |
| Bulk good temperature | Ts- -25 °C … +80 °C |
| Ambient temperature | Ta- -20 °C … +70 °C |
| Signal contact | change-over contact, potential free |
| max. switching voltage | Contact: see type plate |
| max. switching capacity | Contact: see type plate |
| Switching point | SP- 40 mbar = 0.04 bar = 400 mm WS |
| Over pressure safety | up to 0.5 bar |
| Cable connection | Screw M4 |
| Cable entry | Cable gland M20x1.5 |
| Type of protection | IP- IP66 acc. to DIN EN 60529 |
| Weight | 1.2 kg |
| Maintenance | none |
| Mounting position | vertical, ± 5° inclination |
1.4 Material
| Housing | Aluminium or stainless steel 316 |
| Flange | Aluminium or stainless steel 316 Ti |
| Membrane | Stainless steel 304 |
| Flange socket | Steel |
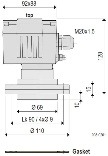
1.5 Dimensions

1.6 Accessory (Option)
Flange socket

Installation
2.1 Preparation
- Check the membrane of visual transport damage.
- Read and follow the safety instructions and the operating instructions, before handling with the device !
2.2 Mounting in the vessel
- Weld the flange socket (as a option) vertical (Flange is horizontal) in the silo top.
- Position the pressure detector (Flange is horizontal) with the gasket at the provided flange or flange socket and fix it with 4 washers and screws M8.
2.3 Electrical connection
Circuit diagram

2.4 Cable gland
- After electrical connection, tighten the cable gland.
- Screw the cap nut, until the cable entry is closed tightly.
2.5 Cable run
Run the connection cable in a way that no traction can occur at the pressure detector.

2.6 Switching point
- The switching point is adjusted at 40 mbar.
- A modification may be carried out by the manufacturer only.
Utilization
3.1 Commissioning
- Put the pressure detector into operation only, if the installation in the silo or vessel and the electrical connection have been done correctly.
3.2 Normal operation
- Use the pressure detector in its intended application only.
- Comply with the specifications on the data plate.
- Damaged devices have to put out of operation immediately.
- The pressure detector must not be modified. If there is any modification, the warranty of the manufacturer will be, cancelled.
3.3 Inexpert handling
- Ignoring of the safety instructions and the operating instructions.
- Not intended use.
- Modification at the device or of the switching point adjusting.
- Violation against applicable law and standards.
Maintenance and servicing
4.1 Maintenance
- In case of intended use, the silo pressure detector needs no maintenance.
4.2 Servicing
- The servicing of the pressure detector may be carried out by the manufacturer only.
Storage
- Store the pressure detector dry and dust-free.
- Protect the membrane from damage.
Disposal
- The pressure detector can be recycled.
- The disposal applies to the valid environmental guidelines according to the location of the carrier and the local manufacturing conditions.
Silo pressure detector with aluminium housing
MSD-A![]()
Explosion protection information
and supplement to the operating instructions
Type plate details
and hybrid mixtures

Marking in accordance with ATEX and DIN EN IEC 60079-0
Silo pressure detector for use on the boundary from zone 20 to zone 21.

Silo pressure detector for use in zone 1.

Silo pressure detector for use in zone 20.

Silo pressure detector for use in zone 0.

Order code B5
Marking: II 1D/2D/II 2G
and hybrid mixtures
Equipment category appropriation by zones
Silo pressure detector for use in zone 1 and at the boundary from zone 20 to zone 21.
Ambient temperatures Ta
The ambient temperature Ta defines the maximum operating temperature of the detectors. Inside the vessel this is process temperature (the air or the bulk goods temperature) nearby the device.
maximum surface temperature T
The maximum surface temperature means the hottest point at the equipment. The device matches with temperature class
.
The device can be installed in the walls of vessels with deviating atmospheric conditions with a difference in pressure up to Δp 80 mbar at the membran.
Order code B22
Marking: II 1D/II 1G
and hybrid mixtures
Equipment category appropriation by zones
Silo pressure detector for use in zone 0 and zone 20.
Ambient temperatures Ta
The ambient temperature Ta defines the maximum operating temperature of the detectors. Inside the vessel this is process temperature (the air or the bulk goods temperature) nearby the device.
maximum surface temperature T
The maximum surface temperature means the hottest point at the equipment.
The device matches with temperature class
.

Special conditions and instructions for safe application
- The installation, maintenance, initial operation, removal and repair have to be controlled resp. checked by an “authorized person” for explosion protection.
- For the electrical connection you have to take notice of the local and statutory requirements and/or the VDE 0100.
- Take notice of the specifications on the data plate.
- ATTENTION! with design B5:
For load limitation a certified barrier or a certified isolation amplifier with an intrinsically safe circuit at least for the category “ib” has to
be connected in series, witch is certified for gases of explosion group IIC.
4. ATTENTION! with design B22:
For load limitation a certified barrier or a certified isolation amplifier with an intrinsically safe circuit at least for the category “ia” has to be connected in series, witch is certified for gases of explosion group IIC. - As soon as the device will be brought into the explosion hazardous area it has to be mounted immediately at the precaused place and a cable has to be brought into the cable gland.
- Using the device in ambient temperatures > +60 °C, the applied connection cables have to be made for temperatures of min. +80 °C.
- The cable gland and the plug screw were screwed and protected at the factory. Please check if they have loosened during on the mounting or at the transport. When it is loosened, it ha s to be fitted again.
- To secure the type of protection, the screw nut of the cable gland has to be fixed at the installation with a torsional force of min. 5.0 Nm.
ATTENTION! If it will be fastened too strong, the IP-protection can be affected. - The earth connection of the device has to be installed in such a way that mechanical damage will be excluded.
- The device may put into operation with intact cap-sealing and when it is closed, only.
- Switch off the power supply, before opening the device.
- Using the Silo pressure detector in the silo wall under deviating atmospheric conditions the maximum differential pressure has not to exceed 80 mbar and the working temperature has not to exceed +80 °C at the membran.
- In case of existing combustible dusts with a minimum ignition energy less than 3 mJ or with a minimum ignition temperature under +300 °C (BAM assessment), the parts in contact with the dust musst be made of stainless steel.
- In zone 0 all parts in contact with gas and dust must be made of stainless steel.
- Take notice of the requirements of DIN EN 60079-14, DIN EN 60079-17 and DIN EN 1127-1, especially regarding the dust deposits and temperatures and follow the pertinent rules and regulations.
- The device with an intrinsically safe electric circuit can be used in dusty explosive hazardous areas.
- Hybrid Mixtures
The Silo pressure detector is approved for the use in hybrid mixtures. - ATTENTION safety device!
Don´t modify anything at the device or at the switching point adjusting!
EU-Declaration of Conformity
We
MOLLET Füllstandtechnik GmbH
Industriepark RIO 103
D-74706 Osterburken
Tel. 06291 64400
Fax 06291 9846
declares under our sole responsibility, that the product:
Silo pressure detector
Type MSD-070 … , MSD-A …
conforms with the following European directives:
Low voltage directive: 2014/35/EU
Applied harmonized standards or normative documents:
DIN EN 61010-1:2020
DIN EN 60529:2014
And the devices with
marking conform additional with the following European directive:
ATEX directive: 2014/34/EU
Depending on the design applied harmonized standards or normative documents:
DIN EN IEC 60079-0:2019
DIN EN 60079-11:2012
DIN EN 60079-26:2015
DIN EN 60079-31:2014
EU-Type Examination Certificate: IBExU06ATEX1069
Issued by: IBExU Institut für Sicherheitstechnik GmbH, 09599 Freiberg (0637)
Quality assurance: TÜV NORD CERT GmbH, 30159 Hannover (0044)
Osterburken, den 03.06.2022

This declaration is only allowed to hand out in unchanged form.
Competence in explosion protection
MOLLET D-74706 Osterburken
Tel. +49 6291 6440-0
Fax +49 6291 9846
www.mollet.de
03/21 © by MOLLET MSDA-BAG 01

















