WE-BTWF
User Manual
Revision record:
| Version No. | Reviser | Date | Description |
| V0.1 | Mujun Wu | 2021-10-13 | Initial version |
| V0.2 | Mujun Wu | 2022-02-10 | The module size and installation drawing are revised |
| V0.3 | Julia Deng | 2022-9-26 | FCC |
Product description
We-BTWF is a wireless WIFI and Bluetooth module product independently designed and developed based on the application requirements of home energy storage batteries. It’s with functions of serial communication, wireless Bluetooth communication, wireless WIFI communication, cloud platform access, and mobile APP connection & access. The products are widely used in household energy storage, industrial & commercial energy storage, industrial power, and other IOT applications.
Product features
- Battery information monitoring
- Low-power Bluetooth communication
- 2.4GHz WIFI Wireless WIFI communication 2.4GHz
- 1 RS232 1 channel RS232 communication
- Cloud platform access
- APP Mobile APP visit access
- Ultra low-power dormancy
Product application
- Home energy storage system
- AGV battery
- Robot battery
- Smart grid
- Industrial battery module
- Back up battery system
Technical data
| Model | WE-BTWF WE-BTWF Module | WE-BTWF WE-BTWF box |
| Size (LxWxH) | 75 x 54 x 17mm | 92 x 68 x 28mm |
| Power specification | ||
| Rated voltage | 12V | |
| Working voltage range | 5V~15V | |
| Working current | 5V <100mA When it’s 5V, <100mA inaverage 12V <50mA When it’s 12V, <50mA inaverage | |
| Power supply current | 5V,300mA When it’s 5V, min.300mA 12V 120mA When it’s 12V, min.120mA | |
| Indicator | Green light: power light Yellow/red light: communication light | |
| Bluetooth communication | ||
| Bluetooth protocol | v4.2 BR/EDR BLE Bluetooth v4.2 BR/EDR and BLE standard | |
| Bluetooth Radio | Class-1、Class-2 、Class-3 emitter NZIF Receiver AFH Frequency hopping | |
| Frequency range | 2402MHz~2480 MHz | |
| Radiated power | 0 dBm( Max.) | |
| Working mode | Support low power Bluetooth mode | |
| WIFI Communication | ||
| WIFI Protocol | 802.11 b/g/n | |
| Transmission speed | 802.11 n(2.4GHz) up to 150 Mbps | |
| WIFI Frequency | 2.4 GHz | |
| Frequency range | 2412MHz~2462 MHz | |
| Radiated power | +17dBm ( Max.) | |
| RS232 Communication | ||
| Channel qty | 1 channel | |
| Supported baud rate | 9600,115200bps | |
| Communication protocol | MODBUS | |
| 隔离类型 Isolation type | Non-Isolated | |
| Communication interface | A2502-WV04, stitch length 2.54mm | RJ45 |
| Environment Parameters | ||
| Working temp. | -20℃~+70℃ | |
| Storage temp. | -20℃~+80℃ | |
| Environment humidity | 10%~85%RH | |
RF Exposure Information
This device has been tested and meets applicable limits for Radio Frequency (RF) exposure.
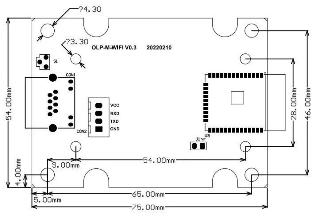
Installation size

Interface definition
| Connector | Pin | Definition | Function description | Crimping terminal | Wire diameter |
| CON2 A2502- WV04
| 4 | VCC | Positive power input | A2502-TP | 22AWG |
| 3 | RXD | RS232 Data receiving terminal | |||
| 2 | TXD | RS232 Data sending terminal | |||
| 1 | GND | Negative power input | |||
| CON1 RJ45
| 1 | TXD | RS232 Data receiving terminal | RJ45 | Directly connected network cable (With shielding) |
| 2 | RXD | RS232 Data sending terminal | |||
| 3 | GND | Negative power input | |||
| 4 | VCC | Positive power input | |||
| 5 | NC | Reserved | |||
| 6 | NC | Reserved | |||
| 7 | NC | Reserved | |||
| 8 | NC | Reserved |
Manufacturer information
WeCo (Guangdong) Energy Storage Technology Co., Ltd
Building 1, Nr.2 of Zhengda Road, Chukeng, Dongkeng District, Dongguan City, Guangdong Province, P.R.China
FCC warnings
Please take attention that changes or modification not expressly approved by the party responsible for compliance could void the user’s authority to operate the equipment.
This device complies with Part 15 of the FCC Rules. Operation is subject to the following two conditions:
(1) This device may not cause harmful interference, and
(2) This device must accept any interference received, including interference that may cause undesired operation.
This equipment complies with FCC radiation exposure limits set forth for an uncontrolled environment.
This equipment should be installed and operated with minimum distance 20cm between the radiator & your body.
WeCo SRL
Viale Kennedy 113-121 Scarperia e San Piero Firenze,Italy



















