TRITON SPINSF10MW 10.1kW Instaflow Instantaneous Multi Point Water Heater
INSTALLATION AND OPERATING INSTRUCTIONS
Please read this book thoroughly and familiarise yourself with all instructions before commencing installation and keep it for future reference. The shower installation MUST be carried out by a suitably qualified person, in the sequence of this instruction book.
IMPORTANT SAFETY ADVICE
- The water heater MUST BE switched off at the isolating switch when not in use. This is a safety procedure recommended for all electrical appliances.
INTRODUCTION
PLEASE READ THIS IMPORTANT SAFETY INFORMATION
Products manufactured by Triton are safe and without risk provided they are installed, used, and maintained in good working order in accordance with our instructions and recommendations.
WARNING: DO NOT operate the water heater if frozen, or suspected of being frozen.
- It must thaw out before use.
- DO NOT operate the water heater if it becomes damaged.
- DO NOT operate the water heater if water ceases too low during use or if water has entered inside the unit because of an incorrectly fitted cover.
- This appliance is intended to be permanently connected to the water mains and not connected by a hose set.
- A suitable double pole isolation switch for supply disconnections must be incorporated into the fixed wiring circuit in accordance with current wiring rules. See
- Electrical Installation section for further details.
- The appliance must be filled with water before being switched on electrically.
- The unit must not be tied to any type of thermostatic mixer tap or valve.
- The unit must not be used for showering or hairdressing applications.
- If a non-return valve is fitted in the inlet feed to the unit, then the installation should also include a 3.5 bar pressure reducing valve and a 6 bar pressure relief (expansion) valve.
- At times of low incoming water temperature (below 12°C) it may be necessary to reduce the flow rate through the appliance to increase the hot water temperature.
- Mains water pressure only.
- Minimum inlet pressure 60kPa (0.6 bar)
- Maximum inlet pressure 600kPa (6 bar)
This book contains all the necessary setting and operating instructions for your Insta low water heater.
Care taken during the installation will provide a long, trouble-free life for your water heater.
WARNING
This appliance can be used by children aged 3 years and above and persons with reduced physical, sensory or mental capabilities or lack of experience and knowledge if they have been given supervision or instruction concerning the use of the appliance in a safe way and understand the hazards involved. Children may not play with the appliance. Cleaning and user maintenance shall not be made by children.
IMPORTANT: PLEASE READ THESE GENERAL GUIDANCE NOTES BEFORE PROCEEDING.
GENERAL
- Isolate the electrical and water supplies before removing the cover.
- Read all of these instructions and retain them for later use.
- DO NOT take risks with plumbing or electrical equipment.
- Isolate electrical and water supplies before proceeding with the installation.
- The unit must be mounted onto the finished wall surface (on top of the tiles). DO NOT tile up to or seal around ANY PART of the unit using silicone sealer after fixing to the wall.
- Contact Customer Experience (see back page), if any of the following occur:
- If it is intended to operate the water heater at pressures above the maximum or below the minimum stated.
- If the unit shows a distinct change in performance.
- If the shower is frozen.
- If it is intended to operate the water heater in areas of hard water (above 200 ppm temporary hardness), a scale inhibitor may have to be tested. For advice on the Scale Inhibitor, contact Customer Service.
- This product is not suitable for mounting into steam rooms or steam cubicles.
PLUMBING
- The plumbing installation must comply with Water Regulations, Building Regulations, or any particular regulations as specified by Local Water Company or Water Undertakers and should be in accordance with BS EN 806.
- The supply pipe must be used to clear debris before connecting to the shower unit.
- DO NOT solder pipes or settings within 300mm of the shower unit, as heat can transfer along the pipework and damage components.
- All plumbing connections must be completed before making the electrical connections.
- This appliance MUST NOT be connected to the inlet supply by a hose set.
ELECTRICAL
- The installation must comply with BS 7671 ‘Requirements for electrical installations (IEE wiring regulations), building regulations or any particular regulations as specified by the local Electrical Supply Company.
- This appliance MUST be earthed.
- In accordance with ‘The Plugs and Sockets etc. (Safety) Regulations 1994’, this appliance is intended to be permanently connected to the fixed wiring of the electrical mains system.
- Make sure all electrical connections are tight to prevent overheating.
- If the water heater is installed in a bathroom a 30mA residual current device (RCD) must be installed in the circuit. This may be part of the consumer unit or a separate unit.
- Switch off immediately at isolating switch if water ceases to low during use.
- Other electrical equipment i.e. extractor fans, pumps, etc., must not be connected to the circuits within the unit.
- As with all electrical appliances it is recommended to have the water heater and installation checked at least every two years by a competent electrician to ensure there is no deterioration due to age and usage.
SPECIFICATIONS
| ELECTRICAL | ||
| Nominal power – rating at 240V | Nominal power – rating at 230V | |
| 7.7kW – (32A MCB rating) | 7.1kW – (32A MCB rating) | |
| 10.1kW – (45A MCB rating) | 9.3kW – (45A MCB rating) | |
| PLUMBING | ||
| Supply Source | Mains pressure cold water only | |
| Minimum running pressure to the inlet of the water heater for full performance | 60kPa (0.6 bar) | |
| Maximum static pressure | 600 kPa (6 bar) | |
| Maximum inlet temperature | 25°C | |
| Minimum inlet temperature | 5°C | |
| Inlet connection | ½” BSP male thread | |
| Outlet connection | ½” BSP male thread | |
| PRODUCT FICHE | ||
| Model | 7.7kW | 10.1kW |
| Load Profile | XS | XS |
| Energy Efficiency Class | A | A |
| Energy Efficiency (%) | 38.2 | 38.2 |
| Annual Electricity Consumption (kwh) | 483 | 483 |
| Sound Power Level (db) | 15 | 15 |
| TECHNICAL DATA | ||
| Protection class | IP25 | |
| Dimensions & weight | 361x237x81mm / 3.0kg | |
| Minimum water flow | 2.7 lpm | |
MAIN COMPONENTS 
WATER REQUIREMENTS
WARNING: The heater must not be positioned where it will be subjected to freezing conditions.
IMPORTANT: If installing onto a tiled wall always mount the unit on the surface of the tiles. NEVER tile up to the unit.
The installation MUST be in accordance with Water Regulations. To ensure the correct operation of the heater, it must be connected to a cold mains water supply with a minimum/maximum running pressure as stated in the Specifications on page 5. DO NOT use jointing compounds on any pipe fittings for the installation. The unit should be positioned as close as possible to the outlet to minimize heat loss. The recommended maximum distance is 0.5 meters. When supplying a manual mixer tap a non-return valve must be fitted to the hot water outlet and not to the cold water inlet.
A flow control valve may be required on the cold supply to the mixer tap to balance the flow. The water heater is recommended to supply a MAXIMUM of two washbasins (fig.2). If the water heater is connected to a mixer tap, then only NONthermostatic types should be used (water mixes at the outlet pipe only). If a non-return valve is fitted in the inlet feed to the unit, then the installation should also include a 3.5 bar pressure reducing valve and a 6.0 bar pressure relief valve (fig.3).
The pressure relief valve is designed to discharge water when there is a fault in the system. In order to give a visible indication of the operation and to avoid damage to the property, the valve must connect to a discharge pipe (fig.4) which must conform to the following requirements:
- Discharge should be via an air break within 500mm of the pressure relief valve.
- Must not exceed hydraulic resistance of
- straight 9-meter length pipe without increasing in the bore.
- Must fall continuously throughout its length.
- Outlet pipe from tun dish must be one pipe size larger than the inlet pipe.
- Must be of metal.
- Must discharge to a safe and visible position.
- The pipe diameter to the tun dish must not be smaller than the diameter of the valve outlet.
- There must be a 300mm straight drop below the tun dish before the first bend.
ELECTRICAL REQUIREMENTS
WARNING THIS APPLIANCE MUST BE EARTHED.
The installation, supply cable and circuit protection must conform with BS 7671 (IEE wiring regulations) and be sufficient for the amperage required.
The following notes are for guidance only:
- The water heater must only be connected to a 230-240V ac supply. If you are installing a water heater with a kilowatt rating above 9kW, it is advisable to contact the local electricity supply company.
- The electrical rating of the water heater is on the rating labe l within the
- Before making any sort of electrical connection within the installation make sure that no terminal is live. If in any doubt, switch off the whole installation at the mains supply and remove the correct fuse.
- The water heater must be connected to its own independent electrical circuit IT MUST NOT be connected to a ring main, spur socket outlet, lighting circuit or cooker circuit.
- The electrical supply must be adequate for the loading of the unit and existing circuits.
- Check your consumer unit (main fuse box) has a main switch rating of 80A or above and that it has a spare fuse way that will take the fuse or Miniature Circuit Breaker (MCB) necessary for the water heater.
- If your consumer unit has a rating below or if there is no spare fuse way, then the installation will not be straightforward and may require a new consumer unit serving the house or just the water heater.
- You will need to contact the local electricity company. They will check the supply and carry out what is necessary.
- For close circuit protection DO NOT use a rewireable fuse. Instead, use a suitably rated Miniature Circuit Breaker (MCB) or cartridge fuse (see Table A).

- A 45 amp double pole isolating switch with a minimum contact gap of 3mm in both poles must be incorporated in the circuit.
- It must have a mechanical indicator showing when the switch is in the OFF position, and the wiring must be connected to the switch without the use of a plug or socket outlet.
- The switch must be accessible and clearly able, but out of reach of a person using a bath or shower, except for the cord of a cord-operated switch, and should be placed so that it is not possible to touch the switch body while standing in a bath or shower cubicle.
- The current carrying capacity of the cable must be at least that of the water heater circuit protection (see Table B).
- To obtain full advantage of the power provided by the water heater, use the shortest cable route possible from the consumer unit to the unit.
- It is also necessary to satisfy the disconnection time and thermal constraints which means that for any given combination of current demand, voltage drop and cable size, there is a maximum permissible circuit length.
- The water heater circuit should be separated from other circuits by at least twice the diameter of the cable or conduit.
- The current rating will be reduced if the cabling is bunched with others, surrounded by thermal loft or wall insulation or placed in areas where the ambient temperature is above 30°C. Under these conditions, derating factors apply and it is necessary to select a larger cable size.
- In the majority of installations (see Table B), the cable will unavoidably be placed in one or more of the above conditions. This being so, it is strongly recommended to use a minimum of 10mm cabling for units rated over 8kW.
- In any event, it is essential that individual site conditions are assessed by a competent electrician in order to determine the correct cable size and permissible circuit length.

EN 61000-3-12:
”Equipment complying with IEC 61000-3-12”
EN 61000-3-11:
“To be in compliance EN 61000-3-11, the product shall be connected only to a supply of the system impedance: I Zsys I = 0.01205 ohms or less. Before connecting the product to a public power network, please consult your local power supply authority to ensure the power network meets the above requirement.”
FITTING THE UNIT TO THE WALL
IMPORTANT: The unit must be mounted in a vertical position only with the water connections at the bottom. Unscrew the fixing screw at the bottom of the heater and remove the front cover. The entry position for the mains water is at the bottom only. Electrical supplies are at the side or rear of the water heater. Using the backplate as a template, mark the two wall fixing holes. Drill and plug to suit the fixing screws supplied. Screw the top fixing screw into position leaving the base of the screw head protruding 6mm out from the wall. Hook the backplate over the top screw and fit the bottom fixing screw into position, but DO NOT fully tighten the screws at this stage. The fixing holes are elongated to allow for out-of-square adjustment after the plumbing connection has been completed.

PLUMBING CONNECTIONS
DO NOT use jointing compounds on any pipe fittings for the installation. DO NOT use soldered fittings near the unit since heat can transfer along the pipework and may damage components.
IMPORTANT: DO NOT install a non-return valve in the supply pipework to the unit.
Note: An additional stop valve (complying with Water Bylaws) MUST be fitted in the mains water supply to the heater as an independent means of isolating the water supply should maintenance or servicing be necessary. If this isolator is fitted in a loft space, the loft must have a fixed access ladder and be boarded with appropriate lighting from the access point to the isolator.
IMPORTANT: Before completing the connection of the water supply to the inlet of the unit, flush out the pipework to remove all swarf and system debris. This can be achieved by connecting a hose to the pipework and turning on the mains water supply long enough to clear the debris to waste.
Procedure
Turn off the water supply either at the mains stop tap or the isolating stop valve. Before connecting the supply pipe to the unit, ensure the supplied flow restrictor and filter are in the heater inlet. Connect the mains water supply to the inlet of the unit via 1/2″ BSP connection. Connect the hot water pipe to the outlet via 1/2″ BSP connection. Make sure the backplate is square on the wall and tighten the two retaining screws which hold it to the wall. Turn on the mains water supply at the isolating valve, then fully open the outlet tap until a smooth flow of water is obtained. Close the tap and check for leaks in the pipework connection to the heater.
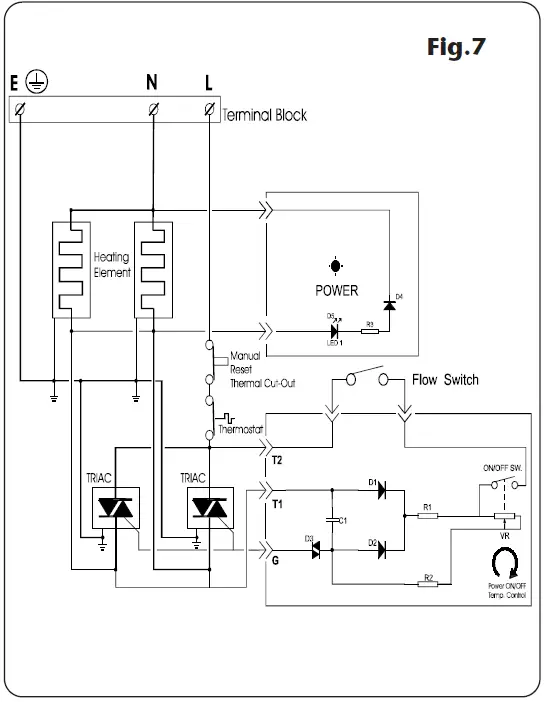
ELECTRICAL CONNECTIONS
Note: A double pole linked switch with a minimum contact gap of 3mm in both poles MUST be fitted in the circuit. The supply cable MUST conform to relevant tables in the current IEE regulations. The electrical rating of the heater is shown on the rating label within the unit.
shows a schematic wiring diagram
SWITCH OFF THE ELECTRICITY SUPPLY AT THE MAINS
Cable entry points are shown in fig.8. The cable can be surface clipped, hidden or via 20mm conduit (conduit entry can only be from rear).
Note: The cable grommet for top entry can be cut to suit different sizes. The cable grommet MUST be used when the supply cable is routed through the top entry.
Route the cable into the heater unit and connect to the terminal block as follows:
- Earth cable to the terminal marked

- Neutral cable to the terminal marked N
- Live cable to the terminal marked L
IMPORTANT: Fully tighten the terminal block screws and make sure that no cable insulation is trapped under the screws.
Note: The supply cable earth conductor must be sleeved. The outer sheath of the supply cable must be stripped back to just after the clamp. The earth continuity conductor of the electrical installation must be effectively connected electrically to all exposed metal parts of other appliances and services in the room in which the heater is to be installed, to conform to current IEE regulations. DO NOT switch on the electricity supply until the cover has been fitted.
REPLACING THE COVER
A self-alignment knob attachment is provided for this water heater, thus it is not necessary to engage the knob in the correct position onto the spindles before the cover is located. Secure the cover at the bottom with the screw provided (fig.9) To align the control knob, slowly rotate clockwise and anti-clockwise until you hear the click of the knob engaging.
Important: Turn the water valve fully open and let the water flow through the heater to release any air which may be in the system and fill the heater with water. The heater must be full of water before heat settings are used.
COMMISSIONING
The first operation of the unit is intended to flush out any remaining system debris, using the unit with the electricity switched OFF at the isolating switch. Fully open the outlet tap. It will take about one minute for a smooth flow of water to be obtained while air and any debris are being flushed from the unit. Once flushing out has been completed, stop the water flow by turning off the tap. Switch on the electricity supply to the heater unit. The heater is now ready for normal use.
OPERATING THE WATER HEATER
Power Adjustment
The OFF setting is cold water only. Adjustment of the tap flow rate at this setting will only alter the force of the water, it will not alter the water temperature. The ON setting applies power to the heating elements to heat the water. When this setting is selected, the power indicator will illuminate when water starts to flow through the unit. The power can be adjusted from minimum to maximum using the control knob. For optimum performance turn the control to the + setting. During warmer months when the ambient temperature is higher, selecting low power will save energy and water.
Temperature Selection
To start heating the water turn on the tap to achieve at least 2.7 l/m flow. If the heater is connected to a monobloc tap, the water temperature must be regulated by selecting the fully hot position on the tap then adjusting the flow rate. At any power setting the temperature of the water is controlled by increasing or decreasing the flow rate from the tap. For a hotter temperature, decrease the flow. If two taps are used simultaneously, then the water temperature will be dependent on the total flow rate through the heater (see page 15).
FLOW RATES & WATER TEMPERATURES
Instaflow Performance
The temperature of the water coming out of the unit depends on:
- The temperature of the mains water supply
- The water flow rate through the unit
- The power level of the unit
- The electric supply voltage
The temperature of the water supply can vary from 5°C in the winter to about 20°C in summer, with an average of about 12°C. The charts below show the water temperature you can expect at different flow rates in litres/minute. At winter mains water temperatures, the unit may take longer to heat the water up to the required temperature. By reducing the flow rate, the water takes longer to pass through the unit, allowing more time for it to heat up to the required temperature.
| Power Rating | Flow L/Min | Outlet Temp °C | |
|
7.7kW @ 240V | 3.0 | 42 | Winter |
| 4.0 | 33 | ||
| 6.0 | 23 | ||
| 3.0 | 49 | Average | |
| 4.0 | 40 | ||
| 6.0 | 30 | ||
| 3.0 | 57 | Summer | |
| 4.0 | 48 | ||
| 6.0 | 38 |
| Power Rating | Flow L/Min | Outlet Temp °C | |
|
10.1kW @ 240V | 3.0 | 53 | Winter |
| 4.0 | 41 | ||
| 6.0 | 29 | ||
| 3.0 | 60 | Average | |
| 4.0 | 48 | ||
| 6.0 | 36 | ||
| 3.0 | 68 | Summer | |
| 4.0 | 56 | ||
| 6.0 | 44 |
INSTRUCTIONS FOR INSTALLERS AND SERVICE ENGINEERS ONLY
Resettable Safety Cut-out
This Instaflow water heater is fitted with a thermal cut-out to prevent excessive heat and to protect the unit under fault conditions.
In the event of operation the unit will require manual resetting as follows:
SWITCH OFF THE ELECTRIC SUPPLY AT THE MAINS
Remove the front cover and press the white reset button located on the thermal cut-out.
Note: Always isolate the electric supply to the unit before removing the cover. If the safety cut-out operates again after resetting, determine the nature of the fault to prevent undue resetting. Contact Customer Experience for advice if cut-out continues to operate.
FAULT FINDING
IMPORTANT: Switch off the electricity at the mains supply and remove the circuit fuse before attempting any fault finding inside the unit. It is advised that all electrical repairs/maintenance to the heater should be carried out by a suitably qualified person.
| Problem | Possible causes | Action |
| 1 Water not hot | 1.1 Too much water | 1.1.1 Reduce the flow rate of the water via the |
| enough. | flowing through the | outlet taps. |
| heater. 1.2 Reduction in the | 1.2.1 Switch to higher power setting. | |
| ambient temperature. 1.3 Power is not | 1.3.1 Have the heater checked by a qualified | |
| adjusted enough. | electrican or contact Triton Customer Experience. | |
| 2 The heater is | 2.1 Heating element or | 2.1.1 Renew the heating element or check the |
| not working, the | circuit is faulty. | wire and electrical components. |
| temperature is not hot. | 2.2 Not enough water flowing through the | 2.2.1 Increase the flow rate. |
| heater. | ||
| 3 Water too hot. | 3.1 Not enough water | 3.1.1 Increase the flow rate. |
| flowing through the | ||
| heater. 3.2 Increase in the | 3.2.1 Switch to lower power setting. | |
| ambient temperature. | ||
| 4 Heater switches off | 4.1 Interruption of mains | 4.1.1 Check loss of power, MCB, switches and |
| during use. | electrical supply. 4.2 ELCB trip, possible | supply cabling. 4.2.1 Check earth leakage. |
| earth leakage. | ||
| 5 Water ceases to flow. | 5.1 Blockage of tap. | 5.1.1 Clean/renew tap, check for free passage of water. Replace as necessary. |
| 5.2 No water supply. | 5.2.1 Check water supply. Is stop valve open? Check for blockage. | |
| 6 Water flow too | 6.1 Flow rate too low to | 6.1.1 Increase water flow. Check water supply. |
| low, POWER light OFF. | activate the heater. | Is stop valve fully open? Check for blockage. |
WEEE Directive – Policy Statement
As a producer and a supplier of electric showers, Triton Showers is committed to the protection of the environment via our own environmental policy and compliance with the WEEE directive.
Triton Showers is fully registered with the Environment Agency under the following scheme:
Repic: Producers take-back scheme (PTS), registration number WEE/EJ3466QV
All our electric products are labeled accordingly with the crossed-out wheeled bin symbol. This indicates, for disposal purposes at end of life, that these products must be taken to recognized collection points, such as local authority sites/local recycling centers; this will be free of any charges. Do not return to Triton Showers.
UK SERVICE POLICY
In the event of a product fault or complaint occurring, the following procedure should be followed:
DO NOT REMOVE THE PRODUCT
- Telephone Customer Experience on 024 7637 2222 having available your details including postcode, the model number, and power rating of the product, together with the date of purchase and, where applicable, details of the particular fault.
- If required, the Customer Experience Advisor will arrange for a qualified engineer to call.
- All products attended to by a Triton service engineer must be installed in full accordance with the Triton installation guide applicable to the product. (Every product pack contains an installation guide, however, they can also be downloaded free at www.tritonshowers.co.uk).
- Our engineer will require local parking and if a permit is required, this must be available to the engineer on arrival at the call.
- If loft access is required for isolation or to complete a repair, the loft must have a fi xed access ladder and be boarded, with appropriate lighting from the access point to and around the repair area.
- It is essential that you or an appointed representative (who must be over 18 years of age) is present for the duration of the service engineer’s visit. If the product is in guarantee you must produce proof of purchase.
- Where a call under the terms of the guarantee has been booked and the failure is not product related (i.e. scaling and furring, incorrect water pressure, pressure relief device operation or electrical/plumbing installation fault) a charge will be made. A charge will also be issued if nobody is at the property when the service engineer calls or adequate parking/permit is not available.
- If the product is no longer covered by the guarantee an up-front fi xed fee will be charged before the site visit.
- Your receipt must be retained as proof of purchase. Should proof of purchase not be available on an ‘in-guarantee’ call, or should the service engineer find that the product is no longer under guarantee, the engineer will charge the same fi xed price and will request payment prior to departing. If payment is not made on the day an administration charge will be added to the fi xed charge.
- If a debt is outstanding from a previous visit, or from any other Triton purchase, Triton reserves the right to withhold service until the debt has been settled.
- Triton takes the health, safety and wellbeing of its employees very seriously and expects customers to treat all staff members with respect. Should any employee feel threatened or receive abuse, either verbally or physically, Triton reserves the right to withhold service.
Replacement Parts Policy
In line with AMDEA guidelines, Triton retains functional spares for as long as there is a market for them and in most cases, well beyond. Due to the vast array of product types, the life cycle of products can vary and therefore so can the length of time parts can be supplied. Spare parts can be ordered via our online spare parts store or by telephoning our Triton Customer Experience team on 024 7637 2222. Payment should be made by credit/debit card (excluding American Express or Diners Card). Payment can also be made by pre-payment of a Pro-forma invoice, by cheque or by postal order. Telephone orders are based on the information given during the call. Before contacting Triton, please verify your requirements using the Information contained in the user guide. Triton cannot accept liability for incorrect part identification.
TRITON UK STANDARD GUARANTEE
This guarantee applies only to products installed within the United Kingdom and does not apply to products used commercially. This guarantee does not affect your statutory rights. With the exception of accessories, Triton guarantees the product against all manufacturing defects for a period of 1 year (for domestic or light commercial use only) from the date of purchase, provided that it has been installed by a competent person in full accordance with the fi tying instructions. All accessories such as shower heads, hoses and riser rails carry a 1-year parts-only guarantee against manufacturing defects.Any part found to be defective during this guarantee period we undertake to repair or replace at our option without charge, so long as it has been properly maintained and operated in accordance with the operating instructions and has not been subject to misuse or damage. This product must not be taken apart, modified or repaired except by a person authorized by Triton.
What is not covered:
- Breakdown due to:
- wilful act or neglect;
- any malfunction resulting from the incorrect use or quality of electricity, gas or water or incorrect setting of controls;
- failure to install in accordance with this installation guide.
- Claims for missing parts once the product has been installed.
- Repair costs for damage caused by foreign objects or substances.
- Total loss of the product due to non-availability of parts.
- Compensation for loss of use of the product or consequential loss of any kind.
- Call out charges due to an abortive visit or where no fault has been found with the appliance.
- The cost of repair or replacement of isolating switches, electrical cable, fuses and/or circuit breakers or any other accessories installed at the same time. Replacement of the Pressure Relief Device that only activates when the shower outlet is blocked is also excluded.
- The cost of routine maintenance, adjustments, overhaul modifications or loss or damage arising therefrom, including the cost of repairing damage, breakdown, malfunction caused by corrosion, furring, frost or exposure to freezing conditions.
- Call out charges where the water supply cannot be isolated, this includes consequential losses arising from unserviceable supply valves, or inaccessible products or valves located in a loft space without suitable access.
For the latest Terms & Conditions please see: www.tritonshowers.co.uk/terms
please NOTE PRODUCT REGISTRATION IS ONLY AVAILABLE TO UNITS PURCHASED & INSTALLED IN THE UK
- Triton Showers
- Triton Road
- Nuneaton
- Warwickshire, CV11 4NR
- Triton is a division of Norcros Group (Holdings) Limited
Customer Experience
- 024 7637 2222
- Trade Installer Hotline: 024 7637 8344
- www.tritonshowers.co.uk
- E-mail: [email protected]
- E-mail: [email protected]
























