spex Hoggi Bingo OT Stroller User Guide

Client Details
Client/User name: __________________
Date: _____________________________
DOB: _____________________________
Notes: ____________________________
Stroller Package
The BINGO Spex package includes:
- matte black frame with tie downs
- 3 kg fabric basket

FABRIC BASKET - tray table

TRAY TABLE - sun canopy

SUN CANOPY
COMPULSORY SELECTION ITEMS
Product Overview


BINGO Stroller Size | Size 1 | Size 2 | |||
BINGO Stroller Order Code | 2885-0031-032 | 2885-0032-032 | |||
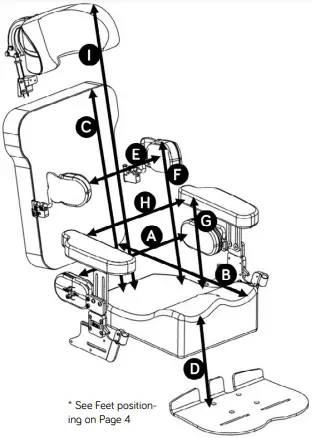
| Seating specs | A Hip width | 17-28cm (6.5-11”) | 22-33cm (8.5-13”) | ||
| B Seat depth | 18-23cm (7-9”) | 23-30cm (9-12”) | 23-33cm (9-13”) | 28-38cm (11-15”) | |
| 1.1 Cushion | 1.2 Cushion | 2.1 Cushion | 2.2 Cushion | ||
| C Back height | 36-44cm (14-17”) | 40-48cm (16-19”) | |||
| D Lower leg length* | 25-40cm (10-16″) | 25-45cm (10-18″) | |||
| E Trunk lateral width | 12-28cm (5-11”) | 15-30cm (6-12”) | |||
| F Trunk lateral height | 15-34cm (6-13.5”) | 17-40cm (6.5-16”) | |||
| G Arm support height | 15-22cm (6-8.5”) | 15-22cm (6-8.5”) | |||
| H Internal arm support width | 20-32cm (8-13”) | 28-38cm (11-15”) | |||
| I Head support height | 45-65cm (18-25.5”) | 50-70cm (20-28”) | |||
| J Cushion total width | 33cm (13”) Size 1.1 | 33cm (13”) Size 1.2 | 38cm (15”) Size 2.1 | 38cm (15”) Size 2.2 | |
| K Internal cushion width | 23cm (9”) Size 1.1 | 28cm (11”) Size 1.2 | 28cm (11”) Size 2.1 | 33cm (13”) Size 2.2 | |
| L Centre of thigh contours | 15cm (6”) Size 1.1 | 17cm (6.5”) Size 1.2 | 18cm (7”) Size 2.1 | 20cm (8”) Size 2.2 | |
| M Cushion side height | 14cm (5.5”) | 14cm (5.5”) | |||
| N Thigh contour height | 9cm (3.5”) | 9cm (3.5”) | |||
| O Abductor contour height | 5cm (2”) | 5cm (2”) | |||
| P Back cushion width | 33cm (13”) | 38cm (15”) | |||
| Q Trunk cushion width | 26cm (10”) | 30cm (12”) | |||
| Frame seat depth capacity | 18-30cm (7-12”) | 20-38cm (8-15”) | |||
| Frame back height capacity | 36-46cm (14-18”) | 41-55cm (16-22”) | |||
| Stroller specs | Backrest recline angle | 90-160° | |||
| Height of push bar | 75-110cm (29.5-43”) | ||||
| Overall frame width | 63cm (25”) | 68cm (27”) | |||
| Max load of seat unit | 50kg (110lb) (body weight including other load) | ||||
| Base frame capacity | 60kg (132lb) | ||||
Colour Selection

Cushion Selection
Size 1.1 | Size 1.2 | Size 2.1 | Size 2.2 | ![]() |
|
|
|
| |
| 2885-0610 | 2885-0611 | 2885-0612 | 2885-0613 |
Back Supports
Spex Contouring Back System
- For Size 1 BINGO, 2885-2012
- For Size 2 BINGO, 2885-2014

Head Supports
- Standard Lateral with Stylo hardware & BINGO attachment
- For moderate head positioning needs.
- 2885-4241

- Extended Lateral with Stylo hardware & BINGO attachment
- For complex head positioning needs
- 2885-4341

- Mount and stem hardware with Stylo hardware & BINGO attachment
- For use with other Spex head pads
- 2885-4510-000

Arm Supports
- With height-adjustable, quick-release hardware and neoprene cover.
- To fit Size 1, 2885-5621-291
- To fit Size 2, 2885-5622-291

Pelvic Supports
- Mounts onto arm support bracket (pair) behind cushion troughing (arm supports must be selected
- To fit Size 1, 2885-1111-000
- To fit Size 2, 2885-1112-000

Lateral Supports
- Narrow lateral supports
- Soft padding/neoprene cover (pair) with Axial Technology. Fits BINGO, Size 1 and Size 2.
- 85mm high x 115mm deep
- 2885-3410-291

- Broad lateral supports
- Soft padding/neoprene cover (pair) with Axial Technology Fits BINGO, Size 2.
- 105mm high x 130mm deep
- 2885-3431-291

ACCESSORY SELECTION ITEMS
Shoulder Harness
- X-Small Centrepoint
- Fits BINGO Size 1 and Size 2
- Pad height 26cm, total pad width 22cm
- 1409-6660-017
- Small Centrepoint
- Fits BINGO size 2
- Pad height 36cm, total pad width 32cm
- 1409-6661-017

Hip Belt
- 2 Point Hip Belt
- 2-point, padded dual centre pull, side release buckle
- X-Small (Pad width 30cm), 1405-6220-027
- Small (Pad width 36cm), 1405-6221-027

- 4 Point Hip Belt
- 4-point, padded dual centre pull, side release buckle
- X-Small (Pad width 30cm), 1406-6420-027
- Small (Pad width 36cm)” 1406-6421-027

Feet Positioning
- Footplate Spacer Block*
- Size 1 (10/11”), 2885-5321-000
- Size 2 (12/13”), 2885-5322-000

- Foot positioning sandals
- May require height kit/s
- 2885-6081-000

- Height kit / raiser blocks
- For foot positioning sandals (kit of 4)
- 2885-6091-000

*Can not be used with foot positioning sandals
Critical Care Options
- IV Pole
- With mobility bracket for attachment to mobility base. Fits both Size 1 and Size 2.
- 2880-8275-000

- Oxygen Bottle Holder
- With mounting bracket for attachment to mobility base. 120mm diameter for ‘C Type’ bottle. Fits both Size 1 and Size 2
- 2880-8253-000

- Chassis Mount Tray for high dependency equipment – suction/oxygen etc
- Size 1 (for BINGO Size 1), 2880-8058-000
- Size 2 (for BINGO Size 2), 2880-8059-000

Accessory Bag
- Handle mounted bag – fits both Size 1 and Size 2
- Easily detaches, complete with handy shoulder strap
- 2880-8012-099

Swivel Lock
- For both Size 1 and Size 2
- To hold castors straight when brisk walking
- 2880-8440-000

Hand Strap
- Wrist safety tether strap
- Required to comply with AS/NZS 3696.19
- 2005-6930-000

Indoor Base
- Cobra high-low indoor frame with 75mm castors
- Size 1 (for BINGO Size 1), 2880-8711-000
- Size 2 (for BINGO Size 2), 2880-8721-000

Separate Seat Unit
- Use with Cobra Base
Separate seat unit for use with the Cobra Base if a combined stroller and seat unit is not purchased. This is also a great option if two seat units are preferred to avoid swapping the seat unit between the stroller and Cobra bases. Must be purchased with upholstery- Size 1 – Seat Unit Only, 2885-CUST-013
- Size 2 – Seat Unit Only, 2885-CUST-00E
Support & Support
DISTRIBUTED BY:
| US | REP |
| Medicept 200 Homer Ave, Ashland MA 01721, United States Tel: +1-508-231-8842 | |
| EC | REP |
| BEO MedConsulting Berlin GmbH Helmholtzstr. 2 D-10587 Berlin, Germany Tel: +49-30-318045-30 | |
Manufactured by Spex Ltd
32 Detroit Drive
Rolleston 7675
New Zealand
+64 3 307 9790
[email protected]
www.spexseating.com










































