Dwyer MTL5541 Series Galvanic Barrier

BENEFITS/FEATURES
- Easy snap-in installation for most DIN rails
- Safe to use in hazardous locations
APPLICATIONS
Electrically isolates pressure and level transmitters from unregulated circuits for intrinsically safe applications
DESCRIPTION
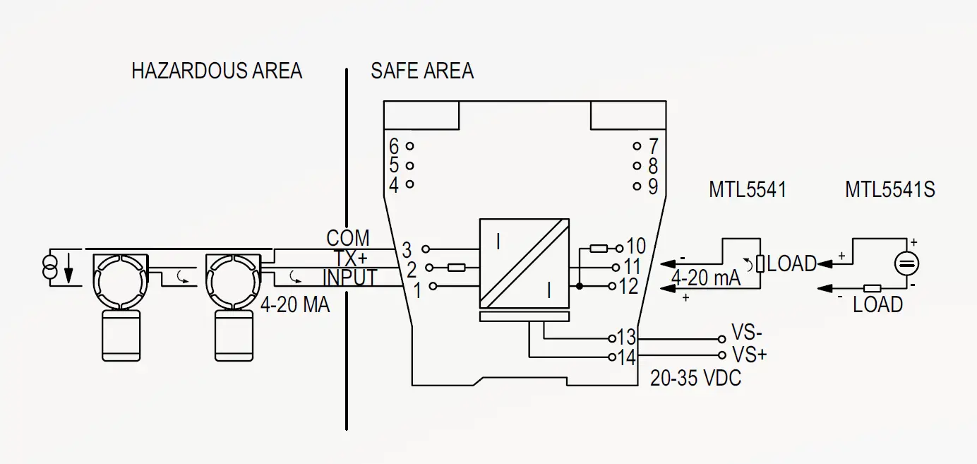
The Series MTL5541 Galvanic Barrier provides intrinsically safe isolation for communication with Dwyer® transmitters approved for use in hazardous areas. This galvanic barrier eliminates the need for a high integrity earth ground required when using shunt type diode type safety barriers. DIN rail mounting and plug-in signal and power connectors simplify installation and maintenance.
SPECIFICATIONS
| Hazardous Area Input | Signal range: 0-24 mA (including over-range); Transmitter voltage: 16.5 V at 20 mA. |
| Safe Area Output | Signal range: 4-20 mA; Under/over-range: 0-24 mA; Load resistance: 0 to 360Ω @ 24 mA, or 0 to 450Ω @ 20 mA; Current sink: 600Ω max.; Maximum voltage source: 24 VDC; Output resistance: > 1 MΩ. |
| Power Requirement | 20-35 VDC. |
| Response Time | Settles to within 10% of final value within 50 µs. |
| Current Consumption | 51 mA @ 24V. |
| Maximum Power Dissipation | 0.7 W @ 24 VDC, 1.0 W @ 24 VDC. |
| Isolation | 250 V RMS, tested at 1500 V RMS minimum, between safe-area and hazardous-area terminals; 50 V between safe-area circuits and power supply. |
| Transfer Accuracy at 68°F (20°C) | Better than 15 µA. |
| LED Indicator | Green: Power indication. |
| Temperature Limits | Operating: -6 to 140°F (-20 to 60°C); Storage: -40 to 176°F (-40 to 80°C). |
| Temperature Drift | < 0.8µA/°C. |
| Humidity | 5 to 95% RH. |
| Mounting | T-section 35 mm DIN rail (7.5 or 15 mm) to EN 50022. |
| Terminals | Accommodate up to 2.5 mm2 stranded or single-core. |
| Safety Description | Vo= 28 V, Io= 93 mA, Po= 651mW, Um= 253 RMS or DC. |
| Weight | 5.3 oz (150 g). |
| Agency Approvals | See table. |
DIMENSIONS

WIRING DIAGRAM

HOW TO ORDER
Use the bold characters from the chart below to construct a product code.

ACCESSORIES
- Model: Description
- A-360: Aluminum DIN rail 1 m
Copyright 2021 Dwyer Instruments, Inc. Printed in U.S.A. 7/21
Important Notice: Dwyer Instruments, Inc. reserves the right to make changes to or discontinue any product or service identified in this publication without notice. Dwyer advises its customers to obtain the latest version of the relevant information to verify, before placing any orders, that the information being relied upon is current.



















