Altronix PD4CB Power Distribution Modules
Overview
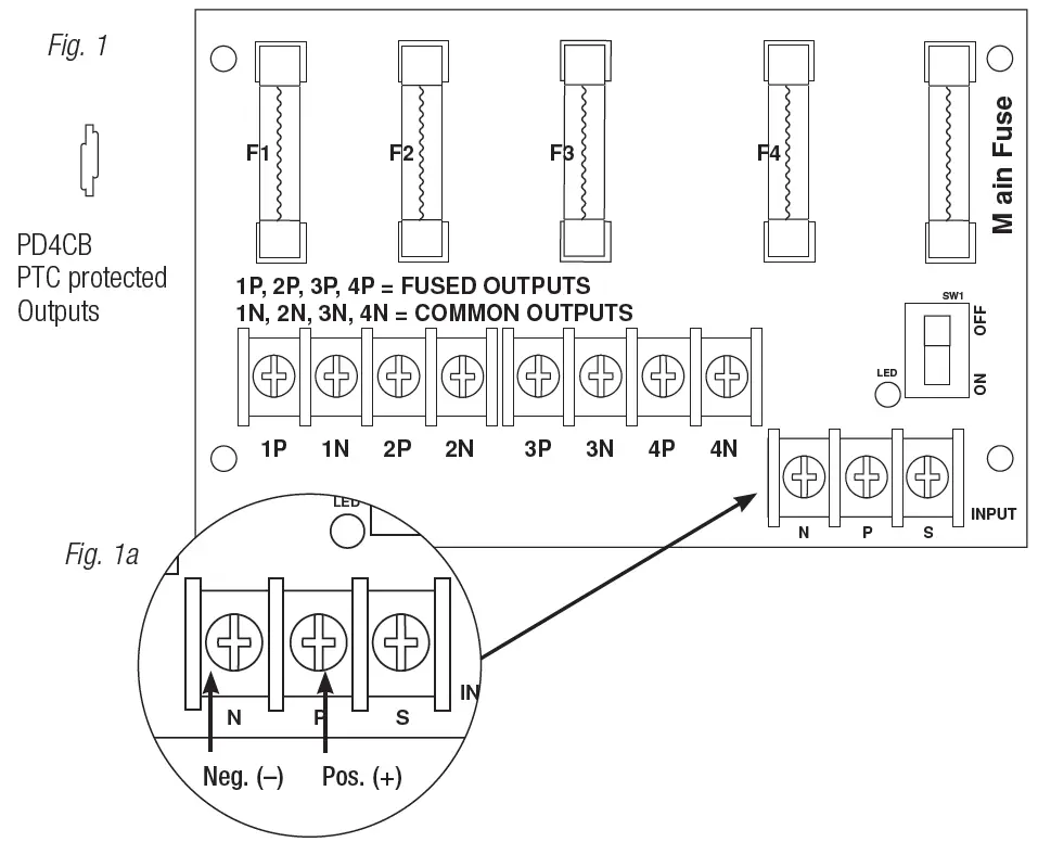
Altronix PD4/PD4CB power distribution modules convert a single AC or DC input into four (4) individually fused or PTC protected outputs.
Specifications
Input:
- 28VAC or 28VDC max., up to 10A.
Outputs:
- PD4: Four (4) individually fused outputs
(fuses are rated @ 3.5A; up to 5A fuses may be used). - PD4CB: Four (4) PTC protected auto-resettable outputs (PTCs are rated @ 2.5A).
- Surge suppression.
Main Fuse Rating:
- The main fuse is rated @ 5A/250V.
Visual Indicators:
- Power output LED indicator.
Additional Features:
- Power ON / OFF switch.
Board Dimensions (L x W x H, approximate):
5.25” x 3.25” x 1” (133.4mm x 82.6mm x 25.4mm).
Installation Instructions
- Mount PD4/PD4CB in the desired location/enclosure (mounting hardware included).
- Connect the desired power supply output to the terminals marked [INPUT] (Fig. 1a).
Note: If using DC voltage, the left terminal is NEG. (–) and the right terminal is POS. (+) (Fig. 1a). - Measure output voltage before connecting devices. This helps avoid potential damage. All terminals with the common suffix P “1P, 2P…” are the same polarity.
- Set power switch [SW1] to the OFF position (Fig. 1).
- Connect each device to the terminal pairs 1 to 4, marked [1P – 1N] through [4P – 4N] (Fig. 1).
- Fuses are rated at 3.5A/250V (PD4: Replacement fuses can be rated at 5.0A).
- Set power switch [SW1] to the ON position (Fig. 1).

Altronix is not responsible for any typographical errors.
140 58th Street, Brooklyn, New York 11220 USA | phone: 718-567-8181 | fax: 718-567-9056
website: www.altronix.com | e-mail: [email protected] | Lifetime Warranty






















