1600VA-70A EasyPlus Compact

Product Information: EasyPlus 12 | 1600 | 70-16 230V
The EasyPlus 12 | 1600 | 70-16 230V is a product designed and tested in accordance with international standards. It is a Safety Class I product that requires uninterrupted protective grounding at the AC input and/or output terminals. The product is used in conjunction with a permanent energy source (battery) and has no internal user-serviceable components. All servicing must be undertaken by qualified personnel.
Safety Instructions
- Read the documentation supplied with this product before using it.
- Always switch off the AC supply and the battery before carrying out maintenance or servicing the product.
- Never use the product where there is a risk of gas or dust explosions.
- Consult the battery manufacturer’s information to ensure that the product is intended for use in conjunction with the battery.
- Do not lift heavy loads without assistance.
Installation
- Read the installation instructions in the installation manual before installing the equipment.
- Ensure that the DC and AC input cables are fused and fitted with circuit breakers.
- Never replace a safety component with a different type. Consult the manual to determine the correct component.
For further information on the product, refer to the user manual and contact Victron Energy B.V. for conditions of use and permission to use this manual for publication in other than the English language.
Note: Victron Energy B.V. reserves the right to revise and improve its products as it sees fit. This publication describes the state of this product at the time of its publication and may not reflect the product at all times in the future.
Copyrights 2008 Victron Energy B.V.
All Rights Reserved
This publication or parts thereof may not be reproduced in any form, by any method, for any purpose.
For conditions of use and permission to use this manual for publication in other than the English language, contact Victron Energy B.V.
VICTRON ENERGY B.V. MAKES NO WARRANTY, EITHER EXPRESSED OR IMPLIED, INCLUDING BUT NOT LIMITED TO ANY IMPLIED WARRANTIES OF MERCHANTABILITY OR FITNESS FOR A PARTICULAR PURPOSE, REGARDING THESE VICTRON ENERGY PRODUCTS AND MAKES SUCH VICTRON ENERGY PRODUCTS AVAILABLE SOLELY ON AN ‘AS IS’ BASIS.
IN NO EVENT SHALL VICTRON ENERGY B.V. BE LIABLE TO ANYONE FOR SPECIAL, COLLATERAL, INCIDENTAL, OR CONSEQUENTIAL DAMAGES IN CONNECTION WITH OR ARISING OUT OF PURCHASE OR USE OF THESE VICTRON ENERGY PRODUCTS. THE SOLE AND EXCLUSIVE LIABILITY TO VICTRON ENERGY B.V., REGARDLESS OF THE FORM OF ACTION, SHALL NOT EXCEED THE PURCHASE PRICE OF THE VICTRON ENERGY PRODUCTS DESCRIBED HERE IN.
Victron Energy B.V. reserves the right to revise and improve its products as it sees fit. This publication describes the state of this product at the time of its publication and may not reflect the product at all times in the future
SAFETY INSTRUCTIONS
General
Please familiarize yourself with the safety features and instructions by first reading the documentation supplied with this product before using the equipment. This product has been designed and tested in accordance with international standards. The equipment must be used exclusively for the purpose for which it was designed.
WARNING: ELECTRIC SHOCK HAZARD.
The product is used in conjunction with a permanent energy source (battery). Input and/or output terminals may still be dangerously energized, even when the equipment is switched off. Always switch off the AC supply and the battery before carrying out maintenance or servicing the product.
The product has no internal user-serviceable components. Do not remove the front plate or operate the product if any panels have been removed. All servicing must be undertaken by qualified personnel.
Never use the product where there is a risk of gas or dust explosions. Consult the battery manufacturer’s information to ascertain that the product is intended for use in conjunction with the battery. Always comply with the battery manufacturer’s safety instructions.
WARNING: Do not lift heavy loads without assistance.
Installation
Read the installation instructions in the installation manual before installing the equipment.
This is a Safety Class I product (supplied with a protective grounding terminal). Uninterruptible protective grounding must be provided at the AC input and/or output terminals. Alternatively, the grounding point located externally on the product may be used. Whenever it is likely that the grounding protection has been damaged, the product must be turned off and secured against unintended operation; please contact qualified service staff.
Ensure that the DC and AC input cables are fused and fitted with circuit breakers. Never replace a safety component with a different type. Consult the manual to determine the correct component.
Before applying power, ensure that the available power source matches the configuration settings of the product as described in the manual.
Ensure that the equipment is used under the correct ambient conditions. Never operate the product in a wet or dusty environment. Ensure there is adequate free space for ventilation around the product and check that the ventilation vents are not blocked.
Ensure that the required system voltage does not exceed the product’s capacity.
Transport and Storage
Ensure that the mains power and battery cables have been disconnected before storing or transporting the product.
No liability can be accepted for any transport damage if the equipment is shipped in non-original packaging.
Store the product in a dry environment; the storage temperature must be between -40 °C and 60 °C.
Consult the battery manufacturer’s manual in respect of transport, storage, charging, recharging and disposal of the battery.
DESCRIPTION
General
EasyPlus-functional
The EasyPlus is a powerful true sine wave inverter, a sophisticated battery charger that features adaptive charge technology and a high-speed AC transfer switch in a single compact enclosure. Beside these primary functions, however, the EasyPlus has several advanced features that provide a range of new applications as outlined below.
Uninterrupted AC power
In the event of a grid failure, or shore or generator power being disconnected, the inverter within the EasyPlus is automatically activated and takes over supply to the connected loads. This happens so fast (less than 20 milliseconds) that computers and other electronic equipment will continue to operate without disruption.
PowerControl – Dealing with limited generator or shore side power
With a Multi Control Panel a maximum generator or shore current can be set. The EasyPlus will then take account of other AC loads and use whatever is extra for charging, thus preventing the generator or shore supply from being overloaded.
PowerAssist – Boosting the capacity of shore or generator power
This feature takes the principle of PowerControl to a further dimension allowing the EasyPlus to supplement the capacity of the alternative source. Where peak power is so often required only for a limited period, it is possible to reduce the size of generator needed or conversely enable more to be achieved from the typically limited shore connection. When the load reduces, the spare power is used to recharge the battery.
Programmable relay
The EasyPlus is equipped with a programmable relay that by default is set as an alarm relay. The relay can be programmed for all kinds of other applications, for example as a starter relay for a generator.
Battery Charger
Adaptive 4-stage charge characteristic: bulk – absorption – float – storage
The EasyPlus features a microprocessor controlled ‘adaptive’ battery management system that can be preset to suit different types of batteries. The ‘adaptive’ feature will automatically optimize the process relative to the way the battery is being used.
The right amount of charge: variable absorption time
When only shallow discharges occur (a yacht connected to shore power for example) the absorption time is kept short in order to prevent overcharging of the battery. After a deep discharge the absorption time is automatically increased to make sure that the battery is completely recharged.
Preventing damage due to excessive gassing: the BatterySafe mode
If, in order to quickly charge a battery, a high charge current in combination with a high absorption voltage has been chosen, the EasyPlus will prevent damage due to excessive gassing by automatically limiting the rate of voltage increase once the gassing voltage has been reached.
Less maintenance and aging when the battery is not in use: the Storage mode
The storage mode kicks in whenever the battery has not been subjected to discharge during 24 hours. In the storage mode float voltage is reduced to 2,2 V/cell (13,2 V for a 12 V battery) to minimize gassing and corrosion of the positive plates. Once a week the voltage is raised back to the absorption level to ‘equalize’ the battery. This feature prevents stratification of the electrolyte and sulphation, a major cause of early battery failure.
Two outputs to charge 2 battery banks
The EasyPlus features 2 outputs, of which 1 can carry the full output current. The second output, limited to approximately 4 A and with a slightly lower output voltage, is intended to top up a starter battery.
To increase battery life: temperature compensation
Every EasyPlus comes with a battery temperature sensor. When connected, charge voltage will automatically decrease with increasing battery temperature. This feature is especially recommended for sealed batteries and/or when important fluctuations of battery temperature are expected.
Learn more about batteries and battery charging
To learn more about batteries and charging batteries, please refer to our book ‘Electricity on Board’ (available free of charge from Victron Energy and downloadable from www.victronenergy.com). For more information about adaptive charging please look under Technical Briefs on our website.
OPERATION
On/Off/Charger Only Switch
When switched to ‘on’, the product is fully functional. The inverter will come into operation and the LED ‘inverter on’ will light up.
An AC voltage connected to the ‘AC in’ terminal will be switched through to the ‘AC out’ terminal, if within specifications. The inverter will switch off, the ‘mains on’ LED will light up and the charger commences charging. The ‘bulk’, ‘absorption’ or ‘float’ LEDs will light up, depending on the charger mode.
If the voltage at the ‘AC-in’ terminal is not within specifications, the inverter will switch on.
When the switch is switched to ‘charger only’, only the battery charger of the EasyPlus will operate (if mains voltage is present). In this mode input voltage also is switched through to the ‘AC out’ terminal.
NOTE: When only the charger function is required, ensure that the switch is switched to ‘charger only’. This prevents the inverter from being switched on if the mains voltage is lost, thus preventing your batteries from running flat.
Remote control
Remote control is possible with a 3-way switch, with a Digital Multi Control panel.
The Control panel has a simple rotary knob with which the maximum current of the AC input can be set: see PowerControl and PowerAssist in Section 2.
For the appropriate DIP switch settings, see sect. 5.5.1.
Equalisation and forced absorption
Equalisation
Traction batteries may require regular equalisation charging. In the equalisation mode, the EasyPlus will charge with increased voltage for one hour (1 V above the absorption voltage for a 12 V battery, 2 V for a 24 V battery). The charging current is then limited to 1/4 of the set value. The ‘bulk’ and ‘absorption’ LEDs flash intermittently.
Equalisation mode supplies a higher charging voltage than most DC consuming devices can cope with. These devices must be disconnected before additional charging takes place.
Forced absorption
Under certain circumstances, it can be desirable to charge the battery for a fixed time at absorption voltage level. In Forced Absorption mode, the EasyPlus will charge at the normal absorption voltage level during the set maximum absorption time. The ‘absorption’ LED will be ‘on’.
Activating equalisation or forced absorption
The EasyPlus can be put into both these states from the remote panel as well as with the front panel switch, provided that all switches (front, remote and panel) are set to ‘on’ and no switches are set to ‘charger only’.
In order to put the EasyPlus in this state, the procedure below should be followed.
If the switch is not in the required position after following this procedure, it can be switched over quickly once. This will not change the charging state.
NOTE: Switching from ‘on’ to ‘charger only’ and vice versa, as described below, must be done quickly. The switch must be toggled such that the intermediate position is ‘skipped’, as it were. If the switch remains in the ‘off’ position even for a short time, the device may be turned off. In that case, the procedure must be restarted at step 1. A certain degree of familiarization is required when using the front switch on the EasyPlus in particular. When using the remote panel, this is less critical.
Procedure:
- Check whether all switches (i.e. front switch, remote switch or remote panel switch if present) are in the ‘on’ position.
- Activating equalization or forced absorption is only meaningful if the normal charging cycle is completed (charger is in ‘Float’).
- To activate:
- Switch rapidly from ‘on’ to ‘charger only’ and leave the switch in this position for ½ to 2 seconds.
- b. Switch rapidly back from ‘charger only’ to ‘on’ and leave the switch in this position for ½ to 2 seconds.
- c. Switch once more rapidly from ‘on’ to ‘charger only’ and leave the switch in this position.
- On the EasyPlus the three LEDs ‘Inverter’, ‘Charger’ and ‘Alarm’ will now flash 5 times.
If a MultiControl panel is connected, on the panel the LEDs ‘bulk’, ‘absorption’ and ‘float’ will also flash 5 times. - Subsequently, on the EasyPlus the LEDs ‘Bulk’, ‘Absorption’ and ‘Float’ will each light during 2 seconds.
If a MultiControl panel is connected, on the panel the LEDs ‘bulk’, ‘absorption’ and ‘float’ will also each light during 2 seconds.- a. If the switch on the EasyPlus is set to ‘on’ while the ‘Bulk’ LED lights, the charger will switch to equalization.
Similarly, if the switch on the MultiControl panel is set to ‘on’ while the ‘Bulk’ LED lights, the charger will switch to equalisation. - b. If the switch on the EasyPlus is set to ‘on’ while the ‘Absorption’ LED lights, the charger will switch to forced absorption.
Similarly, if the switch on the MultiControl panel is set to ‘on’ while the ‘Absorption’ LED lights, the charger will switch to forced absorption. - c. If the switch on the EasyPlus is set to ‘on’ after the three LED sequence has finished, the charger will switch to ‘Float’.
Similarly, if the switch on the MultiControl panel is set to ‘on’ after the three LED sequence has finished, the charger will switch to ‘float’. - d. If the switch has not been moved, the EasyPlus will remain in ‘charger only’ mode and switch to ‘Float’.
- a. If the switch on the EasyPlus is set to ‘on’ while the ‘Bulk’ LED lights, the charger will switch to equalization.
LED Indications
Ο LED off
LED flashes
⚫LED illuminated
Inverter

The inverter is switched on and supplies power to the load. Battery operation.
The inverter is switched on and supplies power to the load.
Pre alarm: overload, or battery voltage low, or inverter temperature high 
The inverter is switched off. Alarm: overload, or battery voltage low, or inverter temperature high, or DC ripple voltage on battery terminal was too high.
Charger
The AC input voltage is switched through and the charger operates in bulk or absorption mode.
The AC input voltage is switched through and the charger is switched off.
The battery charger can not reach battery end voltage (bulk protection mode).

The AC input voltage is switched through and the charger operates in bulk or absorption mode. 
The AC input voltage is switched through and the charger operates in float mode.
INSTALLATION
This product should be installed by a qualified electrician.
Location
The product must be installed in a dry and well-ventilated area, as close as possible to the batteries. There should be a clear space of at least 10cm around the appliance for cooling.
Excessively high ambient temperature will result in the following: Reduced service life.
Reduced charging current.
Reduced peak capacity, or shutdown of the inverter.
Never mount the appliance directly above the batteries.
The product is suitable for wall mounting. For mounting see appendix A.
The appliance can be mounted horizontally as well as vertically; vertical mounting is preferable. The vertical position offers optimum cooling.
The interior of the product must remain accessible after installation.
Try and keep the distance between the product and the battery to a minimum in order to minimize cable voltage losses.
For safety purposes, this product should be installed in a heat-resistant environment if it is used with equipment where a substantial amount of power is to be converted. You should prevent the presence of e.g. chemicals, synthetic components, curtains or other textiles, etc., in the immediate vicinity.
Connection of Battery cables
In order to fully utilize the full capacity of the product, batteries with sufficient capacity and battery cables with sufficient cross section should be used. See table.
| 12/1600 | |
| Preassembled cable length 1.5 m (mm2) | 35 |
| Recommended cross section (mm2) | |
| 1,5 1 à 5 m | 70 |
| 5 à 10 m | 140 |
| 12/1600 | |
| Recommended battery capacity (Ah) | 200 – 700 |
Remark: Internal resistance is the important factor when working with low-capacity batteries. Please consult your supplier or the relevant sections of our book ‘electricity on board’, downloadable from our website.
Procedure
Proceed as follows to connect the battery cables:
Use an insulated box spanner in order to avoid shorting the battery. Avoid shorting the battery cables.
Connect the battery cables: the + (red) and the – (black), to the battery see appendix A.
Reverse polarity connection (+ to – and – to +) will cause damage to the product. (Safety fuse inside the EasyPlus can be damaged)
Secure the nuts tightly in order to reduce the contact resistance as much as possible.
Connection of the AC cabling
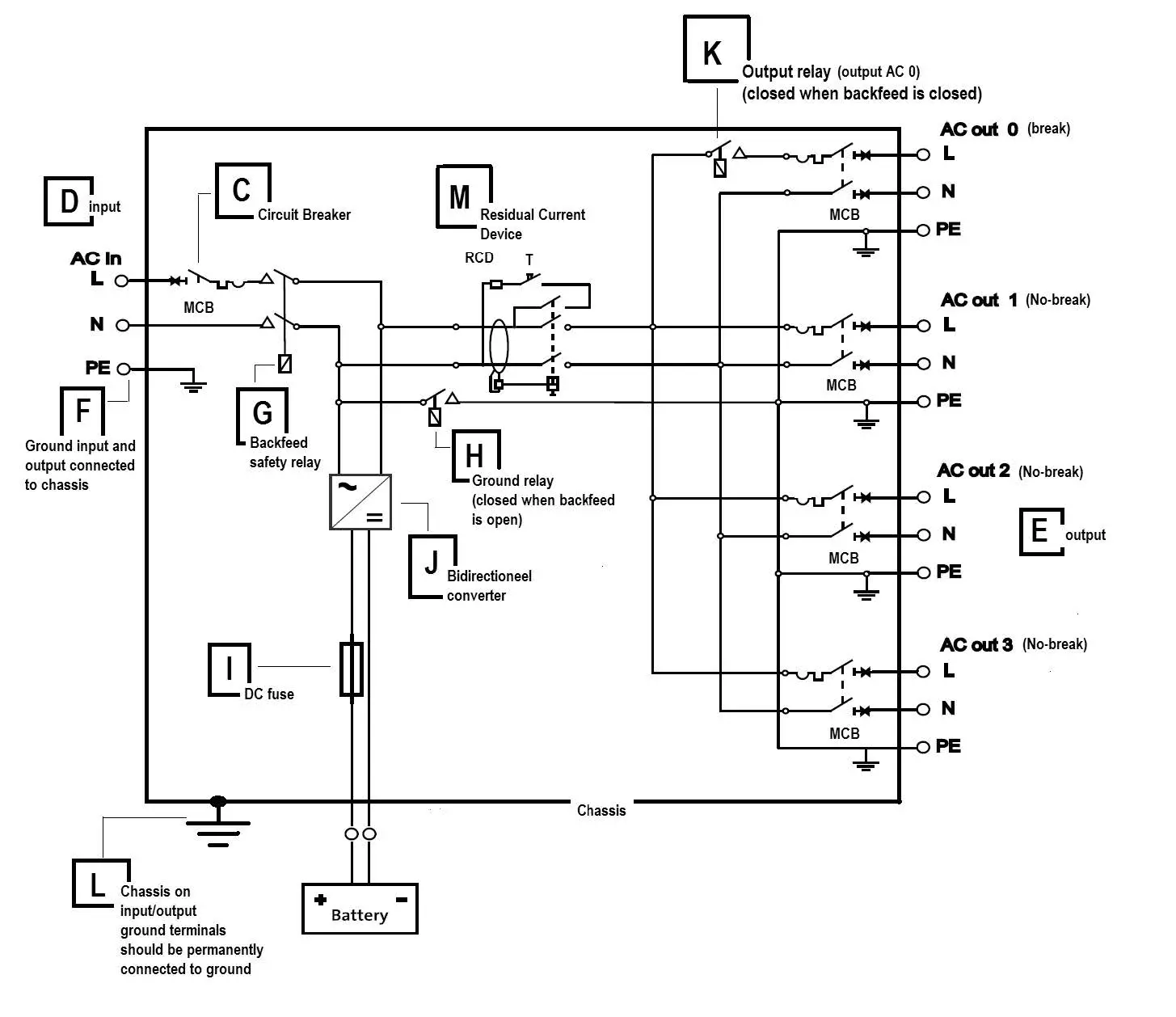
This is a Safety Class I product (supplied with a protective grounding terminal). Uninterruptible protective grounding must be provided at the AC input and/or output terminals and/or chassis grounding point located externally on the product.
The EasyPlus is provided with a ground relay (relay H, see appendix B) that automatically connects the Neutral output to the chassis if no external AC supply is available. If an external AC supply is provided, the ground relay H will open before the input safety relay closes. This ensures the correct operation of an earth leakage circuit breaker that is connected to the output.
- In a fixed installation, an uninterruptable grounding can be secured by means of the grounding wire of the AC input. Otherwise, the casing must be grounded.
- In a mobile installation (for example, with a shore current plug), interrupting the shore connection will simultaneously disconnect the grounding connection. In that case, the casing must be connected to the chassis (of the vehicle) or to the hull or grounding plate (of the boat).
- In case of a boat, direct connection to the shore ground is not recommended because of potential galvanic corrosion. The solution to this is using an isolation transformer.
Optional Connections
A number of optional connections are possible:
Undo the four screws at the front of the enclosure and remove the front panel.
Second Battery
The EasyPlus has a connection (+) for charging a starter battery. For connection see appendix 1
Temperature Sensor
The temperature sensor supplied with the product may be used for temperature-compensated charging. The sensor is insulated and must be mounted on the batteries minus pole. Default output voltages for Float and Absorption are at 25 °C. In adjust mode temperature compensation is disabled. 
Remote Control panel & remote on/off switch
The product can be remotely controlled in two ways:
Please see section 5.5.1. for appropriate DIP switch settings.
Only one remote control can be connected, i.e. either a switch or a remote control panel.
Programmable relay
The EasyPlus is equipped with a multi-functional relay that by default is programmed as an alarm relay. The relay can be programmed for all kinds of other applications, for example to start a generator (VEConfigure software needed).
Near the connection terminals an LED illuminates when the relay is activated (refer to S, see appendix A)
Parallel Connection
The EasyPlus can be connected in parallel with several identical devices. To this end, a connection is established between the devices by means of standard RJ45 UTP cables. The system (one or more EasyPlus units plus optional control panel) will require subsequent configuration (see Section 5). In the event of connecting EasyPlus units in parallel, the following requirements must be met:
- A maximum of six units connected in parallel.
- Only identical devices may be connected in parallel.
- The DC connection cables to the devices must be of equal length and cross-section.
- If a positive and a negative DC distribution point are used, the cross-section of the connection between the batteries and the DC distribution point must at least equal the sum of the required cross-sections of the connections between the distribution point and the EasyPlus units.
- Place the EasyPlus units close to each other, but allow at least 10cm for ventilation purposes under, above and beside the units.
- UTP cables must be connected directly from one unit to the other (and to the remote panel). Connection/splitter boxes are not permitted.
- A battery-temperature sensor need only be connected to one unit in the system. If the temperature of several batteries is to be measured, you can also connect the sensors of other EasyPlus units in the system (with a maximum of one sensor per EasyPlus). Temperature compensation during battery charging responds to the sensor indicating the highest temperature.
- Voltage sensing must be connected to the master (see Section 5.5.1.4).
- If more than three units are connected in parallel in one system, a dongle is required (see Section 5).
- Only one remote control means (panel or switch) can be connected to the system.
Three-phase operation (see appendix D)
The EasyPlus can also be used in 3-phase configuration. To this end, a connection between the devices is made by means of standard RJ45 UTP cables (the same as for parallel operation). The system (EasyPlus units plus an optional control panel) will require subsequently configuration (see Section 5).
Pre-requisites: see Section 4.4.5.
CONFIGURATION
Settings may only be changed by a qualified engineer
Carefully read the instructions before changes are made.
Batteries should be placed in a dry and well-ventilated area during charging.
Standard settings: ready for use
On delivery, the EasyPlus is set to standard factory values. In general, these settings are suitable for single-unit operation.
Warning: Possibly, the standard battery charging voltage is not suitable for your batteries! Refer to the manufacturer’s documentation, or to your battery supplier!
Standard EasyPlus factory settings
- Inverter frequency 50 Hz
- Input frequency range 45 – 65 Hz
- Input voltage range 180 – 265 VAC
- Inverter voltage 230 VAC
- Stand-alone / parallel / 3-phase stand-alone
- Search mode off
- Ground relay on
- Charger on/ off on
- Battery charge curve four-stage adaptive with BatterySafe mode
- Charge current 75 % of the maximum charge current
- Battery type Victron Gel Deep Discharge (also suitable for Victron AGM Deep Discharge)
- Automatic equalization charging off
- Absorption voltage 14.4 V
- Absorption time up to 8 hours (depending on bulk time)
- Float voltage 13.8 V
- Storage voltage 13.2 V (not adjustable)
- Repeated absorption time 1 hour
- Absorption repeat interval 7 days
- Bulk protection on
- AC input current limit 12 A (= adjustable current limit for PowerControl and PowerAssist functions)
- UPS feature on
- Dynamic current limiter off
- WeakAC off
- BoostFactor 2
- PowerAssist on
- Programmable relay alarm function
Explanation of settings
Settings that are not self-explanatory are described briefly below. For further information, please refer to the help files in the software configuration programs (see Section 5.3).
Inverter frequency
Output frequency if no AC is present at the input.
Adjustability: 50 Hz; 60 Hz
Input frequency range
Input frequency range accepted by the EasyPlus. The EasyPlus synchronizes within this range with the AC input frequency. The output frequency is then equal to the input frequency.
Adjustability: 45 – 65 Hz; 45 – 55 Hz; 55 – 65 Hz
Input voltage range
Voltage range accepted by the EasyPlus. The EasyPlus synchronizes within this range with the AC input voltage. The output voltage is then equal to the input voltage.
Adjustability:
- Lower limit: 180 – 230 V
- Upper limit: 230 – 270 V
Inverter voltage
Output voltage of the EasyPlus in battery operation.
- Adjustability: 210 – 245 V
Search Mode (Applicable in stand-alone configuration only)
If search mode is ‘on’, the power consumption in no-load operation is decreased by approx. 70 %. In this mode the EasyPlus, when operating in inverter mode, is switched off in case of no load or very low load, and switches on every two seconds for a short period. If the output current exceeds a set level, the inverter will continue to operate. If not, the inverter will shut down again.
The Search Mode can be set with a DIP switch.
The Search Mode ‘shut down’ and ‘remain on’ load levels can be set with VEConfigure.
The standard settings are:
Shut down: 40 Watt (linear load)
Turn on: 100 Watt (linear load)
AES (Automatic Economy Switch)
Instead of the search mode, the AES mode can also be chosen (with help of VEConfigure only).
If this setting is turned ‘on’, the power consumption in no-load operation and with low loads is decreased by approx. 20 %, by slightly ‘narrowing’ the sinusoidal voltage.
Not adjustable with DIP switches.
Applicable in stand-alone configuration only.
Ground relay (see appendix B)
With this relay (H), the neutral conductor of the AC output is grounded to the chassis when the back feed safety relay is open. This ensures the correct operation of earth leakage circuit breakers in the output.
If a non-grounded output is required during inverter operation, this function must be turned off. Not adjustable with DIP switches.
Battery charge curve
The standard setting is ‘Four-stage adaptive with Battery Safe mode’. See Section 2 for a description. This is the recommended charge curve. See the help files in the software configuration programs for other features.
Battery type
The standard setting is the most suitable for Victron Gel Deep Discharge, Gel Exide A200, and tubular plate stationary batteries (OPzS). This setting can also be used for many other batteries: e.g. Victron AGM Deep Discharge and other AGM batteries, and many types of flat-plate open batteries. Four charging voltages can be set with DIP switches.
Automatic equalization charging
This setting is intended for tubular plate traction batteries. During absorption the voltage limit increases to 2,83 V/cell (34 V for a 24 V battery) once the charge current has tapered down to less than 10 % of the set maximum current.
Not adjustable with DIP switches.
See ’tubular plate traction battery charge curve’ in VE Configure.
Absorption time
The absorption time depends on the bulk time (adaptive charge curve), so that the battery is optimally charged. If the ‘fixed’ charging characteristic is selected, the absorption time is fixed. For most batteries, a maximum absorption time of eight hours is suitable. If an extra high absorption voltage is selected for rapid charging (only possible for open, flooded batteries!), four hours is preferable. With DIP switches, a time of eight or four hours can be set. For the adaptive charge curve, this determines the maximum absorption time.
Storage voltage, Repeated Absorption Time, Absorption Repeat Interval
See Section 2. Not adjustable with DIP switches.
Bulk Protection
When this setting is ‘on’, the bulk charging time is limited to 10 hours. A longer charging time could indicate a system error (e.g. a battery cell short-circuit). Not adjustable with DIP switches.
AC input current limit
These are the current limit settings at which Power Control and Power Assist come into operation. The factory setting is 12 A.
See Section 2, the book ‘Energy Unlimited’, or the many descriptions of this unique feature on our website www.victronenergy.com.
Remark: lowest allowable current setting for Power Assist: 2,7 A. (2,7 A per unit in case of parallel operation)
UPS feature
If this setting is ‘on’ and AC on the input fails, the EasyPlus switches to inverter operation practically without interruption. The EasyPlus can therefore be used as an Uninterruptible Power Supply (UPS) for sensitive equipment such as computers or communication systems.
The output voltage of some small generator sets is too unstable and distorted for using this setting* – the EasyPlus would continually switch to inverter operation. For this reason, the setting can be turned off. The EasyPlus will then respond less quickly to AC input voltage deviations. The switchover time to inverter operation is consequently slightly longer, but most equipment (most computers, clocks or household equipment) is not adversely impacted.
Recommendation: Turn the UPS feature off if the EasyPlus fails to synchronize, or continually switches back to inverter operation.
*In general, the UPS setting can be left ‘on’ if the EasyPlus is connected to a generator with a ‘synchronous AVR regulated alternator’.
The UPS mode may have to be set to ‘off’ if the EasyPlus is connected to a generator with a ‘synchronous capacitor regulated alternator’ or an asynchronous alternator.
Dynamic current limiter
Intended for generators, the AC voltage being generated by means of a static inverter (so-called ‘inverter’ generators). In these generators, rpm is down-controlled if the load is low: this reduces noise, fuel consumption and pollution. A disadvantage is that the output voltage will drop severely or even completely fail in the event of a sudden load increase. More load can only be supplied after the engine is up to speed.
If this setting is ‘on’, the EasyPlus will start supplying extra power at a low generator output level and gradually allow the generator to supply more, until the set current limit is reached. This allows the generator engine to get up to speed.
This setting is also often used for ‘classic’ generators that respond slowly to sudden load variation.
WeakAC
Strong distortion of the input voltage can result in the charger hardly operating or not operating at all. If WeakAC is set, the charger will also accept a strongly distorted voltage, at the cost of greater distortion of the input current.
Recommendation: Turn WeakAC on if the charger is hardly charging or not charging at all (which is quite rare!). Also turn on the dynamic current limiter simultaneously and reduce the maximum charging current to prevent overloading the generator if necessary.
Not adjustable with DIP switches.
BoostFactor
Change this setting only after consulting with Victron Energy or with an engineer trained by Victron Energy!
Not adjustable with DIP switches.
Programmable relay
By default, the programmable relay is set as an alarm relay, i.e. the relay will de-energise in the event of an alarm or a pre-alarm (inverter almost too hot, ripple on the input almost too high, battery voltage almost too low).
Not adjustable with DIP switches.
Near the connection terminals an LED illuminates when the relay is activated.
VEConfigure software
With VEConfigure software the relay can also be programmed for other purposes, for example to provide a generator starting signal.
With VEConfigure, several other special application modes of operation can be programmed.
Example: A house or an office connected to the public mains, fitted with solar panels with energy storage in batteries.
The batteries are used to prevent return delivery to the mains. During the day, redundant solar energy is stored in batteries. This energy is used in the evenings and at night. An energy shortfall is compensated by the mains. The EasyPlus converts the battery DC voltage to AC. The power is always less than or equal to the power consumption, so that return delivery to the mains does not occur. In the event of mains failure, the EasyPlus isolates the premises from the mains, which become autonomous (self-sufficient). In this way, a solar energy installation or a combined micro-scale heating and power plant can be economically used in areas with an unreliable mains supply and/or financially unfavorable energy-return conditions.
Configuration by computer
All settings can be changed by means of a computer or with a VE.Net panel (except for the multi-functional relay and the VirtualSwitch when using VE.Net).
Some settings can be changed with DIP switches (see Section 5.2).
For changing settings with the computer, the following is required:
- VEConfigureII software: can be downloaded free of charge at www.victronenergy.com.
- A RJ45 UTP cable and the MK2.2b RS485-to-RS232 interface. If the computer has no RS232 connection, but does have USB, a RS232-to-USB interface cable is needed.
Both are available from Victron Energy.
VE.Bus Quick Configure Setup
VE.Bus Quick Configure Setup is a software program with which one EasyPlus unit or systems with a maximum of three EasyPlus units (parallel or three phase operation) can be configured in a simple manner. VEConfigureII forms part of this program.
The software can be downloaded free of charge at www.victronenergy.com.
For connection to the computer, a RJ45 UTP cable and the MK2.2b RS485-to-RS232 interface is required.
If the computer has no RS232 connection, but does have USB, a RS232-to-USB interface cable is needed. Both are available from Victron Energy.
VE.Bus System Configurator and dongle
For configuring advanced applications and/or systems with four or more EasyPlus units, VE.Bus System Configurator software must be used. The software can be downloaded free of charge at www.victronenergy.com.
VEConfigureII forms part of this program.
The system can be configured without a dongle, and will be fully functional during 15 minutes (as a demonstration facility). For permanent use, a dongle – available at additional charge – is required. For connection to the computer, a RJ45 UTP cable and the MK2.2b RS485-to-RS232 interface is required.
If the computer has no RS232 connection, but does have USB, a RS232-to-USB interface cable is needed. Both are available from Victron Energy.
Configuration with a VE.Net panel
To this end, a VE.Net panel and the VE.Net to VE.Bus converter are required.
With VE.Net you can set all parameters, with the exception of the multi-functional relay and the VirtualSwitch.
Configuration with DIP switches
Some settings can be changed with DIP switches. Procedure:
- Turn the EasyPlus on, preferably without load and without AC voltage on the inputs. The EasyPlus will then operate in inverter mode.
- Set the DIP switches as required.
- Store the settings by moving DIP switch 8 to ‘on’ and back to ‘off’.
DIP switch 1 and 2
Default setting: to operate the product with the ‘On/Off/Charger Only’ switch
- ds 1: ‘off’
- ds 2: ‘on’
The default setting is required when using the “On/Off/Charger Only” switch in the front panel. This setting should also be used in setups with a GX device or VE.Bus Smart dongle when no additional Digital Multi Control panel or VE.Bus BMS is connected. When a Digital Multi Control panel or a VE.Bus BMS is included please refer to the settings below.
Setting for remote operation with a Multi Control Panel or a VE.Bus BMS:
- ds 1: “on”
- ds 2: “off”
This setting is required when a Multi Control Panel and/or a VE.Bus BMS is connected. The Multi Control panel must be connected to one of the two RJ45 sockets B, see appendix A.
Setting for remote operation with a 3-way switch:
- ds 1: ‘off’
- ds 2: ‘off’
This setting is required when a 3-way switch is connected.
The 3-way switch must be wired to terminal L, see appendix A.
Only one remote control can be connected, i.e. either a switch or a remote control panel. In both cases the switch on the product itself should be ‘on’.
DIP switch 3 to 7
These DIP switches can be used to set:
- Battery charge voltage and Absorption time
- Inverter frequency
- Search mode
- AC input current limit 12 A or 6 A
ds3-ds4: Setting charge voltages
| ds3-ds4 | Absorption Voltage | Float Voltage | Storage Voltage | Absorption Time (hours) | Suitable for |
| dS3=off dS4=off (default) | 14.4 | 13.8 | 13.2 | 8 | Gel Victron Deep Discharge Gel Exide A200 AGM Victron Deep Discharge |
| dS3=on dS4=off | 14.1 | 13.8 | 13.2 | 8 | Gel Victron Long Life (OPzV) Gel Exide A600 (OPzV) Gel MK battery |
| AGM Victron Deep | |||||
| dS3=off dS4=on | 14.7 | 13.8 | 13.2 | 5 | Discharge Tubular plate or OPzS batteries in |
| semi-float mode | |||||
| AGM spiral cell | |||||
| dS3=on dS4=on | 15.0 | 13.8 | 13.2 | 6 | Tubular plate or OPzS batteries in cyclic mode |
Batteries with high antimony content can typically be charged with a lower absorption voltage than batteries with low antimony content. (Please refer to our book ‘Electricity on Board’ downloadable from our website www.victronenergy.com for details and suggestions about charging batteries). Contact your battery supplier for the correct charge voltages and change (with VE-configure) the voltage settings if required.
The default charge current setting is 75 % of the maximum charge current. This current will be too high for most applications.
For most battery types the optimal charge current is 0.1-0.2x the battery capacity.
- ds5: Inverter frequency : off = 50 Hz on = 60 Hz
- ds6: Search Mode: off = off : on = on
- ds7: AC input current limit off = 12 Amp on = 4 Amp
Store the settings by moving DIP switch 8 to ‘on’ and back to ‘off’.
Exemplary settings
Example 1 is the factory setting (since factory settings are entered by computer, all DIP switches of a new product are set to ‘off’, except for DS-2).

Store the settings (DS3-DS7) by changing switch ds-8 from off to on, and then back to off.
The LEDs ‘charger’ and ‘alarm’ will flash to indicate acceptance of the settings.
MAINTENANCE
The EasyPlus does not require specific maintenance. It will suffice to check all connections once a year. Avoid moisture and oil/soot/vapors, and keep the device clean.
TROUBLE SHOOTING TABLE
Proceed as follows for quick detection of common faults.
DC loads must be disconnected from the batteries and the AC loads must be disconnected from the inverter before the inverter and/or battery charger is tested.
Consult your Victron Energy dealer if the fault cannot be resolved.
| Problem | Cause | Solution |
| The inverter fails to operate when switched on. | The battery voltage is too high or too low. | Ensure that the battery voltage is within the correct value. |
| The inverter fails to operate | Processor in no function-mode. | Disconnect mains voltage. Switch Front switch off, wait 4 seconds Switch front switch on. |
| The alarm LED flashes. | Pre-alarm alt. 1. The DC input voltage is low. | Charge the battery or check the battery connections. |
| The alarm LED flashes | Pre-alarm alt. 2. The ambient temperature is too high. | Place the inverter in a cool and well-ventilated room, or reduce the load. |
| The alarm LED flashes. | Pre-alarm alt. 3. The load on the inverter is higher than the nominal load. | Reduce the load. |
| The alarm LED flashes. | Pre-alarm alt. 4. Voltage ripple on the DC input exceeds 1.25 Vrms. | Check the battery cables and terminals. Check the battery capacity; increase if necessary. |
| The alarm LED flashes intermittently. | Pre-alarm alt. 5. Low battery voltage and excessive load. | Charge the batteries, reduce the load or install batteries with a higher capacity. Use shorter and/or thicker battery cables. |
| The alarm LED is on | The inverter did cut out following a pre-alarm. | Check the table for the appropriate course of action. |
| Problem | Cause | Solution |
| The charger is not functioning | The AC input voltage or frequency is out of range. | Ensure that the input voltage is between 185 VAC and 265 VAC, and that the frequency matches the setting. |
| The thermal circuit breaker has tripped. | Reset the 16A thermal circuit breaker. | |
| The battery is not being charged fully. | Incorrect charging current. | Set the charging current at between 0.1 and 0.2x battery capacity. |
| A defective battery connection. | Check the battery terminals. | |
| The absorption voltage has been set to an incorrect value. | Adjust the absorption voltage to the correct value. | |
| The float voltage has been set to an incorrect value. | Adjust the float voltage to the correct value. | |
| The internal DC fuse is defective. | Inverter is damaged. | |
| The battery is overcharged. | The absorption voltage has been set to an incorrect value. | Adjust the absorption voltage to the correct value. |
| The float voltage has been set to an incorrect value. | Adjust the float voltage to the correct value. | |
| A defective battery. | Replace the battery. | |
| The battery is too small. | Reduce the charging current or use a battery with a higher capacity. | |
| The battery is too hot. | Connect a temperature sensor. | |
| Battery charge current drops to 0 when the absorption voltage is reached | Alt. 1: Battery overtemperature (> 50 °C) | – Allow battery to cool down – Place battery in a cool environment – Check for shorted cells |
| Alt 2: Battery temperature sensor faulty | Unplug battery temperature sensor from the EasyPlus. Reset the EasyPlus by switching it off, then wait for 4 seconds and switch it on again If the EasyPlus now charges normally, the battery temperature sensor is faulty and needs to be replaced |
TECHNICAL DATA
| EasyPlus 12 Volt | |
| PowerControl / PowerAssist | Yes |
| Transfer switch (A) | 16 |
| ‘Heavy duty’ output AC 0 | 16 |
| INVERTER | |
| Input voltage range (V DC) | 9,5 – 17V |
| Output AC1,output AC 2,output AC 3 | Output voltage: 230 VAC ± 2 % Frequency: 50Hz ± 0,1 % (1) |
| Cont. output power at 25 °C (VA) (3) | 1600 |
| Cont. output power at 25 °C (W) | 1300 |
| Cont. output power at 40 °C (W) | 1200 |
| Peak power (W) | 3000 |
| Maximum efficiency (%) | 92 |
| Zero load power (W) | 8 |
| Zero load power in search mode (W) | 2 |
| CHARGER | |
| AC Input | Input voltage range: 187-265 VAC Input frequency: 45 – 65 Hz Power factor: 1 |
| Charge voltage ‘absorption’ (V DC) | 14,4 |
| Charge voltage ‘float’ (V DC) | 13,8 |
| Storage mode (V DC) | 13,2 |
| Charge current house battery (A) (4) | 70 |
| Charge current starter battery (A) | 4 |
| Battery temperature sensor | yes |
| GENERAL | |
| Programmable relay (5) | yes |
| Protection (2) | a – g |
| Common Characteristics | Operating temp. range: -20 to +50 °C (fan assisted cooling) Humidity (non-condensing) : max 95 % |
| ENCLOSURE | |
| Common Characteristics | Material & Color: aluminum (blue RAL 5012) Protection category: IP 21 |
| Battery-connection | Battery cables of 1.5 meter |
| 230 V AC-connection | G-ST18i connector |
| Weight (kg) | 11,7 |
| Dimensions (hxwxd in mm) | 510x214x110 |
| STANDARDS | |
| Safety | EN 60335-1, EN 60335-2-29 |
| Emission / Immunity | EN 55014-1, EN 55014-2, EN 61000-3-3 |
| Automotive Directive | 2004/104/EC |
- Can be adjusted to 60 Hz and to 240 V
- Protection
- Output short circuit
- Overload
- Battery voltage too high
- Battery voltage too low
- Temperature too high
- 230 VAC on inverter output
- Input voltage ripple too high
- Non linear load, crest factor 3:1
- At 25 °C ambient
- Programmable relay which can be set for general alarm, DC under voltage or genset start signal function
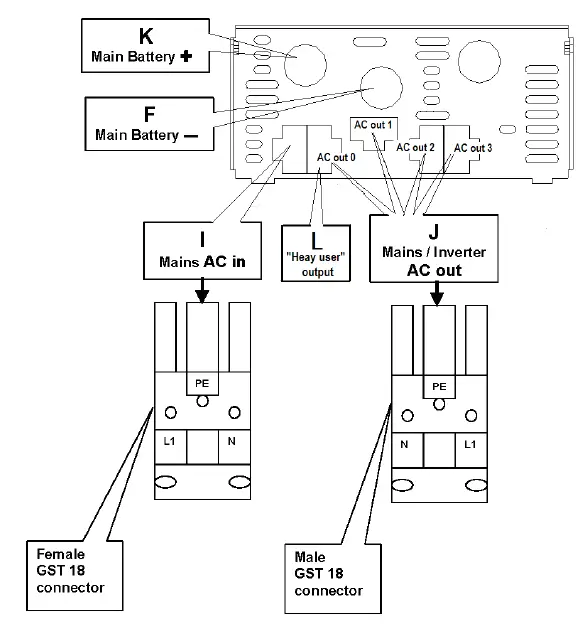
Appendix A: connections overview


Appendix B: installation information

Appendix C: charge curve

Bulk-mode: Entered when charger is started. Constant current is applied until the gassing voltage is reached (14.4 V resp. 28.8 V, temperature compensated).
Battery Safe Mode: If, in order to quickly charge a battery, a high charge current in combination with a high absorption voltage has been chosen, the EasyPlus / EasyPlus will prevent damage due to excessive gassing by automatically limiting the rate of voltage increase once the gassing voltage has been reached. The Battery Safe Mode is part of the calculated absorption time.
Absorption-mode: A constant voltage period to fully charge the battery. The absorption time is equal to 20x bulk time or the set maximum absorption time, whichever comes first.
Float-mode: Float voltage is applied to keep the battery fully charged and to protect it against self-discharge. Reduced Float: After one day of Float charge a reduced Float charge is applied. This is 13,2 V resp. 26,4 V (for 12 V and 24 V charger). This will limit water loss to a minimum when the battery is stored for the winter season. After an adjustable time (default = 7 days) the charger will enter Repeated Absorption-mode for an adjustable time (default = 1 hour).
Appendix D: temperature compensation
Default output voltages for Float and Absorption are at 25 °C.
Reduced Float voltage follows Float voltage and Raised Absorption voltage follows Absorption voltage.
In adjust mode temperature compensation does not apply.
Appendix E: dimensions 
Victron Energy Blue Power
Distributor:
Serial number:
Version : 09
Date : 09 June 2022
Victron Energy B.V.
De Paal 35 | 1351 JG Almere
PO Box 50016 | 1305 AA Almere | The Netherlands
E-mail : [email protected]
www.victronenergy.com




















