NCL30060GEVB Off-line Critical Conduction Mode PFC LED Driver Evaluation Board
User Manual
NCL30060GEVB Off-line Critical Conduction Mode PFC LED Driver Evaluation Board
| Description | Value | Unit |
| Input Voltage Range | 90 − 305 | V rms |
| Line Frequency Range | 45 – 66 | Hz |
| Output Current | 700 | mA |
| Output Voltage Range | 10 – 41 | V dc |
| Maximum Output Power | 25 | W |
| Power Factor (Typical) | 0.99 | − |
| THDi (Typical) | < 10 | % |
| Efficiency (Typical) | 87.5 | % |
Introduction
The NCL30060 is intended to control a high performance critical conduction mode (CrM) LED driver providing high power factor and low total harmonic distortion of input current utilizing constant on-time control. This evaluation board provides constant current (CC) to the load over a wide LED string voltage range.
The NCL30060 provides many features including high voltage start-up, direct drive for external power MOSFET, frequency dithering to reduce the EMI profile, maximum on-time protection, over voltage protection, and short circuit protection. These features work together to provide a robust LED driver solution packaged in a compact SO-7 case with one pin removed for improved creepage distance.
As configured, this evaluation board provides 700 mA constant current at up to 25 W and directly interfaces to a string of LEDs. This evaluation board supports 1−10 V and PWM dimming control signals referenced to low voltage secondary circuits. The default configuration supports standard 1−10 V dimming. The evaluation board will support PWM dimming by populating alternate component positions provided on the PCB.
An in-depth description of constant on-time control and performance of a single stage flyback LED driver can be found in the datasheet of a related controller, the NCL30000.
This manual also addresses modifications to change the output current and output voltage ranges. The NCL30060 specification contains additional information on operation of the controller. Design calculations are presented in an Excel® Worksheet available at onsemi.com to aide in customized design applications.
The compact evaluation board is constructed with through-hole components on the top and surface mount components on the bottom side. This driver was designed to meet safety agency requirements but has not been evaluated for compliance. When operating this board, observe safe standard working practices. High voltages are present xand caution should be exercised when handling or probing various points to avoid personal injury or damage to the unit.
Figures 1 and 2 illustrate the top and bottom sides of the evaluation board. AC input power connects to the block labeled J1. Terminals are marked “L” and “N” representing
Line and Neutral leads. The LED load connects to the terminal block labeled J2 with polarity as marked. The anode of the LED load should be connected to “+” and the cathode to “−” terminal. Never connect LEDs to the driver while it is running or before the output capacitors discharge after removing input power. With no load connected, the output capacitors charge to > 44 V. Energy stored in the output capacitance can damage or shorten th effective life of the LEDs if improperly discharged into the LEDs.
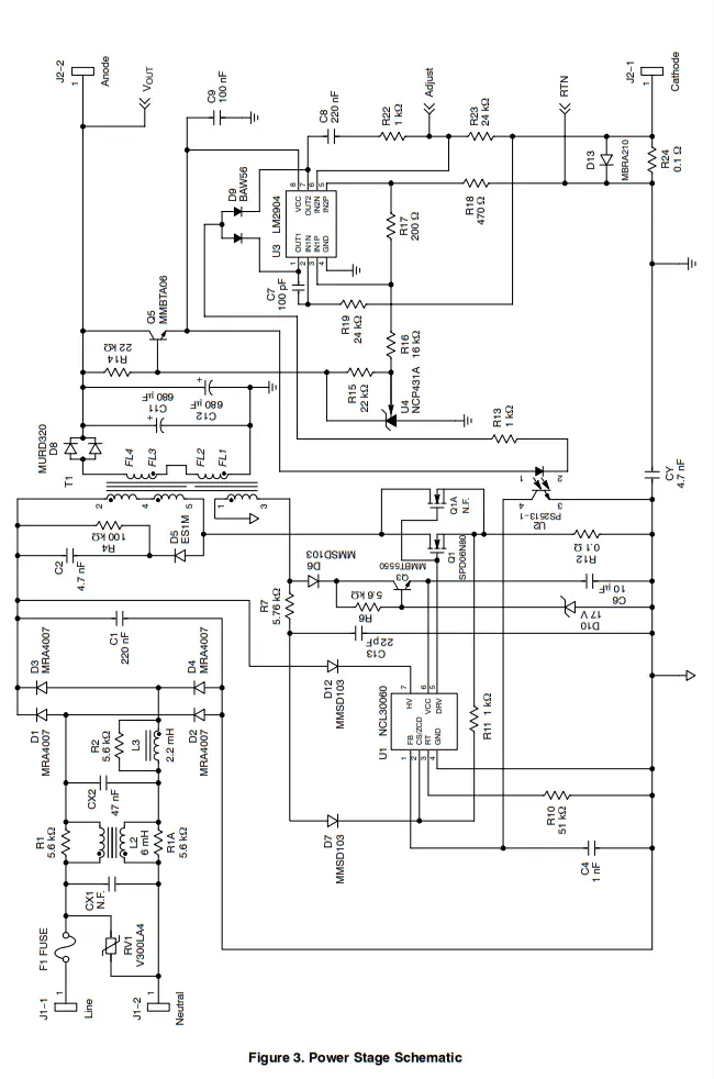
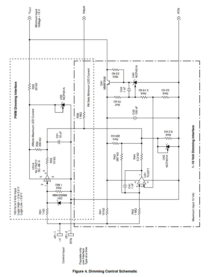
The schematic for the power section is shown in Figure 3, and dimming schematic is shown in Figure 4. Dimming control is accessible through the smaller connector labeled J31. Components have already been placed on the board to support standard 1−10 V dimming where a 10 V level provides full output current and 1 V or below reduces the LED current to a minimum level.
The response between 1 and 10 V is linear in terms of LED current.
This evaluation board will also support PWM dimming control by populating the board with the appropriate components as listed on the evaluation board Bill of Materials. The board was not intended to support both dimming methods simultaneously; therefore only components for one type of interface should be fitted at a time.
The dimming interfaces are optional and do not require any connections if dimming is not required. This evaluation board does not support phase-cut or TRIAC dimming functions.

General Behavior/Waveforms
The evaluation board is based on a single stage flyback converter. This topology provides isolation and high power factor utilizing a single power magnetic and switching device. Single stage converters require minimizing filter capacitance after the diode bridge and loop response less than 20 Hz to achieve high power factor and low THDi. Shown below are waveforms of Q1 switching MOSFET drain voltage and current as monitored across sense resistor R12. The evaluation board is operating with 25 W LED
load. Note the scale factors were left unchanged between photos to highlight the relationship between drain voltage, current, and operating frequency.
The photo below is the drain voltage showing the envelope of the rectified sine wave input. The rectified sine shape provides high power factor performance.
This converter operates in critical conduction mode (CrM) where the power switch turns on as soon as the transformer core is reset to provide maximum utilization of the transformer. This can be seen in Figure 9 which shows the bias winding voltage in the top trace and the switching MOSFET gate signal in the bottom trace.
The voltage on the transformer bias winding remains constant until the core is demagnetized, at which time the voltage begins to fall. When the voltage crosses the zero current detect (ZCD) threshold of 55 mV, the gate drive (DRV) is issued which turns on the MOSFET. The DRV signal remains high until the on-time expires and then DRV
falls to a low state turning off the MOSFET. When the MOSFET turns off, the bias winding voltage returns to the high state.
Typical Performance
Figure 10 shows efficiency line regulation performance for the evaluation board. Figure 11 is a plot of load regulation with 115 V ac input. Note the converter enters protection modes for very low and very high output voltage. Power Factor and input current total harmonic distortion (THDi) is shown in Figure 12 for the evaluation board driving 12 LED load. Curves for both 50 Hz and 60 Hz operation are shown.
Setting Output Current
The LED output current is directly sensed to provide good regulation over a wide operating range. Current is sensed via a resistor (R24) placed in series with the negative output lead and the voltage across this resistor is compared to a reference to generate a feedback signal. The feedback signal is passed to the primary to control the on-time of the NCL30060 providing closed loop operation.
The loop response of this single stage converter is low in order to provide high power factor and low THDi. At startup, the output current will overshoot until the control loop has time to respond. The amount of overshoot is controlled by a second feedback loop called the fast loop. This loop activates quickly at startup and limits the output current, but does not provide high power factor performance. After a delay, the main current loop takes over regulation at the target current while maintaining high power factor.
The current threshold for the fast loop must be set higher than the peak of the LED ripple current to ensure optimal power factor performance. Resistors R16, R17, and R18
establish the proper reference levels for the main and fast current loops. As built, the reference for the main loop is 70 mV, and the fast loop is 100 mV.
The LED output current, ILED, is given by the formula below:
The default value for R24 is 0.1 Ω, therefore the LED current will be 700 mA.
ILED can also be set by adjusting the reference dividing resistors R16, R17, and R18. Ensure that the reference level on the fast loop is higher than the peak of the LED ripple current to avoid degrading the power factor.
Adjusting Output Voltage Range
The NCL30060 evaluation board was designed to cover a wide range of customer applications. As delivered, it is configured for 700 mA over a voltage range of 10 to 41 V. Lower voltage/higher current configurations can also be supported with a simple modification.
The transformer secondary winding is comprised of two halves. The evaluation board default configuration is a series connection of the two secondary windings. For LED voltage applications of 9 to 20 V, the secondary windings should be changed to a parallel configuration. LED string voltages below 9 V will require an alternate transformer design which provides proper secondary bias voltage.
The transformer secondary uses four wires (Flying Leads) from the magnetic to the PCB. Table 1 below shows the two possible configurations for secondary windings.
Table 1. TRANSFORMER WIRE CONNECTIONS
| Transformer Wire Number | Default PCB Wire Location (Series) | PCB Location for Low Voltage (Parallel) |
| FL1 | H6 | H6 |
| FL2 | H3 | H2 |
| FL3 | H4 | H5 |
| FL4 | H1 | H1 |
Open Load Protection
The evaluation board is configured as a current source; therefore the output voltage will increase until the current set point of 700 mA is achieved. If no load is connected, the output voltage would rise excessively and must be limited to avoid damage to the output capacitors. The NCL30060 ZCD input monitors the output voltage via the bias winding voltage which is related to the output voltage by the turns ratio of the transformer. R7, D7, and R11 form the path from the bias winding to the ZCD input. When the ZCD input reaches 6 V, the controller shuts off the MOSFET preventing excessive output voltage. The recommended value of R11 is 1kΩ to provide proper response of the current sense function. R7 is selected to provide 6 V on the ZCD input when the LED output voltage reaches the open load protection threshold. C13 is a noise filter for ZCD operation. Shown in Figure 13 below is the bias winding in the top trace and the main secondary voltage in the lower trace. Note the right side showing a rising voltage when the MOSFET turns off.
The ringing on the bias winding (top trace) compared to the secondary winding (lower trace) reveals an error introduced by the transformer leakage inductance.
Monitoring the bias winding to detect output voltage directly would indicate a false open load condition. The NCL30060 measures the ZCD pin 2 us after the MOSFET turns off to allow the ringing to subside and avoid erroneous readings caused by leakage inductance.
When the NCL30060 detects an open load condition, the MOSFET is turned off and is held off for 1.25 ms, at which time another DRV pulse is issued. If the open load condition is still present, the MOSFET will be turned off again for 1.25 ms. Should four events occur in succession, the controller shuts down for 1 second to protect the system, and then attempts a restart. Qualifying four events avoids an interruption in operation due to disturbance such as surge or static discharge.
Figure 14 below is the bias winding voltage in the top trace and the DRV in the lower trace during an open load condition. Note the 1.25 ms periods of no switching and after the fourth consecutive event the controller shuts off for the extended 1 second period.
The CS/ZCD pin monitors primary current during the MOSFET on-time and bias winding voltage during off-time. D7 is a blocking diode which allows this dual sensing. Note that capacitance on the CS/ZCD pin will affect converter operation. Typically, this pin cannot be directly monitored as probe capacitance can alter circuit timing. Additionally, board capacitance and recovery characteristics of D7 can affect converter operation. Best performance is achieved by selecting a low capacitance diode with recovery time of less than 35 ns for D7 to avoid residual voltage on the CS/ZCD pin as the converter naturally progresses from on-time to off-time. PCB traces should be kept as short as possible to avoid parasitic capacitance.
Shorted Output Protection
During the on-time, energy is stored in the flyback transformer and during the off-time the energy is delivered to the secondary. When the converter is operating with low output voltage, the off-time is extended as it is the product of voltage and time which demagnetizes the transformer initiating the next switching cycle in CrM operation. Normal converter startup produces the same extended off-times as shorted output requiring differentiation between these two events for proper protection.
High power factor operation further compounds detection of shorted output due to the fact the energy transfer follows the rectified sine envelope of the applied power.
The extended off-time characteristic of a shorted output may only occur near the peaks of the sine envelope making a standard timer based solution not possible. A novel asymmetrical detection method accounts for the extended off-time occurring only at the peaks of the applied voltage.
Further details on shorted output detection can be found in the NCL30060 datasheet.
Shown below is the typical response of the evaluation board to a shorted output. This trace shows output current flowing for about 40 ms before the shorted output detection circuit shuts off the converter. After a 1 second delay, the converter attempts a restart. When the shorted output is removed, recovery is automatic.
Dimming Functions
The NCL30060 evaluation board accepts dimming control functions through screw terminal connector J31. The board is factory configured for 1−10 V control, but can be easily modified for PWM dimming control by installing alternate components on the PCB. The dimming interface is referenced to the secondary ground, but does not share the negative lead of the LED load. Do not make a connection between the negative of J31 and the negative of output connector J2. This will interfere with LED current sensing.
1−10 Volt Dimming
The typical 1−10 V dimming control for lighting provides full output when the dimming control is at 10 V and minimum output at 1 V or below. The interface on the NCL30060 evaluation board will accept a direct connection to a voltage source, such as a variable dc supply to achieve dimming over the 1 to 10 volt range. Multiple LED driver boards can be connected in parallel allowing control of many lighting fixtures from one variable dc supply. The dimming interface will also support dimming control using a potentiometer noting that the evaluation board interface is capable of sourcing 10 V. (Note, a logarithmic taper potentiometer is suggested for more proportional light
control with potentiometer setting.) Multiple fixtures can be connected together when using a potentiometer; however the adjustment region will be more compressed. This is due to multiple LED drivers where each dimming interface is contributing some current to the same potentiometer.
An alternate approach to a potentiometer is a commercial 1−10 V dimming control. An example of this control is a potentiometer which has a transistor follower as a current
buffer to minimize the effect of current sourced from multiple dimming interface circuits. The 1−10 volt dimming interface will work with all three control methods. The 1−10 volt dimming control injects a proportional signal into the current feedback loop essentially subtracting the control input proportionally from the feedback required from the LED current sense resistor. This provides a stable wide-range dimming control. 10 volts on the input provides zero output from the summing amplifier U41. R45 in
conjunction with R44 and R46 results in zero current through R36 which means no modification to the current feedback. Therefore, full LED is applied to the load.
A voltage higher than 10 V has no effect on the feedback loop. Maximum voltage at the dimming control input is 15 V.
As the dimming control voltage is reduced, U41 amplifies the signal and raises the voltage on R36, which proportionally reduces the feedback signal from the sense resistor. U42 clamps this summed signal to 2.5 V when the dimming input is lowered to 1 V. Further reduction in dimming input voltage will have no effect due to the clamping of U42. The value of R36 determines the minimum current flowing through the LED load. The formula to calculate R36 is given below:
For the example evaluation board with minimum LED current of 120 mA, R36 is approximately 1 MΩ.
PWM Dimming
Components to support a PWM dimming input can be placed on the NCL30060 evaluation board in the designated area. Components used for 1−10 V dimming must be removed when using the PWM dimming input.
The evaluation board converts the PWM signal to an analog level. Therefore the LED current responds to the average duty factor of the PWM signal being subtracted from the full
LED current. For example, a PWM signal which is at the high state for 10% will result in 90% of the full LED current. A PWM signal which is at the high state 70% of the time will result in an LED current of 30% of maximum.
U31 is a Schmitt trigger buffer which receives the PWM signal providing a fixed amplitude square wave with fast rise and fall times. R33 and C31 filter the PWM signal to an average level which is then impressed on R36. Since the PWM input is converted to an analog voltage to linearly dim the LED current, the PWM frequency is not critical. PWM frequencies from 100 Hz up to 20 kHz are acceptable. The control method functions the same as with the 1−10 V dimming.
R31 and D31 limit the PWM dimming signal to 5.1 V protecting the input of U31. 12 V is the maximum input. R2 ensures if no PWM signal is applied, the LED current will
be at the maximum level. R34 sets the maximum level when duty factor is 0%. If R34 is omitted, the maximum LED current will be slightly higher than the target value without the PWM dimming circuit.
“Clamp”
There is an area on the bottom side of the PCB labeled “Clamp”. These component locations are reserved fora future enhancement. The demo board is shipped without populating this area.
Table 2. BILL OF MATERIALS
| Designator | Qty. | Description | Value | Tolerance | Footprint | Manufacturer | Manufacturer Part Number | Substl-tutlonAllowed |
| CY | 1 | Capacitor, Y5U X1 Y1 | 4.7 nF, 250 VAC | 20% | Radial | Panasonic | CD16-E2GA472MYNS | Yes |
| CX1 | 0 | DNP | Box | |||||
| CX2 | 1 | Metallized Polyester Fire XI | 47 nE 300 VAC | 20% | Box | Panasonic | ECO-Lt3A473MG | Yes |
| C2 | 1 | Ceramic | 4700 pf, , 503 V | 10% | 1206 | TDK | Cal5H4X7R2H472K115AA | Yes |
| Cl | 1 | Metallized Polyester Fr X1 | 220 nF, 300 VAC | 20% | Box | Panasonic | ECO-U2A224M1 | Yes |
| CA | 1 | Ceramic COG | 1 nF, 50 V | 10% | 603 | TDK | C1608COG1H102K080AA | Yes |
| C7 | 1 | Ceramic COG | 100 pF, 50 V | 5% | 603 | TDK | C1608COG1H101J080AA | Yes |
| C6 | 1 | Ceramic | 10 ‘IF, 35 V | 15% | 1206 | TDK | C3216X7R1V106M | Yes |
| C8 | 1 | Ceramic X7R | 220 nE 50 V | 10% | 1206 | TDK | C3216X7R1H224K115AA | Yes |
| C9 | 1 | Ceramic X7R | 100 nF, 50 V | 10% | 603 | TDK | C1608X7R1H104K080AA | Yes |
| C11, Cl2 | 2 | Aluminum Electrolytic | 680 pF, 63 V | 20% | Radial | Nichicon | UPW1J681MHD6 | Yes |
| C13 | 1 | Ceramic NPO | 22 pF. 50 V | 5% | 603 | TDK | C11608COG11-4220J080AA | Yes |
| D1, D2, D3, D4 | 4 | Rectifier | 1000 V. 1 A | SMA | ON Semiconductor | MRA4007T3 | No | |
| D5 | 1 | Fast Rectifier | 1 A 1000 V | – | SMA | Micro Commercial | ES1M | Yes |
| DEL D7 | 2 | Diode | 250 V, 200 mA | SOD123 | ON Semiconductor | MMSD103T1G | No | |
| ce | 1 | RECTIFIER | 200 V, 3 A | DPAK | ON Semiconductor | MURD320T4G | No | |
| 139 | 1 | Diode | 70 V, 200 mA | SOT23 | ON Semiconductor | BAW56LTIG | No | |
| 10 | 1 | ZENER, Low Current | 17 V | 5% | SOD123 | ON Semiconductor | MMSZ4704T1G | No |
| 12 | 1 | Diode | 250 V, 200 mA | 500123 | ON Semiconductor | MMSD103T1G | No | |
| D13 | 1 | Schottky Rectifier | 10V, 2A | SMA | ON Semiconductor | MB RA210LT3G | No | |
| F1 | 1 | Slow Mow TE5 Series | 1 A | Axial | litelfuse | 36911000440 | Yes | |
| J1, J2 | 2 | 2 Position Terminal Block | – | Through Hole | Wiedmuler | 1716020000 | Yes | |
| L2 | 1 | Dual Cod | 6 mH, 1.6 52, 500 mA | 10% | Through Hole | Wurth Midcom | 750311895 | Yes |
| L3 | 1 | Drum Inductor | 2.2 mH | 10% | Through Hole | Wurth Midcom | 768772 2[2 | Yes |
| 1 | 1 | N-Channel MOSFET | 800V 6 A 0.9 id | DPAK | Infineon | SPD06N80C3 | Yes | |
| 01A | 1 | DNP | TO-220 | – | ||||
| 3 | 1 | NP N Transistor | 140 V, 600 mA | SOT23 | ON Semiconductor | MMBT5550LT I G | No | |
| 5 | 1 | NPN Driver Transistor | 80 V, 500 mA | 5OT23 | ON Semiconductor | MMBTAO6LT1G | No | |
| RV1 | 1 | Varistor | 300 V, 25 J | Radial | Littelfuse | V300LA4P | Yes | |
| RI, R1A, R2, 196 | 4 | Resistor | 5.6 W, 1/10 W | 5% | 603 | Panasonic | ERJ-3GEYJ562V | Yes |
| R4 | 1 | Resistor | 100 kid, 1/4 W | 5% | 1206 | Various | Various | Yes |
| R7 | 1 | Resistor | 5.76 kid, 1/4 W | 1% | 1206 | Various | Various | Yes |
| R10 | 1 | Resistor | 51 kid, 1/10 W | 1% | 603 | Various | Various | Yes |
| R11 | 1 | Resistor | 1 W. 1/10W | 1% | 603 | Various | Venous | Yes |
| R12 | 1 | Resistor | 0.1 it. 1/4 W | 1% | 1206 | Rohm Semi | MCR18EZHFLR100 | Yes |
| R13 | 1 | Resistor | 1 MI, 1/10 W | 1% | 603 | Various | Various | Yes |
| R14 | 1 | Resistor | 22 IQ, 1/4 W | 5% | 1206 | Various | Various | Yes |
| R15 | 1 | Resistor | 22 ML 1/10 W | 1% | 603 | Various | Various | Yes |
| R16 | 1 | Resistor | 16 W1/10 W | 1% | 603 | Various | Various | Yes |
| R17 | 1 | Resistor | 2000, 1/10 W | 1% | 603 | Various | Venous | Yes |
| R18 | 1 | Resistor | 470 id, 1/10 W | 1% | 603 | Various | Venous | Yes |
| R19, R23 | 2 | Resistor | 24 W. 1/10 W | 1% | 603 | Various | Venous | Yes |
| R22 | 1 | Resistor | 1 W. 1/10 W | 1% | 603 | Various | Various | Yes |
| R24 | 1 | Resistor | 0.1 id, 1/4 W | 1% | 1206 | Rohm Semi | MCR18EZHFLR100 | Yes |
| 1336 | 1 | Resistor | 1 MO, 1/10 W | 1% | 603 | Various | Various | Yes |
| T1 | 1 | Transformer, 25 W | XFMR | EFD25 | Wurth Midcom | 750314098 Rev01 | Yes |
Table 2. BILL OF MATERIALS (continued)
| Designator | OW. | Description | Value | Tolerance | Footprint | Manufacturer | Manufacturer Part Number | Substi-tutlon Allowed |
| U1 | 1 | Single Stage PFC LED Driver | NCL30060 | – | SOIC7 | ON Semiconductor | NCL30060 | No |
| U2 | 1 | Opto Coupler | 80 V, 50 mA | – | SMT4 | NEC Electronics | PS2513L-1-A | Yes |
| U3 | 1 | Dual Op Amp | LM2904 | – | SOIC8 | ON Semiconductor | LM2904DR2G | No |
| U4 | 1 | Programmable Reference | NCP431AVSN | 1% | SOT23 | ON Semiconductor | NCP431AVSNT1G | No |
1−10 V DIMMING INTERFACE
| C41, C43 | 2 | Ceramic COG | 1 nF, 50 V | 10% | 603 | TDK | C1608COG1 H102K080AA | Yes |
| C42 | 1 | Ceramic X7R | 100 nF, 50 V | 10% | 603 | TDK | C1608X7R1 H104K080AA | Yes |
| J31 | 1 | 2 Pin Connector | 2.54MM Pitch | Through Hole | On Shore Technology | OSTVNO2A150 | Yes | |
| 41 | 1 | NPN Driver Transistor | 80 V, 500 mA | SOT23 | ON Semiconductor | MMBTAO6LT1G | No | |
| R41 | 1 | Resistor | 10 kQ, 1/10 W | 1% | 603 | Various | Various | Yes |
| R42 | 1 | Resistor | 1 MQ, 1/10 W | 1% | 603 | Various | Various | Yes |
| R43 | 1 | Resistor | 287 k4, 1/10 W | 1% | 603 | Various | Various | Yes |
| R44 | 1 | Resistor | 2.2 k52, 1/10 W | 1% | 603 | Various | Various | Yes |
| R45 | 1 | Resistor | 220 kQ, 1/10 W | 1% | 603 | Various | Various | Yes |
| R46 | 1 | Resistor | 6.2 kQ, 1/10 W | 1% | 603 | Various | Various | Yes |
| R47 | 1 | Resistor | 75 kQ, 1/10 W | 1% | 603 | Various | Various | Yes |
| R48 | 1 | Resistor | 3.16 k4, 1/10 W | 1% | 603 | Various | Various | Yes |
| R49 | 1 | Resistor | 22 kQ, 1/10 W | 1% | 603 | Various | Various | Yes |
| R50 | 1 | Resistor | 22 kQ, 1/4 W | 5% | 1206 | Various | Various | Yes |
| U41 | 1 | op amp | TLV271 | – | TSOP-5 | ON Semiconductor | TLV271SN1T1G | No |
| U42, U43 | 2 | Programmable Reference | NCP431AVSN | 1% | SOT23 | ON Semiconductor | NCP431AVSNT1G | No |
OPTIONAL PWM DIMMING INTERFACE (DNP)
| C31 | 0 | Ceramic X7S, DNP | 10 pF, 6.3 V | 20% | 603 | TDK | C1608X7S0J106M080AC | Yes |
| D31 | 0 | ZENER, low current, DNP | 5.1 V | 5% | SOD123 | ON Semiconductor | MMSZ4689T1G | No |
| R31 | 0 | Resistor, DNP | 1 K2. 1/10 W | 1% | 603 | Various | Various | Yes |
| R32 | 0 | Resistor, DNP | 1 MQ, 1/10 W | 1% | 603 | Various | Various | Yes |
| R33 | 0 | Resistor, DNP | 10 kQ, 1/10 W | 1% | 603 | Various | Various | Yes |
| R34 | 0 | Resistor, DNP | 330 kQ, 1/10 W | 1% | 603 | Various | Various | Yes |
| R35 | 0 | Resistor, DNP | 22 K2, 1/4 W | 5% | 1206 | Various | Various | Yes |
| U31 | 0 | Schmitt Buffer, DNP | NL17SZ17 | – | SC-88A | ON Semiconductor | NL17SZ17DFT2G | No |
| U32 | 0 | Programmable Reference, DNP | NCP431AVSN | 1% | SOT23 | ON Semiconductor | NCP431AVSNT1G | No |
NOTE: All devices are Pb-Free
onsemi, , and other names, marks, and brands are registered and/or common law trademarks of Semiconductor Components Industries, LLC dba “onsemi” or its affiliates and/or subsidiaries in the United States and/or other countries. onsemi owns the rights to a number of patents, trademarks, copyrights, trade secrets, and other intellectual property. A listing of onsemi’s product/patent coverage may be accessed at www.onsemi.com/site/pdf/Patent−Marking.pdf. onsemi is an Equal Opportunity/Affirmative Action Employer. This literature is subject to all applicable copyright laws and is not for resale in any manner.
The evaluation board/kit (research and development board/kit) (hereinafter the “board”) is not a finished product and is not available for sale to consumers. The board is only intended for research, development, demonstration and evaluation purposes and will only be used in laboratory/development areas by persons with an engineering/technical training and familiar with the risks associated with handling electrical/mechanical components, systems and subsystems. This person assumes full responsibility/liability for proper and safe handling. Any other use, resale or redistribution for any other purpose is strictly prohibited.
THE BOARD IS PROVIDED BY ONSEMI TO YOU “AS IS” AND WITHOUT ANY REPRESENTATIONS OR WARRANTIES WHATSOEVER. WITHOUT LIMITING THE FOREGOING, ONSEMI (AND ITS LICENSORS/SUPPLIERS) HEREBY DISCLAIMS ANY AND ALL REPRESENTATIONS AND WARRANTIES IN RELATION TO THE BOARD, ANY MODIFICATIONS, OR THIS AGREEMENT, WHETHER EXPRESS, IMPLIED, STATUTORY OR OTHERWISE, INCLUDING WITHOUT LIMITATION ANY AND ALL REPRESENTATIONS AND WARRANTIES OF MERCHANTABILITY, FITNESS FOR A PARTICULAR PURPOSE, TITLE, NON−INFRINGEMENT, AND THOSE ARISING FROM A COURSE OF DEALING, TRADE USAGE, TRADE CUSTOM OR TRADE PRACTICE.
onsemi reserves the right to make changes without further notice to any board.
You are responsible for determining whether the board will be suitable for your intended use or application or will achieve your intended results. Prior to using or distributing any systems that have been evaluated, designed or tested using the board, you agree to test and validate your design to confirm the functionality for your application. Any technical, applications or design information or advice, quality characterization, reliability data or other services provided by onsemi shall not constitute any representation or warranty by onsemi, and no additional obligations or liabilities shall arise from onsemi having provided such information or services.
onsemi products including the boards are not designed, intended, or authorized for use in life support systems, or any FDA Class 3 medical devices or medical devices with a similar or equivalent classification in a foreign jurisdiction, or any devices intended for implantation in the human body. You agree to indemnify, defend and hold harmless onsemi, its directors, officers, employees, representatives, agents, subsidiaries, affiliates, distributors, and assigns, against any and all liabilities, losses, costs, damages, judgments, and expenses, arising out of any claim, demand, investigation, lawsuit, regulatory action or cause of action arising out of or associated with any unauthorized use, even if such claim alleges that onsemi was negligent regarding the design or manufacture of any products and/or the board.
This evaluation board/kit does not fall within the scope of the European Union directives regarding electromagnetic compatibility, restricted substances (RoHS), recycling (WEEE), FCC, CE or UL, and may not meet the technical requirements of these or other related directives.
FCC WARNING – This evaluation board/kit is intended for use for engineering development, demonstration, or evaluation purposes only and is not considered by onsemi to be a finished end product fit for general consumer use. It may generate, use, or radiate radio frequency energy and has not been tested for compliance with the limits of computing devices pursuant to part 15 of FCC rules, which are designed to provide reasonable protection against radio frequency interference. Operation of this equipment may cause interference with radio communications, in which case the user shall be responsible, at its expense, to take whatever measures may be required to correct this interference.
onsemi does not convey any license under its patent rights nor the rights of others.
LIMITATIONS OF LIABILITY: onsemi shall not be liable for any special, consequential, incidental, indirect or punitive damages, including, but not limited to the costs of requalification, delay, loss of profits or goodwill, arising out of or in connection with the board, even if onsemi is advised of the possibility of such damages. In no event shall onsemi’s aggregate liability from any obligation arising out of or in connection with the board, under any theory of liability, exceed the purchase price paid for the board, if any.
The board is provided to you subject to the license and other terms per onsemi’s standard terms and conditions of sale. For more information and documentation, please visit
www.onsemi.com.
PUBLICATION ORDERING INFORMATION
LITERATURE FULFILLMENT:
Email Requests to: [email protected]
onsemi Website: www.onsemi.com
TECHNICAL SUPPORT
North American Technical Support:
Voice Mail: 1 800−282−9855 Toll Free USA/Canada
Phone: 011 421 33 790 2910
Europe, Middle East and Africa Technical Support:
Phone: 00421 33 790 2910
For additional information, please contact your local Sales Representative
http://onsemi.com
Downloaded from Arrow.com.


















