SYMMONS 353TB-18 Dia 18 in. Wall-Mounted Towel Bar in Satin

Accessory Installation Instructions
- 353TB-18 Towel bar
- 353TB-24 Towel bar
- 353DTB-18 Towel bar
- 353DTB-24 Towel bar
- 353TS-22 Towel shelf
- 353TR Towel ring
- 353RH Robe hook
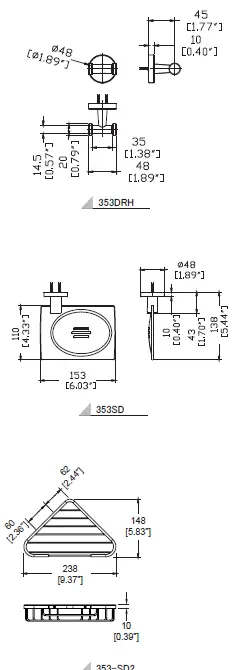
- 353DRH Double robe hook
- 353TH Toothbrush holder
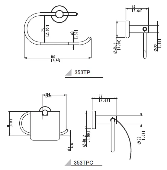
- 353TP Toilet Paper holder
- 353TPC Toilet Paper holder
- 353SD Soap dish
- 353-SD2 Soap basket

Feature Highlights
- Metal construction
- Standard finish is polished chrome
Finish Options
Append appropriate-suffix to model number.
- STN Satin nickel finish
Warranty
- Limited Lifetime – to the original end purchaser in residential/consumer installations
- 5 years – for commercial installations
WARNING: This product can expose you to chemicals including lead, which is known to the state of California to cause cancer, birth defects, or other reproductive harm. For more information, go to www.P65Warnings.ca.gov.
REPLACEMENT PARTS
| MODEL NO. | DESCRIPTION |
| RA-017 | Mounting Hardware Kit Less Bracket |
| RA-026 | Mounting Hardware Kit With Bracket |
RECOMMENDED TOOLS AND MATERIALS
All specifications subject to change without prior notice.
MEASUREMENT BEFORE INSTALLATION
| MODEL NO. | LENGTH X=inch |
| 353TB-18 | 18.03 |
| 353TB-24 | 23.62 |
| 353DTB-18 | 18.03 |
| 353DTB-24 | 23.62 |
| 353TS-22 | 22.05 |

- Measure and mark holes as listed in the above table. Drill screw mounting holes using a size 5/16″ drill bit
IMPORTANT: Ensure that the holes you have drilled for installation are level.
- Affix your mounting hardware to the wall using your mounting screws. For plaster walls 1/2” thick or less, insert toggle tool into toggle anchor to secure behind wall prior to installing accessory trim.

- After securing your mounting hardware to the wall, place the mounting end of your accessory onto the mounting hardware as is shown in the picture above. Affix your accessory to the mounting hardware using the Allen wrench that shipped with the product.
DIMENSIONS


IMPORTANT CLEANING INSTRUCTIONS
To ensure that your Symmons product will continue to look as beautiful as the day it was installed, please follow these simple cleaning instructions.
- To clean the finish on your Symmons product, rinse with clean water, wipe with a soft damp cloth
and blot dry with a soft cotton cloth or towel. - If heavy cleaning is required start by cleaning as described in Step 1. Use a mild liquid soap or liquid glass cleaner to remove any remaining surface buildup. Rinse product with clean water to remove any remaining cleaning solution and blot dry w i t h a soft cotton cloth or towel.
Do not use cleaning products containing abrasives, acids, alcohol, bleach or foaming compounds. If any unintentional splashing or overspray of these types of cleaning products comes in contact with your Symmons product, immediately rinse it with clean water and blot dr y w i t h a c le an soft cotton cloth or towel. Symmons Industries, Inc. ˜ 31 Brooks Drive ˜ Braintree, MA 02184 Phone: (800) 796-6667 ˜ Fax (800) 961-9621 ˜ symmons.com [email protected] ˜ Copyright © 2019 Symmons Industries, Inc ˜ ZV-1098 REV H 103119


All specifications subject to change without prior notice.


















