PBR400X4D AMPLIFIER
Installation Guide
Introduction
Dear Customer,
Congratulations on your purchase of the world’s finest brand of car audio products. At Rockford Fosgate, we are fanatics about musical reproduction at its best, and we are pleased you chose our product.
Through years of engineering expertise, hand craftsmanship, and critical testing procedures, we have created a wide range of products that reproduce music with all the clarity and richness you deserve.
For maximum performance, we recommend you have your new Rockford Fosgate product installed by an Authorized Rockford Fosgate Dealer, as we provide specialized training through Rockford Technical Training Institute (RTTI). Please read your warranty and retain your receipt and original carton for possible future use.
Great product and competent installations are only a piece of the puzzle when it comes to your system. Make sure that your installer is using 100% authentic installation accessories from Rockford Fosgate in your installation. Rockford Fosgate has everything from RCA cables and speaker wires to power wires and battery connectors. Insist on it! After all, your new system deserves nothing but the best.
To add the finishing touch to your new Rockford Fosgate image order your Rockford accessories, which include everything from T-shirts to jackets.
Visit our website for the latest information on all Rockford products; www.rockfordfosgate.com or, in the U.S. call 1-800-669-9899 or FAX 1-800-398-3985. For all other countries, call +001-480-967-3565 or FAX +001-480-966-3983.
If, after reading your manual, you still have questions regarding this product, we recommend that you see your Rockford Fosgate dealer. If you need further assistance, you can call us direct at 1-800-669-9899. Be sure to have your serial number, model number, and date of purchase available when you call.
PRACTICE SAFE SOUND
Continuous exposure to sound pressure levels over 100dB may cause permanent hearing loss. High-powered auto sound systems may produce sound pressure levels well over 130dB. Use common sense and practice safe sound.
Safety
WARNING
This symbol with “WARNING” is intended to alert the user to the presence of important instructions. Failure to heed the instructions will result in severe injury or death.
CAUTION
This symbol with “CAUTION” is intended to alert the user to the presence of important instructions. Failure to heed the instructions can result in injury or unit damage.
Specifications
| Model | PBR400X4D |
| Rated Power-Continuous Power Rating (RMS) Measured @ 14.4V | 50×4 @ 4 ohm 100×4 @ 2 ohm 200×2 @ 4 ohm* |
| Crossover Slope | 12 dB/Oct |
| Crossover Frequency | Selectable LP 80Hz/AP / HP 60Hz / HP 80Hz |
| Punch EQ | N/A |
| Operating Voltage | 9-16VDC |
| Frequency Response | 20Hz-20kHz |
| Battery Fuse Rating (not supplied) | 60A |
| THD+N @ Rated Power | <1.0% @ 4 ohm <1.0% @ 2 ohm |
| Input Sensitivity | 150mV-12V |
| Input Impedance | 20k |
| S/N Ratio CEA 2006 | >80dB |
| S/N Ratio @ Rated Power | >100dB |
| Channel Separation | >50dB |
| Common Mode Rejection Ratio | >55dB |
| Dimensions (LxWxH) | 6.8” x 4.3” x 1.5” (17.2cm x 10.8cm x 3.9cm) |
* Rated power when the amplifier is wired in a bridged configuration.
CEA 2006
Power ratings on Rockford Fosgate amplifiers conform to CEA-2006 industry standards.
These guidelines mean your amplifier’s output power ratings are REAL POWER numbers, not inflated marketing ratings.
Design Features



Installation
Contents
| • PUNCH® Amplifier | • 16 AWG 4-pin Molex Speaker Connector(s) Power Connector |
| • RCA to 4-pin Molex Input Connector(s) | • Installation & Operation Manual |
| • PWR/GND/REM Connector | • Operation CD- (Test Tones & Installation Manual) |
Installation Considerations
The following is a list of tools needed for installation:
| • Fuse-holder and fuse. (See specifications for fuse rating) | • Battery post wrench |
| • Volt/Ohm Meter | • Hand-held drill w/assorted bits |
| • Wire strippers | • Assorted connectors |
| • Wire crimpers | • Adequate Length—Red Power Wire |
| • Wire cutters | • Adequate Length—Remote Turn-on Wire |
| • #2 Phillips screwdriver | • Adequate Length—Black Grounding Wire |
This section focuses on some of the vehicle considerations for installing your new amplifier. Pre-planning your system layout and best wiring routes will save installation time. When deciding on the layout of your new system, be sure that each component will be easily accessible for making adjustments.
CAUTION
If you feel unsure about installing this system yourself, have it installed by a qualified technician.
CAUTION
Before installation, disconnect the battery negative (-) terminal to prevent damage to the unit, fire and/or possible injury.
Before beginning any installation, follow these simple rules:
- Be sure to carefully read and understand the instructions before attempting to install the unit.
- For safety, disconnect the negative lead from the battery prior to beginning the installation.
- For easier assembly, we suggest you run all wires prior to mounting your unit in place.
- Route all of the RCA cables close together and away from any high current wires. 0
- Use high-quality connectors for a reliable installation and to minimize signal or power loss.
- Think before you drill! Be careful not to cut or drill into gas tanks, fuel lines, brake or hydraulic lines, vacuum lines, or electrical wiring when working on any vehicle.
- Never run wires underneath the vehicle. Running the wires inside the vehicle provides the best protection.
- Avoid running wires over or through sharp edges. Use rubber or plastic grommets to protect any wires routed through metal, especially the firewall.
- ALWAYS protect the battery and electrical system from damage with proper fusing. Install the appropriate fuse holder and fuse on the +12V power wire within 18” (45.7 cm) of the battery terminal.
- When grounding to the chassis of the vehicle, scrape all paint from the metal to ensure a good, clean ground connection. Grounding connections should be as short as possible and always be connected to metal that is welded to the main body, or chassis, of the vehicle. Seatbelt bolts should never be used for connecting to the ground.
Mounting Locations
To ensure optimal performance, mount the amplifier with at least 1” (2.54cm) of air gap around the amplifier’s heat sink to provide proper cooling.
Trunk Mounting
Mounting the amplifier vertically or inverted will provide adequate cooling of the amplifier. Mounting the amplifier on the floor of the trunk will provide the best cooling of the amplifier.
Passenger Compartment Mounting
Mounting the amplifier in the passenger compartment will work as long as you provide a sufficient amount of air for the amplifier to cool itself. If you are going to mount the amplifier under the seat of the vehicle, you must have at least 1” (2.54cm) of air gap around the amplifier’s heat sink.
CAUTION
Never mount this unit in the engine compartment. Mounting the unit in the engine compartment will void your warranty.
ATVs, Golf Carts, or Motorcycles
When using amplifiers on ATVs, Golf Carts, or Motorcycles, Rockford Fosgate recommends running both GND (negative) and B+ (positive) cables from the amplifier directly to the battery.
We have determined that bushings between frame parts cause excessively high resistance and are not considered a good electrical ground.
WARNING
This is especially true with motorcycles.
DO NOT ground the amplifier to the radio chassis, headlamp or forks because the difference in ground potential may cause unstable operation.
CAUTION
Be sure all ground connections are properly terminated for optimum electrical continuity.
Battery and Charging
Amplifiers will put an increased load on the vehicle’s battery and charging system. We recommend checking your alternator and battery condition to ensure that the electrical system has enough capacity to handle the increased load of your stereo system.
Stock electrical systems which are in good condition should be able to handle the extra load of any Prime Series amplifier without problems, although battery and alternator life can be reduced slightly. To maximize the performance of your amplifier, we suggest the use of a heavy-duty battery and an energy storage capacitor.
Wiring the System
CAUTION
If you do not feel comfortable with wiring your new unit, please see your local Authorized Rockford Fosgate Dealer for installation.
CAUTION
Before installation, disconnect the battery negative (-) terminal to prevent damage to the unit, fire and/or possible injury.
CAUTION
Avoid running power wires near the low-level input cables, antenna, power leads, sensitive equipment or harnesses. The power wires carry substantial current and could induce
noise into the audio system.
- Plan the wire routing. Keep RCA cables close together but isolated from the amplifier’s power cables and any high-power auto accessories, especially electric motors. This is done to prevent coupling the noise from radiated electrical fields into the audio signal. When feeding the wires through the firewall or any metal barrier, protect them with plastic or rubber grommets to prevent short circuits. Leave the wires long at this point to adjust for a precise fit at a later time.
- Prepare the RED wire (power cable) for attachment to the amplifier by stripping 1/2” of insulation from the end of the wire. Insert the bared wire into the B+ terminal and tighten the set screw to secure the cable in place.
NOTE: The B+ cable MUST be fused 18” or less from the vehicle’s battery. Install the fuse holder under the hood and ensure connections are watertight. - Trim the RED wire (power cable) within 18” of the battery and splice in an inline fuse holder (not supplied). See Specifications for the rating of the fuse to be used. DO NOT install the fuse at this time.
- Strip 1/2” from the battery end of the power cable and crimp an appropriate size ring terminal to the cable. Use the ring terminal to connect to the battery positive terminal.
- Prepare the BLACK wire (Ground cable) for attachment to the amplifier by stripping 1/2” of insulation from the end of the wire. Insert the bare wire into the GROUND terminal and tighten the set screw to secure the cable in place. Prepare the chassis ground by scraping any paint from the metal surface and thoroughly clean the area of all dirt and grease. Strip the other end of the wire and attach a ring connector. Fasten the cable to the chassis using a non-anodized screw
and a star washer.
NOTE: Keep the length of the BLACK wire (Ground) as short as possible. Always less than 30”. - Prepare the Remote turn-on wire for attachment to the amplifier by stripping 1/2” of insulation from the end of the wire. Insert the bared wire into the REMOTE terminal and tighten the set screw to secure the wire in place. Connect the other end of the Remote wire to a switched 12-volt positive source. The switched voltage is usually taken from the source unit’s remote amp on lead. If the source unit does not have this output available, the recommended solution is to wire a mechanical switch in line with a 12-volt source to activate the amplifier.
NOTE: When utilizing high-level for input signal the auto turn-on feature is active. With the auto turn-on active, the REM becomes an output to turn on/off up to two additional amplifiers or other accessories. - Securely mount the amplifier to the vehicle or amp rack. Be careful not to mount the amplifier on cardboard or plastic panels. Doing so may enable the screws to pull out from the panel due to road vibration or sudden vehicle stops.
- Connect from the source signal by plugging into the RCA input jacks at the amplifier. The input sensitivity ranges from 150mV-12V to accommodate signals from either high-level (speaker) to low-level (RCA).
NOTE: All “ACTIVE” inputs must have quick connectors connected. Switch in 2CH. position,“ACTIVE” – Front channel inputs only. Switch in 4CH. position,“ACTIVE” – All Front and Rear channel inputs. Be sure to route front and rear RCA cables tightly together.
CAUTION
Always ensure power is off or disconnected at the amplifier before connecting input cables. Failure to do so may cause damage to the amplifier and/or connected components. - Connect the speakers. Strip the speaker wires 1/2” and insert them into the speaker terminal and tighten the set screw to secure them into place. Be sure to maintain proper speaker polarity. DO NOT chassis ground any of the speaker leads as the unstable operation may result.
- Perform a final check of the completed system wiring to ensure that all connections are accurate. Check all power and ground connections for frayed wires and loose connections which could cause problems. Install inline fuse near battery connection.
NOTE: Follow the diagrams for proper signal polarity.
CAUTION
This amplifier is not recommended for impedance loads below 2-Ohm stereo/4-Ohm bridged.
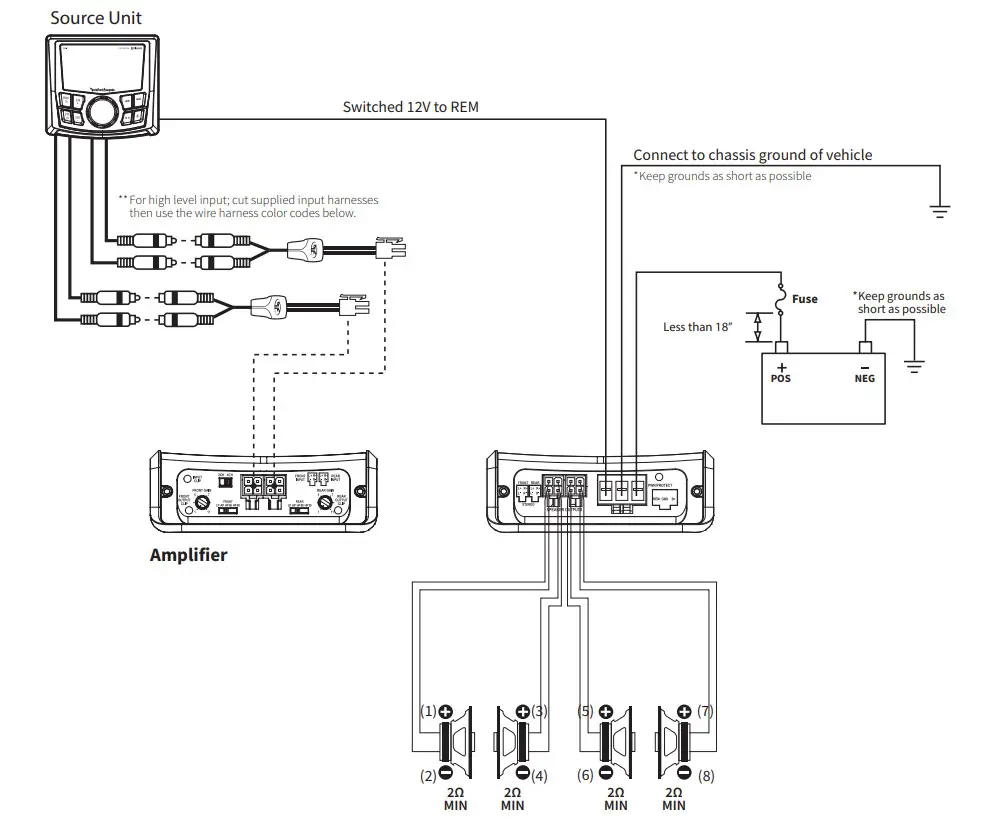
4-Channel (Stereo)

WIRE HARNESS COLOR CODE
| FRONT | REAR |
| (1) LEFT (+) WHITE | (5) LEFT (+) GREEN |
| (2) LEFT (–) WHITE/BLACK | (6) LEFT (–) GREEN/BLACK |
| (3) RIGHT (+) GRAY | (7) RIGHT (+) PURPLE |
| (4) RIGHT (–) GRAY/BLACK | (8) RIGHT (–) PURPLE/BLACK |
WARNING
ATVs, Golf Carts or Motorcycle
When using amplifiers on ATVs, Golf Carts or Motorcycles, Rockford Fosgate recommends running both GND (negative) and B+ (positive) cables from the amplifier directly to the battery.
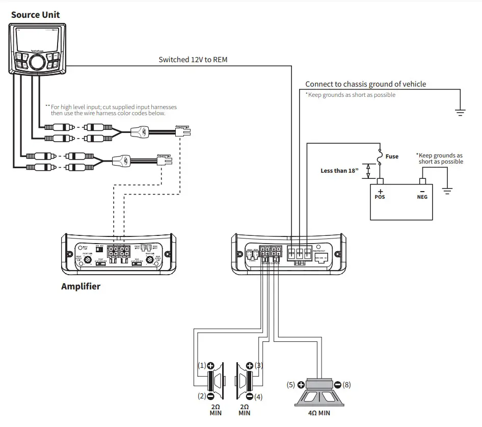
3-Channel (2ch Stereo & 1ch Mono-Bridged)

| FRONT | REAR |
| (1) LEFT (+) WHITE | (5) LEFT (+) GREEN |
| (2) LEFT (–) WHITE/BLACK | (6) LEFT (–) GREEN/BLACK |
| (3) RIGHT (+) GRAY | (7) RIGHT (+) PURPLE |
| (4) RIGHT (–) GRAY/BLACK | (8) RIGHT (–) PURPLE/BLACK |
WARNING
ATVs, Golf Carts or Motorcycle
When using amplifiers on ATVs, Golf Carts, or Motorcycles, Rockford Fosgate recommends running both GND (negative) and B+ (positive) cables from the amplifier directly to the battery.
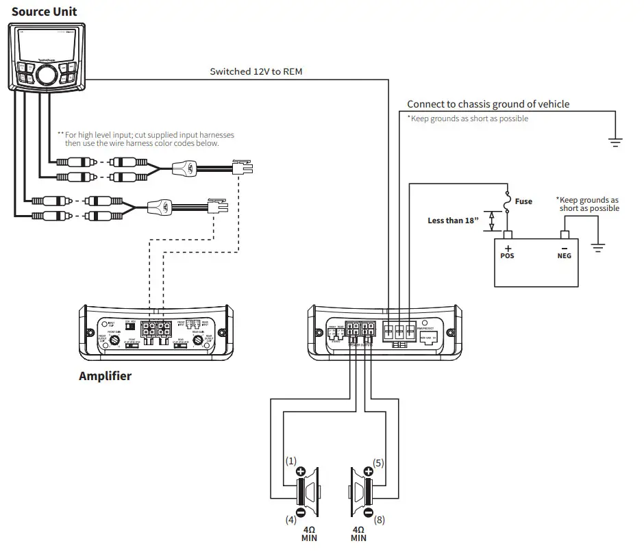
2-Channel (2ch Mono-Bridged)

| FRONT | REAR |
| (1) LEFT (+) WHITE | (5) LEFT (+) GREEN |
| (2) LEFT (–) WHITE/BLACK | (6) LEFT (–) GREEN/BLACK |
| (3) RIGHT (+) GRAY | (7) RIGHT (+) PURPLE |
| (4) RIGHT (–) GRAY/BLACK | (8) RIGHT (–) PURPLE/BLACK |
WARNING
ATVs, Golf Carts or Motorcycle
When using amplifiers on ATVs, Golf Carts or Motorcycles, Rockford Fosgate recommends running both GND (negative) and B+ (positive) cables from the amplifier directly to the battery.
Operation
Input Clip Indicator Setup
Step 1. Be sure to disconnect all speakers from the amplifier.![]()
Failure to comply may cause damage to connected components and/or amplifiers.
Step 2. Turn on the source unit with the volume set to zero.
Step 3. Adjust the Bass & Treble levels on the source unit to flat.
Step 4. Insert test tone or music CD to play for setup.
Note: Use the 40Hz @ 0dB tone (Track 5) for mono amplifier applications or the 1kHz @ 0dB tone (Track 7) for multi-channel amplifier applications. Be sure your x-over is switched to the appropriate filter setting (LP/HP).
Step 5. Increase the source unit volume until the Input Clip Indicator illuminates red. 
Step 6. Decrease the source unit volume slightly until the light turns completely off. This establishes your maximum source unit volume for adjusting the Output Clip Indicator.

Output Clip Indicator Setup
Step 7. Adjust the Gain knob until the Output Clip Indicator illuminates to the appropriate color. Repeat for all channel levels of input.
Step 8. Turn the source unit volume down.

Step 9. Reconnect all speakers. Be sure to maintain proper speaker polarity.
![]()
Adjusting Crossover Frequency
Do the following individually for each channel.
Placing the crossover switch in one of the HP positions sets the amplifier to the High Pass mode, enabling frequencies above the 60Hz or 80Hz cut-off point to pass.
Placing the crossover switch in the AP position sets the amplifier to the All Pass mode, preventing any crossover adjustment, and allowing all frequencies to pass.
Placing the crossover switch in the LP position sets the amplifier to the Low Pass mode, enabling frequencies below the 80HZ cut-off point to pass.
2/4 Channel Switch
Setting this switch to the 2CH. position, switches the inputs to a 2-channel mode, allowing connection to only the front inputs with 4-channel output.
Output controls function the same as if the amplifier was in 4-channel mode.
All “ACTIVE” inputs must have RCA jacks connected.
Switch in 2CH. position,“ACTIVE” – Front channel inputs only.
Switch in 4CH. position,“ACTIVE” – All Front and Rear channel inputs.
NOTE: When connecting to the 4-Channel inputs, be sure to route both front and rear RCA cables tightly together.
High-Level Input
Connect from the source signal by plugging into the RCA input jacks at the amplifier. The input sensitivity ranges from 150mV-12V to accommodate signals from high-level (speaker) input. When utilizing high-level for input signal the auto turn-on feature is active. With the auto turn-on active, the REM becomes an output to turn on/off up to two additional amplifiers or other accessories.
Troubleshooting
NOTE: If you are having problems after installation follows the Troubleshooting procedures below.
Check Amplifier for proper connections. Verify that the POWER light is on. If the POWER light is on skip to Step 3, if not continue.
- Check the in-line fuse on battery positive cable. Replace if necessary.
- Check fuse(s) on the amplifier. Replace if necessary.
- Verify that the Ground connection is connected to clean metal on the vehicle’s chassis. Repair/replace if necessary.
- Verify there are 9 to 14.4 Volts present at the positive battery and remote turn-on cable. Verify quality connections for both cables at the amplifier, stereo, and battery/fuse holder.
Repair/replace if necessary.
Protect light is on.
- If the Protect light is on, this is a sign of a possible short in the speaker connections. Check for proper speaker connections and use a volt/ohm meter to check for possible shorts in the speaker wiring. Too low of a speaker impedance may also cause Protect to light.
Check Amplifier for audio output.
- Verify good RCA input connections at stereo and amplifier.
Check the entire length of cables for kinks, splices, etc. Test RCA inputs for AC volts with stereo on. Repair/replace if necessary. - Disconnect RCA input from the amplifier. Connect RCA input from test stereo directly to amplifier input.
Check Amplifier if you experience Turn-on Pop.
- Disconnect the input signal to the amplifier and turn the amplifier on and off.
- If the noise is eliminated, connect the REMOTE lead of the amplifier to the source unit with a delay turn-on module.
OR - Use a different 12 Volt source for the REMOTE lead amplifier.
Check Amplifier if you experience excess Engine Noise.
- Route all signal carrying wires (RCA, Speaker cables) away from power and ground wires.
OR - Bypass any and all electrical components between the stereo and the amplifier(s). Connect stereo directly to the input of the amplifier. If the noise goes away the unit being bypassed is the cause of the noise.
OR - Remove existing ground wires for all electrical components.
Reground wires to different locations. Verify that the grounding location is clean, shiny metal free of paint, rust, etc.
OR - Add secondary ground cable from the negative battery terminal to the chassis metal or engine block of the vehicle.
OR - Have the alternator and battery load tested by your mechanic?
Verify good working order of vehicle electrical system including distributor, spark plugs, spark plug wires, voltage regulator, etc.
Warranty
Rockford Corporation offers a limited warranty on Rockford Fosgate products on the following terms:
Length of Warranty
POWER Amplifiers – 2 Years
BMW® Direct Fit Speakers – 2 Years
PUNCH® & PRIME® Amplifiers – 1 Year
Speakers, Signal Processors, Accessories and Capacitors – 1 Year
All marine, motorcycle, and motorsport products – 2 Years
Any Factory Refurbished Product – 90 Days (receipt required)
What is Covered
This warranty applies only to Rockford Fosgate products sold to consumers by authorized Rockford Fosgate dealers in the United States of America. Products purchased by consumers from an Authorized Rockford Fosgate Dealer in another country are covered only by that country’s Distributor and not by Rockford Corporation.
Who is Covered
This warranty covers only the original purchaser of Rockford products purchased from an authorized Rockford Fosgate dealer in the United States. In order to receive service, the purchaser must provide Rockford with a copy of the receipt stating the customer name, dealer name, product purchased and date of purchase.
Products found to be defective during the warranty period will be repaired or replaced (with a product deemed to be equivalent) at Rockford’s discretion.
What is Not Covered
- Damage caused by accident, abuse, improper installation, operations, theft, or water (on non-Element Ready products).
- Any cost or expense related to the removal or reinstallation of the product.
- Service performed by anyone other than Rockford or an Authorized Rockford Fosgate service center.
- Any product which has had the serial number defaced, altered, or removed.
- Subsequent damage to other components.
- Any product purchased outside the U.S.
- Any product not purchased from an authorized Rockford Fosgate dealer. Refer to rockfordfosgate.com dealer locator for more detail.
Limit on Implied Warranties
Any implied warranties including warranties of fitness for use and merchantability are limited in duration to the period of the express warranty set forth above. Some states do not allow limitations on the length of an implied warranty, so this limitation may not apply. No person is authorized to assume for Rockford Fosgate any other liability in connection with the sale of the product.
How to Obtain Service
Please call 1-800-669-9899 for Rockford Customer Service. You must obtain an RA# (Return Authorization number) to return any product to Rockford Fosgate. You are responsible for the shipment of the product to Rockford.
EU Warranty
This product meets the current EU warranty requirements, see your Authorized dealer for details.
Installation assistance is available at:
RFTECH
www.rockfordfosgate.com/rftech
600 South Rockford Drive • Tempe, Arizona 85281 United States
Direct: (480) 967-3565 • Toll Free: (800) 669-9899
ROCKFORDFOSGATE.COM
Amplifier Quick Setup

Amplifier Clip Indicator Setup



















