OMCAN PP-IT-0010 22 lb. Potato Peeler

General Information
Omcan Manufacturing and Distributing Company Inc., Food Machinery of America, Inc. dba Omcan and Omcan Inc. are not responsible for any harm or injury caused due to any person’s improper or negligent use of this equipment. The product shall only be operated by someone over the age of 18, of sound mind, and not under the influence of any drugs or alcohol, who has been trained in the correct operation of this machine, and is wearing authorized, proper safety clothing. Any modification to the machine voids any warranty, and may cause harm to individuals using the machine or in the vicinity of the machine while in operation.
CHECK PACKAGE UPON ARRIVAL
Upon receipt of an Omcan shipment please inspect for external damage. If no damage is evident on the external packaging, open carton to ensure all ordered items are within the box, and there is no concealed damage to the machine. If the package has suffered rough handling, bumps or damage (visible or concealed), please note it on the bill of lading before accepting the delivery and contact Omcan within 24 hours, so we may initiate a claim with the carrier. A detailed report on the extent of the damage caused to the machine must be filled out within three days, from the delivery date shown in the shipping documents. Omcan has no recourse for damaged products that were shipped collect or third party.
Before operating any equipment, always read and familiarize yourself with all operation and safety instructions.
Omcan would like to thank you for purchasing this machine. It’s of the utmost importance to save these instructions for future reference. Also save the original box and packaging for shipping the equipment if servicing or returning of the machine is required.
Safety and Warranty
The following clearly specifies the definitions meaning, which will be used in the present document.
DANGER
It shows the danger presence for who works on the machine and for who is the vicinity, so the indicated activity must be performed in accordance with the actual accident prevention standards and with the indications showed in the present manual.
PRECAUTION
It shows a warning on useful information and/or further recommendations and/or shrewdness about the actual operation.
ATTENTION
It shows an operation to perform with attention to avoid damage to the machine.
The peeler is designed to peel potatoes using the peeler abrasive dish.
The machine is constituted from an electric motor inserted inside the STAINLESS steel hull, where the motor shaft is connected through appropriate transmission belt to the rotation pivot where the cleaning dish is inserted manually
In its basic configuration the machine is constituted from:
- STAINLESS steel hull where the feed products to treat are inserted.
The STAINLESS basin internal surface where the product to treat is introduced, is covered with a removable abrasive length of material and washable manually. - Abrasive dish to insert manually in the rotation pivot, used to peel the potatoes.
- Transparent superior lid that allows observing the working progress, this lid is equipped of handle and safety sensor that surveys the closure position.
- Lateral unloading door that allows the product unloading at the working end. The door is equipped with safety sensor that surveys the closure position.
- Drawer in STAINLESS steel sheet metal inserted manually under the bottom of the hull, on which the water and the product dresses are unloaded. Inside the drilled drawer 1 filter in STAINLESS steel sheet metal is placed for the dresses harvest. In the drawer inferior zone a collector for the water falling is present on well with battery.
- Plastic cover fastened laterally to the carcass and sealed with appropriate gasket, containing the electric material and in its superior zone the control panel is present for the machine functioning.
All direct contact materials with the feed product are in accordance with the actual hygienic standards for foods. The machine is provided with the rating plate on which the appropriate data is shown.
NORMAL USE, IMPROPER USE, NOT CORRECT USE OR FORBIDDEN
The machine described in the present instructions manual for the use is foreseen to be driven from an only operator skilled and prepared on residual risks, but with the competence, in safety matter, of maintenance employees. The operator should have at least the minimum age foreseen from the social laws about the work and having had the necessary technical training at least from a more expert operator that had him preliminarily trained for the correct use of the machine.
PRECAUTION
In its NORMAL USE, and reasonably foreseeable, the machine can be used only to peel potatoes with the cover and doors closed and blocked.
ATTENTION
The machine must not be used IN IMPROPER WAY; in particular:
- It must not be used for domestic uses.
- It must not functioned with parameters different from those showed in the technical characteristics table.
- For every use of the machine with modalities different from those showed in the present manual, the manufacturer declines every responsibility.
- The user is responsible of the damages resulting from the lacked exercise conditions observance in accordance with the agreed technical specifications and order confirmation.
- Introduce only the listed food products.
- Not tamper or damage intentionally nor remove or hide the labels.
ATTENTION
The machine must not be used IN NOT CORRECT WAY or FORBIDDEN so some damages or injuries could be caused for the operator; in particular:
- It is forbidden to move the machine when it is connected to the electric feeding.
- It is forbidden to draw the electric feeding cable or the machine to disconnect the feeding.
- It is forbidden to draw the electric feeding cable or the drinking water flexible pipe or draw the superior cover or the lateral handle to move the machine.
- It is forbidden to put weights on the machine or on the electric feeding cable, on the drinking water flexible pipe or on the discharging pipe.
- It is forbidden to put the electric feeding cable on sharp parts or with burn danger.
- It is forbidden the machine use with the damaged and not integer electric feeding cable or with the control devices.
- It is forbidden the machine use with the drinking water flexible pipe, with the discharging pipe or with the superior cover packing or the lateral door damaged and not integer and however with the evident presence of water losses from any machine component.
- It is forbidden to leave the machine off with the electric feeding cable connected with the feeding plug or with the drinking water flexible pipe connected to the feeding plant.
- It is forbidden to leave the machine charged unguarded switched off or in function.
- It is forbidden to insert any type of object inside the motor ventilation cap.
- It is forbidden the machine functioning without have closet the dresses harvest drawer with inside the filter or without have fastened the pipe for the charge to the lateral connector (if present).
- It is forbidden to thread any type of object under the machine base or put clothes or other between the machine support stems and the floor.
- It is forbidden the use of inflammable substances, corrosive or harmful or high pressure water jets for the cleaning.
- It is forbidden to plunge the machine in water or in other liquids.
- It is forbidden the not authorized personnel use and with clothes different from that showed for the use.
- It is forbidden to introduce in the basin or in correspondence of the service mouth, during the dish rotation, the hands or any other part of the body or any other object (for example poles, cutlery, etc…), to remove and to facilitate the food product charge.
- It is forbidden to maintain the charging door completely open during the dish rotation, to facilitate the food product charge.
- It is forbidden the functioning with the fixed and moving protection shelters not blocked correctly or removed.
- It is forbidden the partial removal of the protections and of the danger signals.
- It is forbidden the functioning without that all the precautions about the residual risks elimination have been adopted on behalf of the user.
- It is forbidden to smoke or use free flame devices and manipulate incandescent materials, unless some suitable safety measures aren’t adopted.
- It is forbidden to activate or set the control and blockage devices as knobs or similar both during the machine functioning both if you aren’t authorized.
PRECAUTION
The user is however responsible of the damages resulting from the lacked observance of the specified normal use conditions. For possible doubts you can enquire at the Authorized Assistance Center.
PRECAUTION
The lacked standards and safety procedures applications can be danger and damage sources. The machine means bound in the use for the respect, on behalf of the final user, of:
- All rules, of insertion in the environment and of people behavior, fixed from the laws and/or applicable standards; with particular reference to the fixed plant upstream of the supplied machine and for its connection / functioning.
- All further instructions and use warnings making part of the technical / graphic documentation annexed to the same machine.
ATTENTION
Except where differently specified, the personnel which performs the installation interventions, connection, maintenance, reassembly, and reuse, damages or breakdowns, demolition and dismantling must be a skilled personnel qualified in safety matter and educated on the residual risks, with the competencies, in safety matter, of the maintenance employees.
ENVIRONMENTS, WORKING AND PASSING PLACES
The work environment must answer to the directive 89/654/CEE requirements. In the working area foreign object must not be present. The employer, in the directive 89/391/CEE respect, concerning the measures realization turned to promote the safety and workers health improvement during the work, must provide to eliminate or reduce the showed residual risks as foreseen in the present manual.
WARNINGS ON THE RESIDUAL RISKS
RESIDUAL RISK DUE TO THE FIXED AND MOVING PROTECTION FOR INTERVENTIONS WITHIN THE BASIN
DANGER
For any occasion the operator must not try to open or remove a fixed or moving protection or tamper a safety device. In the phase of equipment, maintenance, dish change and cleaning, and during all further manual operations that happens introducing the hands or other body parts in the machine dangerous areas, a residual risk remains due above all to:
- Knocks with machine manufacturing parts.
- Grazing and/or abrasion with machine rough parts.
- Sharp pain with the sharpened parts.
The operator and the maintenance man must be skilled for the intervention connected to the manual operations with open protections, must be trained on the joined consequent risks and must be authorized from a responsible person and must use adequate individual protection devices, five fingers anti abrasion gloves.
RESIDUAL RISK DUE TO THE DISCHARGING OPERATIONS
DANGER
During the food product discharging operations, the operator must place a bowl in correspondence of the discharge mouth before to open the door. Subsequently, with the superior cover closed and blocked, to facilitate the products leakage with continue action on the control device the operator can activate the dish rotation. In this phase and during the other discharge phases remains a risk due above all to:
- Food product projection.
The operator must however always place the adequately great bowl and must maintain the lateral discharge door handle lightly opened to convey and direct the food products in the bowl. Besides both the operator both the other people must place laterally and not frontally to the discharge mouth.
RESIDUAL RISK DUE TO THE WATER USE
DANGER
During the functioning the machine is connected to the drinking water plant to allow the treated product washing. The water and the treated food product dross are after fall discharged or from the machine inferior or lateral side. In this phase and during all machine functioning remains a residual risk die above all to:
- Flooding possibility.
- Water splashes.
Independently from the discharge position, inferior or lateral, the machine must always be placed above a well with drain for the water harvest. Besides if the machine is equipped with lateral discharge, it is the maintenance man duty to foresee and insert a dress harvest filter coming from the basin and connect the pipe for the discharge to the lateral collector.
RESIDENTIAL USERS: Vendor assumes no liability for parts or labor coverage for component failure or other damages resulting from installation in non-commercial or residential applications. The right is reserved to deny shipment for residential usage; if this occurs, you will be notified as soon as possible.
1 YEAR PARTS AND LABOR WARRANTY
Within the warranty period, contact Omcan Inc. at 1-800-465-0234 to schedule an Omcan authorized service technician to repair the equipment locally.
Unauthorized maintenance will void the warranty. Warranty covers electrical and part failures, not improper use.
Please see https://omcan.com/disclaimer for complete info.
WARNING:
The packaging components are classified as normal solid urban waste and can therefore be disposed of without difficulty.
In any case, for suitable recycling, we suggest disposing of the products separately (differentiated waste) according to the current norms.
DO NOT DISCARD ANY PACKAGING MATERIALS IN THE ENVIRONMENT!
Technical Specifications
| Model | PP-IT-0010 | PP-IT-0018 |
| Production/H | 661.4 lbs. / 300 kgs. | 1102.3 lbs. / 500 kgs. |
| Cycle Time | 90-120 seconds | 120-150 seconds |
| Maximum Volume | 22 lbs. / 10 kgs. | 39.6 lbs. / 18 kgs. |
| RPM | 320 | |
| Power | 0.75 HP / 550W | 1.2 HP / 900W |
| Electrical | 115V / 60Hz / 1 | |
| Dimensions | 20.9” x 26” x 43.3” 530 x 660 x 1100mm | 20.9” x 26” x 47.2” 530 x 660 x 1200mm |
| Packaging Dimensions | 26.4” x 23.6” x 48” 670 x 600 x 1220mm | 26.4” x 23.6” x 52” 670 x 600 x 1320mm |
| Weight | 98.1 lbs. / 44.5 kgs. | 109.1 lbs. / 49.5 kgs. |
| Packaging Weight | 120.2 lbs. / 54.5 kgs. | 131.2 lbs. / 59.5 kgs. |
| Item Number | 44184 | 44185 |
Installation
PREPARATION PRELIMINARY OPERATIONS
STABILITY
The machine stability is designed so that, in the foreseen functioning conditions, taking into account of the climatic conditions is such as to allow the use without reversal risk, fall, or inopportune movement. Taking into account of the conformation and its position, the machine results to be intrinsically steady without any fastening needs to the trampling flat. All support feet placed under the base must lay on a solid, uniform and well leveled surface.
ELECTRIC FEEDING
The electric feeding connection must be in conformance with the country legislation in which is used. The electric feeding so must be maintained in conformance with the following technical prescriptions:
- The electric feeding must be always of type and have an intensity corresponding to the specifications indicated in the machine plate. If excessive voltages are applied, some components will be damaged irreparably.
- A differential device must be foreseen coordinated with the protection circuit, respecting the legislation, the legislative and regulation disposals in force in the installation country.
- The electric feeding cable outside the machine cover must be made pass in the spaces prepared from You and adequately protected.
- If present the neutral conductor (N) before feeding the electric equipment, as for you its continuity must be guaranteed (connected and available).
- Before to feed the electric equipment, as for you must be guaranteed the continuity of the green yellow conductor of the protection equipotential circuit.
DRINKING WATER FEEDING
The drinking water feeding connection must be in conformance with the country pertinent legislation where is
used. The feeding must so present the following technical prescriptions:
- The machine must be connected to a drinking water piping.
- The flexible pipe must be connected to a tap for the water opening and closure.
- For the protection against the over pressures, a protection device must be foreseen coordinated with the machine drinking water system, with the aim to respect the legislative and regulation disposal using in the installation country.
- The connection manifold sizes of the flexible pipe in endowment, the flux pressure and the water temperature are showed in the technical data table. If the pressure is superior to the maximum agreed, a pressure reducer valve must be assembled.
- After having performed the connection open slowly the tap to verify that the connection is hermetic.
Eventually correct the gasket seat and the connector. - The drinking water flexible pipe for the feeding must be made pass in the spaces prepared from You and adequately protected.
WATER AND DROSS DISCHARGE
The machine allows alternatively to discharge the water and the product working dross in two ways:
- With inferior fall: the machine must be simply placed above a drain well having care to verify that the dross drawer discharge hole is aligned with the well.
- Floor discharge: on such models the lower discharge pipe (not included in the standard supply) has to be connected to a tube inserted into the floor draining grill.
The discharge water from the machine isn’t drinking, so it must be conveyed directly towards floor harvest systems.
ASSEMBLY / DISASSEMBLY
DANGER
The assembly / disassembly operations of any machine part are performed with the stop machine, with the plug disconnected from the socket and with water tap closet, or with the sectioning device in OFF and with the basin completely empty, without nor water nor food products.
LATERAL DISCHARGE COLLECTOR ASSEMBLY
In the case that the machine is equipped with inferior fall water discharge of the dross drawer, the water and dross discharge can be foreseen through the lateral fall discharge collector. The transformation and the intervention can be performed only from the Authorized Assistance Center.
DISH AND ABRASIVE TELO DISASSEMBLY/ASSEMBLY INSIDE THE BASIN

- Struggle on the handle (1) of the transparent superior cover (2) and lift it up to carry as back as possible.
- Remove manually possible food products present within the basin (3).
- Grasp manually and lift the dish (4) within the basin and extract it.
- In correspondence of the discharge mouth, push manually the abrasive cloth (5) towards inside the basin. After grasp it with both the hands and lift it completely from the basin.
Operation
FUNCTIONING DESCRIPTION
The control devices are designed and manufactured so as much sure and reliable and resistant to the service normal stresses, to the foreseeable strains and to the external agents. Besides they are clearly visible, locatable and marked from a suitable marking. Here follow the main control devices are showed:
Button | Description |
On/Off | Button for the general switching on and switching off of the controls panel. |
O | Button for the machine stop control. |
I | Button for the machine starting control with impulse. |
| Button for the maintained action machine starting control with the opened discharge lateral door (if any). |
+ | Button for the functioning time increase (of 10 sec in 10 sec) keeping pushed it (of 1 sec in 1 sec). |
– | Button for the functioning time decrease (of 10 sec in 10 sec) keeping pushed it (of 1 sec in 1 sec). |
| Red Display: Functioning time visualization. |
SWITCHING ON / SWITCHING OFF
The impulse switching on and switching off of the controls panel and the display is possible only with a voluntary action on the control device foreseen with this aim: On/Off button.
FUNCTIONING TIME
Before the machine starting the functioning time setting is possible only with a voluntary action on the control device foreseen with this aim: + button to increase the time, or the – button to decrease the time.
STARTING
The machine impulse starting is possible, after the switching on, only with a voluntary action on the control device foreseen for this aim: I button for the machine starting control.
STOP
For the stop control of the machine work function, without have a display complete switching off, activate the O button.
MAINTAINED ACTION STARTING
The machine maintained action starting is possible only with a voluntary action on the control device foreseen for this aim:
button. The maintained action control is used in the 10-18 Kg versions for the product unloading operations. During the button releasing the machine stops.
VOLTAGE LACKING
In case of electric feeding breaking or if the machine is disconnected from the electric net, this last one will be able to be restarted only following the starting function, after the electric feeding back or the reconnection to the electric net.
TRANSPARENT SUPERIOR COVER OPENING AND LATERAL DISCHARGE DOOR
Lifting the superior cover or the lateral discharge door (if any) the machine stops immediately for the safety micro switch functioning. The machine can be restarted only closing and blocking the superior cover and the lateral discharge door and following successively the starting function.
PUT IN FUNCTION
The machine operator can put in function the machine following in order the under reported indications:
- Close and block the discharge lateral door pushing it towards the machine body and lowing the handle for the block.
- Introduce manually the food product with the superior transparent cover completely opened, inside the basin. The filling must happen in accordance with the limits established in the machine technical data.
- Control positive result of the drinking water injunction nozzle, that must not be clogged.
- Close and block the superior transparent cover pushing towards the machine body and lowing the handle for the block.
- Put in the machine lateral zone and switch on the machine and the display, activating with impulse the On/Off button. Successively set the functioning time with impulses on the + button to increase the time, or the – button to decrease it and start the functioning activating the I button.
- At the end of the set time the machine stops and on the display the last working time appears. If you want to reactivate the functioning follow the indications of the previous point or push the I button to repeat the cycle. If on the contrary you want to stop the functioning before the end of the set time, activate with impulse the O button.
UNLOADING
The machine operator can perform the basin discharge following in order the showed indications:
- Put an adequate great bowl in correspondence of the discharge mouth.
- Unblock and open the discharge lateral door pull towards up the block handle.
- Put laterally and not frontally to the discharge mouth, open lightly the discharge lateral door to convey and make direct the food products in the bowl.
- Push with continue action the
button, to activate the flat rotation so to facilitate the food product leakage.
For the food products discharge remained in the basin bottom, it is also possible to open the superior transparent cover and draw manually the food product from the basin superior zone.
SWITCHING OFF
In succession, the switching off must follow what here under indicated:
- Before the switching off discharge completely the basin content.
- Stop the machine activating the On/Off button.
- Close the drinking water tap and unscrew the feeding pipe union of the drinking water from the tap.
- Disconnect the machine plug from the feeding socket.
- Perform the cleaning interventions performed.
Maintenance
CLEANING
DANGER
It is forbidden to clean by hand the organs and the elements in motion. All cleaning interventions must be started only and exclusively, after having unloaded the machine with the food product in working and having insulated from the electric feeding source and from external energy
The machine, the electric equipment and the machine board components must not be ever washed utilizing water, and not in any kind of jets form and quantity; so, without “bucket” nor “rubber” nor “towel”. Don’t put ever directly the machine in the sink or under the tap. The machine hygiene level classification and the associated equipment, for the foreseen use, are 2 (two): machine that, after a hygiene risk evaluation, is in conformance with applicable international standards requirements, but requests a programmed disassembly for the cleaning.
All the surface and the machine parts destined to come in contact with the food product or with the food zones ((basin internal surface, transparent superior cover, discharge lateral door, the flats) and the splashes zones (machine external surface), must be cleaned with the following modalities and order:
- Discharge all food products inside the basin.
- Close and block the transparent superior cover and the discharge lateral door and perform a cycle of at least 10 seconds with the connected drinking water but without food products.
- Unblock and open the cover and the lateral door and remove both the basin bottom flat, both the coating abrasive cloth of the basin internal surface.
- The easy removal happens lifting the basin surface cloth before from the anterior zone in correspondence of the discharge mouth, after from the other parts.
- Close and block the cover and the lateral door and perform a cycle of at least 10 seconds with the connected drinking water but without food products.
- Unthread the steel sheet drawer from the keel bottom and empty the working dross. If the lateral discharge is present, make the same with the filter connected with the discharge pipe.
- Wash the flat and the abrasive cloth under the drinking water jet.
- The abrasive plate cannot be washed in the dishwasher.
- Unblock and open the cover and the lateral door and:
● Scrape the surfaces from the possible food product residuals (for example with plastic scrapers).
● Clean all the food zone surfaces and jets zone with a morbid dampened clothes (not draining) with detergent diluted in hot water (also common soap for dishes is good). Don’t soak them. With a towel clean inside the grinding mouth. Use specific products for steel, which must be liquids (not in cream or pastries however abrasive) and above all must not contain chlorine. Against the fat substances the denatured alcohol.
● Rinse with cleaned hot water and successively dry all food zone surfaces and jets zone with soft clothes that don’t lose coats.
● The reassembly must happen only after a working requirement, leave the pieces wrapped in a dry soft clothes that don’t lose coats.
PERIODS OF LONG INACTIVITY
During the machine long inactivity periods provide to pass vigorously on all steel surfaces (especially if stainless) a clothes soaked of Vaseline oil so that to spread a protective veil.
THINGS NOT TO DO BEFORE OR DURING THE CLEANING:
- Enter towards the moving elements without to be previously checked of their stop.
- Enter towards the moving elements without have stopped it in safety stop (blockage in zero position of the electric feeding sectioning devices).
PRODUCTS NOT TO USE:
- Compressed air with jets towards the machine.
- A high pressure cleaner or a continue water jet.
- Vapor equipment or water jets in pressure.
- Detergent that contains CHLORINE (also if diluted) or its compounds as: the bleach, the muriatic acid, products to clear the drain, products for the marble cleaning, in general decalcifying, etc. can attack the steel composition, staining and oxidizing it unavoidable. The only above described products fumes can oxidize and in any case corrode the steel.
- Steel wool, brushes or abrasive discs produced with other metals or alloys (ex. Common steel, aluminum, brass, etc…) or tools that have previously cleaned other metals or alloys, that except to scratch the surface.
- Detergents in abrasive dust.
- Fuel, solvents or inflammable and/or corrosive fluids.
- Substances used to clean the silver.
Troubleshooting
| TYPE | POTENTIAL CAUSES | Solutions |
| Net voltage lacking. | General Black out. | Contact the electric energy distributor. |
| Fuses or magneto thermals intervention place upstream of the machine feeding line. | After having eliminated the causes that have determined the protection device intervention, restore it. In case of problem persistency contact an electrician technician. | |
| Functioning intervention. | Protection device intervention inside the machine. | Contact an electrician technician: after having eliminated the causes that have determined the protection device intervention, restore it. In case of fuses intervention, change them with types of the same model, calibration and intervention curve. |
| Unblock and opening of the transparent superior cover or of the discharge lateral door (if any). | Unblocking and opening the cover or the door, the machine stops immediately for the safety micro switches functioning. Close and block the cover and the door handles. | |
| Cause/s not identifiable. | Contact directly the Authorized Assistance Center. | |
| The machine doesn’t function: the flat doesn’t rotate. | Feeding voltage lacking. | Check and restore the electric energy. |
| Sectioning devices on “O”. | Turn the sectioning devices in the position “ON ” | |
| Lacked working time setting. | Set the timer in the controls panel. | |
| Intervened fuses or not functioning magneto thermals. | Change the intervened fuses, check the magneto thermal switches condition. | |
| Lacked buttons functioning. | Check the buttons efficiency and eventually contact directly the Authorized Assistance Centre. | |
| Damaged micro switches. | Contact directly the Authorized Assistance Centre. | |
| Slow drive belt determines also noise or creaking emission. | Contact directly the Authorized Assistance Centre. | |
| The potatoes don’t peel correctly. | Worn flat surface. | Contact directly the Authorized Assistance Centre for the change. |
| Abrasive cloth surface inside the worn basin. | Contact directly the Authorized Assistance Centre for the change. | |
| Drinking water absence inside the basin during the functioning. | Drinking water flexible pipe not connected. | Connect the drinking water flexible pipe, screwing the piping union to the tap male joint. |
| Tap closed. | Rotate the superior part in clockwise for the drinking water flow. | |
| Water emission nozzle inside the obstructed basin. | Perform the nozzle holes cleaning as showed, with the switched off machine and insulated from the external feeding sources. | |
| Damage in the plant inside the machine. | Contact directly the Authorized Assistance Centre | |
| Excessive water presence inside the basin that doesn’t discharge or splash in the machine inferior zone. | Dross separation filter obstructed. | Clean it. |
| Drawer in steel in the body inferior zone mal inserted. | Insert on the drawer bottom so that the basin discharge happens completely inside the drawer. | |
| Presence of losses from the lateral discharge pipe union | Discharge pipe not inserted correctly or not blocked with strip. | |
| Presence of evident water drops or wire drawings in the machine superior and/or inferior surface. | Drinking water flexible pipe unions not screwed correctly to the tap or to the machine. | Switch off the machine, insulate it from the external feeding sources and tighten the pipe unions to the relative male joints. In the case the pipe union thread is stripped or the gaskets are absent, contact directly the Authorized Assistance Centre. |
| Worn transparent superior cover gasket. | Contact directly the Authorized Assistance Centre for the change. | |
| Worn discharge inferior door gasket. | Contact directly the Authorized Assistance Centre for the change. | |
| Water losses presence in the plastic wrapping perimeter zone. | Contact directly the Authorized Assistance Centre. | |
| Water splashes coming from the flexible pipe or wire drawings. | Flexible pipe with holes or cracks, contact directly the Authorized Assistance Centre for the change. Change the pipe at least every 3 years. |
Parts Breakdown

Model PP-IT-0010 44184
| Item No. | Description | Position | Item No. | Description | Position | Item No. | Description | Position |
| 64598 | Pin for 44184 | 1 | 64625 | Inox Screw Cover (2 pcs.) for 44184 | 31 | 64650 | Foot (4 pcs.) for 44184 | 62 |
| 64599 | 5x5x15 Key for 44184 | 2 | 64626 | Magnet 6×20 Cover for 44184 | 32 | 64651 | Drawer Handle for 44184 | 63 |
| 64600 | Mechanical Seal D.25 for 44184 | 3 | 64627 | Cover Gasket for 44184 | 33 | 64624 | Screw 6×8 Inox T.E. (2 pcs.) for 44184 | 64 |
| 64601 | Bearing 6004 2RS for 44184 | 4 | 64628 | Nozzle of Water for 44184 | 34 | 64652 | Waste Drawer for 44184 | 65 |
| 64602 | Seeger from 42 for 44184 | 5 | 64629 | Resca for Water Jet Nozzle for 44184 | 35 | 64653 | Waste Filter for 44184 | 66 |
| 64603 | Ring OR 6225 for 44184 | 6 | 64630 | Strap 13/15 for 44184 | 36 | 64654 | Left Arm Handle for 44184 | 67 |
| 64604 | M8x16 Flanged Screw (6 pcs.) for 44184 | 7 | 64631 | Water Tube 8×22 for 44184 | 37 | 64656 | Handle Grip for 44184 | 68 |
| 64605 | Flange Seal Gasket (6 pcs.) for 44184 | 8 | 64632 | Strap 15/18 for 44184 | 38 | 64657 | M6x25 Stainless Steel Screw Head (2 pcs.) for 44184 | 69 |
| 64606 | Motor Flange for 44184 | 9 | 64633 | Solenoid Valve for 44184 | 39 | 64658 | Right Arm Handle for 44184 | 70 |
| 64602 | Seeger from 42 for 44184 | 10 | 64634 | 80/50 Discharge Reduction for 44184 | 40 | 64659 | Door Sticker for 44184 | 71 |
| 64601 | Bearing 6004 2RS for 44184 | 11 | AH511 | Screw M4x10 Cross Head (2 pcs.) for 44184 | 41 | 64620 | Special Stainless Nut M6 (2 pcs.) for 44184 | 72 |
| 64607 | Conduit Pulley for 44184 | 12 | 70206 | Tapping Screw 4.6×10 (2 pcs.) for 44184 | 42 | 64621 | Stainless Steel Screw M6x14 (2 pcs.) for 44184 | 73 |
| 64608 | Belt J12 for 44184 | 13 | 64673 | Electrical Panel Bracket for 44184 | 43 | 64660 | Door Gasket for 44184 | 74 |
| 15364 | Washer 8x32x2 for 44184 | 14 | AH512 | Electric Board Bush (2 pcs.) for 44184 | 44 | 64661 | Magnet 6×15 Door for 44184 | 75 |
| 15440 | Screw 8×25 for 44184 | 15 | 64635 | Water Load Tube for 44184 | 45 | 64662 | Door for 44184 | 76 |
| 70181 | Washer 8x16x1.5 (4 pcs.) for 44184 | 16 | 64636 | Keyboard Cover for 44184 | 46 | 64657 | M6x25 Stainless Steel Screw Head (2 pcs.) for 44184 | 77 |
| 64610 | Stainless Grain M8x40 (2 pcs.) for 44184 | 17 | 64637 | Digital Keypad for 44184 | 47 | 64620 | Special Stainless Nut M6 (2 pcs.) for 44184 | 78 |
| 64611 | Nut M8 (2 pcs.) for 44184 | 18 | 64638 | Micro Magnetic Cover for 44184 | 48 | 64663 | Micro Magnetic Door for 44184 | 79 |
| 64612 | 20 uF Capacitor for 44184 | 19 | 64639 | Electronic Control Board for 44184 | 49 | 64664 | Stainless Steel Bush (2 pcs.) for 44184 | 80 |
| 64614 | Complete Motor V.110/60Hz for 44184 | 20 | 64640 | Rubber Handle 20mm for 44184 | 50 | 64665 | Screw 6×8 Inox Button (2 pcs.) for 44184 | 81 |
| 64616 | Motor Pulley for 44184 | 21 | 64641 | Cable Gland PG13.5 for 44184 | 51 | 64666 | Cover Handle Bar for 44184 | 82 |
| 64617 | Washer 10x20x2 for 44184 | 22 | 15372 | Screw 5×25 (N°4PZ) for 44184 | 52 | 64667 | Screw 5×8 Inox (2 pcs.) for 44184 | 83 |
| 64618 | Nut M10 for 44184 | 23 | 64642 | Electric Box for 44184 | 53 | 64670 | Abrasive Canvas for 44184 | 84 |
| 64619 | Upper Cover Handle for 44184 | 24 | 64643 | Electric Box Gasket for 44184 | 54 | 64668 | Stainless Steel for 44184 | 85 |
| 64620 | Special Stainless Nut M6 (2 pcs.) for 44184 | 25 | 64644 | Power Board B.T. V.110/60Hz for 44184 | 55 | 64672 | Pelapated Abrasive Plate for 44184 | 86 |
| 64621 | Stainless Steel Screw M6x14 (2 pcs.) for 44184 | 26 | 64645 | Cable Tie 80/100 for 44184 | 56 | 64674 | Transparent Cover Complete for 44184 | 87 |
| 64622 | Transparent Cover (Seal Included) for 44184 | 27 | 64646 | 80mm Exhaust Pipe for 44184 | 57 | 64676 | Complete Door with Handles, Gasket, Screws and Magnet for 44184 | 88 |
| AI406 | Screw M6x8, Allen Head (2 pcs.) for 44184 | 28 | 64647 | 8x16x1.5 Inox Washer (4 pcs.) for 44184 | 58 | 64678 | Drawer Complete with Handle for 44184 | 89 |
| AI407 | Stainless Steel Washer 6x12x1.5 (2 pcs.) for 44184 | 29 | 64648 | Screw 8×18 Inox (4 pcs.) for 44184 | 59 | 64677 | Electrovalve Kit Complete for 44184 | 90 |
Model PP-IT-0018 44185
| Item No. | Description | Position | Item No. | Description | Position | Item No. | Description | Position |
| 64598 | Pin for 44185 | 1 | 64625 | Inox Screw Cover (2 pcs.) for 44185 | 31 | 64650 | Foot (4 pcs.) for 44185 | 62 |
| 64599 | 5x5x15 Key for 44185 | 2 | 64626 | Magnet 6×20 Cover for 44185 | 32 | 64651 | Drawer Handle for 44185 | 63 |
| 64600 | Mechanical Seal D.25 for 44185 | 3 | 64627 | Cover Gasket for 44185 | 33 | 64624 | Screw 6×8 Inox T.E. (2 pcs.) for 44185 | 64 |
| 64601 | Bearing 6004 2RS for 44185 | 4 | 64628 | Nozzle of Water for 44185 | 34 | 64652 | Waste Drawer for 44185 | 65 |
| 64602 | Seeger from 42 for 44185 | 5 | 64629 | Resca for Water Jet Nozzle for 44185 | 35 | 64653 | Waste Filter for 44185 | 66 |
| 64603 | Ring OR 6225 for 44185 | 6 | 64630 | Strap 13/15 for 44185 | 36 | 64654 | Left Arm Handle for 44185 | 67 |
| 64604 | M8x16 Flanged Screw (6 pcs.) for 44185 | 7 | 64631 | Water Tube 8×22 for 44185 | 37 | 64656 | Handle Grip for 44185 | 68 |
| 64605 | Flange Seal Gasket (6 pcs.) for 44185 | 8 | 64632 | Strap 15/18 for 44185 | 38 | 64657 | M6x25 Stainless Steel Screw Head (2 pcs.) for 44185 | 69 |
| 64606 | Motor Flange for 44185 | 9 | 64633 | Solenoid Valve for 44185 | 39 | 64658 | Right Arm Handle for 44185 | 70 |
| 64602 | Seeger from 42 for 44185 | 10 | 64634 | 80/50 Discharge Reduction for 44185 | 40 | 64659 | Door Sticker for 44185 | 71 |
| 64601 | Bearing 6004 2RS for 44185 | 11 | AH511 | Screw M4x10 Cross Head (2 pcs.) for 44185 | 41 | 64620 | Special Stainless Nut M6 (2 pcs.) for 44185 | 72 |
| 64607 | Conduit Pulley for 44185 | 12 | 70206 | Tapping Screw 4.6×10 (2 pcs.) for 44185 | 42 | 64621 | Stainless Steel Screw M6x14 (2 pcs.) for 44185 | 73 |
| 64608 | Belt J12 for 44185 | 13 | 64673 | Electrical Panel Bracket for 44185 | 43 | 64660 | Door Gasket for 44185 | 74 |
| 15364 | Washer 8x32x2 for 44185 | 14 | AH512 | Electric Board Bush (2 pcs.) for 44185 | 44 | 64661 | Magnet 6×15 Door for 44185 | 75 |
| 15440 | Screw 8×25 for 44185 | 15 | 64635 | Water Load Tube for 44185 | 45 | 64662 | Door for 44185 | 76 |
| 70181 | Washer 8x16x1.5 (4 pcs.) for 44185 | 16 | 64636 | Keyboard Cover for 44185 | 46 | 64657 | M6x25 Stainless Steel Screw Head (2 pcs.) for 44185 | 77 |
| 64609 | Stainless Grain M8x35 (2 pcs.) for 44185 | 17 | 64637 | Digital Keypad for 44185 | 47 | 64620 | Special Stainless Nut M6 (2 pcs.) for 44185 | 78 |
| 64611 | Nut M8 (2 pcs.) for 44185 | 18 | 64638 | Micro Magnetic Cover for 44185 | 48 | 64663 | Micro Magnetic Door for 44185 | 79 |
| 64613 | 50 uF Capacitor for 44185 | 19 | 64639 | Electronic Control Board for 44185 | 49 | 64664 | Stainless Steel Bush (2 pcs.) for 44185 | 80 |
| 64615 | Complete Motor V.110/60Hz for 44185 | 20 | 64640 | Rubber Handle 20mm for 44185 | 50 | 64665 | Screw 6×8 Inox Button (2 pcs.) for 44185 | 81 |
| 64616 | Motor Pulley for 44185 | 21 | 64641 | Cable Gland PG13.5 for 44185 | 51 | 64666 | Cover Handle Bar for 44185 | 82 |
| 64617 | Washer 10x20x2 for 44185 | 22 | 15372 | Screw 5×25 (N°4PZ) for 44185 | 52 | 64667 | Screw 5×8 Inox (2 pcs.) for 44185 | 83 |
| 64618 | Nut M10 for 44185 | 23 | 64642 | Electric Box for 44185 | 53 | 64671 | Abrasive Canvas for 44185 | 84 |
| 64619 | Upper Cover Handle for 44185 | 24 | 64643 | Electric Box Gasket for 44185 | 54 | 64669 | Stainless Steel for 44185 | 85 |
| 64620 | Special Stainless Nut M6 (2 pcs.) for 44185 | 25 | 64644 | Power Board B.T. V.110/60Hz for 44185 | 55 | 64672 | Pelapated Abrasive Plate for 44185 | 86 |
| 64621 | Stainless Steel Screw M6x14 (2 pcs.) for 44185 | 26 | 64645 | Cable Tie 80/100 for 44185 | 56 | 64674 | Transparent Cover Complete for 44185 | 87 |
| 64622 | Transparent Cover (Seal Included) for 44185 | 27 | 64646 | 80mm Exhaust Pipe for 44185 | 57 | 64676 | Complete Door with Handles, Gasket, Screws and Magnet for 44185 | 88 |
| AI406 | Screw M6x8 Allen Head (2 pcs.) for 44185 | 28 | 64647 | 8x16x1.5 Inox Washer (4 pcs.) for 44185 | 58 | 64678 | Drawer Complete with Handle for 44185 | 89 |
| AI407 | Stainless Steel Washer 6x12x1.5 (2 pcs.) for 44185 | 29 | 64648 | Screw 8×18 Inox (4 pcs.) for 44185 | 59 | 64677 | Electrovalve Kit Complete for 44185 | 90 |
| AI408 | Plastic Washer 8x16x1.6 (4 pcs.) for 44185 | 30 | 64649 | Bottom C / Gambe Inox for 44185 | 60 |
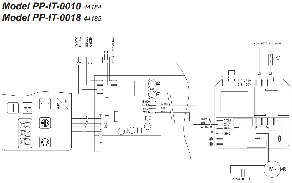
Electrical Schematics

Notes
_______________________________________________________________________________________________________________________________________________________________________________________________________________________________________________________________________________________________________________________________________________________________________________________________________________________________________________________________________________________________________________________________________________________________________________________________________________________________________________________________________________________________
Warranty Registration
Thank you for purchasing an Omcan product. To register your warranty for this product, complete the information below, tear off the card at the perforation and then send to the address specified below. You can also register online by visiting:
https://omcan.com/warranty-registration/
For mailing in Canada
OMCAN
PRODUCT WARRANTY REGISTRATION
3115 Pepper Mill Court, Mississauga, Ontario Canada, L5L 4X5
For mailing in the US
OMCAN
PRODUCT WARRANTY REGISTRATION
4450 Witmer Industrial Estates, Unit 4, Niagara Falls, New York USA, 14305
or email to: [email protected]


Since 1951 Omcan has grown to become a leading distributor of equipment and supplies to the North American food service industry. Our success over these many years can be attributed to our commitment to strengthen and develop new and existing relationships with our valued customers and manufacturers. Today with partners in North America, Europe, Asia and South America, we continually work to improve and grow the company. We strive to offer customers exceptional value through our qualified local sales and service representatives who provide convenient access to over 6,500 globally sourced products.





















