ADEXA F-16 F Series Proofer Commercial Proofer Fermentation Cabinet

DESCRIPTION
F Series proofer are the electric heating products designed on the bread ferment principle. They adopt electric heating tubes and thermostat to control circuit heating the water and the air temperature, and form the most suitable ferment environment: relative humidity 80%-85% and temperature 35-40℃. It can be used to ferment bread, keep humidity and temperature for the goods and materials. They are design reasonable, compact in construction, operation easy and function reliable. They are suitable for the departments of industry, agriculture, medical treatment and scientific research.
TECHNICAL SPECIFICATIONS
| Model | Voltage (V) | Frequency (HZ) | Power (KW) | Layer | Temperature (℃) | Dimension (MM) | N.W. (KG) |
| F-16 | 220 | 50 | 1.3 | 16 | Ambient-85 | 480*700*1940 | 52 |
OPERATION
Before use, the water tank must be added the ration (quantitative) water. Plug in and connect the power supply, if the green light is on, it means the machine has been energized already. Turn on the Power switch, setting the suitable temperature and proper humidity according to the products requirement. Turn the thermostat knob in a clockwise direction, the orange light is bright, then the machine starts to heat and humidity. The thermostat and humidify controller can work together and also operate separately. When the temperature of the ferment cabinet reaches the set point, the heating indicator lamps will be off, the ferment cabinet will get into the constant temperature state automatically, and keep the proper temperature and humidity.
NOTICE
- The machine should be put in stable place. Before use, check that power supply corresponds to the required by the proofer, and the wires are reliably connected with the switch to avoid leaking and overload.
- Do not pull the wire strenuously to avoid leakage of electricity.
- Take up the cover and fill water into the tank. The height of water should not exceed the high-water mark “H-“.
- The heating tube must be kept in the water when it is put through the electricity, in order to avoid it burned.
- Pull out the power plug from the socket, if the proofer is not used for a long time.
- Do not use water wash this machine directly.
- If the proofer appears to be a hitch, sent it to an authorized service station for repair. Do not repair it by yourself.
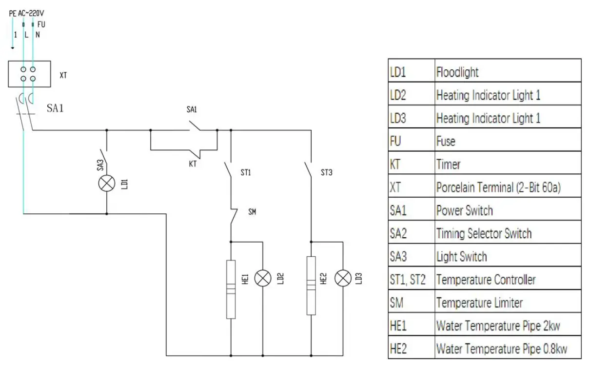
CIRCUIT DIAGRAMS





















