
C PROX AWC-RWC Disabled Toilet Locking System Instruction Manual

11 Callywhite Business Park, Callywhite Lane, Dronfield S18 2XP
+44(0)1246 417113 [email protected] www.quantek.co.uk
Our disabled toilet locking system is the system of choice due to its simple, easy to use, reliable and adaptable design. It can be simply configured to any specification. If you don’t see the configuration you require in this manual, please contact us.
The system is operated with touch sensors and all units incorporate Steritouch antibacterial additive, active for the lifetime of the product.
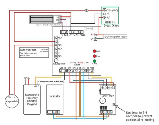
The system incorporates a break glass for emergency exit, and a keyswitch for emergency entry. The door must be closed before it can be locked, therefore inhibiting pranksters and accidental locking. This is achieved with a normally closed door status reed switch or monitoring in the mag lock.
Please read this manual carefully before installing.
Touch sensor installation:
Architrave & Round (AWC – RWC).
Use back plate to mark cable hole & screw fixing points.
Fix top retaining screw (No 8 or 10) leave 4 mm of screw shaft protruding.
Fit back seal to rear of plate (if being used externally).
Place cable through Back-plate & seal.
Make connections (see appropriate wiring diagram).
Fit back-plate to unit.
Hook unit onto top screw & fit bottom retaining screw.
Single gang (SGWC)
Internal quality only
Fits any UK metal or plastic back-box. Surface or flush.
(If using a metal back box the vertical lugs may require removal).
Attach back box to wall, place cable through and make connections (see appropriate wiring diagram).
Attach plate to box using the two 3.5mm screws supplied.
When the system is fully functioning the supplied screw covers can be stuck over the screws for aesthetic purposes.
Square (SQWC)
Remove signage plate by unscrewing the two security screws with driver provided.
Use box to mark to mark four fixing points.
Use 20mm knockout and place cable through.
Attach box to wall with 4 x No8 screws.
Make connections (see appropriate wiring diagram) LED connections from WCPCB go into LED panel terminals (see page 10).
Place plate back into box and insert the two security screws.
When the system is fully functioning the supplied screw covers can be stuck over the screws for aesthetic purposes.
Adjusting the touch sensor sensitivity (activation range).
The sensitivity can be adjusted up to 70mm depending on the model. The sensitivity is adjusted by the 4 dipswitches on the touch sensor PCB. Turn off the system, change the dipswitch position (1 is the lowest, 4 is the highest) and re-power the system.
Control board

Swing Door (Standard)
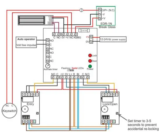
Door is normally unlocked. If the facility is vacant (blue LEDs) the user can pull/push the door manually or touch the external sensor for assisted entry. When inside and the door is shut, the user touches the internal sensor. The door will lock, the external sensor will be disabled, and the LEDs will turn red. To exit, the user touches the internal sensor again. The door will unlock and open, and the LEDs will turn back to blue.

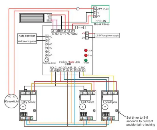
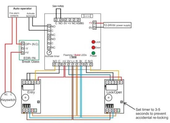
Swing Door (3 button)
This system has one touch sensor on the outside and two inside.
Door is normally unlocked. If the facility is vacant (blue LEDs) the user can push/pull the door manually or touch the external sensor for assisted entry.
If the user wants to lock the door, when inside and the door is shut, they touch the internal lock/open sensor. The door will lock, the external sensor will be disabled, and the LEDs will turn red.

To exit, the user touches the internal lock/open sensor again, the door will unlock and open, the LEDs will turn blue.
If the user didn’t lock the door, they can either push/pull the door manually or touch the other internal sensor for assisted exit.
N.B If you want the lock/open sensor to unlock the door and not open it, so the user can exit manually or press the Exit Assist sensor, wire the C & NO from the entry and exit assist touch sensors direct to the operator in parallel, and remove links between 0V & C.
Contact us for a wiring diagram if unsure.
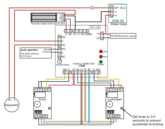
Swing Door (Constant lock)
This system can be used when the door operator cannot be pushed or pulled manually.

Door is normally locked. If the facility is vacant (blue LEDs) the user touches the external sensor, and the door will unlock and open.
When inside and the door is shut, the user touches the internal sensor. The door will lock, the external button will be disabled, and the LEDs will turn red.
To exit, the user touches the internal sensor again. The door will unlock and open, and the LEDs will turn back to blue.
Set activate timer to 3-4 seconds.
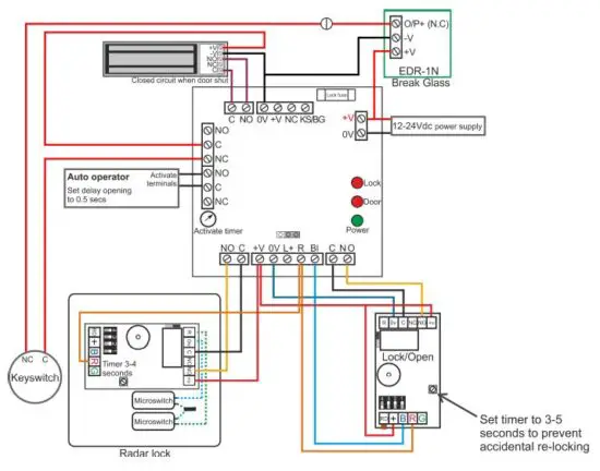
Swing Door with Radar Key
Door is normally locked. If the facility is vacant (blue LEDs) the user inserts and turns a radar key. A beep and green LED confirm correct operation, and the door will open.

When inside and the door is shut, the user touches the internal sensor. The door will lock, the external radar switch will be disabled, and the LEDs will turn red.
To exit, the user touches the internal sensor again. The door will unlock and open, and the LEDs will turn back to blue.
Set activate timer to 3-4 seconds.
Swing Door (Access control)
Door is normally locked. If the facility is vacant (blue LEDs) the user reads a valid proximity card/fob or enters a valid PIN.

When inside and the door is shut, the user touches the internal sensor. The door will lock, the external access control reader will be disabled, and the LEDs will turn red.
To exit, the user touches the internal sensor again. The door will unlock and open, and the LEDs will turn back to blue.
Set activate timer to 3-4 seconds.
Sliding door (Standard)
Door is normally locked. If the facility is vacant (blue LEDs) the user touches the external sensor and the door will open.

If you have ‘Door closed’ clean contact monitoring, connect it to door contact terminals. When inside and the door is shut, the user touches the internal sensor, the door will lock, the external sensor will be disabled, and the LEDs will turn red.
If not, we recommend linking out the door contact terminals and adjusting the activate timer to approx. 30 seconds, thus keeping the door open, coercing the user to operate the internal sensor whereon the door will close and lock immediately, therefore reducing the risk of the user not setting to engaged before using the facility.
To exit, the user touches the internal sensor again. The door will unlock and open, and the LEDs will turn back to blue. 0V not required at break glass.
Operator should have integral lock.
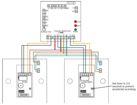
Square sensor wiring
On square sensors, the 3 LED wires connect to the outer PCB as shown.

Audio messaging
Default messages:
Activate the external sensor – “Caution door opening … caution door opening … when the door is shut, please touch the sensor to lock the door (repeated up to 3 times at 10 second intervals)”

Lock the door – “Door locked … when finished please touch the same sensor again to open the door (repeated up to 5 times at 10-minute intervals)”
Unlock door – “Door opening, please exit”
Volume can be increased by turning the pot clockwise.
Custom messages can be uploaded via the Micro USB.
Troubleshooting:

Read More About This Manual & Download PDF:

















