Cersanit Delfi Wall Hung Toilet

Product Information
The product is a device that requires assembly and use according to the provided instructions. It comes with a user manual that provides detailed information on how to assemble and operate the product. The product has various parts and measurements that need to be considered during assembly and usage.
Product Usage Instructions
- Before starting the assembly process, make sure you have all the necessary parts and tools.
- Follow the instructions provided in the user manual for step-by-step assembly.
- Pay attention to the specified measurements for different components
- I = 147mm ~ 245mm
- II = 16mm ~ 100mm
- III = 185mm
- IV = 400mm ~ 480mm
- V = 1100mm ~ 1300mm
- Use silicone grease when necessary, as specified in the manual.
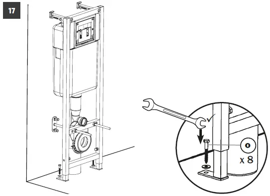
- Make sure to tighten screws and bolts securely, but avoid overtightening to prevent damage.
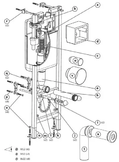
- Refer to the diagrams and illustrations in the manual for better understanding of the assembly process.
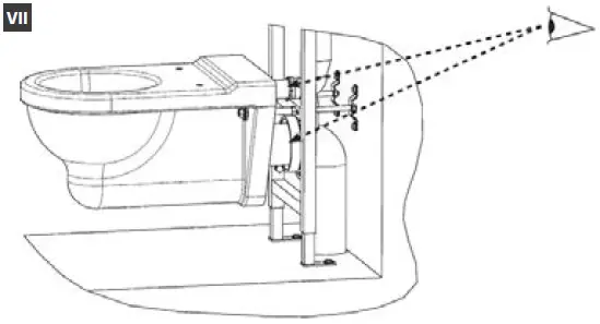
- Once the product is assembled, perform a thorough check to ensure everything is properly connected and aligned.
- For operation instructions, refer to the relevant sections of the user manual.
- Follow any safety guidelines or precautions mentioned in the manual during usage.
- If you encounter any issues or have questions, consult the troubleshooting section of the user manual or contact customer support.
Please note that the above instructions are a general overview. For specific details and step-by-step guidance, refer to the complete user manual provided with the product.
BIG IDEAS FOR SMALL BATHROOMS
Assembly And Tools


INSTRUCTIONS FOR ASSEMBLY AND USE









































