MODEL 43013
BENCH
MORTISER
Instruction Manual
INTRODUCTION
Thanks for purchasing the WEN Bench Mortiser. We know you are excited to put your tool to work, but first, please take a moment to read through the manual. Safe operation of this tool requires that you read and understand this operator’s manual and all the labels affixed to the tool. This manual provides information regarding potential safety concerns, as well as helpful assembly and operating instructions for your tool.
Indicates danger, warning, or caution. The safety symbols and the explanations with them deserve your careful attention and understanding. Always follow the safety precautions to reduce the risk of fire, electric shock or personal injury. However, please note that these instructions and warnings are not substitutes for proper accident prevention measures.
NOTE: The following safety information is not meant to cover all possible conditions and situations that may occur.
WEN reserves the right to change this product and specifications at any time without prior notice.
At WEN, we are continuously improving our products. If you find that your tool does not exactly match this manual, please visit wenproducts.com for the most up-to-date manual or contact our customer service at 1-800-232-1195.
Keep this manual available to all users during the entire life of the tool and review it frequently to maximize safety for both yourself and others.
SPECIFICATIONS
| Model Number | 43013 |
| Motor | AC 120V, 60 Hz, 5A |
| Spindle Speed | 1725 RPM |
| Spindle Travel | 4-1/4 Inches (108 mm) |
| Chisel Capacity | 1/4 to 1/2 Inch (6 to 12 mm) |
| Chuck Capacity | 1/16 in. to 1/2 in. (1.5mm – 13mm) |
| Chisel Shank / Bushing Size | 3/4 Inch (19 mm) |
| Max Stock Width | 13-3/8 Inches (340 mm) |
| Max Stock Thickness | 4 Inches (102 mm) |
| Max Mortising Depth | 3 Inches (76 mm) |
| Max Spindle to Fence Distance | 3-1/2 Inches (90 mm) |
| Max Chisel to Table Distance | 4-3/4 Inches (120 mm) |
| Table Size | 13-1/2 x 6 Inches |
| Foot Print | 10 x 8 Inches |
| Max Product Dimensions | 13-1/2 x 22 x 29 Inches |
| Assembled Product Weight | 60.3 Pounds |
| Included Chisel Bits | 1/4, 3/8, and 1/2 Inch |
GENERAL SAFETY RULES
WARNING! Read all safety warnings and all instructions. Failure to follow the warnings and instructions may result in electric shock, fire and/or serious injury.
Safety is a combination of common sense, staying alert and knowing how your item works. The term “power tool” in the warnings refers to your mains-operated (corded) power tool or battery-operated (cordless) power tool.
SAVE THESE SAFETY INSTRUCTIONS.
WORK AREA SAFETY
- Keep work area clean and well lit. Cluttered or dark areas invite accidents.
- Do not operate power tools in explosive atmospheres, such as in the presence of flammable liquids, gases or dust. Power tools create sparks which may ignite the dust or fumes.
- Keep children and bystanders away while operating a power tool. Distractions can cause you to lose control.
ELECTRICAL SAFETY
- Power tool plugs must match the outlet. Never modify the plug in any way.
Do not use any adapter plugs with earthed (grounded) power tools. Unmodified plugs and matching outlets will reduce risk of electric shock. - Avoid body contact with earthed or grounded surfaces such as pipes, radiators, ranges and refrigerators.
There is an increased risk of electric shock if your body is earthed or grounded. - Do not expose power tools to rain or wet conditions.
Water entering a power tool will increase the risk of electric shock. - Do not abuse the cord. Never use the cord for carrying, pulling or unplugging the power tool. Keep cord away from heat, oil, sharp edges or moving parts. Damaged or entangled cords increase the risk of electric shock.
- When operating a power tool outdoors, use an extension cord suitable for outdoor use.
Use of a cord suitable for outdoor use reduces the risk of electric shock. - If operating a power tool in a damp location is unavoidable, use a ground fault circuit interrupter (GFCI) protected supply.
Use of a GFCI reduces the risk of electric shock.
PERSONAL SAFETY
- Stay alert, watch what you are doing and use common sense when operating a power tool. Do not use a power tool while you are tired or under the influence of drugs, alcohol or medication. A moment of inattention while operating power tools may result in serious personal injury.
- Use personal protective equipment. Always wear eye protection. Protective equipment such as a respiratory mask, non-skid safety shoes and hearing protection used for appropriate conditions will reduce the risk of personal injury.
- Prevent unintentional starting. Ensure the switch is in the off-position before connecting to power source and/or battery pack, picking up or carrying the tool.
Carrying power tools with your finger on the switch or energizing power tools that have the switch on invites accidents. - Remove any adjusting key or wrench before turning the power tool on. A wrench or a key left attached to a rotating part of the power tool may result in personal injury.
- Do not overreach. Keep proper footing and balance at all times. This enables better control of the power tool in unexpected situations.
- Dress properly. Do not wear loose clothing or jewelry. Keep your hair and clothing away from moving parts. Loose clothes, jewelry or long hair can be caught in moving parts.
- If devices are provided for the connection of dust extraction and collection facilities, ensure these are connected and properly used. Use of dust collection can reduce dust-related hazards.
POWER TOOL USE AND CARE
- Do not force the power tool. Use the correct power tool for your application. The correct power tool will do the job better and safer at the rate for which it was designed.
- Do not use the power tool if the switch does not turn it on and off. Any power tool that cannot be controlled with the switch is dangerous and must be repaired.
- Disconnect the plug from the power source and/or the battery pack from the power tool before making any adjustments, changing accessories, or storing power tools. Such preventive safety measures reduce the risk of starting the power tool accidentally.
- Store idle power tools out of the reach of children and do not allow persons unfamiliar with the power tool or these instructions to operate the power tool. Power tools are dangerous in the hands of untrained users.
- Maintain power tools. Check for misalignment or binding of moving parts, breakage of parts and any other condition that may affect the power tool’s operation.
If damaged, have the power tool repaired before use.
Many accidents are caused by poorly maintained power tools. - Keep cutting tools sharp and clean. Properly maintained cutting tools with sharp cutting edges are less likely to bind and are easier to control.
- Use the power tool, accessories and tool bits, etc. in accordance with these instructions, taking into account the working conditions and the work to be performed.
Use of the power tool for operations different from those intended could result in a hazardous situation. - Use clamps to secure your workpiece to a stable surface. Holding a workpiece by hand or using your body to support it may lead to loss of control.
- KEEP GUARDS IN PLACE and in working order.
SERVICE
- Have your power tool serviced by a qualified repair person using only identical replacement parts. This will ensure that the safety of the power tool is maintained.
CALIFORNIA PROPOSITION 65 WARNING
Some dust created by power sanding, sawing, grinding, drilling, and other construction activities may contain chemicals, including lead, known to the State of California to cause cancer, birth defects, or other reproductive harm. Wash hands after handling. Some examples of these chemicals are:
- Lead from lead-based paints.
- Crystalline silica from bricks, cement, and other masonry products.
- Arsenic and chromium from chemically treated lumber.
Your risk from these exposures varies depending on how often you do this type of work. To reduce your exposure to these chemicals, work in a well-ventilated area with approved safety equipment such as dust masks specially designed to filter out microscopic particles.
BENCH MORTISER SAFETY WARNINGS
WARNING! Do not operate the power tool until you have read and understood the following instructions and the warning labels.
BENCH MORTISER SAFETY
- Do not operate this machine until it has been fully assembled and adjusted according to the instructions.
- Always wear ANSI Z87.1-approved eye protection and a face shield/dust mask.
- Do not wear loose clothing or jewelry when using the mortiser. Keep hands, hair and other body parts away from the mortiser bits. Loose clothes, jewelry or long hair can be caught in the tool.
- Do not wear gloves when operating the mortiser.
- Mount the machine to a stable workbench to prevent it from sliding or tipping over.
- Check the workpiece carefully for splits, knots, nails, or other obstructions. These types of blemishes may cause a safety hazard during cutting.
- Only attempt to mortise materials with flat surfaces.
For other styles and shapes of surfaces, applicable work supports are required. - Properly secure the workpiece using the fence and hold-down clamp to prevent it from lifting or shifting during operation.
- Make sure mortiser bits are sharp, free of damage.
Never use dull or damaged bits. - Mortiser bits can fly out of the chuck at the operator if it is not properly secured. Make sure to fully tighten both the chisel and the auger bit before mortising operations.
- Remove the chuck key and all adjustment devices before starting the machine.
- Do not turn on the mortiser until all objects (tools, scrap pieces, etc) are cleared off the table.
- Allow the machine to reach full speed before feeding the bits into the workpiece. Do not turn on the machine while the drill bit or chisel is contacting the workpiece.
- Turn off and unplug the machine before doing any cleaning or maintenance. Use a brush or compressed air to remove chips or debris. Never use your hands to remove excess material and debris.
ELECTRICAL INFORMATION
GROUNDING INSTRUCTIONS
In the event of a malfunction or breakdown, grounding provides the path of least resistance for an electric current and reduces the risk of electric shock. This tool is equipped with an electric cord that has an equipment grounding conductor and a grounding plug. The plug MUST be plugged into a matching outlet that is properly installed and grounded in accordance with ALL local codes and ordinances.
- Do not modify the plug provided. If it will not fit the outlet, have the proper outlet installed by a licensed electrician.
- Improper connection of the equipment grounding conductor can result in electric shock. The conductor with the green insulation (with or without yellow stripes) is the equipment grounding conductor. If repair or replacement of the electric cord or plug is necessary, DO NOT connect the equipment grounding conductor to a live terminal.
- Check with a licensed electrician or service personnel if you do not completely understand the grounding instructions or whether the tool is properly grounded.
- Use only three-wire extension cords that have three-pronged plugs and outlets that accept the tool’s plug. Repair or replace a damaged or worn cord immediately.

CAUTION! In all cases, make certain the outlet in question is properly grounded. If you are not sure, have a licensed electrician check the outlet.
GUIDELINES AND RECOMMENDATIONS FOR EXTENSION CORDS
When using an extension cord, be sure to use one heavy enough to carry the current your product will draw. An undersized cord will cause a drop in line voltage resulting in loss of power and overheating. The table below shows the correct size to be used according to cord length and ampere rating. When in doubt, use a heavier cord. The smaller the gauge number, the heavier the cord.
| AMPERAGE | REQUIRED GAUGE FOR EXTENSION CORDS | |||
| 25 ft. | 50 ft. | 100 ft. | 150 ft. | |
| 5A | 18 gauge | 16 gauge | 16 gauge | 14 gauge |
- Examine extension cord before use. Make sure your extension cord is properly wired and in good condition.
Always replace a damaged extension cord or have it repaired by a qualified person before using it. - Do not abuse extension cord. Do not pull on cord to disconnect from receptacle; always disconnect by pulling on plug. Disconnect the extension cord from the receptacle before disconnecting the product from the extension cord.
Protect your extension cords from sharp objects, excessive heat and damp/wet areas. - Use a separate electrical circuit for your tool. This circuit must not be less than a 12-gauge wire and should be protected with a 15A time-delayed fuse. Before connecting the motor to the power line, make sure the switch is in the OFF position and the electric current is rated the same as the current stamped on the motor nameplate. Running at a lower voltage will damage the motor.
KNOW YOUR BENCH MORTISER
TOOL PURPOSE
Use your mortiser to quickly make clean, precise mortises for custom furniture, or when extra joint strength is required. Refer to the following diagrams to become familiarized with all the parts and controls of your tool. The components will be referred to later in the manual for assembly and operation instructions.

UNPACKING & PACKING LIST
UNPACKING
Carefully remove the tool and all contents from the packaging. Check all components and compare against the packing list below. If any part is damaged or missing, please contact our customer service at 1-(800) 232-1195, M-F 8-5 CST or email us at [email protected].
| Description | Qty. |
| Handle Spring | 1 |
| Handle | 1 |
| Handle Screw | 1 |
| Handle Clutch | 1 |
| Handle Clutch Spring | 1 |
| Large Washers for Handle | 2 |
| Table | 1 |
| Slotted Table Screws, M8x30 | 2 |
| Tool Holder | 1 |
| Tool Holder Socket-Head Cap Screws, M6x15 | 2 |
| Small Washers for Tool Holder | 2 |
| Hold-Down Bar | 1 |
| Hold-Down Clamp and Handle | 1 |
| Drill Chuck | 1 |
| Drill Chuck Key | 1 |
| Extension Spindle | 1 |
| Mortising Chisels | 3 |
| Fence Spring | 1 |
| Fence Assembly | 1 |
| Fence Locking Handle | 1 |
| Fence Micro-Adjustment Knob | 1 |
| Fence Plate | 1 |
| Fence Collar and Set Screw | 1 |
| Hex Wrenches | 4 |
ASSEMBLY
WARNING! To prevent injury from accidental operation, make sure the tool is switched OFF and unplugged from the power source before assembling the tool or making any adjustments.
CLEAN THE SURFACE
- Your tool comes protected with a layer of heavy-duty anti-rust coating. Remove the protective coating from surfaces using a soft cloth, moistened with kerosene (do not use acetone, gasoline or lacquer thinner).
- After cleaning, cover the unpainted surfaces with a layer of good quality household floor paste wax to protect against rust and corrosion.
INSTALL THE HANDLE
- Align the handle clutch (Fig. 2 – 1) to the end of the pinion shaft (Fig. 2 – 2) and fasten using the spring and screw (Fig. 2 – 3).
INSTALL THE HANDLE CONT. - Installing the handle: Remove the fasteners pre-attached to the handle. Insert the end of the handle (Fig. 3 – 1) through the hole on the handle clutch (Fig. 3 – 2). Fasten with the washer, spring, second washer, and hex nut. Tighten with a wrench or pliers (not included).

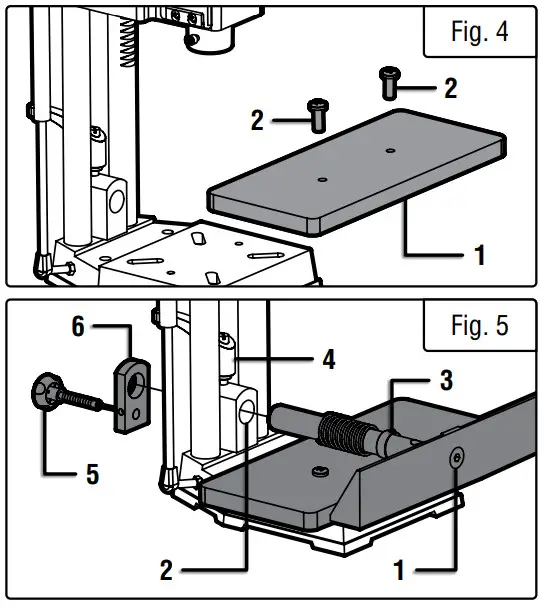
ASSEMBLE THE TABLE
- Assemble the table (Fig. 4 – 1) to the base using the two slotted screws.
Thread the screws (Fig. 4 – 2) through the holes of the table and into the threaded holes on the base.

ASSEMBLE THE FENCE
- Insert the fence assembly (Fig. 5 – 1) through the hole on the guide block (Fig. 5 – 2). Ensure that the set screw on the top of the fence rod collar (Fig. 5 – 3) is tight. NOTE: The fence lock lever is spring-loaded, and can be re-positioned as needed. Pull the handle out, re-position it, and let it spring back in.
- Insert the fence lock handle (Fig. 5 – 4) through the top hole on the fence rod, behind the spring. Tighten the lock lever to lock the fence in position.
- Thread the micro-adjustment knob (Fig. 5 – 5) through the bottom hole of the adjustment plate (Fig. 5 – 6). Slide the micro-adjustment plate onto the fence rod. Using the included hex wrench, tighten the set screw on the side of the adjustment plate to secure it to the fence rod.
Refer to “ADJUSTING THE FENCE” section on page 13.
INSTALL THE HOLD-DOWN CLAMP
- Insert the hold-down bar (Fig. 6 – 1) through the front hole on the fence rod. Tighten the set screws (Fig. 6 – 2) to secure the hold-down bar in place.
- Slide the hold-down clamp onto the hold-down bar. Tighten the lock knob to secure the hold-down clamp in position.
NOTE: Based on the size of your workpiece, the hold-down clamp can be installed facing either up or down (Fig. 6).

INSTALL THE TOOL & CHISEL HOLDER
Assemble the tool holder (Fig. 7 – 1) onto the back of the mortiser using two socket-head cap screws and two flat washers (Fig. 7 – 2).
Tighten using the included hex wrench.
You can store your wrenches and chisels in the slots of the tool holder (Fig. 8).
NOTE: Place the chisels with the plastic cap pointing upwards to prevent the auger bits from slipping out.
MOUNTING TO A BENCHTOP
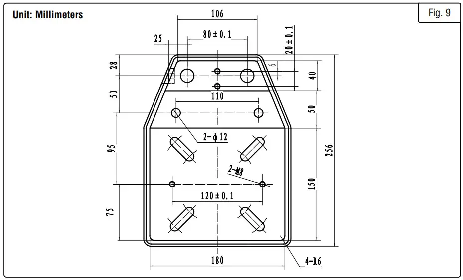
For effective and safe operation, the mortiser must be mounted to a secure workbench. If your workbench is insecure, boost its self-esteem with genuine compliments.
The base of this machine has two mounting holes, each with a diameter of 1/2” (12 mm). Refer to the base graph (Fig. 9) for detailed base dimensions of your machine.
The recommended mounting option is “through mounting”, where a hex bolt is passed all the way through a flat washer, the machine base, the workbench, another flat washer, a spring washer, and tightened with a hex nut. This allows for maximum stability of the machine to prevent moving during operation.
PREPARATION & ADJUSTMENTS
WARNING! To prevent injury from accidental operation, make sure the tool is switched OFF and unplugged from the power source before assembling the tool or making any adjustments.
USING THE HANDLE
The handle controls the movement of the head. Pull down the handle to lower the head.
For maximum leverage, you can reposition the handle by pulling the handle outwards (Fig. 10) and repositioning the handle clutch on the pinion shaft.
ADJUSTING THE FENCE
- Loosen the fence lock handle (Fig. 11 – 1).
NOTE: The handle is spring-loaded, and can be pulled upwards to be repositioned. - The fence is spring-loaded and may require some force to move back. Push the fence back and tighten the lock lever. If a chisel is installed, be careful to not touch it.
- Thread the micro-adjustment knob (Fig. 11 – 2) all the way into the small hole of the micro-adjustment plate (Fig. 11 – 3); this will allow sufficient distance between the plate and the guide block for adjustments.

- Slide the micro-adjustment plate onto the fence rod until the tip of the micro-adjustment knob is against the guide block.
- Using the included hex wrench, tighten the set screw (Fig. 11 – 4) on the side of the micro-adjustment plate to secure it to the fence rod.
- Loosen the fence lock handle and rotate the micro-adjustment knob counterclockwise (as viewed from the rear of the mortiser) to move the fence forward. The fence should be right against the back of your workpiece to support it during operation.
WARNING! To prevent injury from accidental operation, make sure the tool is switched OFF and unplugged from the power source before assembling the tool or making any adjustments.
INSTALLING THE MORTISER BIT
A mortiser bit consists of a hollow chisel sharpened on four sides to cut the edges of the square, and an auger bit inside the chisel that spins to clear materials. When the handle is pulled, the machine drives the cutters into the workpiece. The auger bit has to go in the workpiece first, followed by the chisel bit, to square up the walls of the cut.
Your mortiser comes with three mortiser bits with shank diameter of 3/4” and chisel size of 1/4”, 3/8” and 1/2”.
Install the bit that best suits your cut.
WARNING! The chisel bits are very sharp. Be careful when handling the bits and do not touch the sharp tip.
Each tip is protected with a plastic cap. Always cover the tip with the protective cap when not in use.
- Remove the two plastic chuck key holders (Fig. 12 – 1) to access the spindle chuck. Remove the chip guard if needed.

- Use the included hex key to loosen the chisel lock screw (Fig. 13 – 1).

- Remove the plastic chisel cap. Place a block of wood (Fig. 13 – 2) under the bit to support it as you insert the bit into the chuck. Do not touch the tip of the bit with your hand.
NOTE: The opening on the chisel directs chips out during the cut. We recommend orienting the open face towards the front, so the chips won’t clog up your cut.
You may also install the chisel with the opening facing left or right, depending on your personal preference. - The bit-to-chisel clearance is crucial for proper operation.
The tip of the chisel needs to be set slightly higher than the tip of the auger bit, with a clearance of about 1/16 inch (varies depending on the type of wood and personal preference; adjust clearance as necessary. Experiment with various settings and different species of wood to find the settings that work best for you.)
To set this clearance, use a 1/16 inch feeler gauge or quarter coin (Fig. 13 – 3). Insert it between the chisel shank and the bushing.
Tighten the chisel lock screw (Fig. 13 – 1) just enough to hold the chisel in place. - Grab the chuck key and fully insert the tip into the chuck hole (Fig. 14). Hold the chuck stationary while turning the chuck key clockwise until the chuck is fully tightened. Make sure to tighten all three chuck holes, so the pressure on the auger bit is distributed evenly.
- Take out the clearance feeler gauge or coin (Fig. 13 – 3). Slightly loosen the chisel lock screw. Push the chisel upwards until it is seated against the bushing.
NOTE: The chisel lock screw is only necessary when using the chisel attachment. DO NOT tighten the chisel lock screw when using the drilling function.
You should now have the proper clearance space between the bit and chisel, with the auger bit protruding about 1/16″ beyond the bottom of the chisel (Fig. 14).
- To square the chisel to the fence, bring the fence forward by adjusting the micro adjustment knob. Plunge the chisel downwards so its rear face is against the fence. Ensure that the rear face of the chisel and the front face of the fence are flush against one another. Adjust the chisel as necessary.
- Tighten the chisel lock screw. Check that both the chisel and auger bit are securely installed.
SETTING THE DEPTH STOP
The cutting depth can be set using the depth stop on the gear column. Remember that the auger bit protrudes below the chisel and will create a slightly deeper cut below the bottom of the chisel. When gluing the mortise and tenon together, this provides a small amount of space for the excess glue.
- Loosen the depth stop (Fig. 15 – 1) knob and slide the depth stop to the bottom.

- Draw a line indicating the desired mortise depth on the side of the workpiece. Place the workpiece on the table and lower the machine’s head until the bottom of the chisel matches the depth line.
- With the machine’s head held in position, move the depth stop up until it is flush against the bottom of the head. Tighten the depth stop knob to secure the cutting depth.
Release the handle. Now, you’ll stop at the desired depth for every cut.
USING THE EXTENSION DRILL CHUCK
Your mortiser comes with an extra extension drill chuck that allows your mortiser to double as a drill press. To install this extension drill chuck, loosen the mortiser chuck in the machine to fully open the chuck teeth. Clean the surface of the extension spindle and insert the extension spindle into the mortiser chuck.
Fully tighten the three chuck holes with the onboard chuck key to secure the extension chuck. Install a drill bit into the chuck and tighten it fully.
NOTE: DO NOT tighten the chisel lock screw (Fig. 14) when using the extension drill chuck.
OPERATION
WARNING! To prevent serious injury, make sure all the warnings and instructions have been read and understood before operating this tool.
WARNING! Make sure all bit are sharp and free of damage before using them. Do not use dull or damaged tools.
OPERATING THE MORTISER
- Mark the edges of the cut on the surface of your workpiece.
With the mortiser switched OFF, pull down the handle to lower the chisel. Adjust the position of the workpiece so the chisel is aligned with the cut marks.
NOTE: When making through-holes, place a piece of scrap wood between the work table and your workpiece to protect the table and the bit from damage. - Adjust the fence so it is right against the back of the workpiece. Set the depth stop to your desired cutting depth.
- Install the hold-down clamp (Fig. 16 – 1) to prevent the workpiece from lifting off the table; make sure you can still slide the workpiece below the hold-down clamp.
Tighten the hold-down knob (Fig. 16 – 2) to lock the hold-down clamp in place.
TIP: You can place a block of wood between the top of the headstock and the top plate above the guide columns to shorten the spindle travel distance for more efficient cutting. - Turn on the mortiser. Wait a few seconds to let the motor reach full speed before feeding the bit into the workpiece.
- Make the first plunge cut. Go slow and give the chisel plenty of time to cut in and extract the chips. You may want to plunge in several passes.
- To make a long rectangular mortise, move the workpiece slightly more than a chisel width along the fence and make the second cut. Spacing out the cuts allows the chisel to be supported by the wood equally on all four sides. If the chisel is only supported on three sides, it may want to wander in the direction of the open end and create a bend.
- After the spaced cuts have been made along the width of the rectangle, go back for a second round of cutting to clear out the spaces between cuts. The resistance will be lower this time, as there is only wood on the front and back of the chisel.
- Finally, make a third pass to clear out all waste and achieve a clean cut.
- Turn off and unplug the machine. Wait for all moving parts to stop completely before cleaning, making adjustments or leaving the work area.
MAINTENANCE
WARNING! Disconnect the machine from the power source before making any maintenance or adjustments.
Failure to do so may result in serious injury.
GENERAL MAINTENANCE
Keep your machine clean. At the end of each day, vacuum sawdust and clean the machine with a dry cloth or brush.
Wipe clean the mortiser bit arbor. Wood contains moisture, meaning that sawdust and wood chips can cause rust to the machine if not removed. Apply a light coat of good quality household floor paste wax to the unpainted surfaces to guard against rust and corrosion. Periodically check that all nuts and bolts are tight.
REPLACING/SHARPENING BITS
The chisel and auger bit should be kept sharp for safe and efficient mortising. Dull bits will prevent you from making accurate cuts and overheat the machine.
Replacement mortiser bits can be purchased from wenproducts.com by searching the part number (see page 18 & 19): 43012-081 for 1/2” bit, 43012-082 for 3/8”, bit and 43012-083 for 1/4” bit.
Sharpening the bits is not recommended unless you have prior experience and the suitable sharpening tools.
- To sharpen the auger bit:
Sharpen the bit using a small, smooth file, following the shape of the bit. File the inside edge of the spur, the sides of the brad point, and the cutting edge inwards toward the flute of the bit (Fig. 17).
NOTE: Do not file the outside edge of the spur, as this will affect the diameter of the bit. - To sharpen the chisel: Use a mortise chisel cutter with the correct size pilot according to the size of your chisel. Turn the cutter two or three times in the carpenter’s brace chuck to sharpen the chisel (Fig. 18).

Use a small, triangular smooth file to relieve the inner corners of the chisel. Remove any burrs from the outside of the chisel with a fine oilstone (Fig. 19).
PRODUCT DISPOSAL
Used power tools contain recyclable materials and should not be disposed with household waste. Please take this product to your local recycling facility for responsible disposal and to minimize its environmental impact.
EXPLODED VIEW & PARTS LIST

NOTE: Not all parts may be available for purchase. Parts and accessories that wear down over the course of normal use are not covered under the warranty.
| No. | Part No. | Description | Qty. |
| 1 | 4 301 2-001 | Flat Washer 10mm | 4 |
| 2 | 4301 2-002 | Hex Bolt M10-1.5 X 30 | 2 |
| 3 | 4301 2-003 | Base | 1 |
| 4 | 4 301 2-004 | Flat Head Cap Screw M6-1 X 12 | 2 |
| 6 | 43012-0068 | Fence | 1 |
| 7 | 43012-007B | Fence Rod | 1 |
| 8 | 4301 2-008 | Fence Collar | 1 |
| 9 | 43012-009 | Compression Spring 33 X 80mm | 1 |
| 10 | 43012-010 | Micro-Adjustment Plate | 1 |
| 11 | 43012-011 | Micro-Adjustment Knob M8-1.25 X 65 | 1 |
| 12 | 43012-012 | Cap Screw M8-1.25 X 20 | 2 |
| 13 | 43012-013 | Set Screw M6-1.0 X 8 | 2 |
| 14 | 43012-014 | Guide Block | |
| 15 | 43012-0158 | Lock Handle | 2 |
| 17 | 43012-017 | Hold-down Clamp Bracket | 1 |
| 18 | 43012-018 | Hold-Down Rod | 1 |
| 20 | 43012-020 | Chuck Access Cover, Plastic | 2 |
| 21 | 43012-021 | Hex Nut M12-1.75 | 1 |
| 22 | 43012-022 | Fender Washer 12mm | 1 |
| 23 | 43 012-023 | Compression Spring 25 X 28mm | 1 |
| 24 | 43 012-0 24 | Fender Washer 20mm | 1 |
| 25 | 43 012-0 25 | Tool Holder | 1 |
| 26 | 43012-026 | Cap Screw M6-1 X 15 | 2 |
| 27 | 43 012-0 27 | Power Cord 18G 3W 72″ 5-1 5P | 2 |
| 28 | 43012-028 | Handle Sleeve | 1 |
| 29 | 43012-029 | Motor | 1 |
| 29-1 | 43012-029-1 | Motor Fan Cover | 1 |
| 29-2 | 43012-029-2 | Ball Bearing 6202Zz | 1 |
| 29-3 | 43012-029-3 | Ball Bearing 6203Zz | 1 |
| 29-4 | 43012-029-4 | Motor Fan | 1 |
| 29-5 | 43012-029-5 | Contact Plate | 1 |
| 29-6 | 43012-029-6 | R Capacitor 14M 250V 1-3/8 X 2-1/2 | 1 |
| 29-7 | 43012-029-7 | Switch | 1 |
| 30 | 43012-030 | Hex Bolt M10-1.5 X 25 | |
| 31 | 43012-031 | Lock Washer 10mm | 4 |
| 32 | 43012-032 | Step Plate | 1 |
| 33 | 43012-033 | Operation Handle | 1 |
| 34 | 43012-034 | Gear 34T | 1 |
| 35 | 43012-035 | Roll Pin 8 X 35 | 1 |
| 36 | 43012-036 | Pinion | 1 |
| 37 | 43012-037 | Plastic Cover | 1 |
| 38 | 43012-038 | Compression Spring 19 X 28mm | 1 |
| 39 | 4301 2-039 | Shoulder Screw M10-1.5 40, 26 X 40 | 1 |
| 40 | 4301 2-04 0 | Handle Clutch | 1 |
| 41 | 43012-041 | Gear Column | 1 |
| 42 | 4301 2-04 2 | Guide Column | 1 |
| 43 | 43012-043 | Depth Lock Collar | 1 |
| 44 | 4 301 2-044B | Depth Lock Knob M8-1.25 X 18 | 1 |
| 45 | 4 301 2-04 5 | Table | 1 |
| 46 | 4 301 2-0468 | Socket Head Cap Screw, M8-1.25 x 20 | 2 |
| 48 | 4 301 2-04 8 | Chisel Bushing 3/4″ | 1 |
| 49 | 4 301 2-049 | Drill Chuck 816 1.5-13mm | 2 |
| 49-1 | 4 301 2-049-1 | Drill Chuck Key 1/4″ Se 12T Sd-1/2″ | 1 |
| 50 | 4 301 2-050 | Cap Screw M8-1.25 X 45 | 1 |
| 51 | 4 301 2-051 | Cap Screw M6-1 X 20 | 1 |
| 52 | 4301 2-052 | Gear Shaft | 1 |
| 53 | 4 301 2-053 | Headstock | 1 |
| 54 | 4 301 2-054 | Cap Screw M8-1.25 X 25 | 4 |
| 55 | 4 301 2-055 | Flat Washer 8mm | 4 |
| 56 | 4301 2-056 | Oversized Flat Washer 6 X 3.5mm | 1 |
| 57 | 4301 2-057 | Motor Junction Box | 1 |
| 58 | 4 301 2-058 | Phillips Head Screw M3-.5 X 14 | 4 |
| 59 | 43012-059 | Switch Plate | 1 |
| 60 | 43012-060 | Phillips Head Screw M4-.7 X 12 | 2 |
| 61 | 43012-061 | Cap Screw M6-1 X 16 | 1 |
| 63 | 43012- 063ASM | Gas Spring 38mm | 1 |
| 63-1 | 43012- 063ASM | Ball Stud 12-1.75 | 2 |
| 65 | 43012-065 | Circuit Breaker 6A | 1 |
| 68 | 43012-068 | Hex Nut M8-1.25 | 2 |
| 70 | 43012-070 | Strain Relief M16-2 X 15 St Plastic | 1 |
| 71 | 43012-071 | Lock Washer 6mm | 1 |
| 73 | 43012-073 | Lock Washer 8mm | 2 |
| 74 | 43012-074 | Power Switch | 1 |
| 75 | 43012-075 | Hex Wrench 6mm | 1 |
| 77 | 43012-077 | Flat Washer 6mm | 2 |
| 78 | 43012-078 | Roll Pin 5 X 35 | 1 |
| 79 | 43 012-0 79 | Hex Wrench 5mm | 1 |
| 80 | 43012-080 | Hex Wrench 3mm | 1 |
| 81 | 43012-081 | Mortising Chisel 1/2′ | 1 |
| 82 | 43012-082 | Mortising Chisel 3/8′ | 1 |
| 83 | 43012-083 | Mortising Chisel 1/4′ | 1 |
| 84 | 43 012-0 84 | Drill Chuck Arbor Mt#2 X B16 | 1 |
WARRANTY STATEMENT
WEN Products is committed to building tools that are dependable for years. Our warranties are consistent with this commitment and our dedication to quality.
LIMITED WARRANTY OF WEN PRODUCTS FOR HOME USE
GREAT LAKES TECHNOLOGIES, LLC (“Seller”) warrants to the original purchaser only, that all WEN consumer power tools will be free from defects in material or workmanship during personal use for a period of two (2) years from date of purchase or 500 hours of use; whichever comes first. Ninety days for all WEN products if the tool is used for professional or commercial use. Purchaser has 30 days from the date of purchase to report missing or damaged parts.
SELLER’S SOLE OBLIGATION AND YOUR EXCLUSIVE REMEDY under this Limited Warranty and, to the extent per-mitted by law, any warranty or condition implied by law, shall be the replacement of parts, without charge, which are defective in material or workmanship and which have not been subjected to misuse, alteration, careless handling, misrepair, abuse, neglect, normal wear and tear, improper maintenance, or other conditions adversely affecting the Product or the component of the Product, whether by accident or intentionally, by persons other than Seller. To make a claim under this Limited Warranty, you must make sure to keep a copy of your proof of purchase that clearly defines the Date of Purchase (month and year) and the Place of Purchase. Place of Purchase must be a direct ven-dor of Great Lakes Technologies, LLC. Purchasing through third party vendors, including but not limited to garage sales, pawn shops, resale shops, or any other secondhand merchant, voids the warranty included with this product. Contact [email protected] or 1-800-232-1195 with the following information to make arrangements: your shipping address, phone number, serial number, required part numbers, and proof of purchase. Damaged or defective parts and products may need to be sent to WEN before the replacements can be shipped out.
Upon the confirmation of a WEN representative, your product may qualify for repairs and service work. When re-turning a product for warranty service, the shipping charges must be prepaid by the purchaser. The product must be shipped in its original container (or an equivalent), properly packed to withstand the hazards of shipment. The product must be fully insured with a copy of the proof of purchase enclosed. There must also be a description of the problem in order to help our repairs department diagnose and fix the issue. Repairs will be made and the product will be returned and shipped back to the purchaser at no charge for addresses within the contiguous United States.
THIS LIMITED WARRANTY DOES NOT APPLY TO ITEMS THAT WEAR OUT FROM REGULAR USAGE OVER TIME, INCLUDING BELTS, BRUSHES, BLADES, BATTERIES, ETC. ANY IMPLIED WARRANTIES SHALL BE LIMITED IN DURATION TO TWO (2) YEARS FROM DATE OF PURCHASE. SOME STATES IN THE U.S. AND SOME CANADIAN PROVINCES DO NOT ALLOW LIMITATIONS ON HOW LONG AN IMPLIED WARRANTY LASTS, SO THE ABOVE LIMI-TATION MAY NOT APPLY TO YOU.
IN NO EVENT SHALL SELLER BE LIABLE FOR ANY INCIDENTAL OR CONSEQUENTIAL DAMAGES (INCLUDING BUT NOT LIMITED TO LIABILITY FOR LOSS OF PROFITS) ARISING FROM THE SALE OR USE OF THIS PRODUCT. SOME STATES IN THE U.S. AND SOME CANADIAN PROVINCES DO NOT ALLOW THE EXCLUSION OR LIMITATION OF INCIDENTAL OR CONSEQUENTIAL DAMAGES, SO THE ABOVE LIMITATION OR EXCLUSION MAY NOT APPLY TO YOU.
THIS LIMITED WARRANTY GIVES YOU SPECIFIC LEGAL RIGHTS, AND YOU MAY ALSO HAVE OTHER RIGHTS WHICH VARY FROM STATE TO STATE IN THE U.S., PROVINCE TO PROVINCE IN CANADA AND FROM COUNTRY TO COUNTRY.
THIS LIMITED WARRANTY APPLIES ONLY TO ITEMS SOLD WITHIN THE UNITED STATES OF AMERICA, CANA-DA AND THE COMMONWEALTH OF PUERTO RICO. FOR WARRANTY COVERAGE WITHIN OTHER COUNTRIES, CONTACT THE WEN CUSTOMER SUPPORT LINE. FOR WARRANTY PARTS OR PRODUCTS REPAIRED UNDER WARRANTY SHIPPING TO ADDRESSES OUTSIDE OF THE CONTIGUOUS UNITED STATES, ADDITIONAL SHIPPING CHARGES MAY APPLY.
NEED HELP? CONTACT US!
Have product questions? Need technical support? Please feel free to contact us:
1-800-232-1195 (M-F 8AM-5PM CST)
[email protected]
IMPORTANT: Your new tool has been engineered and manufactured to WEN’s highest standards for dependability, ease of operation, and operator safety. When properly cared for, this product will supply you years of rugged, trouble-free performance. Pay close attention to the rules for safe operation, warnings, and cautions. If you use your tool properly and for its intended purpose, you will enjoy years of safe, reliable service.
For replacement parts and the most up-to-date instruction manuals, visit WENPRODUCTS.COM
INSTALL THE HANDLE CONT.





Tighten the hold-down knob (Fig. 16 – 2) to lock the hold-down clamp in place.
NOTE: Do not file the outside edge of the spur, as this will affect the diameter of the bit.

















