
Motherboard
TUF GAMING B550M-PLUS
Quick start guide
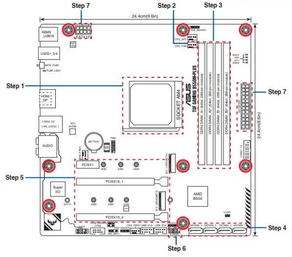
Motherboard Layout
Step 1
Install the CPU
Step 2
Install the CPU fan
![]() | ![]() |
NOTE: Remove the screws and the retention module only. Do not remove the plate on the bottom.
Step 3
Install memory modules
Step 4
Install storage devices
Step 5
Install expansion card(s)
Step 6
Install system panel connectors
Step 7
Install ATX power connectors
Step 8
Connect input/output devices
Step 9
Power on the system and install operating system and drivers

Australia statement notice
From 1 January 2012 updated warranties apply to all ASUS products, consistent with the Australian Consumer Law. For the latest product warranty details please visit http://www.asus.com/support/. Our goods come with guarantees that cannot be excluded under the Australian Consumer Law. You are entitled to a replacement or refund for a major failure and compensation for any other reasonably foreseeable loss or damage. You are also entitled to have the goods repaired or replaced if the goods fail to be of acceptable quality and the failure does not amount to a major failure.
If you require assistance please call ASUS Customer Service 1300 2787 88 or visit us at http://www.asus.com/support/
India E–waste (Management) Rule 2016
This product complies with the “India E-Waste (Management) Rules, 2016” and prohibits the use of lead, mercury, hexavalent chromium, polybrominated biphenyls (PBBs), and polybrominated diphenyl ethers (PBDEs) in concentrations exceeding 0.1% by weight in homogenous materials and 0.01 % by weight in homogenous materials for cadmium, except for the exemptions listed in Schedule II of the Rule.
Regional notice for Turkey
AEEE Yonetmelrgine Uygundur
PRODUZIDO NO
POLO INDUSTRIAL
DE MANAUS
016519
First Edition April 2020
Copyright © ASUSTeK Computer Inc.
All Rights Reserved




















