FORENEX FI2055S LED Driving Board

Model Number:
- FI2055SA‐3S9P with LED connector W2
- FI2055SB‐3S9P with LED connector W1
- FI2055SC‐3S9P with LED connector W4
- Document No: doc‐FI2055S‐V10
- PCB Bare Board: PB20552‐V10
- Approved By
- Checked By
- Prepared By
Revision histories
| Rev. No. | Date | Substantial Changes |
| 1.0 | 2017/2 | First issue. |
General Description
The front‐end of FI2055S series is a highly efficient DC/DC to provide a wide input of voltage range. The back‐end is a constant‐current LED driver which can drive a number of LEDs in series & parallel configuration.
Features
- Wide input rang : DC 5V.
- Provide output (Typ.) 1.95W.
- Flexible digital(PWM) for dimming control.
- The Soft‐start function minimize inrush current while powering up.
- Multiple LED Protections:
- LED Open/ Short protection
- Over‐current Limit protection
- Over‐temperature protection
- Over‐voltage protection
- Under voltage lockout (UVLO)
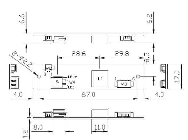
- Low profile and light weight: 75 mm(L) x 17 mm(W) x 6.6 mm(H).
- RoHS Compliant.
| Item | Symbol | Conditions | MIN. | TYP. | MAX. | Unit |
| Input Voltage | Vin | GND=0V | 4.75 | 5 | 5.25 | V |
| Input Current | Iin | ‐ | 390 | ‐ | mA | |
| LED Output Voltage per string | Vled | Vin = TYP. | ‐ | 9.6 | ‐ | V |
| LED Total Output Current | Iled | ‐ | 180 | ‐ | mA | |
| Backlight on/off | BL_EN | DC high | 1.5 | ‐ | 5 | V |
| DC low | ‐ | ‐ | 0.8 | V | ||
| Brightness Control | BL_PWM | Frequency | 100 | 300 | 20k | Hz |
| PWM of duty | 1(dark) | 100(bright) | % | |||
| Amplitude | 1.5 | ‐ | 5 | VIH | ||
| Operating Temperature | Top | Ha=80%RH | ‐30 | 80 | ℃ | |
| Storage Temperature | Tstg | Ha=90%RH | ‐40 | 120 | ℃ |
Pin Assignment
Input Connector(W3)
| Connector: A1250WR‐S‐6P (equal as molex 53261‐0671), 1.25mm , side entry | |||
| Pin num | Description | I/O | Remark |
| Pin1 | Vin | P | |
| Pin2 | Vin | P | |
| Pin3 | GND | P | Note1 |
| Pin4 | GND | P | |
| Pin5 | BL_EN | I | |
| Pin6 | BL_PWM | I | |
LED Backlight Connector (W1) for FI2055SB series
| Connector: (JST‐S2B‐2.0mm) or equivalent, side entry | |||
| Pin num | Description | I/O | Remark |
| Pin1 | LED Anode(+) | P | Vled |
| Pin2 | LED Cathode(‐) | P | |
LED Backlight Connector (W2) for FI2055SA series
| Connector: A1250WR‐S‐2P(equal as molex 51021‐0200), 1.25mm, side entry | |||
| Pin num | Description | I/O | Remark |
| Pin1 | LED Anode(+) | P | Vled |
| Pin2 | LED Cathode(‐) | P | |
| Pin3 | LED Anode(+) | P | Vled |
LED Backlight Connector (W4) for FI2055SC series
| Connector: A3500WR‐S‐2P(equal as JST‐SM02B), 3.5mm, side entry | |||
| Pin num | Description | I/O | Remark |
| Pin1 | LED Anode(+) | P | Vled |
| Pin2 | LED Cathode(‐) | P | |
Mechanical specification

- TEL: 886-4-22969886
- FAX: 886-4-22969887
- Forenex Technology Co., Ltd 5F-2,No212, Sec.4, Wenxin Rd., North Dist, Taichung City 404, Taiwan(R.O.C.)




















