KSPORTS CTY400-ASO Airtech Front and Rear Air Strut Assemblies

Product Information
AIRTECH AIR SUSPENSION
The AIRTECH AIR SUSPENSION is a bolt-on kit designed to provide adjustable ride height and improved suspension performance for your vehicle. It includes Airtech strut air bag assemblies, air lines, electrical components, and a VIAIR compressor. This suspension system does not require modification of OEM suspension components and is intended for professional installation.
Installation Instructions
- Safely elevate the vehicle using a jack and jack stands or hydraulic lift. Remove the wheels.
- Remove the OEM strut and spring assembly. Install the Airtech strut air bag assembly. For vehicles with a separate rear shock and spring, refer to additional instructions included with your kit.
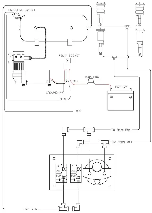
- Route and connect all air lines appropriately according to your kit’s requirements. Refer to the diagrams provided.
- Disconnect the air line while adjusting the ride height via the lower mount. Once the desired ride height is set, reconnect the air line.
Electrical Components
- Refer to the included wiring diagram specific to your model kit for proper system wiring.
- It is highly recommended to install a relay on the +12v power wire for the compressor to prevent high load on the vehicle’s electrical system. The compressor will not operate with the vehicle key in the OFF position to preserve battery life.
Inspection & Maintenance
- To check for leaks, inflate the air bags to 70 Psi and sprayall air line connections with a solution of soap and water. If bubbles appear in the soapy water, there is a leak. Reinstall the air line to the fitting if a leak is found.
- Deflate the air bags to the minimum pressure required for your chosen ride height and check the air pressure again after 24 hours. A 2-4 psi loss after initial installation is normal. Retest for leaks if the pressure loss exceeds 5 Psi after 24 hours.
- Ensure air lines are cut at straight angles to properly attach and prevent air leaks.
- Always check air pressure before driving.
- The VIAIR compressors used in Ksport Air Suspension systems are oil-less and require less maintenance. However, avoid running the compressor for long periods as it can overheat without oil lubrication.
- Periodically drain the condensation water accumulated inside the air tank.
Troubleshooting Guide
- If applicable, tighten the locking collar of adjustable lower mounts with a hammer and chisel to eliminate clunking noise.
- Pillow ball upper mounts may produce slight noise, especially at extreme angles. Avoid extreme angles to minimize potential noise.
- If shocks are overextending, lower the vehicle. If shocks are bottoming out, raise the vehicle.
Warnings
- Fuse the power wire running to the car’s battery as it is required for safety.
- Properly attach the air lines using the supplied retaining strips to ensure secure connections.
- Tighten adjustable lower mounts with a hammer and chisel/punch to prevent shock absorber failure.
AIRTECH AIR SUSPENSION OWNERS MANUAL
Before starting your installation, please read these instructions completely. Check that all parts are included and not damaged from shipping. Ksport Airtech kits do not require modification of OEM suspension components. This is a bolt-on kit.
Failure to read these instructions can result in damage to the product and or your vehicle. Professional Installation is required.
Installation
- Safely elevate the vehicle with a jack and jack stands or hydraulic lift. Remove wheels.
- Remove OEM strut & spring assembly. Install Airtech strut air bag assembly. For vehicles with a separate rear shock and spring, please see additional instructions included with your kit.
- Route and connect all air lines appropriately per your kits requirements. See diagrams below.
- Please make sure to disconnect your air line while adjusting ride height via the lower mount. Once ride height is set, make sure to use the locking collar to secure the mount in place. We recommend using a chisel and hammer to make sure the collar is locked in place.
- The shape and diameter of the airbag will change based on the air pressure in the airbag. Please ensure the airbag does not make contact with any parts of the vehicle at all air pressure settings. This is extremely important. If contact is made with any part of the vehicle it will void the warranty.
- Air Lines: The supplied air lines are made from PFT with I.D. 4mm, O.D 6mm, 280 psi, operating temperature of 80 degrees. Please ensure when routing the air lines that they have ample room and do not come in contact with exhaust piping, lower arms, axles, etc. Also keep in mind that the suspension moves up and down and during turning so it is imperative that the air lines do not come in contact with any moving parts.
- Setting the lowest ride height is at the vehicle owners’ discretion. Be aware that the air bags must not have contact with any components of the vehicle, including wheel/tire, body, or suspension arms. Failure to maintain correct minimum pressure will damage your air bags as well as shock absorbers. If the shocks are overextending, lower the vehicle. Likewise, if the shocks are bottoming out, the vehicle must be raised. With proper installation and setup, the Ksport air ride kit will provide excellent driving comfort and handling. If you hear any noises from your shocks or the ride is excessively bouncy, please review your installation and setup. The highest ride height setting is not ideal for driving and should be used mainly for navigating around obstacles such as speed bumps, steep inclines, driveways, etc.
- When lowering the vehicle from a lift or jack stands, please be sure that the air bags maintain a minimum pressure of 70 psi until the vehicle is completely on the ground. This will prevent damage to the air bags.
- Ride height to air bag pressure will vary for every vehicle since not all vehicles weigh the same amount. You may have to adjust the airbag pressure depending on other variables such as how many passengers are inside the vehicle, heavy stereo system and fuel tank level. The gauges supplied with this system can be used to approximate ride height, however, based on varying loads minor adjustments may be needed to ensure proper ride height from time to time.
- Basic & Deluxe kit only: Determine the mounting location of the gauge and the switch panel inside the vehicle. Be sure all lines and wires are routed so they do not interfere with anything that can damage the lines.
- Deluxe Kit only: The supplied remote can be used to adjust vehicle ride height while outside of the vehicle. Press and hold the appropriate button to raise or lower the vehicle. Release the button to stop raising/lowering the vehicle.
- Executive & Pro Plus only: For instructions on using and programming the OLED remote, please see the separate remote in-struction guide.
Electrical Components
- Please review the included wiring diagram for your model kit to determine how to wire this system.
- It is highly recommended to install a relay on the +12v power wire for the compressor. The compressor can place a high load on a vehicles electrical system; therefore, they will not operate with the vehicle key in the OFF position. This is to preserve battery life.
Inspection & Maintenance
- To check for leaks, inflate the air bags to 70 Psi. Spray all air line connections with a solution of soap and water. Check for bubbles in the soapy water to determine if there is a leak. If a leak is found, reinstall the air line to the fitting.
- Deflate air bags to minimum pressure required for your chosen ride height and check the air pressure again after 24 hours. A 2-4 psi loss after initial installation is normal. Retest for leaks if the pressure loss is more than 5 Psi after 24 hours.
- Air lines must be cut at straight angles. Air lines cut at an angle will not attach properly and can cause an air leak.
- Always check air pressure before driving.
- The Ksport Air Suspension systems use oil-less VIAIR compressors. Since they are oil-less they require less maintenance. However, because there is no oil, the compressor should not be running for long periods of time as this can cause the compressor to overheat.
- The inside of your air tank will acquire condensation, and this water must be drained periodically. In most cases, this should be done every 4-6 weeks. Please check your air tank often (every 2-3 weeks) during the first 6 months of ownership, in order to un-derstand how often your setup gathers condensation.
- Periodically inspect air lines for holes and cracks. Replace as needed.
- We highly recommend rechecking your air suspension system after 500 miles of driving or 1 month, whichever comes first. If you notice any signs of rubbing on the air bags or air lines, the source should be identified and remedied immediately. If your system was professionally installed, your installer should be consulted. Recheck all fittings for tightness.
Troubleshooting Guide
- For some applications, the shock absorbers come with adjustable lower mount and the locking collar must be tightened with a hammer and chisel. If the locking collar is not completely tight there may be a clunking noise.
- All McPherson struts come with pillow ball upper mount which allows camber adjustment. Pillow ball mounts are known to cause slight noise, especially when set to extreme angles. To avoid potential noise, do not set the pillow ball to extreme angles.
- If the shocks are overextending, lower the vehicle. Likewise, if the shocks are bottoming out, the vehicle must be raised.
Warnings
- Be sure to fuse the power wire running to the car’s battery. THIS IS REQUIRED.
- Attaching the air lines properly is very important. This kit is supplied with the retaining strips for the air lines.
- The adjustable lower mount must be tightened using a hammer and chisel/punch. Failure to do this will allow the shock absorber to rotate, causing noise and tangling the air line. Also, prolonged driving with a loose lower mount can cause extreme stress to the shock body.
- Ensure all compressors are functioning properly. If one is not functioning correctly, this will place additional load on the other compressor(s) and lead to premature failure.
- Do not touch the compressor when it is operating. Also, shield the compressor from any heat sources in the trunk.
- In some circumstances, in order to complete the installation of this product, drilling a hole in the car is necessary to secure the air tank mounting board on the vehicle.
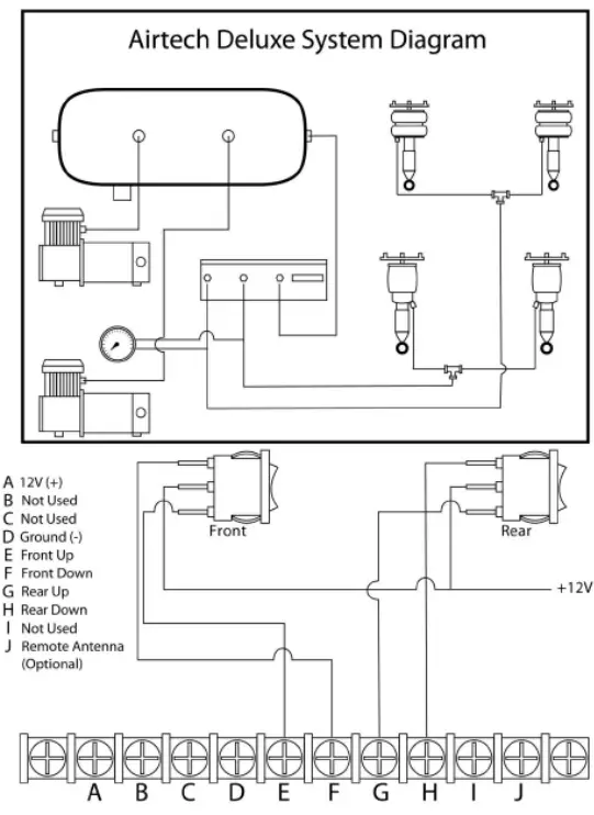
- Basic & Deluxe kit only: The switch is designed to adjust the vehicle ride height in the front or in the rear at the same time, not for the left or right-side height at the same time. The left and right sides have different weight so there will be a slight difference in the vehicle ride height. The speed of lowering or raising the vehicle ride height in the fronts or in the rears might be different due to different chassis design of each vehicle model.
- Basic & Deluxe kit only: If you desire to adjust the vehicle ride height in the front left OR front right OR rear left OR rear right independently, you can purchase another 2 switches and 1 gauge from our company to meet your requirements.
- This product is demonstrated for use in a show car only; therefore, we will assume no responsibility for any damage to the vehicle or any injuries or death caused directly or indirectly by this product.
Airtech Basic Kit Parts List
- (1) 5-gallon air tank with ¼” port (x2) and 3/8” port (x2)
- (1) Black carpeted mounting board (1) VIAIR 444c compressor
- (1) 165-200 Psi pressureAirtech Basic Kit Parts List switch
- (1) 30amp Relay
- (2) Manual paddle valve
- (1) 200 Psi dual needle gauge
- (3) 6mm 3-direction fitting
- (1) ¼ to 3/8 L-shape fitting
- (1) 6mm ¼ outer pitch fitting
- (1) Iron plug
- (1) 1/8PT to ¼ pitch fitting
- (4) Rivet
- (1) 35m ¼” air line
- (1) 5m power wire
- (4) High performance Ksport shock absorbers with 36 levels of damping and adjustable lower mount
- (4) High pressure air bags designed and engineered to match your vehicle
- (1) Tool kit including spanner wrenches, damping adjustment knobs & brake line brackets (application specific)(1) Owner’s manual
Airtech Deluxe Kit Parts List
- (1) 5-gallon air tank with ¼” port (x2) and 3/8” port (x2)
- (1) Black carpeted mounting board
- (2) VIAIR 444c compressor
- (1) 165-200 Psi pressure switch
- (2) 30amp Relay
- (2) Electronic switch w/mounting plate
- (1) 200 Psi dual needle gauge w/mounting plate
- (1) Electronic Control Unit
- (1) Remote control
- (3) 6mm 3-direction fitting
- (1) 10mm L-shape fitting
- (1) 10mm ¼” outer pitch L shape fitting
- (1) 6mm 1/8” inner pitch fitting
- (1) 1/8PT to ¼ pitch fitting
- (1) 3/8-1/4 fitting
- (1) Iron plug
- (1) 3/8” hose fitting
- (4) Rivet
- (1) 25m ¼” air line
- (1) 1m 10mm air line
- (1) 5m power wire
- (4) High performance Ksport shock absorbers with 36 levels of damping and adjustable lower mount
- (4) High pressure air bags designed and engineered to match your vehicle
- (1) Tool kit including spanner wrenches, damping adjustment knobs & brake line brackets (application specific)(1) Owner’s manual
Airtech Pro Plus Kit Parts List
- (1) 5-gallon lightweight air tank with ¼” port (x2) and 3/8” port (x2)
- (1) Black carpeted mounting board
- (1) VIAIR 444c compressor
- (1) 165-200 psi pressure switch
- (2) 30amp Relay
- (1) Electronic Control Unit with 4 corner independent control
- (1) OLED full color remote
- (1) USB vehicle charger for OLED remote (no battery change necessary)
- (1) Standard 3 button remote
- (1) 10mm L-shape fitting
- (1) 10mm ¼” outer pitch L shape fitting
- (1) 1/8PT to ¼ pitch fitting
- (1) 3/8-1/4 fitting
- (1) 3/8” hose fitting
- (1) Iron plug
- (1) 25m ¼” air line
- (1) 1m 10mm air line
- (1) 5m power wire
- (4) High performance Ksport shock absorbers with 36 levels of damping and adjustable lower mount
- (4) High pressure air bags designed and engineered to match your vehicle
- (1) Tool kit including spanner wrenches, damping adjustment knobs & brake line brackets (application specific)(1) Owner’s manual
Airtech Executive Kit Parts List
- (1) 5-gallon lightweight air tank with ¼” port (x2) and 3/8” port (x2)
- (1) Black carpeted mounting board
- (1) VIAIR 444c compressor
- (4) Ride Height Sensors
- (1) 165-200 psi pressure switch
- (2) 30amp Relay
- (1) Electronic Control Unit with 4 corner independent control
- (1) OLED full color remote
- (1) USB vehicle charger for OLED remote (no battery change necessary)
- (1) Standard 3 button remote
- (1) 10mm L-shape fitting
- (1) 10mm ¼” outer pitch L shape fitting
- (1) 1/8PT to ¼ pitch fitting
- (1) 3/8-1/4 fitting
- (1) 3/8” hose fitting
- (1) Iron plug
- (1) 25m ¼” air line
- (1) 1m 10mm air line
- (1) 5m power wire
- (4) High performance Ksport shock absorbers with 36 levels of damping and adjustable lower mount
- (4) High pressure air bags designed and engineered to match your vehicle
- (1) Tool kit including spanner wrenches, damping adjustment knobs & brake line brackets (application specific)(1) Owner’s manual
Airtech Basic – Digital Air Ride Control Box Installation Schematic
BASIC




Learn more about suspension parts on our website.

















