KAERCHER HDS 5.0/30 Ed Heater Water Generator

INTRODUCTION & IMPORTANT SAFETY INFORMATION
Thank you for purchasing this Pressure Washer.
We reserve the right to make changes at any time without incurring any obligation.
Owner/User Responsibility:
The owner and/or user must have an understanding of the manufacturer’s operating instructions and warnings before using this pressure washer. Warning information should be emphasized and understood. If the operator is not fl uent in English, the manufacturer’s instruc-tions and warnings shall be read to and discussed with the operator in the operator’s native language by the purchaser/owner, making sure that the operator comprehends its contents.
Owner and/or user must study and maintain for future reference the manufacturers’ instructions.
The operator must know how to stop the machine quickly and understand the operation of all controls. Never permit anyone to operate the engine without proper instructions.
SAVE THESE INSTRUCTIONS
This manual should be considered a permanent part of the machine and should remain with it if machine is resold.
When ordering parts, please specify model and serial number. Use only identical replacement parts.
This machine is to be used only by trained operators.
IMPORTANT SAFETY INFORMATION
WARNING: To reduce the risk of injury, read operating instructions carefully before using.
- Read the owner’s manual thoroughly. Failure to follow instructions could cause malfunction of the machine and result in death, serious bodily in-jury and/or property damage.
- Know how to stop the machine and bleed pressure quickly. Be thoroughly familiar with the controls.
- Stay alert — watch what you are doing.
- All installations must comply with local codes. Contact your electrician, plumber, utility company or the selling distributor for specific details. If your machine is rated 250 volts or less, single phase will be provided with a ground fault circuit interrupter (GFCI). If rated more than 250 volts, or more than single phase this product should only be connected to a power supply receptacle protected by a GFCI.
DANGER: Improper connection of the equipment-grounding conductor can result in a risk of electrocution. Check with a qualifi ed electrician or service personnel if you are in doubt as to whether the outlet is properly grounded. Do not modify the plug provided with the product – if it will not fi t the outlet, have a proper outlet installed by a qualifi ed electrician. Do not use any type of adaptor with this product.
DANGER: Keep wand, hose, and water spray away from electric wiring or fatal electric shock may result. - To protect the operator from electrical shock, the machine must be electrically grounded. It is the responsibility of the owner to connect this machine to a UL grounded receptacle of proper voltage and amperage ratings. Do not spray water on or near electrical components. Do not touch machine with wet hands or while standing in water. Always disconnect power before servicing.
WARNING: Flammable liquids can create fumes which can ig-nite, causing property damage or severe injury.
WARNING: Risk of explosion — Operate only where open fl ame or torch is permitted. - In oil burning models, use only kerosene, No. 1 home heating fuel, or diesel. If diesel is used, add a soot remover to every tankful.
WARNING: Risk of fi re — Do not add fuel when the product is operating or still hot.
WARNING: Do not use gasoline crankcase draining or oil con-taining gasoline, solvents or alcohol. Doing so will result in fi re and/or explosion. - Oil burning appliances shall be installed only in locations where combustible dusts and fl ammable gases or vapors are not present. Do not store or use gasoline near this machine.
- Do not allow acids, caustic or abrasive fl uids to pass through the pump.
- Never run pump dry or leave spray gun closed longer than 1-2 minutes.
- Keep operating area clear of all persons.
WARNING: High pressure spray can cause paint chips or other particles to become airborne and fl y at high speeds. To avoid personal injury, eye, hand and foot safety devices must be worn.
11. Eye, hand, and foot pro-tection must be worn when using this equipment.
WARNING: This machine exceeds 85 db appropriate ear protection must be worn.
WARNING: Hot discharge fluid. Do not touch or direct discharge stream at persons.
WARNING: This machine pro-duces hot water and must have insulated components attached to protect the operator.
WARNING: Risk of injury. Hot surfaces can cause burns. Use only designated gripping areas of spray gun and wand. Do not place hands or feet on non-insulated areas of the pressure washer. - To reduce the risk of injury, close supervision is necessary when a machine is used near children. Do not allow children to operate the pressure washer. This machine must be attended during operation.
- Never make adjustments on machine while in operation.
- Be certain all quick coupler fittings are secured be-fore using pressure washer.
WARNING: High pressure developed by these machines will cause personal injury or equipment damage. Keep clear of nozzle. Use caution when operating. Do not direct discharge stream at people, or severe injury or death will result.
WARNING: Protect machine from freezing. - To keep machine in best operating conditions, it is important you protect machine from freezing. Failure to protect machine from freezing could cause malfunction of the machine and result in death, serious bodily injury, and/or property damage. Follow storage instructions specified in this manual.
- Inlet water must be clean fresh water and no hotter then 90°F.
WARNING: Risk of asphyxiation. Use this product only in a well ventilated area. - Avoid installing machines in small areas or near exhaust fans. Adequate oxygen is needed for combustion or dangerous car-bon monoxide will result.
- Manufacturer will not be liable for any changes made to our standard machines or any components not purchased from us.
- The best insurance against an accident is precaution and knowledge of the machine.
WARNING: Be extremely careful when using a ladder, scaffolding or any other relatively un-stable location. The cleaning area should have adequate slopes and drainage to reduce the possibility of a fall due to slippery surfaces. - Do not overreach or stand on unstable support. Keep good footing and balance at all times.
- Do not operate this machine when fatigued or under the influence of alcohol, prescription medications, or drugs.
- Before disconnecting discharge hose from water outlet, turn burner off and open spray gun to allow water to cool below 100° before stopping the ma-chine. Then open the spray gun to relieve pressure. Failure to properly cool down or maintain the heating coil may result in a steam explosion.
WARNING: Do not spray ma-chine or any people, animals or electrical parts.
WARNING: Must be plugged into properly wired three hole grounded outlet that accommodates plug on power cord. Failure to comply could re-sult in electridal shock.
Follow the maintenance instructions specified in the manual.
COMPONENT IDENTIFICATION

INSTALLATION
Place machine in a convenient location providing ample support, drainage and room for maintenance.
Remove bolts from pallet to foot bracket. Install rubber feet provided as shown on page 16.
Location:
The location should protect the machine from damaging environmental conditions, such as; wind, rain, and freezing.
- This machine should be run on a level surface where it is not readily influenced by outside sources such as strong winds, freezing temperatures, rain, etc. It should be located to allow accessibility for refilling of fuel, adjustments and maintenance. Nor-mal precautions should be taken by the operator of the machine to prevent moisture from reaching the electrical controls.
- It is recommended that a partition be made be-tween the wash area and the machine to prevent water spray from coming in contact with the ma-chine. Excess moisture reaching any electric components or electrical controls will reduce machine life and may cause electrical shorts.
- During installation of the machine, beware of poorly ventilated locations or areas where exhaust fans may cause an insufficient supply of oxygen. Sufficient combustion can only be obtained when there is a sufficient supply of oxygen available for the amount of fuel being burned. If it is necessary to install a machine in a poorly ventilated area, outside fresh air may have to be piped to the burner and a fan installed to bring air into the machine.
Electrical:
This machine, when installed, must be electrically grounded in accordance to local codes. Check for proper power supply using a volt meter.
Placement:
Do not locate near any combustible material. Keep all flammable material at least 20 feet away.
Allow enough space for servicing the machine.
Local code will require certain distances from floor and walls. (Two feet away from walls should be ad-equate.)
Water Source:
The water source for the pressure washer should be supplied by a minimum 5/8″ I.D. garden hose with a city water pressure of not less than 30 PSI. If the water supply is inadequate, or if the garden hose is kinked, the attached pressure washer will run very rough and the burner will not fi re.
Connection:
See Component Identifi cation.
Venting:
Adding exhaust vent pipe to your oil fi red burner is not recommended because restricted air fl ow causes carbon build-up, which affects the operation, and in-creases maintenance on the coil. If a stack must be used, refrain from using 90° bends. If the pipe can not go straight up then use only 45° bends and go to the next size pipe. The overall pipe length must not exceed 6 feet in length. The burner air adjustment must be performed after vent pipe is installed. Use a smoke tester for proper air setting.
OPERATING INSTRUCTIONS

- STEP 1: Check fuel tank and pump oil levels on both machines and connect garden hose to pressure washer. CAUTION: Only use fresh water to this machine.
- STEP 2: Attach high pressure hose between pressure washer and ma-chine. Turn garden hose water on. Additional adapters and couplers may be needed to connect your brand of pressure washer to the machine.
- STEP 4: Connect the power cord into the proper electrical outlet, then push in the GFCI reset button. Start up attached pressure washer according to the manufacturers instructions. When a steady stream of water fl ows from the spray gun and wand the machine is ready for cold water cleaning.

- STEP 4: For hot water washing, turn the machine burner switch to the ON position. Adjust thermostat to desired temperature setting. (The burner will light automatically.)
DETERGENTS AND GENERAL OPERATING TECHNIQUES
WARNING: Some detergents may be harmful if inhaled or ingested, causing severe nausea, fainting or poisoning. The harmful elements may cause property damage or severe injury.
- STEP 1: Use detergent designed specifically for pressure washers. Household detergents could dam-age the pump. Prepare detergent solution as required by the manufacturer. Fill a container with pressure washer detergent. Place the filter end of detergent suction tube into the detergent container.
- STEP 2: With the motor running, pull trigger to operate machine. Liquid detergent is drawn into the machine and mixed with water. Apply detergent to work area. Do not allow detergent to dry on surface.
IMPORTANT: You must flush the detergent injection system after each use by placing the suction tube into a bucket of clean water, then run the pressure washer in low pressure for 1-2 minutes.
CLEANING TIPS
Pre-rinse cleaning surface with fresh water. Place detergent suction tube directly into cleaning solution and apply to surface at low pressure (for best results, limit your work area to sections approximately 6 feet square and always apply detergent from bottom to top). Allow detergent to remain on surface 1-3 minutes. Do not allow detergent to dry on surface. If surface appears to be drying, simply wet down surface with fresh water. If needed, use brush to remove stubborn dirt. Rinse at high pressure from top to bottom in an even sweeping motion keeping the spray nozzle approximately 1 foot from cleaning surface. Use overlapping strokes as you clean and rinse any surface. For best surface cleaning action spray at a slight angle.
Recommendations:
- • Before cleaning any surface, an inconspicuous area should be cleaned to test spray pattern and distance for maximum cleaning results.
• If painted surfaces are peeling or chipping, use extreme caution as pressure washer may remove the loose paint from the surface.
• Keep the spray nozzle a safe distance from the surface you plan to clean. High pressure wash a small area, then check the surface for dam-age. If no damage is found, continue to pressure washing. - CAUTION – Never use:
- • Bleach, chlorine and other corrosive chemicals
• Liquids containing solvents (i.e., paint thinner, gasoline, oils)
• Tri-sodium phosphate products
• Ammonia products
• Acid-based products
These chemicals will harm the machine and will dam-age the surface being cleaned.
RINSING
It will take a few seconds for the detergent to clear. Apply safety latch to spray gun. Remove black soap nozzle from the quick coupler. Select and install the desired high pressure nozzle.
NOTE: You can also stop detergent from fl owing by simply removing detergent siphon tube from bottle.
SHUTTING DOWN AND CLEAN-UP

- STEP 1: If using an optional detergent injector, place the detergent line in a bucket of water allowing detergent to be flushed from system.
- STEP 2: Turn burner switch off and continue spraying water, allowing the water to cool. After water has cooled to less than 100°F, turn the attached pressure washer off.
- STEP 3: Turn garden hose water off. Open the spray gun to relieve remaining pressure.
STORAGE
CAUTION: Always store your pressure washer in a location where the temperature will not fall below 32°F (0°C). The pump in this machine is susceptible to permanent damage if frozen. FREEZE DAMAGE IS NOT COVERED BY WARRANTY.
- Stop the pressure washer, squeeze spray gun trigger to release pressure.
- Detach water supply hose and high pressure hose.
- Turn on the machine for a few seconds, until remaining water exits. Turn engine off immediately.
- Drain the gas and oil from the engine.
- Do not allow high pressure hose to become kinked.
- Store the machine and accessories in a room which does not reach freezing temperatures.
CAUTION: Failure to follow the above directions will result in damage to your pressure washer.
When the pressure washer is not being operated or is being stored for more than one month, follow these instructions:
- Replenish engine oil to upper level.
- Drain gasoline from fuel tank, fuel line, fuel valve and carburetor.
- Pour about one teaspoon of engine oil through the spark plug hole, pull the starter grip several times and replace the plug. Then pull the starter grip slowly until you feel increased pressure which indicates the piston is on its compression stroke and leave it in that position. This closes both the intake and exhaust valves to prevent rusting of cylinder.
- Cover the pressure washer and store in a clean, dry place that is well ventilated away from open fl ame or sparks. NOTE: The use of a fuel additive, such as STA-BIL®, or an equivalent, will minimize the formulation of fuel deposits during shortage. Such additives may be added to the gasoline in the fuel tank of the engine, or to the gasoline in a storage container.
After Extended Storage
CAUTION: Prior to restarting, thaw out any possible ice from pressure washer hoses, spray gun or wand.
Engine Maintenance
During the winter months, rare atmospheric conditions may develop which will cause an icing condition in the carburetor. If this develops, the engine may run rough, lose power and may stall. This temporary condition can be overcome by deflecting some of the hot air from the engine over the carburetor area.
NOTE: Refer to the engine manufacturer’s manual for service and maintenance of the engine.
TROUBLESHOOTING
| PROBLEM | POSSIBLE CAUSE | SOLUTION |
| BURNER WILL NOT LIGHT | Disconnected or short in electrical wiring | All wire contacts should be clean and tight. No breaks in wire. |
| Burner motor thermal protector tripped | If tripped, check voltage, connections and extensions for cause. Check fuel pump shaft rotation for binding, causing motor to overheat. | |
| On/off switch defective | Check continuity through burner switch. | |
| Heavy sooting on coil and burner, can cause interruption of air flow and shorting of electrodes | Clean as required. | |
| Improper electrode setting | Clean and test according to diagram in operator’s manual. | |
| Fuel not reaching combustion chamber | Check fuel pump for proper flow.Check sole- noid flow switch on machines with spray gun control for proper ON/OFF flow switch. | |
| Fuel solenoid malfunction | Check by placing screwdriver inside coil then turn machine on, open spray gun and check for magnetic pull. | |
| Clogged burner nozzle | Replace. | |
| Water not turned on | Turn on water to activate burner flow switch. | |
| Flow switch malfunction | Remove, test for continuity and replace as needed. | |
| MACHINE SMOKES | Improper fuel or water in fuel | Drain tank and replace contaminated fuel. |
| Low fuel pressure | Adjust fuel pump pressure to specifications. | |
| Air leaks in fuel lines | Check fuel lines for leaks or air bubbles. Tighten or replace as needed. | |
| Plugged or dirty burner nozzle | Replace. | |
| Faulty burner nozzle spray pattern | Replace nozzle. | |
| Heavy accumulation of soot on coils and burner assembly | Remove coils and burner assembly. Clean thoroughly. | |
| Misaligned electrode | Realign electrodes to specifications. | |
| Fuel filter partially clogged | Replace as needed. | |
| Obstruction in smoke stack | Check for insulation blockage or other foreign objects. | |
| Soot build-up on coils | Clean coils with soot remover. | |
| Lime build-up in coils | Clean inside of coils using coil cleaner. |
| PROBLEM | POSSIBLE CAUSE | SOLUTION |
| LOW WATER TEMPERATURE | Improper fuel or water in fuel | Drain fuel tank and replace with proper fuel. |
| Low fuel pressure | Increase fuel pressure. | |
| Weak fuel pump | Check fuel pump temperature. Replace pump if needed. | |
| Fuel filter partially clogged | Replace as needed. | |
| Soot build up on coils | Clean coils with soot remover. | |
| Lime build up on coils | Clean inside of coils using coil cleaner. | |
| Improper burner nozzle | See specifications. | |
| WATER TEMPERATURE TOO HOT | Incoming water to machine warm or hot | Lower incoming water temperature. |
| Fuel pump pressure too high | Lower fuel pressure. | |
| Fuel pump defective | Replace fuel pump. | |
| Detergent line sucking air | Tighten all clamps. Check detergent line for holes. | |
| Defective high limit switch (thermostat) | Replace. | |
| Incorrect fuel nozzle size | See Burner Nozzle section. | |
| Insufficient water supplied | Check GPM to machine. | |
| Restricted water flow | Check nozzle for obstruction, proper size |
PREVENTATIVE MAINTENANCE
| MAINTENANCE SCHEDULE | ||
| Machine | Clean | Daily |
| Water Lines | Check | Daily |
| Fittings | Check | Daily |
| Fuel Filter | Clean | Weekly |
| Inlet Strainer | Clean | Weekly |
| Fuel Nozzle | Clean | Weekly |
| Fuel Tank | Clean | Weekly |
| Electrodes | Adjust | Monthly |
| Fuel Pump Strainer | Clean | Monthly |
| Electrode Wires | Check | Monthly |
| Pressure Relief Valve | Clean | Open annually to remove any sediment |
- Use clean fuel – kerosene, No. 1 home heating fuel or diesel. Clean or replace fuel filter every 100 hours of operation. Avoid water contaminated fuel as it will seize up the fuel pump. De-soot coils monthly. Use an additive if diesel is being used.
- Check to see that the attached pressure washer water pump is properly lubricated.
- Follow winterizing instructions to prevent freeze damage to pump and coils.
- Always neutralize and flush detergent from system after use.
- If water is known to be high in mineral content, use a water softener on your water system, or de-scale as needed.
- Do not allow acidic, caustic or abrasive fluids to be pumped through system.
- Always use high grade quality cleaning products.
- Never run attached pressure washer pump dry for extended periods of time.
- If machine is operated with smoky or eye burning exhaust, coils will soot up, not letting water reach maximum operating temperature. (See section on Maintenance and Service).
- Never allow water to be sprayed on or near the motor or burner assembly or any electrical component.
- Delime coils as per instructions.
It is advisable, periodically, to visually inspect the burner. Check air inlet to make sure it is not clogged or blocked. Wipe off any oil spills and keep equipment clean and dry.
The areas around the machine should be kept clean and free of combustible materials, gasoline and other fl ammable vapors and liquids.
The fl ow of ventilating air to the burner must not be blocked or obstructed in any manner.
MAINTENANCE AND SERVICE
Winterizing Procedure:
Damage due to freezing is not covered by warranty. Adhere to the following cold weather procedures when-ever the washer must be stored or operated outdoors under freezing conditions.
During winter months, when temperatures drop below 32°F, protecting your machine against freezing is necessary. Store the machine in a heated room. If this is not possible use compressed air on the short hose end. By injecting compressed air, all water will be blown out of the system. Run anti-freeze through the system.
Pressure Relief Valve:
Each machine is equipped with a relief valve to relieve pressure in the system when higher than normal operating pressures are encountered or if the unloader valve should fail. Unusually high pressures come from an object plugging the spray nozzle. If operating pressure is found to be normal and the relief valve continues to leak, repair or replace valve. The Safety Relief Valve should be opened to release any sediment yearly. Start the pressure washer and use an Allen wrench to turn the pressure relief valve counter clockwise until water is pouring out the valve. Then turn the adjustment nut/bolt until the valve stops leaking. Open and close the trigger gun and if water squirts out the valve when you close the trigger gun turn clockwise one full turn until there is no leaking when the trigger gun is closed.
Adjustable Thermostat:
The adjustable thermostat can be set between 100°F to 225°F (37.8° to 108°C). The temperature is dependent on water fl ow and ambient water temperature.
Cleaning of Coils:
In alkaline water areas, lime deposits can accumulate rapidly inside the coil pipes. This growth is increased by the extreme heat build up in the coil. The best prevention for liming conditions is to use high quality cleaning detergents. In areas where alkaline water is an extreme problem, periodic use of Deliming Powder will remove lime and other deposits before coil becomes plugged.
Deliming Coils With A Pressure Washer:
Periodic flushing of coils or optional fl oat tank is recommended.
- Step 1 Fill a 5 gallon bucket with 4 gallons of water, then add 1 lb. of deliming powder. Mix thoroughly.
- Step 2 Remove the high pressure nozzle from the pressure wand and put the wand into the bucket. Secure the trigger on the spray gun in the open position.
- Step 3 Attach a short section (3-5 ft.) of garden hose to the attached pressure washer to siphon solution from the elevated bucket. Start up pres-sure washer, allowing solution to be pumped through pressure washer and into the coils and back into the bucket. Solution should be allowed to circulate 2-4 hours.
- Step 4 After circulating solution flush entire system with fresh water.
Removal of Soot In Heating Coil:
In the heating process fuel residue, in the form of soot deposits, may develop between the heating coil pipes and block air fl ow which affects burner combustion. When soot has been detected on visual observation, the soot on the coil must be cleaned off.
Fuel:
Use clean fuel oil that is not contaminated with water and debris. Replace fuel filter and drain tank every 100 hours of operation. Use Kerosene No. 1 or No. 2 Heating Fuel (ASTM D306) or diesel only. NEVER use gasoline in your burner tank. Gasoline is more combustible than fuel oil and could result in a serious explosion. NEVER use crankcase or waste oil in your burner. Fuel machine malfunction could result from contamination.
Ignition Circuit:
Periodically inspect wires, spring contact and electrodes for condition, security and proper spacing. (CAUTION: 10,000 VOLTS)
Electrode Setting:
(See illustration below)
Electrodes Check : Periodically check wiring connections.
If necessary to adjust electrodes, use diagram.
Burner Nozzle:
Keep the tip free of surface deposits by wiping it with a clean, solvent-saturated cloth, being careful not to plug or enlarge the nozzle. For maximum efficiency, replace the nozzle each season. Select nozzle size based on the pressure washer you will be using
Fuel Control System:
The machine utilizes a fuel solenoid valve located on the fuel pump to control the fl ow of fuel to the combustion chamber. This solenoid, which is normally closed, is activated by a fl ow switch when water is fl owing through it. When an operator releases the trigger on the spray gun, the fl ow of water through the fl ow switch stops, turning off the current to the fuel solenoid. The solenoid then closes, shutting off the supply of fuel to the combustion chamber. Controlling the fl ow of fuel in this way gives an instantaneous burn or no burn situation, thereby eliminating high and low water temperatures, and combustion smoke normally associated with machines incorporating a spray gun. Periodic inspection is recommended to insure that the fuel solenoid valve functions properly. This can be done by operating the machine and checking to see that when the trigger on the spray gun is in the off position, the burner is not fi ring.
Fuel Pressure Adjustment:
To adjust fuel pressure, turn the adjusting screw with a 5/32″ Allen Wrench (located on the fuel pump) clock-wise to increase, counterclockwise to decrease. Do not exceed 200 PSI.
FIELD REPAIR INSTRUCTIONS
Fuel Pump:
- Remove the screws 10/32″ Allen Head from the machine hood.
- Remove louvered hood.
- With a 9/16″ wrench, loosen (DO NOT REMOVE) the two 3/8” x 3/4″ HH NC serrated fl ange bolts that secure the front panel.
- With a 2.5 mm hex head wrench (Allen Wrench), loosen the three set screws that hold the fuel pump in the blower motor housing located on Idromatic Boiler Assembly.
- Carefully remove the fuel pump (Item #53) from the blower motor, leaving the fl exible zinc fuel line connected, carefully bend the fuel line and fuel pump away from the blower motor.
- Locate the fuel pump/fan motor coupling.
- Inspect the coupling for damage. The inside di-ameter of fuel pump coupling requires fl at on one side to engage fuel pump, and the outside diameter requires two male notches to engage the blower motor.
- Perform a check to see if the fuel pump is turning freely. Use an open end 7mm wrench or small adjustable wrench on fuel pump shaft.
- Spin the fuel pump over in both directions using the wrench for leverage. When the fuel pump is turning freely (almost to the point you could turn it by hand) it is ready to reinstall.
- Align fuel pump coupler on pump shaft/fan motor. Slide pump into fan motor. Secure pump with the three set screws.
- Test machine (make sure):
- Blower motor spins
- Fuel is on
- Machine has power to it
- Switch is on
- Flow of water through machine
- Thermostat is turned up
- Flow switch is adjusted properly
- When machine is operating properly, turn machine off, tighten front panel, and install hood and 13 self tapping screws with recess washers.
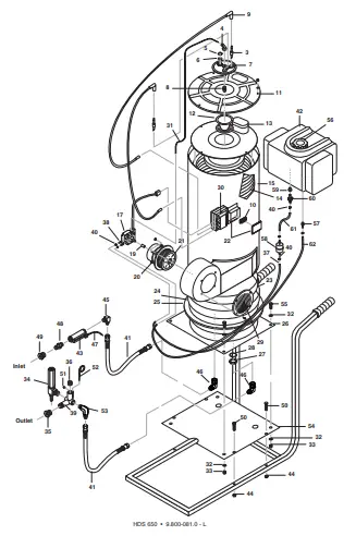
EXPLODED VIEW

| ITEM | PART NO. | DESCRIPTION | QTY |
| 1 | 9.802-792.0 | Nut, Cage, 3/8″ x 12 Gauge | 4 |
| 2 | 9.802-767.0 | Screw, 3/8″ x 3/4″ Whiz Loc | 4 |
| 3 | 8.754-186.0 | QH Wheel ASSY, 10″ Gray Steel Rim w/Tub | 2 |
| 4 | 8.750-095.0 | Thermostat, Adjustable, 240°F | 1 |
| 5 | 9.802-432.0 | GFCI, 120V 15A, w/36′ 12-3 Cord | 1 |
| 6 | 9.802-451.0 | Switch, Rocker, Carling w/GreenLens | 1 |
| 7 | 9.802-518.0 | Strain Relief, 3/4″ NPT | 1 |
| 8 | 9.802-749.0 | Screw, 8/32″ x 3/4″ BHSOC | 2 |
| 9 | 9.802-782.0 | Collar, 5/8″ Bore Shaft 3010 | 2 |
| 9.803-068.0 | ▲ Axle, 5/8″ Rod x 24.75” L | 1 | |
| 9.802-810.0 | ▲ Washer, 5/8″ Flat | 2 | |
| 10 | 9.803-079.0 | Bracket, Fuel Tank, Right | 1 |
| 11 | 9.803-075.0 | Frame Assy | 1 |
| 12 | 9.803-031.0 | Hood, Cover | 1 |
| 13 | 9.803-076.0 | Panel, Front | 1 |
| 8.758-327.0 | ▲ Label, Ground | 1 | |
| 14 | 9.803-080.0 | Strap, Fuel Tank | 2 |
| 15 | 9.802-058.0 | Bumber, Rubber 1″ w/Bolt, 5/16″ x 1-1/4″ | 2 |
| 16 | 8.758-481.0 | Label, Warning, Pictorial | 1 |
| 17 | 9.803-077.0 | Panel, Back | 1 |
| 18 | 9.802-171.0 | Nipple, 3/8″ x 3/8″ NPT ST Male | 1 |
| 19 | 9.802-166.0 | Coupler, 3/8″ Female, Brass | 1 |
| 20 | 8.757-340.0 | Elbow 3/8″, Street 90 DEG, Steel, W/SLNT | 1 |
| 21 | 8.758-563.0 | Label, Hotbox Control Panel | 1 |
| 22 | 8.758-328.0 | Label Hot/Caliente W/Arrows | 1 |
| 23 | 8.758-334.0 | Label Hot Water Outlet | 1 |
| 24 | 8.758-333.0 | Label Cold Water Inlet | 1 |
| 25 | 8.718-779.0 | Screw, 4 mm x 6 mm | 2 |
| 26 | 9.802-787.0 | Nut, 5/16″ Cap | 2 |
| 27 | 9.802-753.0 | Screw, 1/4″ x 3/4″ HH, NC | 4 |
| 28 | 9.803-078.0 | Bracket, Fuel Tank, Left | 1 |
| 29 | 9.802-791.0 | Nut, Cage, 10/32″ x 16 Gauge | 13 |
| 30 | 8.918-420.0 | Hose, 3/8″ x 9′, 2 Wire, 3/8″ SW x 3/8″ SOL | 1 |
| 31 | 9.802-764.0 | Screw, 10/32″ x 3/4″ | 13 |
| 32 | 8.758-338.0 | Label Warning Service Cord | 1 |
| 33 | 9.802-070.0 | Grip, 1″ Square Handle | 2 |
| 34 | 8.758-331.0 | Label Disconnect Power Supply | 1 |
EXPLODED VIEW PARTS LIST

BURNER ASSEMBLY PARTS LIST
| 1 | 9.802-831.0 | Burner, Hotbox, 5.5 GPM 115V | 1 |
| 2 | 7-46140112 | Clamp, Electrode | 1 |
| 3 | 8.717-935.0 | Electrode | 2 |
| 4 | 8.717-872.0 | Elbow | 1 |
| 5 | 8.717-869.0 | Ring, Locking | 1 |
| 6 | 8.717-932.0 | Slide | 1 |
| 7 | 8.717-929.0 | Flange, Burner | 1 |
| 8 | 8.717-873.0 | Nozzle, Burner 1.5, 60° | 1 |
| 9 | 8.717-970.0 | Cable, High Tension | 2 |
| 10 | 8.717-891.0 | Board, Terminal | 1 |
| 11 | 8.717-974.0 | Cover, Tank External, SS | 1 |
| 12 | 8.717-969.0 | Deflector | 1 |
| 13 | 8.717-973.0 | Cover, Burner | 1 |
| 14 | 8.717-928.0 | Coil, High 500 | 1 |
| 15 | 8.717-972.0 | Heater Body | 1 |
| 16 | 8.717-871.0 | Connector, 1/8 m | 1 |
| 17 | 8.717-896.0 | Pump, Fuel | 1 |
| 18 | 8.717-893.0 | Coil, Solenoid | 1 |
| 19 | 8.717-868.0 | Coupling, Plastic | 1 |
| 20 | 8.717-889.0 | Motor, 110V 60 Cycle | 1 |
| 21 | 8.717-870.0 | Fan | 1 |
| 22 | 8.717-892.0 | Box, Electric 70 x 70 x 30 | 1 |
| 23 | 8.717-934.0 | Refractory | 1 |
| 24 | 8.717-931.0 | Strip, Coil Fixing | 1 |
| 25 | 8.717-933.0 | Rope, Insulating | 1 |
| 26 | 8.717-971.0 | Base, Heater | 1 |
| 27 | 8.717-930.0 | Nut, Coil Fixing | 2 |
| 28 | 8.717-864.0 | Washer, 22×39 | 2 |
| 29 | 8.717-968.0 | Guard, Fan | 1 |
| 30 | 8.717-890.0 | Transformer, 110V 60 Cycle | 1 |
| 31 | 8.717-936.0 | Tube, Copper | 1 |
| 32 | 8.718-980.0 | Washer, 5/16″ Flat | 8 |
| 33 | 9.802-776.0 | Nut, 5/16″ ESNA | 4 |
| 34 | 8.902-433.0 | Valve, Safety Relief VSA | 1 |
| 35 | 8.707-000.0 | Connector, 1/2″, Anchor | 1 |
| 36 | 8.757-241.0 | Plug 3/8″ NPTF Allen Counter Sunk W/SLNT | 1 |
| 37 | 9.802-254.0 | Fuel Line, 1/4” Push-on | 36″ |
| 38 | 9.803-420.0 | Hose Barb | 2 |
| 39 | 8.757-240.0 | Manifold Coil Outlet Discharge W/SLNT | 1 |
| 40 | 6.390-126.0 | Clamp, Hose, .46-, .54 | 6 |
| 41 | 8.918-421.0 | Hose, 3/8″ x 14″, 2 Wire, Pressure Loop | 2 |
| 42 | 9.802-079.0 | Tank, Encore, 5 Gallon Fuel | 1 |
| 43 | 8.933-006.0 | Switch, Flow, MV60 | 1 | |
| 44 | 9.802-781.0 | Nut, 3/8″ Whiz Loc | 4 | |
| 45 | 8.757-616.0 | Elbow Steel 1/2″ JIC (M) x 3/8″ BSPP (M) | 1 | |
| 46 | 8.756-920.0 | ELBOW, 1/2″ JIC X 1/2″ FBSPP SWVL | 2 | |
| 47 | 8.724-244.0 | Reed, Replacement, MV60 | 1 | |
| 48 | 8.757-653.0 | Nipple Hex Steel 3/8″ NPTF x 3/8″ BSPP | 1 | |
| 49 | 8.755-033.0 | Bulkhead, 3/8″ FXF NPT, Steel | 1 | |
| 50 | 9.802-769.0 | Screw, 3/8″ x 1-3/4″ HH, NC | 4 | |
| 51 | 9.196-012.0 | Screw | 1 | |
| 52 8.750.095.0 Thermostat, Adjustable, 240°F 1 | ||||
| 53 | 8.757-509.0 | Elbow Steel 1/2″ SAE (M) x 3/8″ NPTF (M) | 1 | |
| 54 | 9.803-033.0 | Coil, Mount Plate | 1 | |
| 55 | 8.718-618.0 | Bolt, 5/16″ x 3/4″ | 4 | |
| 56 | 9.802-089.0 | Cap, Fuel Tank, 5 Gallon Fuel | 1 | |
| 57 | 8.757-201.0 | Hose Barb, 1/4″ Barb x 1/8″ M-NPTF | 1 | |
| 58 | 8.709-152.0 | Filter, Fuel, Disposable | 1 | |
| 59 | 9.802-053.0 | Grommet, Fuel Tank | 1 | |
| 60 | 9.802-690.0 | Valve, Fuel Tank Shut-Off | 1 | |
| 61 | 9.802-254.0 | Fuel Line, 1/4″ Push-On | 6″ | |
| 62 | 9.802-254.0 | Fuel Line, 1/4″ Push-on | 46″ | |
| ▲ Not Show | ||||


















