DRAPER 02019 16 Speed Floor Standing Drill Instruction Manual
Assembly Instructions


| KEY No. | PART No. | STOCK No. | DESCRIPTION |
| 1 2 3 5 7 | GD25/12EF-A7 | 23731 | Pulley Insert Assembly |
| 4 | GD25/12EF-4 | 23734 | Belt A27 |
| 6 | GD25/12EF-6 | 23735 | Spindle Pulley |
| 8 | GD25/12EF-8 | 23736 | Pulley Cover |
| 9 | (NP) Screw | ||
| 10 | (NP) Screw M10x12 | ||
| 11 | GD25/12EF-11 | 23739 | Motor Pulley |
| 12 | (NP) Screw | ||
| 13 | (NP) Screw M5x12 | ||
| 14 15 16 | GD25/12EF-A15 | 23740 | Center Pulley Assembly |
| 17 | GD25/12EF-17 | 23743 | Belt A29 |
| 18 | (NP) Shake-Proof Washer | ||
| 19 | GD25/12EF-19 | 23747 | Slide Bar Bolt |
| 20 | (NP) Screw M10x12 | ||
| 21 | (NP) Shifter Bar | ||
| 22 | (NP) Pin | ||
| 23 24 25 26 27 28 | GD25/12EF-A25 | 23750 | Depth Adjusting Assembly |
| 29 | (NP) Locking Washer | ||
| 30 | (NP) Screw M5x8 | ||
| 31 33 | GD25/12EF-A33 | 23681 | Switch Box Assembly |
| 32 | (NP) Screw M5x16 | ||
| 31 | (NP) Screw 10×27 | ||
| 34 | (NP) Nut M10 | ||
| 35 36 37 38 | GD25/12EF-A37 | 23753 | Volute Spring Assembly |
| 39 | (NP) Nut M12 | ||
| 40 | (NP) Headstock | ||
| 41 | (NP) Clip | ||
| 42 | (NP) Power Cord | ||
| 43 | (NP) Screw | ||
| 44 | (NP) Clamp |
| KEY No. | PART No. | STOCK No. | DESCRIPTION |
| 45 | (NP) Bracket | ||
| 46 | (NP) Screw | ||
| 47 | (NP) Washer 8 | ||
| 48 | GD25/12EF-48 | 23755 | Motor Base |
| 49 | (NP) Cord | ||
| 50 | (NP) Nut M8 | ||
| 51 | GD25/12EF-51 | 23760 | Motor |
| 52 | (NP) Nut M12 | ||
| 53 | (NP) Washer 12 | ||
| 54 | (NP) Motor Bracket | ||
| 55 | (NP) Screw M8x16 | ||
| 56 | GD25/12EF-56 | 23761 | Adjusting Lever |
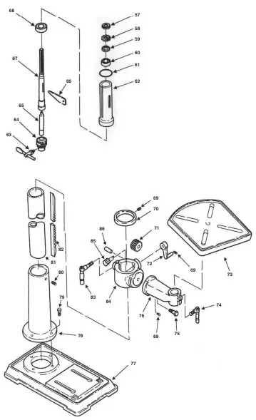
| 57 58 59 60 61 62 67 68 | GD25/12EF-A67 | 23762 | Spindle Assembly |
| 63 64 65 | GD25/12EF-A64 | 23764 | Drill Chuck Kit |
| 66 | GD25/12EF-66 | 23765 | Wedge |
| 69 70 | GD25/12EF-A70 | 23768 | Rack Collar |
| 69 74 75 76 | GD25/12EF-A76 | 23769 | Table Arm Bracket Assembly |
| 69 71 72 83 84 85 86 | GD25/12EF-A84 | 23770 | Table Bracket Assembly |
| 73 | GD25/12EF-73 | 23777 | Table |
| 77 | GD25/12EF-77 | 23780 | Base |
| 78 | GD25/12EF-78 | 23781 | Column shoulder |
| 79 | (NP) Screw M10x40 | ||
| 80 | (NP) Screw M10x12 | ||
| 81 | GD25/12EF-81 | 23785 | Column |
| 82 | GD25/12EF-82 | 23814 | Rack |
Helpline: +44 (0) 23 8049 4344 Sales Desk: +44 (0) 23 8049 4333 General Enquiries: +44 (0) 23 8026 6355 internet: drapertools.com email: [email protected]
Draper Tools Limited, Hursley Road, Chandler’s Ford, Eastleigh, Hampshire. SO53 1YF UK.
















