EM1365-LD
OEM scan engine
integration guide
Chapter 1 Introduction
Overview
The EM1365-LD OEM scan engine, armed with the Newland patented
, a computerized image recognition system, brings about a new era of 1D barcode scan engines.
The EM1365-LD’s 1D barcode decoder chip ingeniously blends
technology and advanced chip design & manufacturing, which significantly simplifies application design and delivers superior performance and solid reliability with low power consumption.
The EM1365-LD supports EAN-13, EAN-8, UPC-A, UPC-E, ISSN, ISBN, Codabar, Code 128, Code 93, ITF-6, ITF-14, Interleaved 2 of 5, Industrial 2 of 5, Standard 2 of 5, Matrix 2 of 5, GS1 Databar, Code 39, Code 11, MSI-Plessey, Plessey.
Illumination
The EM1365-LD uses a red LED (610nm~640nm) for illumination, which can be programmed On or Off.
Aimer
The EM1365-LD employs an LED aimer (a red strip-shaped aiming beam) to help the user to easily position the target barcode within the engine’s field of view to increase scan efficiency.
Chapter 2 Installation
General Requirements
ESD
ESD protection has been taken into account when designing the EM1365-LD and the engine is shipped in ESD safe packaging. Always exercise care when handling the engine outside its package. Be sure grounding wrist straps and properly grounded work areas are used.
Dust and Dirt
The EM1365-LD must be sufficiently enclosed to prevent dust particles from gathering on the imager, lens, and circuit board. Dust and other external contaminants will eventually degrade the engine’s performance.
Thermal Considerations
Electronic components in the EM1365-LD will generate heat during the course of their operation.
Operating the EM1365-LD in continuous mode for an extended period may cause temperatures to rise on the CIS and decoder chip. Overheating can degrade image quality and affect scanning performance. Given that, the following precautions should be taken into consideration when integrating the EM1365-LD.
- Reserve sufficient space for good air circulation in the design.
- Avoid wrapping the EM1365-LD with thermal insulation materials such as rubber.
Installation Orientation
The following figure illustrates a front view of the EM1365-LD after correct installation. From left to right in the figure are illumination, lens, and aimer, with a decoder board on the top and mounting holes on the bottom.

Optics
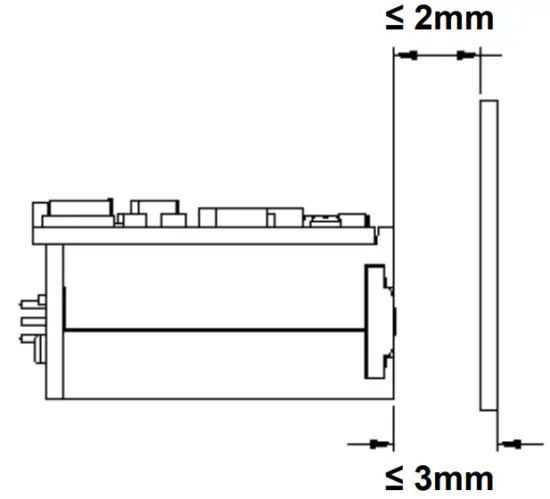
Window Placement
The window should be positioned properly to let the illumination and aiming beams pass through as much as possible and no reflections back into the engine (reflections can degrade the reading performance).
The window should be mounted close to the front of the engine (parallel). The maximum distance is measured from the front of the engine housing to the farthest surface of the window. In order to reach better reading performance, the distance from the front of the engine housing to the furthest surface of the window should not exceed 3mm and the distance from the front of the engine housing to the nearest surface of the window should not exceed 2mm.

If the window is required to be in a tilted position, the above distance requirements should be met and the tilt angle should ensure no reflections back into the lens.
Window Material and Color
Wavelengths of illumination and aiming beams and CIS’s responsiveness (mainly to wavelengths of red light) should be taken into consideration when choosing window material and color, to achieve the possible highest spectral transmission, lowest haze level, and homogeneous refractive index. It is suggested to use PMMA or optical glass with spectral transmittance over 90% and less than 1%.
Whether to use an anti-reflection coating or not depends on the material and application needs.
Scratch Resistance and Coating
Scratch on the window can greatly reduce engine performance. It is recommended to use abrasion-resistant window material or coating.
Window Size
The window must not block the field of view and should be sized to accommodate the aiming and illumination envelopes shown below.

Ambient Light
The EM1365-LD shows better performance with ambient light and it is well able to handle the flicker in fluorescent lights using 50-60Hz AC power. However, high-frequency pulsed light can result in performance degradation.
Eye Safety
The EM1365-LD has no lasers. It uses a red LED to form a bright, intuitive aiming aid. Testing has been done to demonstrate that the engine is safe for its intended application under normal conditions. However, the user should avoid looking into the beam.
Mounting
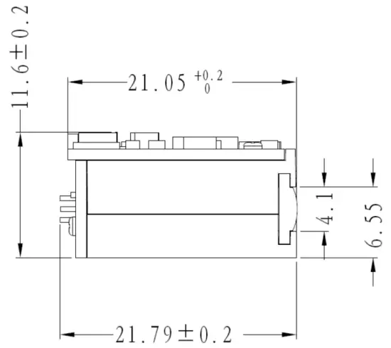
The illustrations below show the mechanical mounting dimensions for the EM1365-LD. The structural design should leave some space between components.
Front View (unit: mm)

Left View (unit: mm)

Bottom View (unit: mm)

Chapter 3 Electrical Specifications
Power Supply
Do not power up the EM1365-LD until it is properly connected. Be sure the power is cut off before connecting a flexible cable to or disconnecting a flexible cable from the host interface connector.
Hot plugging could damage the engine.
Unstable power supply or sharp voltage drops or unreasonably short intervals between power-ons may lead to the unstable performance of the engine. Do not resupply the power immediately after cutting it off. The minimum interval must exceed 500ms.
The EM1365-LD itself does not provide a power switch. Users can switch the engine off by cutting off the power.
The EM1365-LD’s start-up time is less than 200ms.
Ripple Noise
The image sensor and decoder chip are directly fed by the input power of EM1365-LD. To ensure image quality, a power supply with low ripple noise is needed.
Acceptable ripple range (peak-to-peak) : ≤100mV (≤50mV recommended).
DC Characteristics
Operating Voltage
Ta=23℃
| Parameter | Description | Minimum | Typical | Maximum | Unit |
| VDD | Voltage Drain Drain | 3. | 3. | 3. | V |
| VIH | High-Level Input Voltage | 0.7*VDD | – | V | |
| VIA | Low-Level Input Voltage | – | 0.2*VDD | V | |
| VOH | High-Level Output Voltage | 0.9*VDD | – | V | |
| VOL | Low-Level Output Voltage | – | 0.1 *VDD | V |
Operating Current
Ta=23℃,VDD=3.3V
| Operating Current | Standby Current | Unit |
| 21.6 (typical) 53.9 (max.) | 10.6 | mA |
Chapter 4 Interfaces
Host Interface Connector
The following table lists the pin functions of the 12-pin host interface connector on the EM1365-LD.

| PIN# | Signal Name | I/O | Function |
| 1 | NC | – | Not connected. |
| 2 | VDD | – | 3.3V power supply. |
| 3 | GND | – | Power-supply ground. |
| 4 | RX | I | TTL level 232 receives data. |
| 5 | TX | 0 | TTL level 232 transmits data. |
| 6 | USB_D- | I/O | USB_D- differential data signal. |
| 7 | USB_D+ | I/O | USB_D+ differential data signal. |
| 8 | PWRDWN | 0 | Low Power State signal output: Active high indicates that the engine is in a low power state. |
| 9 | Buzz | 0 | Beeper output. For the information on the beeper driver circuit, see the Beeper section in this chapter. |
| 10 | LED | 0 | Good Read LED output. For the information on the LED driver circuits, see the Good Read LED section. |
| 11 | Wake | I | Same as the rig pin (PIN 12). |
| 12 | nTrig | I | Trigger signal input: Driving this pin low for at least 10ms causes the engine to start a scan and decode session. |
Dimensions of the Host Interface Connector (unit: mm)
The scan engine uses a 12-pin ZIF socket (bottom contact). The socket can be connected to a host device with an FFC cable.

FFC Cable (unit: mm)
A 12-pin FFC cable can be used to connect the EM1365-LD to a host device. The cable design must be consistent with the specifications shown below. Use reinforcement material for the connectors on the cable and reduce cable impedance for reliable connection and stable performance.

Communication Interface
The EM1365-LD can communicate with the host device through one of the following interfaces:
- TTL-232: This interface, in most cases, does not require any hardware modifications to existing platforms. However, for those requiring RS-232, a TTL-232 to RS-232 conversion circuit is needed.
- USB HID-KBW: Based on a USB connection, the engine’s transmission is simulated as USB keyboard input. It works on a Plug and Play basis and no driver is required.
- USB COM Port Emulation: The USB port on the host device is emulated as a serial port with the same data transmission and configuration as a real serial port. A driver is required.
- USB DataPipe: This protocol is defined by Newland. A driver is required when using this protocol to communicate with the scanner.
- HID-POS: HID-POS does not require a custom driver. However, an HID interface on Windows 98 does. All HID interfaces employ standard drivers provided by the operating system.
The EM1365-LD’s serial port supports baud rates from 1200bps to 115200bps; it does not support hardware or software flow control. Its default settings are 9600bps, 8 data bits, no parity check and1 stop bit.
Trigger
Driving the rig pin (PIN 12) on the host interface connector low for over 10ms causes the EM1365-LD to start a scan and decode session. If the barcode is decoded, the EM1365-LD waits for the voltage at the rig pin to turn high (or the trigger to be released) after sending the data to the Host. If the trigger is released during a scan attempt, the EM1365-LD immediately stops decoding.
The next decade session does not happen until the EM1365-LD receives an active trigger signal (driving the rig pin low) again.
As a decode session involves image capture, barcode decoding, and other steps, it is suggested that the minimum interval between two triggers should exceed 50ms.
The following trigger circuit is provided for reference.

Beeper
The EM1365-LD provides a pin (Buzz, PIN 9) on the host interface connector that provides a PWM output to an external driver circuit for generating audible feedback to the user to indicate statuses like power-up or good decode. The PWM output is not strong enough to drive a beeper, thus a beeper driver circuit is needed.
The following beeper driver circuit is provided for reference.

Good Read LED
The EM1365-LD provides a pin (LED, PIN 10) on the host interface connector that can be used by an external driver circuit to drive an LED to indicate a Good Read status. When a good read occurs, the LED pin produces a high-level output for about 300ms, then the signal is back to a low level. This Good Read LED output is not strong enough to drive an LED, so an LED driver circuit is needed.
The following Good Read LED driver circuit is provided for reference.

Chapter 5 Development Tools
EVK
The EVK is provided to help users to test and evaluate the EM1365-LD, which contains a beeper & beeper driver circuit, LED & LED driver circuit, trigger & reset buttons, TTL-232 to RS-232 converter & TTL-232 to USB converter, RS-232 & USB interfaces, etc. The EM1365-LD can be connected to the EVK via a 12-pin FFC cable type 1 (contacts on the same side). Either USB or RS-232 connection can be used when connecting the EVK to a host device.
Disclaimer
© 2014-2016 Fujian Newland Auto-ID Tech. Co., Ltd. All rights reserved.
Please read through the manual carefully before using the product and operate it according to the manual. It is advised that you should keep this manual for future reference.
Do not disassemble the device or remove the seal label from the device, doing so will void the product warranty provided by Fujian Newland Auto-ID Tech. Co., Ltd.
All pictures in this manual are for reference only and actual product may differ. Regarding to the product modification and update, Fujian Newland Auto-ID Tech. Co., Ltd. reserves the right to make changes to any software or hardware to improve reliability, function, or design at any time without notice. The information contained herein is subject to change without prior notice.
The products depicted in this manual may include software copyrighted by Fujian Newland Auto-ID Tech. Co.,
Ltd or third party. The user, corporation, or individual, shall not duplicate, in whole or in part, distribute, modify, decompile, disassemble, decode, reverse engineer, rent, transfer or sublicense such software without prior written consent from the copyright holders.
This manual is copyrighted. No part of this publication may be reproduced, distributed, or used in any form without written permission from Newland.
Fujian Newland Auto-ID Tech. Co., Ltd. reserves the right to make the final interpretation of the statement above.
Fujian Newland Auto-ID Tech. Co., Ltd.
3F, Building A, No.1, Rujiang West Rd., Mawei, Fuzhou, Fujian, China 350015
http://www.nlscan.com
Revision History
| Version | Description | Date |
| V1.0.0 | Initial release. | April 9, 2014 |
| V1.0.1 | Modified the Left View in Chapter 2. | October 26, 2015 |
| V1.0.2 | 1. Deleted the “Ambient Environment” section in Chapter 2. 2. Modified the “Operating Voltage” and “Operating Current” sections in Chapter 3. | December 22, 2016 |
Newland EMEA HQ
+31 (0) 345 87 00 33
[email protected]
newland-id.com
Need more info? Contact us or one of our partners at newland-id.com/partners


















