Peerless VL-30 Ventless Exhaust Hoods

FOR YOUR SAFETY
Do not store or use gasoline or other flammable vapors or liquids in the vicinity of this or any other appliance.
WARNING
Improper installation, adjustment, alteration, service or maintenance can cause property damage, injury or death. Read the installation, operating and maintenance instructions thoroughly before installing or servicing this equipment.
SPECIFIC SAFETY PRECAUTIONS
For your safety, please observe the following precautions when operating or servicing your ventless exhaust hood. Read the following important safety information carefully to avoid personal injury and/or damage to the equipment.
CAUTION /WARNING!
Consult a qualified electrician to ensure all of the following guidelines are met:
- All electrical specifications and codes are followed.
- Circuit breakers and wiring are of sufficient rating and gauge.
- The unit is properly grounded and all electrical specifications followed during installation.
- Improper installation, adjustment, alteration, service or maintenance could result in death or serious injury, and/or\ equipment/property damage, and will void the warranty.
- DO NOT use or store gasoline, other flammable liquids or vapors in the vicinity of this or any other appliance.
- Failure to comply with DANGER notices may result in death or serious injury and/or equipment/property damage and will void the warranty.
WARNING
- DO NOT operate the unit unless you understand the components and the intended use.
- The unit must remain in the upright position.
- Exercise care when removing the wooden crate from around the unit.
- Failure to comply with WARNING notices could result in death or serious injury and/or equipment/property damage and will void the warranty.
CAUTION
- Ensure the unit is positioned to maintain 18” of clearance above the hood body (excluding dampers), and 30” clear to the left (side with the pull station when equipped with Fire System), 0” to the rear, and 0” to the right. If the pull station is on the right per special request, maintain 30” clearance on the right side and 0” on the left. Failure to maintain safe distances may result in fire.
- The unit must be adequately and properly grounded. Improper grounding may result in electrical shock.
- Consult an electrician to ensure all electrical specifications have been met and the unit is properly grounded.
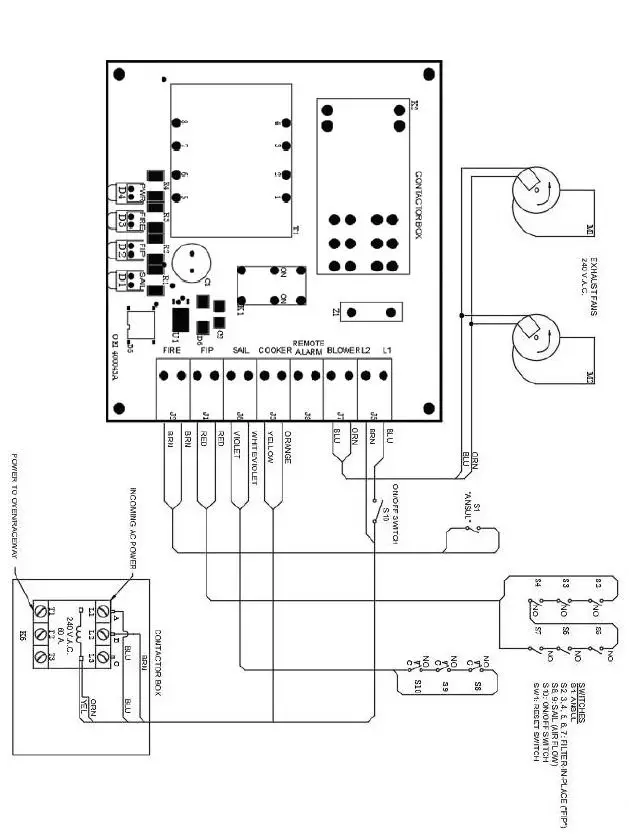
- The wiring diagrams contained in this manual will aid your electrician in the installation of your unit.
- Exercise care around the Control Panel to maintain proper operation. The electronic components of the Control Panel are impact-sensitive.
- Turn off the unit and unplug the power cord before cleaning or performing maintenance.
DO NOT hose down the unit’s interior or exterior with water. During cleaning of the unit:
DO NOT steam clean.
DO NOT use products containing chlorine.
DO NOT use abrasive products, steel wool or scouring pads.
DO NOT modify, alter or add attachments to this equipment!
Failure to comply with these CAUTION notices may result in equipment/ property damage and will void the warranty.
NOTE :
- If the crate is damaged upon receipt, immediately inspect the unit and notify the carrier of any damage to the unit
- To aid the electrician, an electrical wiring diagram is contained in this manual. Refer to the wiring diagram during installation or servicing.
- Comply with all appropriate state and local health regulations regarding the cleaning and sanitation of this equipment.
GENERAL INFORMATION MODEL VL-30
Regulatory Listings (Certifications):
The Ventless System shall be built in accordance to NFPA96, be UL listed, and comply with UL710B Standards. Hoods shall be tested to comply with NSF Sanitation Mark.
Unit Weight: 150 lbs.
Unpacking:
Your unit may arrive enclosed in a wooden crate. Inspect the outside of the crate for damage before disassembling. The Hood is secured to a wooden platform by means of high-tensile strength strapping.
NOTE :
- If the crate is damaged, immediately inspect the unit and notify the carrier of any damage to the unit.
- Exercise care when lifting or moving the unit.
- Exercise care when removing the wooden crate from around the unit. Locate And Identify The Following Components After Unpacking:
- Hood
- Contactor Box
- ANSULEX Fire Suppressant, 3.0 Gallon (when equipped with Fire System)
- Grease (baffle) Filter, Air (Mesh) Filter, Charcoal Filter

GENERAL INFORMAT ION MODEL VL-50
Regulatory Listings (Certifications):
The Ventless System shall be built in accordance to NFPA96, be UL listed, and comply with UL710B Standards. Hoods shall be tested to comply with NSF Sanitation Mark.
Unit Weight: 200 lbs.
Unpacking:
Your unit may arrive enclosed by a wooden crate. Inspect the outside of the crate for damage before disassembling. The Hood is secured to a wooden platform by means of high-tensile strength strapping.
NOTE :
• If the crate is damaged, immediately inspect the unit and notify the carrier of any damage to the unit.
• Exercise care when lifting or moving the unit.
• Exercise care when removing the wooden crate from around the unit. Locate And Identify The Following Components After Unpacking:
• Hood
• Contactor Box
• ANSULEX Fire Suppressant, 3.0 Gallon (when equipped with Fire System)
• Grease (baffle) Filter, Air (Mesh) Filter, Charcoal Filter

ELECTRICAL REQUIREMENTS
- Consult a qualified electrician to ensure all electrical specifications have been met.
- The unit must be adequately and properly grounded. Improper grounding may result in electrical shock. Always refer to your local electrical code to ensure proper grounding of this and any other electrical equipment. Always consult with an electrician or other qualified service person to ensure breakers and wiring are of sufficient rating and gauge for the equipment being operated.
- Improper installation, adjustment, alteration, service or maintenance could result in death or serious injury and/or equipment/property damage, and will void the warranty.

Connect Hood Power:
- Apply AC power to the Contactor box.
- The power requirement of the oven will determine the input.
- Remove plug (if present) from the AC power cord of the oven; connect the oven power cord to the contactor output.
- All connections should be made by a qualified electrician to ensure all electrical specifications have been met and comply with all state and local codes.
HOOD AND APPLIANCE INTERLOCK CONNECTION
This connection will cause the appliance below the hood to shut down if any of the following occurs:
- Any filter becomes excessively dirty and does not allow proper airflow through the hood.
- Any filter is missing or not installed properly.
- Fire Extinguisher System is activated.
NOTE: IF FIRE SYSTEM IS FIELD INSTALLED, WIRING MUST BE VERIFIED BY LICENSED ANSUL SYSTEM INSTALLER AND PERFORMED TO MEET ALL STATE AND LOCAL CODES.
WIRING DIAGRAM FOR CONTACTOR SYSTEM
(Double stack ovens only)

WIRING DIAGRAM


NOTE: PRIOR TO INSTALLATION, POWER MUST BE DISCONNECTED. WIRING DIAGRAM TO BE FOLLOWED IN ORDER TO INTEGRATE INTO FIRE SYSTEM. INSTALLATION SHALL BE PERFORMED TO MEET ALL STATE AND LOCAL CODES. ALL WIRING TO BE PER PAGES 7 & 8 OF THE INSTALLATION MANUAL.

Clearances and Coverage:
Ceiling 18” and Pull Station side 30”
- Equipment Type Oven
- Minimum Side Overhang 1-1/2”to Door
- Nozzles 1N
- Tank Size 3.0
FIRE SUPPRESSION SYSTEM
(when supplied with Fire System)
The fire suppression system used in your Ventless Hood System is an Ansul R-102 Restaurant Fire Suppression System (Standard UL 300 Listed).
• In accordance with the system’s listing, an authorized Ansul distributor must perform final installation, charging and testing of the system.
• The fire suppression system is designed and UL-listed to provide fire protection for cooking appliances such as fryers and ovens. It automatically protects your unit 24 hours per day.
• The integrated ANSUL system contains piping and nozzles.
• All nozzles have been factory installed in the proper operating position.
DO NOT MOVE OR ADJUST .
This Hood also requires use of a Manual Pull System. The Manual Pull System is already integrated into your system if fire suppression system is factory installed.
FIRE SYSTEM PIPING DIAGRAM
(when supplied with Fire System)


FIRE SUPPRESSION SYSTEM
FIELD INSTALL DIRECTIONS
All Fire System Components to be installed by Authori zed Ansul Installer
Components for installation must include Ansul parts as follows:
- Single tank nitrogen catridge 34oz. or LT-20-R
- Terminal Detector P/N 6538
- Pull elbows – 7 required, P/N 7423250
- Pull sation p/n 4835
- Fusible link 415739
- Ansul tank – 3 gallon
- Fire suppression system enclosure
- Stainless steel, 0.026” thick minimum, 23-1/2”x16-1/2”x7-1/2”
Prior to installation, power must be disconnected Wiring diagram to be followed in order to integrate into fire system Installation shall be performed to meet all local codes BAll piping to be routed and installed per this diagram
Fire system enclosure to be installed on the rear of the hood system as shown on the diagrams on following page.


MAINTENANCE
Maintenance is necessary for your Ventless Hood System to maintain the
unit’s efficiency over time.
QUARTERLY HOOD CLEANING
During cleaning of the unit:
- DO NOT steam clean.
- DO NOT use products containing chlorine.
- DO NOT use abrasive products, steel wool or scouring pads.
Interior:
Disconnect power from the unit! Remove all filters from the hood. Using a mild degreaser with a soft towel or sponge, clean the entire Hood Plenum and Blower Sections. The hood must be cleaned every 3 months.
Exterior:
Disconnect power from the unit! Clean all external stainless-steel parts using a stainless-steel cleaner.
Filters:
Baffle filter: The Baffle Filter should be cleaned daily. Place the Baffle Filter in a sink and clean with a mild degreaser. Dry thoroughly, then reinstall in the unit
Mesh Filter:
Should be cleaned daily. Place the filter in a sink and clean with a mild degreaser. Dry thoroughly, then reinstall in the unit.
Charcoal Filter:
Never attempt to clean the Charcoal Filter. Replace every 90 days. The reuse of a Charcoal Filter can cause damage to the unit.

Semi-Annual Fire Suppression System Servicing
Service of the Fire Suppression System is to be conducted by qualified fire equipment personnel ONLY! Semi-annual (at minimum) servicing and inspections should be performed on the Fire Suppression System. Such service shall consist of the following:
(Place fire extinguishing system-locking bar on fire system when servicing hood.)
- Remove charging cartridge, inspect gasket for cuts and elasticity, coat gasket with extreme temperature grease and reinstall.
- Remove tank, verify chemical is at proper level, clean and coat O-ring with extreme temperature grease and reinstall.
- Check all nozzles to ensure they are free of cooking grease buildup.
- Test the remote manual pull station for activation and wear.
- Install test link and cut to simulate automatic actuation.
- Clean and inspect fusible links.
- Inspect wire rope for wear at pulleys and detectors and replace if necessary.
- Record maintenance date and maintain in a permanent file.
Annual Fire Suppression System Servicing
Same as Semi-Annual but all fusible links must be replaced with new fusible links.
Maintenance Schedule

TERMS AND CONDITIONS OF SALE
THESE TERMS AND CONDITIONS OF SALE (“TERMS”) CONTAIN VERY IMPORTANT INFORMATION REGARDING YOUR PURCHASE, AS WELL AS CONDITIONS, LIMITATIONS, AND EXCLUSIONS THAT APPLY TO YOU AND YOUR PURCHASE. PLEASE READ THEM CAREFULLY. YOUR PURCHASE IS EXPRESSLY LIMITED TO AND MADE CONDITIONAL UPON THE EXCLUSIVITY OF THESE TERMS. ANY PROPOSAL FOR DIFFERENT TERMS OR ANY ATTEMPT TO VARY, IN ANY DEGREE, ANY OF THESE TERMS IS EXPRESSLY REJECTED.
- Acceptance. These Terms govern any purchase made from North American Kitchen Solutions,
Inc. (“NAKS”). These Terms, the Manual in which they are contained, installation and maintenance instructions, the applicable invoice, and any documents incorporated or referred to herein or therein, including any future paper or electronic releases issued by NAKS, constitute the “Order.” The Order is the entire contract between you, the buyer, and NAKS, the seller, for products purchased from NAKS. These Terms apply to the Order unless expressly modified or waived by an officer of NAKS. An Order may only be cancelled by you upon payment of reasonable cancellation charges for expenses incurred or commitments made by NAKS. Captions in these Terms are for convenience only. - Pricing. The price for NAKS’ goods, material, equipment, or items (“Products”) is complete, and no deductions, credits, or offsets may be made without NAKS’ express written consent. Prices are subject to change and surcharges in the event of cost increases in materials and transportation. All complete component accessory material manufactured by others and furnished with Products such as motors, drives, vibration equipment, controls, or other completely assembled component structures, are subject to adjustment to the price at time of shipment regardless of the date of original order entry.
- Sales and Similar Taxes. NAKS’ prices do not include sales, use, excise, or similar taxes. Present or future sales, use, excise, or other similar tax applicable to the sale of Products shall be paid by the purchaser unless an acceptable tax exemption certificate is provided to NAKS.
- Payment. NAKS reserves the right to require full or partial payment in advance of any order. Pro-rata payments are due as shipments are made. Each shipment or delivery shall constitute a separate sale, and the default of any shipment or delivery shall constitute a separate sale, and the default of any shipment or delivery shall not vitiate the contract as to other shipments or deliveries.
- Delivery. Shipping and delivery dates are estimates only. No delay in delivery will subject NAKS
to any costs, damages or fees for late delivery. Delivery of Products is made F.O.B. point of shipment, unless otherwise stated. NAKS shall not be liable for delay due to causes beyond its reasonable control (i.e., force majeure events). In the event of such a delay, the date of delivery shall be extended for a period equal to the time lost by reason of the delay. - Changes. NAKS may make changes, including improvements and additions, in the technical requirements, specifications, designs, materials, packaging, and place of delivery, method of transportation, quantities, or delivery schedules of the Products by notifying you.
- Safety. The Products may be designed to serve multiple applications. NAKS offers a range of safety equipment, including guards and other devices, as may be required to meet customer specifications. Without exception, NAKS recommends that all orders include applicable safety devices. Use of Products ordered without applicable safety devices are your sole responsibility. You warrant that you have determined and acquired any and all safety devices required for the Products. Weather covers and guards for motor and V-belt drives, couplings, shafts and bearings, along with inlet and outlet screens, are optional accessories noted in the price list.
- Title. Title and right of possession of Products remains with NAKS until all payments (including deferred payments whether evidenced by notes or otherwise) shall have been received to the satisfaction of NAKS and you agree to do all acts necessary to perfect and maintain such title and right in NAKS and not to subject any Products to any liens or encumbrances until such payment is made in full.
- Governing Law. This Order shall be governed by and construed according to the laws of the State of Ohio (excluding the conflict of law provisions thereof). At NAKS’ discretion, any action relating directly or indirectly to the Order shall be brought exclusively in the Common Pleas Court of Cuyahoga County, Ohio or the United States District Court for the Northern District of Ohio, Eastern Division, and you irrevocably waive any objection to the jurisdiction of, or venue in, either of these courts and agree that the acceptance of the Order constitutes doing business in the State of Ohio.
- Arbitration. At NAKS’ discretion, any dispute arising under or in connection with any Order may be submitted to binding arbitration administered by the American Arbitration Association under its Commercial Arbitration Rules, and judgment on the award rendered by the arbitrator may be entered in any court having jurisdiction thereof. The dispute shall be resolved by one neutral arbitrator who shall have no affiliation with either you as the buyer or with NAKS and shall be selected by the American Arbitration Association office, and held in, Cleveland, Ohio.
WARNING.
NAKS’ Products are designed and manufactured to provide reliable performance, but they are not guaranteed to be 100% free of defects. Even reliable products will experience occasional failures and this possibility should be recognized by the buyer and all end users. If Products are used in life support ventilation systems where failure could result in loss or injury, the buyer and all end users should provide adequate back-up ventilation, supplementary natural ventilation or failure alarm system, or acknowledge willingness to accept the risk of such loss or injury. DO NOT USE IN HAZARDOUS ENVIRONMENTS where a fan’s electrical system could provide ignition to combustible or flammable materials unless unit is specifically built for hazardous environments. Comply with all local and national safety codes including the National Electrical Code (NEC) and National Fire Protection Act (NFPA).
CAUTION.
Guards must be installed when fan is within reach of personnel or within eight (8) feet (2.5 m) of working level or when deemed advisable for safety.
DISCLAIMER.
NAKS has made a diligent effort to illustrate and describe the Products accurately in all materials; however, such illustrations and descriptions are for the sole purpose of identification and do not express or imply any warranty
LIMITED WARRANTY
LIMITED WARRANTY AND DISCLAIMER. This limited warranty extends to the original purchaser only with proof of purchase. NAKS warrants that Products shall be free from original defects in workmanship and materials for two years from date of shipment provided the Products have been properly handled, stored, installed, serviced, maintained, and operated. This warranty shall not apply to Products which
- have been altered or repaired without NAKS’ written express authorization,
- have been altered or repaired in any way so as, in NAKS’ judgment, to affect performance or reliability,
- have been improperly installed,
- have been subjected to misuse, negligence, or accident, or
- have not been installed and operated in accordance with federal, state and local codes and regulations.
Wear items, such as V-Belts, filters, etc. are not included as covered parts under this Warranty. Reimbursement for labor for removing and/or re-installing replacement parts is included in this Warranty for a period of one year from date of Shipment. NAKS is responsible in its sole discretion for determining the amount of labor reimbursement allowed based upon the circumstances of each installation. Labor cost reimbursement must be approved by NAKS in writing prior to the work being performed. You assume all risks and liability for results of use of all Products.
LIMITATION OF REMEDY AND DAMAGES.
All claims under this warranty must be made in writing and delivered by U.S. Mail to:
North American Kitchen Solutions, Inc.
172 Reaser Court
Elyria, OH 44035
Attn: WARRANTY CLAIMS DEPARTMENT
For claims of warranty contact:
Peerless Commercial and Industrial Ovens
1-800-548-4514
*Must provide serial number
All Product claims must be made within 15 days after discovery of the defect and prior to the expiration of two years from the date of shipment. Claims made beyond that period are barred. Within 30 days after receipt of a timely claim, NAKS shall have the option either to inspect the Product at its location or request its return to NAKS at your expense. NAKS shall replace, or at its option repair, free of charge, any Product it determines to be defective, and it shall ship the repaired or replacement product to you F.O.B. point of shipment; provided, however, if in NAKS’ judgment circumstances are such to prohibit repair or replacement to remedy the warranted defects, your sole and exclusive remedy shall be a refund of any part of the invoice price, paid to NAKS for the defective Product or part.
NAKS is not responsible for the cost of removal of the defective Product or part, damages due to removal, or any expenses incurred in shipping the Product, or the installation of the repaired or replaced Product or part.
The warranties set forth above do not apply to any components, accessories, parts or attachments manufactured by other manufacturers; such being subject to the manufacturer’s warranty, if any. To
the extent not prohibited by the manufacturer’s warranty, NAKS shall pass to you such manufacturer’s warranty.
THIS WARRANTY IS IN LIEU OF ALL OTHER WARRANTIES, EXPRESS OR IMPLIED, ARISING
BY LAW OR OTHERWISE, INCLUDING WITHOUT LIMITATION THE IMPLIED WARRANTIES
OF MERCHANTABILITY AND FITNESS FOR A PARTICULAR PURPOSE, WHICH ARE HEREBY EXPRESSLY DISCLAIMED AND WAIVED. THIS WARRANTY CONSTITUTES NAKS’ SOLE AND EXCLUSIVE WARRANTY FOR DEFECTIVE GOODS AND PURCHASER’S SOLE AND EXCLUSIVE REMEDY FOR DEFECTIVE PRODUCTS.
No employee, agent, dealer, or other person is authorized to give any warranties on behalf of NAKS or to assume for it any other liability in connection with any of its products except in writing and signed by an officer of NAKS.
LIMITATION OF LIABILITY.
NAKS’ cumulative liability to you and any other persons for all claims in any way relating to or arising out of the Products, including, but not limited to, any cause of action sounding in contract, tort, or strict liability, shall not exceed the total amount of the purchase price paid for those Products which are the subject of any such claim. This limitation of liability is intended to apply without regard to whether other provisions of this agreement have been breached or have proven ineffective even if NAKS has been advised of the possibility of such claims or demands. In no event shall NAKS be liable to you or any other person for any loss of profits or any incidental, special, exemplary, or consequential damages for any claims or demands brought by you or such other persons. BECAUSE SOME JURISDICTIONS DO NOT ALLOW THE EXCLUSION OR LIMITATION OF LIABILITY FOR CONSEQUENTIAL OR INCIDENTAL DAMAGES, THIS LIMITATION MAY NOT APPLY TO YOU.
NAKS’ maximum liability to you and to any end user is as set forth above. NAKS makes no warranty to anyone for any products not manufactured by it and shall have no liability for any use or installation of any products (whether manufactured by NAKS or other manufacturers) not specifically authorized by this sale. You acknowledge various warnings by NAKS regarding the Products and its installation and use. If NAKS incurs any claims, lawsuits, settlements, or expenses (including attorney fees) for any loss, injury, death or property damage including, but not limited to, claims arising out of your or any end user’s installation or use of the Products, you agree to indemnify and hold NAKS harmless.
REPLACEMENT PARTS.
If replacement parts are ordered, purchaser warrants that the original components in which these replacement parts will be placed are in satisfactory working condition, and when said replacement parts are installed, the resultant installation will operate in a safe manner, at speeds and temperatures for which the original product was purchased.
TECHNICAL ADVICE AND RECOMMENDATIONS, DISCLAIMER.
Notwithstanding any past practice or dealings or any custom of the trade, sales shall not include the furnishing of technical advice or assistance or system design. Any such assistance shall be at NAKS’ sole option and may be subject to additional charge(s).
NAKS assumes no obligation or liability on account of any recommendations, opinions or advice as to the choice, installation or use of Products. Any such recommendations, opinions or advice are given and shall be accepted at your and the end-user’s risk and shall not constitute any warranty or guarantee of such Products or their performance.
Peerless VL-30 Ventless Exhaust Hoods
















