
SL53 HD Heavy Duty Half Surface Geared Continuous Hinges
Instruction Manual
SPECIFICATIONS
SL53 Half Surface Geared Continuous Hinge
MATERIAL: Extruded 6063 T6 aluminum alloy with self-lubricating polyester thrust bearings.
LENGTHS: 83″, 85″, 95″ and 120″ lengths standard for nominal door heights. Custom lengths are available.
LOAD/FREQUENCY RATINGS: For 1-3/8″ — 1-3/4″ doors standard; long barrel nuts available for 2″ — 2-1/4″ doors. 48″ max. door width in 16 gauge hollow metal (min.) or 1/8″ aluminum (min.). Heavy Duty — Tested per BHMA standards. Up to 200 lb. doors (high-frequency) and up to 400 lb. doors (medium-frequency) without frame or door reinforcement; up to 600 lb. doors (low-frequency) with the use of Rivne’s in the frame.
FINISHES: All SL53 hinges are stocked in Clear and Dark Bronze anodized aluminum. Custom anodized or painted finishes are available. Product painted or anodized in the field voids the SELECT hinge warranty.
CLOSERS: Conventional overhead surface, concealed sliding arm overhead or floor closers may be used with SELECT hinges. Pivot-type floor closers (with a fixed, conflicting center pivot) must be replaced.
ORDER: Specify length, finish and heavy duty (HD). Also, specify door and frame screw applications. 12-24 x 3/4″ self-drilling, thread-forming 410SS Phillips undercut flathead screws, 1/4-20 through-bolts and 1/4-20 shoulder screws (for doors up to 1-3/4″ thick) are provided as a standard pack unless otherwise specified. Wood and thread-forming screws also available. Security screws optional at extra cost.
AVAILABLE ELECTRIC PREPS: EPT.
BHMA CERTIFICATION: SL53HD geared continuous
Eulimid hinges conform to BHMA Standard ANSI/BHMA A156.26-2006 Grade 1.
CERTIFIED
SL53 HINGE SCREW COUNT HINGE LENGTH & DUTY RATING DOOR SCREWS FRAME SCREWS 83″ HD 10 19 85″ HD 10 19 95″ HD 11 21 120″ HD 14 23
SL53 HINGE SCREW COUNT | ||
| HINGE LENGTH & DUTY RATING | DOOR SCREWS | FRAME SCREWS |
| 83″ HD | 10 | 19 |
| 85″ HD | 10 | 19 |
| 95″ HD | 11 | 21 |
| 120″ HD | 14 | 23 |
INSTALLATION INSTRUCTIONS
Half Surface Geared Continuous Hinges

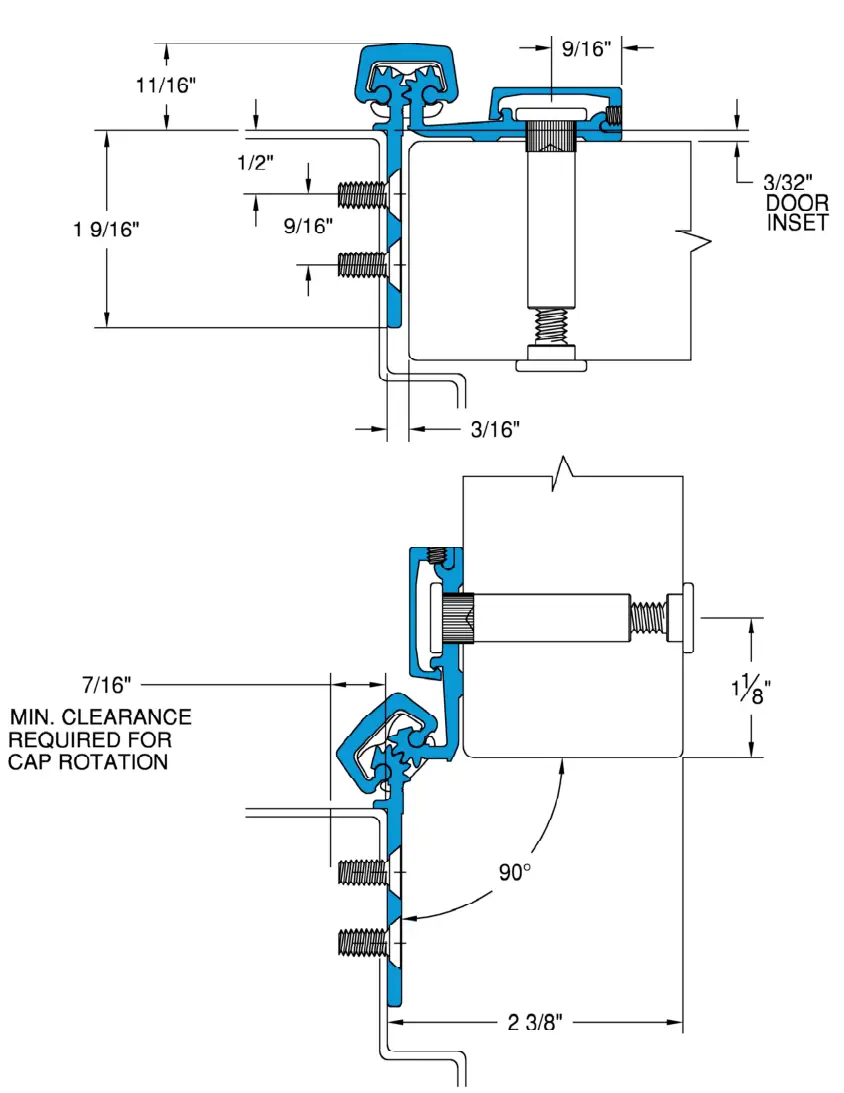
Door Clearances
For Square and Beveled-Edge Doors
IMPORTANT: All uncut SL53, SL54 and SL77 hinges are non-handed and templated. They Become handed after cutting. If Godord inset is required, install a continuous
* NOTE: Refer to NFPA 80 manual for clearance piece of Shim Gander the door leaf.
Single Door

Double Doors (Pair)

Important Warranty Information:
The following actions will void any warranty, expressed or implied:
- Failure to install the hinge according to manufacturer’s specifications and requirements. (For more information, visit selecthingerequirements.com.)
- Use of fasteners other than those supplied with the hinge.
- Unauthorized field modifications, including alteration or removal of the factory-applied lubricant, altering the original finish or painting the hinge.
Reinforcing & Rivnuts ®
No hinge reinforcement is necessary except on extremely high-frequency, extremely heavy or extra wide doors. Rivne’s are recommended for use in the frame when the door
exceeds 450 lb. (max. 600 lb.)
NOTE: Only SELECT steel Rivne’s® are to be used with fire-rated SELECT hinges.
Grouted/Slushed-in Frames
For ease of installation, it is recommended some sort of mudguard be installed behind the frame. Do not use self-drilling, thread-forming (SDTF) screws to drill into grouted frames. If mudguards have not been used, carefully drill pilot holes through frame and remove grout for screw clearance. Do not oversize holes in frame.
Fire-Rated Hinges†![]()
All stock SELECT hinges are 90-minute UL-rated, without pins. Please contact SELECT for complete information about its fire-rated hinges.
† Please note the SL77 is not5fire-rated.
Tools Needed
- Metal-cutting saw
- Tape measure
- #13 or 3/16″ drill bit & 3/8″ drill bit
- 5/32″ drill bit (wood frames only)
- #3 Phillips drive
- 5/64″ Allen wrench
- Hammer
- Shims
Parts Supplied
- #12-24 self-drilling, thread-forming (SDTF) 410 SS Phillips undercut flathead screws
- #12-24 self-drilling, thread-forming (SDTF) 410 SS Phillips undercut panhead screws
- 1/4-20 barrel nuts (through bolts)
- 1/4-20 shoulder screws
- 7/32″ center punch
- 3/8″ center punch
- Set screws
Optional Parts
- #12 410 SS Phillips undercut flathead wood screws
- #12-24 thread-forming (TF) 410 SS Phillips undercut flathead screws
- Long barrel nuts for doors 2″—2-1/4″ thick
- Protective gloves are recommended
How to Cut the Hinge to Fit
A. Keep hinge in “door closed” position (Fig. 1).
B. Determine whether this will be a righthand or left-hand installation.
IMPORTANT: Cut only one end of hinge. Cut end will be installed at the bottom. Keep original templated six-hole pattern at top end of hinge.
C. Using a metal-cutting aw, begin the cut through the gear cap first.
NOTE: DO NOT cut through a set screw bearing.
D. Loosen set screw from side of door leaf cover with 5/64″ Allen wrench (Fig. 1).
E. Remove door leaf cover by sliding it ounce end of hinge.
F. Reinstall any set screw bearing that may have been cut owe.
A. Attach Hinge to Frame
NOTE: Remove door leaf cover if not already removed. See step D above.
- Shim hinge to 1/8″ below the header to allow for door clearance.
- Hold hinge in “door open” position (Fig. 2) making sure frame leaf alignment flange is tight against frame rabbet.
- Mark (or centerpunch) two holes at top and two holes at bottom of frame leaf.
NOTE: TF screws and wood screws require pilot holes at marked locations. SDTF screws do not require pilot holes.
- If using SDTF screws, go to Step 5. If using TF or wood screws, drill holes at marked locations.
Metal frame: Use #13 (.185″) bit or 3/16″ (.188″) bit Wood frame: Use a 5/32″ (.156″) bit - Fasten frame leaf to door frame using two screws at the top and two screws at the bottom.
Metal frame : Use #12-24 TF flathead screws provided, or use #12-24 SDTF flathead screws (provided on request)
Wood frame: Use #12 flathead wood screws (provided on request)
B. Prepare Door - Shim door into opening to provide required hinge clearances.
IMPORTANT: Top end of the hinge must be flush with the top of the door.
IMPORTANT: A 13/16″ gap between door edge and a frame without a stop is necessary for the SL77 safety feature to be evocative.
See illustration on other side. - Mark locations for the four SDTF panhead screws on the door using 7/32″ center punch.
- With #3 Phillips drive, temporarily attach door leaf to door through the four locator holes with SDTF panhead screws provided.
- Remove shims and check door clearances, alignment and operation.
NOTE: Door may sag slightly when shims are removed. Note the amount of adjustment needed to bring door back into alignment.
DO NOT PROCEED UNTIL DOOR OPERATES PROPERLY. - Mark locations for barrel nuts on the door using 3/8″ center punch.
- Remove door and lay it flat. Use 3/8″ drill bit to drill holes at marked locations.
NOTE: Be sure to drill squarely through door.
C. Attach Door to Hinge - Fasten door to door leaf with the barrel nuts and 1/4-20 shoulder screws.
NOTE: Always install shoulder screws on the secured side of the door (Fig. 3). - Mark (or centerpunch) remaining frame leaf hole locations. Drill holes in frame through the frame leaf and secure with flathead screws.
- Secure door to door leaf with barrel nuts and 1/4-20 shoulder screws.
NOTE: Always install shoulder screws on the secured side of the door (Fig. 3).
D. Install Leaf Cover - Align leaf cover with top edge of hinge.
- Starting from the top and working downward, apply pressure to leaf cover to snap it into place (Fig. 3).
NOTE: If you use a hammer to tap cover into place, be sure to protect the surface of the cover from damage. - Tighten set screws with 5/64″ Allen wrench.
3258 Stadium Park Way
Kalamazoo, MI 49009
Ph: 800-423-1174
Fax: 800-423-7107
www.select-hinges.com
Information subject to
change without notice.
© 2021 SELECT Products
Limited Printed in U.S.A. #IN-112321






















