SELECT HINGES SL38SD Standard Duty Concealed Geared Continous Instruction

SL38 CONCEALED HINGE 

SPECIFICATIONS

- MATERIAL: Extruded 6063 T6 aluminum alloy with selflubricating polyester thrust bearings.
- LENGTHS: 83″and 95″ lengths standard for nominal door heights. Hinges can be cut to shorter lengths. Longer hinges are not available.
- LOAD/FREQUENCY RATING: For 1″ to 1-3/8″ doors. 48″ max. door width in 16 gauge hollow metal (min.) or 1/8″ aluminum (min.).
Standard Duty – Tested per BHMA standards for medium-frequency doors up to 200 lb. without frame or door reinforcement. - FINISHES: All SL38 hinges are stocked in Clear and Dark Bronze anodized aluminum. Custom anodized or painted finishes are available. Product painted or
anodized in the field voids the SELECT hinge warranty. - CLOSERS: Conventional overhead surface, concealed sliding arm overhead or floor closers may be used with SELECT hinges. Pivot-type floor closers (with a fixed, conflicting center pivot) must be replaced.
- ORDER: Specify length, finish and standard duty (SD). Also, specify door and frame screw applications. 12-24 x 3/4″ self-drilling, thread-forming 410SS Phillips undercut flathead screws are provided as a standard pack unless otherwise specified. Wood and thread-forming screws also available. Security screws optional at extra cost.
- AVAILABLE ELECTRIC PREPS: EMS, CMG, AP and RP.
| SL38 HINGE SCREW COUNT | ||
| HINGE LENGTH & DUTY RATING | DOOR SCREWS | FRAME SCREWS |
| 83″ SD | 11 | 11 |
| 95″ SD | 11 | 11 |
SELECT ADVANTAGES

- PAIR-MATCHED™ HINGE LEAVES
Manufactured together, machined together and anodized together, making SELECT hinges fit your doors better and last longer. An exclusive SELECT benefit. - LIFETIME LUBRICATION
Eliminates the need for periodic maintenance. Quiet performance. Fights gear cap wear. An exclusive SELECT benefit. - ANODIZED AFTER MACHINING
Delivers superior wear, durability and life. Inhibits corrosion. Few hinge makers follow SELECT’s lead in using this superior manufacturing process. - MEETS LEED REQUIREMENTS
Made from recycled aluminum. Reduces environmental impact and qualifies for LEED points. An exclusive SELECT benefit.
- PATENTED 3-HR. FIRE RATING
Most SELECT hinges are fire rated for 90 minutes. 3-Hr. fire rating, optional at extra cost, approved for positive/negative pressure. No fire pins or studs required. Patented design innovation. An exclusive SELECT benefit. - CONSISTENT TEMPLATING
Hole pattern is identical on both Standard and Heavy Duty models, so SELECT hinges line up precisely for easier and faster installation. An exclusive SELECT benefit. - COATED FASTENERS
Provide additional corrosion protection with either self-drilling, thread-forming (SDTF) or thread-forming (TF) screws. An exclusive SELECT benefit. - CUSTOM COLORS
Match any paint color on the gear cap or the entire hinge and fasteners, including our always-in-stock Bone White gear caps. Anodized colors also available.
SELECT HINGE PERFORMANCE
- A SELECT geared continuous hinge has been tested in accordance with ANSI 250.4-1994 test procedure and acceptance criteria for physical endurance for steel doors and hardware and has surpassed 25,000,000 cycles during testing by an independent laboratory. On a door cycling 400,000 times per year, a SELECT hinge will be performing for over 62 years.
- SELECT geared continuous hinges are built to handle abuse from high-traffic applications. They are applied
to the surface on the edge of the frame and door. No machining or reinforcement is required. - The revolutionary SELECT geared continuous hinge puts an end to costly and irritating hinge failure problems, the most common cause of entrance failure.
- On conventional hinges, opening and “kick-back” energy concentrate on a few inches of fastened reinforcing
plate — with the top hinge handling 100% of the force. Pinless SELECT hinges bond the door and frame into an integrated, sag-free unit. “Kick-back” energy dissipates along the entire length of the door and frame. (Compare this to a conventional hinge’s 4-1/2″ to 5″ at the top of the door and frame). - SELECT geared continuous hinges eliminate the gap between the door and frame, providing a weatherproof, rust-proof, tamper-proof barrier. When the door is closed, there are no accessible screws, bolts or pins.
- SELECT SL38 geared continuous hinges are listed and tested by Underwriters Laboratories to meet the Positive and Negative pressure requirements of UL10B and UL10C, and are in accordance with UBC 7.2 (1997). SELECT SL38 geared continuous hinges are for use on swinging single fire doors (max. door opening of 4’x10’) or pairs of fire doors (max. door opening of 8’x10’), including double egress, installed in masonry or drywall. SELECT SL38 geared continuous hinges are rated for up to 1-1/2 hours for wood composite and wood core type fire doors.
INSTALLATION INSTRUCTIONS
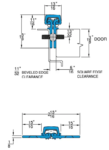
Calculating Required
Door Clearances
For Square and Beveled-Edge Doors
IMPORTANT: All standard length SELECT hinges are supplied slightly shorter than nominal door height to avoid threshold or flooring clearance problems.
IMPORTANT: All uncut concealed hinges are non-handed and templated. Models SL11, SL27 and SL38 remain non-handed after cutting. All other concealed hinges become handed after cutting.
IMPORTANT: Refer to NFPA 80 manual for clearance requirements on fire-rated entrances.
Important Warranty Information:
The following actions will void any warranty, expressed or implied:
- Failure to install the hinge according to manufacturer’s specifications and requirements. (For more information, visit selecthingerequirements.com.)
- Use of fasteners other than those supplied with the hinge.
- Unauthorized field modifications, including alteration or removal of the factory-applied lubricant, altering the original finish or painting the hinge.


NOTE: For double-door entrances with a mullion between the pair of doors, calculate each door width using the Single Door clearances. For double-door entrances with a mullion behind the pair of doors, calculate each door width using the Double Doors clearances.
Tools Needed
- Metal-cutting saw
- Tape measure
- #13 or 3/16″ drill bit
- 5/32″ drill bit (wood frames/doors)
- #3 Phillips drive
- Shims
Parts Supplied
- #12-24 self-drilling, thread-forming (SDTF) 410 SS Phillips undercut flathead screws
Optional Parts
- #12 410 SS Phillips undercut flathead wood screws
- #12-24 thread-forming (TF) 410 SS Phillips undercut flathead screws
- Protective gloves are recommended
How to Cut the Hinge to Fit
- A. Keep hinge in “door closed” position (Fig. 1).
- B. Determine whether this will be a right-hand or left-hand installation.
IMPORTANT: Cut only one end of hinge. Cut end will be installed at the bottom. Keep original templated six-hole pattern at top end of hinge.NOTE: SL11, SL27 and SL38 are non-handed and remain non-handed after cutting. - C. Using a metal-cutting saw, begin thecut through the gear cap first.
NOTE: DO NOT cut through a set screw bearing. - D. Reinstall any set screw bearing that may have been cut off.
A. Prepare Frame
- Shim hinge to 1/8″ below the header to allow for door clearance.
- Hold hinge in “door open” position (Fig. 2), making sure frame leaf alignment flange is tight against frame face.
- Mark (or centerpunch) hole locations.
NOTE: TF screws and screws require pilot holes at marked lo ns. SDTF screws do not require pilot holes. - If using SDTF screws, go to Step using TF or wood screws, drill holes at marked locations. DO NOT attach hinge to the frame at this time.
Metal frame: Use #13 (.185″) bit or 3/16″ (.188”) bit
Wood frame: Use 5/32″ (.156″) bit
Attach Door to Hinge - Align the door leaf alignment flange or the door leaf lip along full length of door edge (even if door is slightly warped).
IMPORTANT: Top end of the hinge must be flush with the top of the door.
IMPORTANT: If installing hinge on a 90 minute fire-rated wood door, mark or centerpunch only one hole in each pair of holes at the top and bottom of the door leaf. DO NOT install remaining screws in the six-hole pattern on the door leaf. See illustration below.
- Mark (or centerpunch) holes. If using SDTF screws, go to Step 7. If using TF or wood screws, drill holes at marked locations.
- Metal door: Use #13 (.185″) bit or 3/16″ (.188”) bit
- Wood door: Use 5/32″ (.156″) bit
- Fasten door leaf to door using #3 Phillips drive and fasteners provided.
C. Attach Door to Frame - Position door at 90 degrees to the frame. Shim door to the proper height so the door aligns with the top screw holes.
- Install two screws at the top of hinge. Remove shim and align remaining holes. Install screws in middle and bottom two holes.
- Check door for proper swing and clearance before installing remaining screws.
Reinforcing & Rivnuts®
No hinge reinforcement is necessary except on extremely high-frequency, extremely heavy or extra-wide doors. Rivnuts are recommended for use in the frame when the door exceeds 450 lb. (max. 600 lb.).
NOTE: Only SELECT steel Rivnuts are to es.be used with fire-rated SELECT thing
Grouted/Slushed-in Frames
For ease of installation, it is recommended some sort of mudguard be installed behind the frame. Do not use self-drilling, threadforming (SDTF) screws to drill into grouted frames. If mudguards have not been used, carefully drill pilot holes through frame and remove grout for screw clearance. Do not oversize holes in frame.
Fire-Rated Hinges All stock SELECT hinges are 90-minute UL-rated, without pins. Please contact SELECT for complete information about its fire-rated hinges.



Ph: 800-423-1174 | Fax: 800-423-7107 | www.select-hinges.com
Information subject to change without notice
© 2021 SELECT Products Limited Printed in U.S.A. #IN-020221

























