
19832 3 Light Lantern
Instruction Manual
19832 3 Light Lantern


INSTALLATION INSTRUCTIONS
WARNING![]()
- To avoid possible electrical shock, before installing your light fixture, disconnect the power by turning off the circuit breakers to the outlet box associated with the wall switch location.
- The lighting fixture must be grounded. If the ground wire for the installation site is not present, immediately STOP installation and consult a qualified electrician.
- All wiring must be in accordance with national and local electrical codes ANSI/NFPA 70. If you are unfamiliar with wiring or in doubt, consult a qualified electrician.
READ AND SAVE THESE INSTRUCTIONS
These instructions are provided for your safety. It is very important that they are read carefully and completely before beginning installation of the lighting fixture.
Light Lantern 3
Fixture weight ±2 lbs:
Peso ±2 lb: 8 lbs (3.63 kg)
Poids fixe ±2 Ibs:
Hardware Service Kit
| Part | Model | Finish |
| KE20701L19 | 19832 | Textured Rust |
| KE20701214 | 19833 | Brushed Nickel |
| KE20701L24 | 19834 | Palm Gold |
Glas
| Part | Model | Type |
| KE30701147 | 19832 | Clear Glass |
| 19833 | Vidrio Transparente | |
| 19834 | Verre Transparent |
Here are the tools you’ll need to complete your installation:
![]()
Ladder![]()
Screwdriver![]()
Pliers![]()
Wire Strippers
PREPARING FOR INSTALLATION
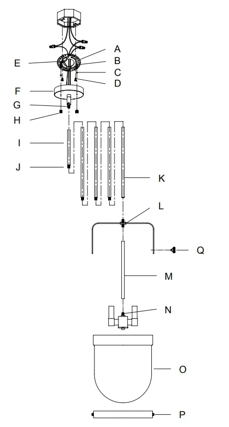
Carefully remove all contents from the carton. Shut off the power at the circuit breaker and completely remove the old fixture from the ceiling, including the old mounting bracket. Remove the new mounting bracket assembly from the bag. Remove cap nuts (H) from mounting screws (B). Place the mounting plate (A) over the junction box so that mounting screws (B) and nuts (C) extend out away from the ceiling. Depending on the placement of your junction box the position of mounting screws (B) may need to be adjusted to allow the canopy to be flush with the ceiling. Adjust the position of mounting screws (B) so that mounting screws (B) can be exposed 5-6 mm after passing through the canopy (F) to properly fit the cap nuts. Mounting screws (B) can be adjusted by loosening nuts (C) and loosening or tightening mounting screws (B). Once the ideal position of mounting screws (B) has been confirmed, tighten nuts (C) on mounting screws (B) on the front of the mounting plate to ensure that mounting screws (B) are secure. Pull the house wires through the center of mounting plate (A). Secure mounting plate (A) to the junction box by tightening the screws (D).
ASSEMBLING THE FIXTURE
There are 4 12-inch rods (K), and 1 6-inch rod (I) included for each fixture. Determine the correct number of rods needed for proper hanging height. To lengthen the fixture, add additional rods. To shorten the fixture, trim the wires to desired length. Leave at least 8 to 10 inches of wire in addition to the desired length and slide any excess rods off the fixture’s wiring to discard. Keep in mind that you must use at least one rod to hang the fixture.Thread the wires through the center rod (M) and attach to the threaded post (N). Thread the wires though threaded post of strap (L) and attach to the top of center rod (M). Thread the wires through the rods and pull the wires until taut before connecting the rods together. All threads should be engaged but do not overtighten (some manual straightening of the downrods may be required). Pull the fixture wires through the top of the canopy (F). Screw the top rod to hang straight (G) of canopy (F). 
CONNECTING THE WIRES
Have a helper support the fixture’s weight while completing the wiring. Attach the fixture’s wires to the power supply wires from the junction box. Connect black to black (live); white to white (neutral); grounding to grounding (green or copper). Twist the ends of the wire pairs together. Then, twist on a wire connector. Make sure all twists are in the same direction. Loop fixture’s ground wire around grounding screw (E) and tighten. If there is no ground wire (green or copper) from the junction box, contact a qualified electrician.
FINISHING THE INSTALLATION
Raise canopy (F) to mounting plate (A) and position mounting screws (B) so that they protrude through the openings of canopy (F). Secure canopy (F) in place with cap nuts (H). Install light bulb (not included) in accordance with the fixture’s specifications. Do not exceed the recommended wattage. Slide glass shade (0) into the ring (P). Raise the glass so that the fixture strap (L) sits outside of the glass shade (0) and ring (P). Secure the glass shade (0) to the fixture with the screws (Q). Do not tighten screws (Q) until both are in place and threads have started to be engaged. Do not overtighten screws (Q) to avoid GLASS BREAKAGE. Turn on the power and test the fixture. Your installation is now complete.
CLEANING TIPS
Treat the fixture gently! Regular cleaning will reduce the need for deep cleaning. For regular cleaning, turn off the light and wipe down the fixture with a clean lint•free cotton or microfiber cloth. Never spray cleaner directly onto the fixture.
WARNING
FRAGILE GLASS
To prevent chipping/breaking of glass, do not overtighten screws.
NOTICE
LaIn order to use a 12in. rod by itself you must first remove the threaded post from the 6in.
rod and install it on one of the ends of the 12in. rod.![]()
Hunter Pro Tip:
Twist or tape wire ends together to make it easier to pass them through the downrods.
Threaded post may also be removed for easier wire access.



















