claber 8058 Multipla AC230-24V LCD
INFORMATION GENERAL
DO NOT PUT UNDERWATER
DO NOT INSTALL IN THE VALVE BOX
TO BE INSTALLED INDOORS
The timer must be wall-mounted in a non-humid room, protected from weathering and spurts of water.WARNING Do not install the timer in underground valve boxes
DESCRIPTION
- Fixing bracket
- Cover
- TEST/MANUAL button
- Display LCD
- LINE selectors
- LED LINE
- Terminals
- Fixing hole
- Grommet
- Battery compartment cover
- Jumper
- Battery compartment
- Frequency SELECTOR
- Start +…HOURS button
- Transformer
FIXING METHOD
Fixing with bracket
Mount the appliance to the wall using the bracket provided, or fix it directly to the wall surface.


Fixing directly to the wall



BATTERY REPLACEMENT
The appliance must contain a 9V alkaline buffer battery, which serves to store the start time for the set program, should the power supply fail (in the absence of a power supply, it lasts for approximately 2 months). If the battery is not connected or has insufficient charge, a mains power cut may result in the watering program being disabled. When the message LOW BATT appears blinking in the display, this indicates that the battery is almost flat and needs renewal. Having replaced the battery, check and if necessary reprogram the start time (see “Start watering program” heading). One new 9V alkaline battery only should be fitted and renewed at the start of every season. Always remove the battery when the timer is not going to be in use for extended periods. Dispose of spent batteries by placing them in a special sorted collection bin.




INSTALLATION
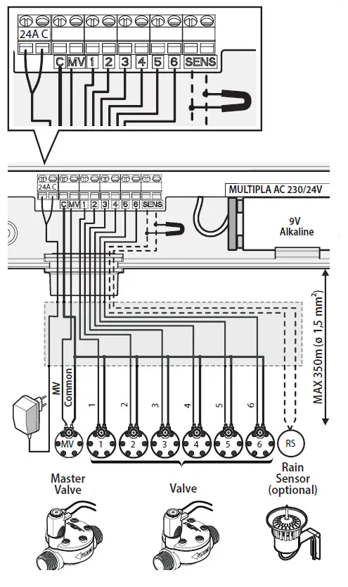
- The timer can be used to control a minimum of 1 to a maximum of 6 valves 24V. When selecting the position, bear in mind the need for convenient routing of wires from the timer to the valves and the Rain Sensor (if installed), and that the MULTIPLA-AC must be located close to a power socket. The MULTIPLA-AC is supplied with a plug-in external transformer and power cable 1.5 meters in length. We recommend installing a terminal box near the timer. The Master Valve is an optional safety valve installed upstream of the line valves; it opens and closes automatically, so as to connect the system to the main only when watering is actually in progress. There is also the option of connecting a Rain Sensor to the MULTIPLA-AC, which will interrupt the watering program in the event of rainfall; once the rainwater collected in the cup has evaporated, the program will restart automatically.
- Join the single wires coming from either terminal of the single valves to a single wire coming from the timer (valves common).
- The wires running from the timer to the valves and the Rain Sensor (if installed) must be protected with a plastic conduit.
- Lay the conduit, and route the necessary wires through from end to end.
- Connect the ends to the respective valves (including the Master Valve, if installed).
- Make the following connections to the terminal box of the timer, stripping the ends of the wires to expose 5-6 mm, inserting and tightening:
– the common wire from the valves, to terminal C, the wire coming from the second terminal of each valve to terminals 1 … 6,
– the wire coming from the second terminal of the Master Valve (if installed) to terminal MV. - If the Rain Sensor is installed, remove the jumper from the SENS terminals and connect the wires from the Rain Sensor in its place. If the Rain Sensor is not going to be used, the jumper must remain in place between the SENS terminals.


WARNING RECOMMENDATIONS
The electrical system must be set up by qualified personnel in compliance with current legal regulations and standards. When performing device installation or maintenance operations, cut off the electrical power supply by connecting the external transformer to the power socket. The Manufacturer shall not be held responsible ifthe information provided above is not observed. The solenoid valves are powered with 24 V and areclassified as SELV low voltage. A fixed system that complies with current standards and laws mustalso be created for the electrical solenoid valveconnections. It is good policy – when the water timer is put intooperation for the first time – to make certain that the programs run correctly.
DISPOSAL ELIMINATION
The symbol in question applied to the product or the packaging indicates that the product must not be considered as normal domestic waste, but must be taken to a special center for the collection and recycling of waste electrical and electronicequipment. Take care to dispose of this product in the proper way; this will help to avoid the negative consequences that could arise from unsorted collection or dumping. For more detailed information on the recycling of this product, contact the municipal authority, the local refuse collection service, or the dealer from whom the item was purchased
CONDITIONS OF GUARANTEE
This device is guaranteed for two years from the date of purchase as indicated by the invoice, bill, or till receipt is issued at the time of the transaction, which must be kept. Claber guarantees that the product is free of material or manufacturing defects. Within two years from the date of delivery to the consumer, Claber shall repair or replace any parts of this product found to be defective.
The warranty is void in the event of:
- Lack of proof of purchase (invoice, receipt, or cash register receipt);
- Use or maintenance different from what is specified;
- Disassembly or tampering by unauthorized personnel
Faulty installation of the product;
- Damages from atmospheric agents or contact with chemical agents; Claber accepts no liability for products that it has not manufactured, even if used in combination with its own products.
- The costs and the risks associated with shipment are met entirely by the owner. Assistance is provided by Claber authorized service centers.
Declaration of Conformity
Assuming full responsibility, we declare that the product complies with the applicable requirements of the following standards:
- EN 55014-1:2006 + A1:2009 + A2:2011;
- EN 55014-2:2015;
- EN-61000-3-2:2014;
- EN-61000-3-3:2013;
- EN 62233:2008;
- EN 61558-1/A1:2009;
- EN 61558-2-6:2009 – 5615 AC/AC ADAPTOR
KEY
- TEST active indicator
- Line selected indicator
- Time remaining indicator (until start/end of watering)
- Mains healthy indicator
- Battery low indicator
- Rain Sensor indicator
- Watering in progress symbol
- Watering standby symbol
When the battery is inserted, the message OFF will be displayed. Plug the transformer into the power socket. 
The TEST function can be used to activate a given valve manually, for a predetermined duration of 5 minutes: this enables the user to run a quick check during installation and/or maintenance procedures, and make certain that all parts of the system are working. If there is an irrigation cycle running, to perform the test you can pause the cycle by pressing and holding the TEST and START+… buttons at the same time for 1 second.
- TEST/MANUAL START+…HOURS

- Press the TEST button repeatedly (e.g. 3 times) to select and activate one of the lines; after a few seconds, the relative valve will open for 5 minutes. The display indicates the operating mode – TEST – the line selected, and the time remaining.
- TEST/MANUAL START+…HOURS


- To close the valve being tested before the end of the 5 minutes, press the TEST and START+… buttons simultaneously for 1 second.
- TEST/MANUAL START+…HOURS

- Warning: if the TEST and START+… buttons are pressed for longer, the timer will be reset, deleting the start times for the irrigation cycles.
SETTING A PROGRAM
During a watering cycle, the Multipla activates all of the valves on lines 1 to 6 for which a watering time has been programmedusing the LINE selectors, opening them in succession. A watering program consists of the repetition of a watering cycle interval programmed with the FREQUENCY selector.
Having decided which lines are to be activated, turn the LINE selector for each one until it is positioned on the required time. The duration is programmable between 5 and 60 minutes. To exclude watering on a given line, position the corresponding selector on “•” (ZERO)
Turn the FREQUENCY selector to the required position (every 8 hours, 12 hours, 24 hours, 2 days, 3 days, 4 days, or 7 days).
START OF WATERING PROGRAM
Start:
At the desired time, press the START+… button once and the irrigation program will start immediately. The next watering cycle will begin after the time period set with the FREQUENCYselector has elapsed (example: pressing the START+… at 20:00hours to activate the program, with the FREQUENCY set at 8hours, the next watering cycle will commence at 04:00 hours).

Delayed start:
Press the START+… button once. Before 5 seconds have elapsed, press the START+… button a second time to set a delay of one hour, a third time for two hours, and so on up to as many as 23 hours (in the example illustrated, a delay of 7 hours has been set). The display initially shows the selected number of hours of delay, the awaiting irrigation symbol and the time remaining until the next irrigation cycle starts (e.g. 6:59).
TEST/MANUAL START+…HOURS
TEST/MANUAL START+…HOURS

STOP FUNCTION
The STOP (pressing TEST and START+… together) function interrupts the watering cycle currently in progress. Irrigation will start again normally with the next cycle, according to the set frequency. The STOP function is also used to close a valve manually when activated in TEST mode.
RESET FUNCTION
The RESET function closes the valve, if currently open, and switches the timer to OFF. The irrigation start time is deleted while the run time and frequency remain unchanged; to change them, manually adjust the individual dials. Watering will be suspended until the START+… button is pressed again (see “start of watering program”), or until another TEST is run (see “System test”).
Press the TEST and START+… buttons simultaneously, and hold for 10 seconds. The message OFF appears on the display.
MODIFYING PROGRAMMING
To change a watering program currently in use, enter the LINE and FREQUENCY settings as desired.
Examples:
- With watering in progress and line 2 active, the position of LINE 2 and LINE 3 selectors is changed (say, from 10 to 20 minutes): there will be no change to the duration of the watering step in progress on line 2, whereas the new setting of 20 minutes will take effect with the activation of line 3. For the next irrigation cycle, both lines 2 and 3 will irrigate for 20 minutes.
- Multipla irrigates every 8 hours on 2 lines, for 5 minutes each. If it is 8.10 (Multipla has already irrigated on both lines) and the position of the FREQUENCY dial is changed (e.g. from 8 to 12 hours), Multipla will irrigate at 4 pm (observing the 8-hour interval saved previously) and then the frequency will change to 12 hours (the next irrigation cycle will run at 4 am). If the changes apply to longer frequencies (e.g. 2 days), we recommend resetting the device, changing the frequency and resetting the start time. This will ensure the new frequency settings take effect immediately.
DISPLAY AFFICHAGE
When a watering cycle is in progress, the display shows the in-progress symbol, the number of the line currently active, and the number of minutes remaining until watering is due to finish on that line (fig. A). The line Led relative to the valve currently open will also light up. On completion of the watering cycle, the standby signal reappears in the display, with the time remaining until the start of the next watering cycle (fig. B – example of watering cycle with FREQUENCY set to 8h).![claber-8058-Multipla-AC230-24V-LCD-FIG-38]](https://static-data1.manualsee.com/1/img/394/3022954/2022/05/claber-8058-Multipla-AC230-24V-LCD-FIG-38.png)
Should there be an interruption to the power supply, if the battery is connected and charged, the timer will store the programs but will not open the valves. All the symbols flash on the display. Once power has been restored, irrigation will start again as normal and the display will flash until any button is pressed. If the battery is not connected or is flat, and there is an interruption to the power supply, the irrigation cycles are stopped. The run time and frequency are saved but the time is deleted. Irrigation will resume once the power supply has been restored after having pressed the START button (see “Starting the irrigation program”).
GUIDED PROCEDURE
At 16:30, the duration is selected for all of the watering lines (LINE selectors) and the frequency is set at 8h (FREQUENCY selector). Suppose that watering is not to start immediately, but at 22:30 (i.e. after 6 hours): press the START+… button, then press six times in succession, so that the display shows 6:00. The time indicated in the display begins counting down, ultimately reaching 0:00 at 22:30; the watering cycle starts, and will then be repeated every 8 hours asset with the FREQUENCY selector (i.e. at 5:30, at 14:30, and at 22.30).




- UK How do I set the irrigation cycle activation times?
- The timer registers the start time (START) for the first set program as the start time for the irrigation cycles.
- No water from one or more valves, though MULTIPLA-AC seems to be working
- Check the state of the wires and connections; check that there are no breaks in the electrical connections using a tester and, if necessary, restore continuity for the relevant wires; check the state of the solenoid and valves. If a valve does not open or close, this may be because of impurities that have penetrated inside or because of incorrect assembly, not observing the direction of flow of the water as shown by the arrow on the solenoid valve body.
- Valves fail to activate, though MULTIPLA-AC seems to be working
- The cables connecting the valves to the timer are broken or disconnected; check the integrity and tightness of the terminals. Make certain either that the Rain Sensor is connected and functioning, or that the jumper is located between the SENSterminals. No water from the main; restore the supply.
- Watering times are not as programmed
- LOSS of mains power supply with the backup battery either low or disconnected; replace the battery and restart the watering program. Rain Sensor symbol shows permanently in the display. Make certain either that the Rain Sensor is connected and functioning, or that the jumper is located between the “SENS” terminals.
- MULTIPLA-AC not working
- The causes may be: a short circuit; the external transformer is not receiving any power from the mains; the external transformer is not supplying 24V. Contact CALIBER technical support via your local retailer or contact one of the technical support centers.
- MULTIPLA-AC faulty or damaged
- For repairs, contact CLABER technical support via your local retailer or contact one of the technical support centers.


























