Professional Kitchen Blender Santosafe N°37 User Manual

SANTOS SAS :
140-150 AVENUE ROGER SALENGRO
69120 VAULX-EN-VELIN (LYON) – FRANCE
PHONE 33 (0) 472 37 35 29 – FAX 33 (0) 478 26 58 21 –
E-Mail: www.santos.fr www.santos.fr
IMPORTANT: documents included in this manual to be kept:
• “CE” COMPLIANCE DECLARATION
• WARRANTY CERTIFICATE
Translation of the original version
Read the instructions for use before unpacking the appliance.
Coffee grinders – Fruit juicers – Mixers – Blenders – Drinks dispensers – Planetary mixers
Cheese graters – Ice crushers – Mincers – Vegetable slicers – Dough mixer
Moulins à café – Presse-fruits – Mixers – Blenders – Distributeurs de boissons – Batteurs mélangeurs – Pétrin – Râpes à fromage – Broyeurs à glaçons – Hache-viande – Coupe-légumes
MODELES DEPOSES FRANCE ET INTERNATIONAL INTERNATIONALLY PATENTED MODELS
“CE/UE” COMPLIANCE DECLARATION
THE MANUFACTURER:
SANTOS SAS – 140-150, Av. Roger SALENGRO 69120 VAULX-EN-VELIN (LYON) FRANCE declares that the appliance intended for the professional market described below:
Description: MIXER
Type number: 37
complies with:
- the statutory provisions defined in appendix 1 of the European “machines” directive n°2006/42/CE and the national legislation transposing it
- the statutory provisions of the following European directives and regulations:
- N° 2014/35/UE (low voltage directive)
- N° 2014/30/UE (EMC directive)
- N° 2011/65/UE (RoHS directive)
- N° 2012/19/UE (WEEE directive)
- N° 1935/2004/CE (regulation) relating to materials and articles intended to come into contact with foodstuffs
- N° 10/2011/CE (regulation) plastic materials and articles intended to come into contact with food
Harmonised European standards used to give presumption of conformity with the essential requirements of the above-mentioned directives:
- NF EN 12852+A1: 2010, Food processing machinery – Food preparation equipment and blenders – Safety and hygiene requirements. This European standard is a type-C standard as defined in EN ISO 12100. When the provisions of this type-C standard differ from those stated in the type-A or B standards, the provisions of the type-C standard override the provisions of the other standards. This standard provides the means to comply with the requirements of the “machines” directive n°2006/42/CE, (see appendix ZA)
- NF EN ISO 12100: 2010: Safety of machinery – General principles for design
- NF EN 60204-1+A1: 2009: Safety of machinery – Electrical equipment of machines-General requirements
- NF EN 1672-2: 2020, Food processing machinery – Basic concepts – Hygiene requirements
- NF EN 60335-1: 2013 Safety of household and similar electrical appliances
- EN 60335-2-64:2004 Part 2-64: Particular requirements for commercial electric kitchen machines.
Drawn up in VAULX-EN-VELIN on: 01/05/2021
Signatory’s position: CHIEF EXECUTIVE OFFICER
Signatory’s name: Aurélien FOUQUET
Signature:
SAFETY RULES
At the time of use, maintenance or scrapping of the appliance, always ensure that the following elementary precautions are adhered to.
Read the explanatory instructions in full
Keep this user manual
Note: You will find it easier to understand the next few paragraphs if you refer to the diagrams at the end of this manual.
INSTALLATION AND HANDLING
It is prohibited to hold the appliance by the rod (1) or locking lever (2)
The appliance can be installed by one person alone.
For ease of use, you are advised to place the appliance on a table or work surface to easily add the ingredients or to monitor the progress (recommended height: 90 cm, to be adapted as required for the user).
DO NOT:
- Plunge the base in water or any other liquid for reasons of protection against risks of electrocution.
- Use this applicable to blend, grind or emulsify anything other than foodstuffs
- Pass the pits through the appliance. Remove the pits from fruits before passing them in the appliance (e.g. mangos, apricots, peaches).
- The appliance is not designed for processing frozen foods.
- Do not insert solid ingredients into the mixer before switching it on.
- Do not operate the appliance with the jar empty.
- Do not remove the jar until the blades have stopped completely.
- Never leave water permanently in the jar.
- Neither a water spray or a pressure spray should be used for cleaning
- Never attempt to change the blades with the jar on the base.
- Be careful not to get burnt when preparing hot products. The surfaces of the jar and lid may be very hot
- Insert or store kitchen utensils in the jar.
- Operate the appliance if the jar or a blade is chipped, cracked or broken. Never use a jar if there is any play with respect to the blade.
- It is forbidden to operate the appliance on a surface with a slope in excess of 10° relative to the horizontal plane. All 5 feet of the appliance must always be resting on this surface.
- Use of spare parts other than certified original SANTOS parts is prohibited.
- use the unit with a damaged power cord. it must be replaced by an authorized dealer or by SANTOS company, or by similarly qualified persons in order to avoid a hazard.
- The appliance must be unplugged before any intervention on it: cleaning, general care, maintenance.
- Connect several appliances to the same power socket.
- Use the appliance outdoors.
- Never place the appliance close to or on a source of heat.
- This appliance is a professional machine designed exclusively for professional use. It is not designed for household use.
- This appliance is not designed for use by people (including children) whose physical, sensorial or mental capacities are impaired or by people with no experience or knowledge, unless they have been supervised or given training in the use of the appliance beforehand by a person responsible for their safety. Supervise children to ensure they do not play with the appliance.
- This appliance is intended for use in communal areas, e.g. in the kitchens of restaurants, canteens, hospitals and artisan trades such as bakeries, butcher’s shops, etc., but not for continuous mass production of food.
ELECTRICAL CONNECTION:
The appliance’s power supply is available in two single-phase voltages: – 100-120 V 50/60 Hz: – 220-240 V 50/60 Hz: Note: This appliance can operate at both 50Hz and 60Hz without any adjustments. Line protection: the appliance must be connected to a standard 2 pole + earth socket. The set-up must be fitted with a differential circuit breaker and a 16A fuse. Earthing of the appliance is compulsory.
TAKE CARE:
- Before connecting the appliance, check that the mains electrical voltage is the same as the voltage for your appliance. Its value is shown: ➢ either on the identification plate under the appliance. ➢ or on the identification plate on the last page of this manual.
- If the power cord is damaged, it must be replaced by an authorized dealer or by SANTOS company, or by similarly qualified persons in order to avoid a hazard.
TAKE CARE: Check that the on / off switch (3) is in position “OFF” before plugging the power cord in to the mains power socket.
1st TIME USE
Be careful not to get cut when handling the blades or cleaning inside the jar.
Thoroughly clean all parts in contact with the food.
Wash the following with a standard dish washing product: jars (6), lids (7), caps (8).
You are not advised to wash the lid seal (9) and the blade seal (16) in a dishwasher.
RECYCLING THE PRODUCT AT THE END OF ITS SERVICE LIF
This appliance is marked with the symbol of the selective waste sorting system relating to waste electrical and electronic equipment. This means that this product is covered by a selective sorting system in compliance with the 2012/19/EU Directive (WEEE) – part relating to appliances for professional use – so as to be either recycled or dismantled with a view to reducing any impact on the environment. For further information, you can contact SANTOS or your local dealer. For the disposal or recycling of the appliance components, please refer to a specialist company or contact SANTOS. Electronic products not covered by a selective sorting system are potentially dangerous for the environment. The packaging material should be disposed of or recycled in accordance with regulations in force.
DESCRIPTION OF APPLIANCE
Mixer N° 37 is an electrical appliance designed to blend, grind and mix different foodstuffs in the form of liquids, doughs/batters or solids.
The most common applications relate to the following preparations:
- COOKING: soups – cream soups – sauces – creams – mousses – purées – pâtés – soufflés…
- DESSERTS: creams – stewed fruit – batters – milk-shakes – flans – mousses…
- DRINKS: fruit, vegetable cocktails – punches – syrups – sangria.
USING THE APPLIANCE
Do not operate the appliance with the jar empty.
USING FOR THE 1st TIME:
Locking the jar clamping rod:
For your safety, the appliance can only operate when the jar (6) is closed by its lid (7) and correctly positioned on the base (4).
Push the handle (2) down to lock or then down again to unlock the jar clamping rod (1).
When in the unlocked position (rod in top position), place the jar closed by its lid on the base (4).
Push the handle (2) down to lock the jar (6) (rod in lower position).
Turn the rotary switch (3) to start up the motor and set the desired speed.


Operation: The mixer must always operate with a minimum of liquid in the jar in order to drive solid foods towards the blades. Maximum speed with rotary switch: 15,000 rpm Speed with PULSE button: 18,000 rpm
Stopping the appliance:
There are two ways to stop the appliance:
- Turn the rotary switch (3) to “OFF” to stop the motor completely, then operate the handle (2) to release the jar. Wait until the blades have stopped completely before removing the jar from the base.
- During operation at a set speed, push the handle (2) down to unlock the clamping rod (1). This operation will stop the appliance without altering the speed adjustment. Wait until the blades have stopped completely before removing the jar from the base.
Rotation speed:
The rotation speed of the blades must be adapted to the results desired and the type of foodstuffs to be processed.
Mixing solid foods:
Dice up dry ingredients and insert them through the opening in the lid (7) when the appliance is in operation.
Increase the size of the cubes according to the quantity of food already mixed or “puréed” in the jar.
Ice:
Do not use the blades to crush blocks of ice.
Small ice cubes like those produced by the majority of automatic ice makers can be crushed at low speed.
Making a mayonnaise:
Put all the ingredients in the jar except for the oil. During operation, remove the cap (8) from the lid and add the oil a little at a time pouring it in evenly.
RECOMMENDATIONS WHEN MAKING HOT PREPARATIONS:
In order to optimise the operation and safety of the appliance, you are advised to:
- Fill the jar according to its functional capacity and not its total capacity • Do not use the pulse button at the start.
- Gradually increase the mixing speed.
- Replace the blade and lid seal every 6 months when making hot preparations. The seal may loosen when in contact with very hot food and lead to a leakage problem over time.
CLEANING
Be careful not to get cut when handling the blades or cleaning inside the jar.
IMPORTANT:
- Stop the appliance and unplug the power cord from the appliance.
- The appliance should neither be cleaned in a water spray nor with a pressure spray
- The motor unit (4) must not be immersed in water.
- Do not use an abrasive sponge to clean the plastic jar (6).
- Do not hermetically close the jar when the appliance is stored away (remove the cap (8) from the lid).
You are advised to clean the appliance as soon as you have finished using it.
It will be easier to clean if you do not allow the remaining scraps of food to dry.
For thorough cleaning, take apart the parts of the jar (unscrew the jar (6) from the handle base (5)) and wash them with hot soapy water, rinse and dry.
The base can be cleaned using a soft, wet sponge.


MAINTENANCE
Prior to carrying out any intervention on the appliance, it must be disconnected from the mains without fail.
Changing the coupling system:
When changing the couplings, make sure you adhere to the position of each component:
- flexible coupling (11) on the motor unit
- rigid coupling (12) on the blade holder.
IMPORTANT:
Motor end: Turn the screw (13) counter clockwise to remove the flexible coupling (11).
Blade end: Turn the screw (14) counter clockwise to remove the rigid coupling (12).

REMARKS: for N°37 versions prior to 2012, screw (13) must be turned clockwise to remove the flexible coupling (11).
Spare parts:
IMPORTANT: use of spare parts other than certified original SANTOS parts is prohibited
This machine requires no specific maintenance. The bearings are lubricated for life.
If any intervention is necessary to replace parts subject to wear, such as the couplings, blades, jar seals, electrical or other components, please refer to the parts lists (see the exploded view at the end of this manual).
For all spare part orders (see references in the exploded view at the end of the manual), state:
- the type
- the appliance serial number and
- the electrical specifications given under the appliance.
Prolonged periods of non-use:
There are no problems with this appliance in the event of prolonged periods of non-use.
You are simply advised to clean it before use and check that the components of the appliance are in good condition (e.g. power cord, seals and other spare parts).
FAULT FINDING
Identifying the cause of appliance stoppage with precision.
If the problem persists, switch off the power supply to the appliance (unplug the cord from the mains socket) and call in the maintenance service or contact a SANTOS approved dealer.
The machine will not start:
- Check : the mains supply, the condition of the power cord
- To run the motor of the mixer the jar (6) with its lid (7) closed must be placed on the base (4) and locked using the clamping rod (1).
- Check that there is no food that is too hard or big jamming the blades (10).
The appliance stops following an overload:
- If the motor stalls during operation, reduce the load, allow the appliance to cool down for several tens of minutes.
- Check that there is no food that is too hard or big jamming the blades (10).
The motor runs but the blades do not rotate:
Check the condition of the coupling system. If required, change the 2 parts at the same time. (see “maintenance” section)
APPLIANCE TECHNICAL SPECIFICATIONS
| Model | n° 37 | |
| Power supply voltage | (V) | 220-240 |
| Frequency | (Hz) | 50/60 |
| Motor (1) | ||
| Input power | (W) | 1550 |
| Max. current | (A) | 8 |
| Speed | (rpm) | 0 to 18000 |
| Operating cycle (3) | Intermittent Cycle: 10min ON/10min OFF | |
| 2L jar capacity | (L) | 1.5 |
| 4L jar capacity | (L) | 3 |
| Dimensions: Height | (mm) | 566 |
| Width | (mm) | 220 |
| Depth | (mm) | 303 |
| Weight: Net weight | (kg) | 12 |
| Packaged weight | (kg) | 14 |
| Noise: (2) LpA accuracy K pA = 2.5dB | (dBA) | 66 |
- These ratings are given for your guidance. The exact electrical specifications of your appliancecan be found on the rating plate.
- Noise level measured in acoustic pressure of appliance loaded as per the standard ISO11201:1995 and ISO 4871:1996.Appliance placed on a work surface at 75cm from the floor. Microphone turned towards theappliance at 1.6 m from the floor and 1 m from the appliance.
- Operating cycleThe professional appliance is designed for intermittent use according to an intermittent cycle of10 minutes on, 10 minutes off.This cycle corresponds to the operating time to perform the function and the stopping time forthe preparation and serving of the products processed, in compliance with the instructions ofthe standard: EN 60335-2-64+A1:2004 Part 2-64: Particular requirements for commercialelectric kitchen machines.
| ITEM | Description |
| 1 | Clamping rod |
| 2 | Locking handle |
| 3 | Switch, speed adjustment |
| 4 | Motor unit |
| 5 | Jar handle |
| 6 | Jar |
| 7 | Lid |
| 8 | Cap of lid |
| 9 | Lid seal |
| 10 | Blade assembly |
| 11 | Flexible motor coupling |
| 12 | Rigid jar coupling |
| 13 | Motor coupling screw |
| 14 | Blade coupling screw |
| 15 | PULSE button |
| 16 | Blade seal |
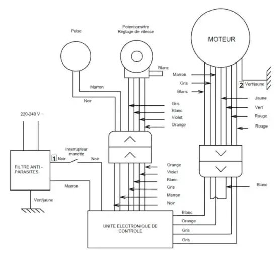
Electrical wiring diagram:
220-240V 50/60Hz wiring diagram

Electrical wiring diagram:
220-240V 50/60Hz wiring diagram
| F | GB | D | N | E | I |
| JAUNE | YELLOW | GELB | GEEL | AMARILLO | GIALLO |
| BLANC | WHITE | WEISS | WIT | BLANCO | BLANCO |
| NOIR | BLACK | SCHWARZ | ZWART | NEGRO | NERO |
| BLEU | BLUE | BLAU | BLAUW | AZUL | BLU |
| ROUGE | RED | ROT | ROOD | ROJO | ROSSO |
| MARRON | BROWN | BRAUN | BRUN | MARRON | MARRONE |
| ORANGE | ORANGE | ORANGE | ORANJE | NARANA | ARANCIONE |
| VIOLET | VIOLET | VIOLETT | VIOLET | VIOLETA | VIOLA |
| GRIS | GREY | GRAU | GRIJS | GRIS | GRIGIO |
| VERT/JAUNE | GREEN/YELLOW | GRÜN/GELB | GROEN / GEEL | VERDE/AMARILLO | VERDE/GIALLO |
Figures


WARRANTY CERTIFICATE
Since the 01.01.95, all our appliances comply with CE and possess the CE label. Our guarantee is of 24 months from the manufacturing date mentioned on the descriptive plate, except concerning the asynchronous motors (consisting of a rotor and a stator) which are warranted for 5 years from their manufacturing date. Warranty is strictly limited to the free replacement of any part of origin recognized by us as defective due to a defect or building default and identified as belonging to the concerned appliance. Warranty does not apply to damages resulting from installation or use non-complying with our appliance data sheet (user’s manual) or in case of an evident lack of maintenance or disrespect of elementary security electric rules. It does not apply in case of regular wear and tear. Any replacement of parts under warranty will be realized after return of the defective part in our workshops, postage paid, supported by a copy of a conformity statement on which appears the serial number of the appliance. Every appliance is equipped with a descriptive plate conforming to the EC recommendations and of which a duplicate exists in the conformity statement (serial number, manufacturing date, electrical characteristics …). In case of serious damage judged repairable only in our workshops, and after prior consent from our departments, any appliance under guarantee is sent by the Distributor, carriage paid. In case of repairs or reconditioning of appliances not under guarantee, the round trip transport is payable by the distributor. The parts and workforce are invoiced at the current rate. A preliminary estimate can be supplied.
Coffee grinder not using SANTOS original burrs are not taken under guarantee. The warranty conditions, repairs, reconditioning, of the espresso coffee grinder are the object of a specific note. Our guarantee does not extend to the payment of penalties, the repair of direct or indirect damages and notably to any loss of income resulting from the nonconformity or the defectiveness of products, SANTOS’s global responsibility being limited to the sale price of the delivered product and to the possible repair of the defective products.
In case of revelation of an imperfection during the warranty period, the Distributor has to, unless a different written agreement of SANTOS, indicate to his customer to stop any use of the defective product. Such a use would release SANTOS of any responsibility.



















