
SANTOS SAS :
SANTOS: Operation and maintenance manual
140-150 AVENUE ROGER SALENGRO
69120 VAULX-EN-VELIN (LYON) – FRANCE
PHONE. 33 (0) 472 37 35 29 – FAX 33 (0) 478 26 58 21
E-Mail:[email protected] www.santos.frTO
SHOP COFFEE GRINDER No. 43
OPERATION AND MAINTENANCE MANUAL
IMPORTANT: Documents contained in this manual and to be kept:
- “EC” DECLARATION OF CONFORMITY
- WARRANTY CERTIFICATE
TRANSLATION OF THE ORIGINAL VERSION

Coffee grinders
REGISTERED DESIGN – FRANCE AND INTERNATIONAL INTERNATIONALLY PATENTED MODELS
http://www.santos.fr
SANTOS: Operation and maintenance manual
“EC” DECLARATION OF CONFORMITY
THE MANUFACTURER:
SANTOS SAS – 140-150, Av. 69120 VAULX-EN-VELIN (LYON) – FRANCE
Declares that the appliance destined to be placed on the professional market hereinafter referred to as:
Description: SHOP COFFEE GRINDER
Type Number: 43 is in compliance:
- with the regulatory provisions defined in Appendix 1 of the European Machinery Directive
No. 2006/42/EC, and the national laws transposing it. - he regulatory provisions of the following European directives and regulations:
o No. 2014/35/EU (Low Voltage Directive)
o No. 2014/30/EU (EMC Directive)
o No. 2011/65/EU (RoHS Directive)
o No. 2012/19/EU (WEEE Directive)
o No. 1935/2004/EC (Regulation) concerning materials and articles intended to come into contact with foodstuffs
o No. 10/2011/EC (Regulation) concerning plastics intended for contact with foodstuffs
Harmonized European standards used to give presumption of conformity with the essential requirements of the directives mentioned above:
- NF EN ISO 12100: 2010, Machine safety – General design principles
- NF EN 60204-1+A1: 2009, Machine safety – Electrical equipment of machines – General rules
- NF EN 1672-2: 2020, Food products machinery – Fundamental concepts – Hygiene requirements.
- NF EN 60335-1: 2013, Safety of household electrical appliances and similar machines
- NF EN 60335-2-2-64: 2004, Special rules for electric kitchen machines for collective use.
Issued in VAULX-EN-VELIN on 01/09/2021
Title of signatory: PRESIDENT AND CHIEF EXECUTIVE OFFICER
Name of signatory: Aurélien FOUQUET
Signature:
SAFETY RULES
When using, servicing or disposing of the appliance, always observe the following basic precautions.
Read the complete user manual
Keep this user manual
| Note: To facilitate the understanding of the following paragraphs, refer to the diagrams at the end of this manual |
INSTALLATION – HANDLING
CAUTION: When handling, including unpacking, the machine, never grasp or lift the machine by the coffee bean hopper or its lid.
To avoid lumbar injury, the appliance should be handled by 2 people. For ease of use, it is advisable to place the appliance on a table or a work surface, so that the bag clip (8) is in front of you (recommended height: 90 cm, to be adapted depending on the user).
CONTRAINDICATIONS:![]()
- Never let the appliance run without coffee beans in the coffee bean hopper.
- Do not use this appliance to grind anything other than roasted coffee beans.
- Remove all foreign bodies from the coffee beans (metal clips, stones, etc.); they can destroy the grinding discs.
- Switch the ON/OFF switch (13) to “OFF” when the appliance is not in operation.
- The appliance must not be cleaned with a water jet or water under pressure.
- The base should never be immersed in water.
- Never use abrasive sponges or abrasive cleaners to clean the cover, the pan or the sheet metal box
- Never use an appliance with a damaged power cable. It must be replaced by an authorized SANTOS dealer or the Santos company, or by persons of similar qualification, to avoid danger.
- Unplug the appliance before any intervention on it: Cleaning, maintenance or servicing.
- The appliance must not be used on a surface with an inclination greater than 10° from the horizontal. The machine feet must always be supported on this surface.
- Use only original Santos-certified spare parts.
- Do not connect multiple appliances to the same power outlet.
- Do not use the appliance outdoors.
- Do not place the appliance near, or on, a heat source.
- This appliance is a professional appliance intended for professional use only. It is not intended for household use.
- This appliance is not intended to be used by persons (including children) with reduced physical, sensory or mental capabilities, or lack of experience or knowledge, unless they are overseen by a person responsible for their safety, monitoring or prior instruction regarding the use of the appliance. Children should be supervised to ensure that they do not play with the appliance.
ELECTRICAL CONNECTION:
- The appliance is available for 3 single-phase voltage supplies:
– 110-120 V 50/60 Hz
– 220-240 V 50 Hz
– 220-240 V 60 Hz
Line protection: The appliance must be connected to a standard 2-pole + earth socket. The installation must be equipped with an RCD and a fuse rated at 16A. The appliance must be earthed.
CAUTION:
- Before connecting the appliance, check that the mains voltage matches the voltage of your appliance. Its value is indicated:
➢ on the manufacturer’s plate on the bottom of the appliance.
➢ or on the nameplate on the last page of this manual. - If the power cable is damaged, it must be replaced by a Santos authorized dealer or the Santos company, or similarly qualified persons, to avoid danger.
CAUTION: Check that the on/off switch (13) is in the “OFF” position before you connect the powercord plug to your AC power outlet.END-OF-LIFE PRODUCT RECYCLING
This appliance is marked with the symbol for the selective sorting of waste electrical and electronic equipment. This means that the product must be taken in hand by a selective collection system in accordance with Directive 2012/19/EU (WEEE) – Business appliances part – to be recycled or dismantled in order to reduce environmental impact. For more information, contact your reseller or the Santos Company. For disposal or recycling of the components of the appliance, please contact a specialized company or the SANTOS company Electronic products that have not been selectively sorted and processed are potentially hazardous to the environment. Packaging materials must be disposed of or recycled in accordance with the regulations in force.
YOUR COFFEE GRINDER
- The coffee grinder is intended for coffee shops, communities, and coffee roasters,
- The grinder delivers ground coffee in 250 g, 500 g, and 1 kg bags.
- The appliance consists of a cast aluminum frame and sheet metal. The plastic bean hopper has a capacity of 1.7 kg.
- A grind size adjustment knob enables you to obtain all types of ground coffee (Turkish, fine, espresso, filter, medium or coarse grind).
- Hardened special steel (Ø63mm) grinding discs ensure fine and even grinding.
USING THE APPLIANCE
This grinder grinds and dispenses the desired quantity of coffee (250g, 500g, and 1kg) into a bag corresponding to the quantity.
TURNING THE APPLIANCE ON AND OFF
The grinder is switched on and off by means of an on/off switch (13) on the front panel.
GRIND SETTING:
- Turn the grinding adjustment knob (6) clockwise for a larger grind and anti-clockwise for a finer grind. The factory setting is with the fine adjustment at the limit of contact between the grinding discs.
MAINTENANCE:
- Occasionally clean the coffee outlet, the bean hopper, and the grinding chamber inlet. Always stop the appliance by setting the on/off switch (13) to “OFF” and disconnecting the appliance.
SERVICING
Before working on the appliance, it is essential to disconnect it from the mains and discharge the motor starting capacitor:
Discharging the capacitor:
Using a screwdriver with an insulated handle, touch the 2 connections of the capacitor. A visible electric arc proves the discharge of the capacitor.
Spare parts:
This machine requires no special servicing, the bearings are lubricated for life.
If it is necessary to replace worn parts such as grinding discs, electrical components or other parts, refer to the parts list (see the exploded view at the end of this manual).
IMPORTANT: Use only original Santos-certified spare parts![]()
When ordering spare parts (for part numbers see the exploded view at the end of this manual), specify:
➢ the type,
➢ the serial number of the appliance and
➢ the electrical specifications ()
Marked on the bottom of the appliance.
REPLACING THE GRINDING DISCS
IMPORTANT: Always replace the 2 grinding discs (17) at the same time. (Use SANTOS grinding disc sets ref: 00001B or 00001 depending on model).
Grinding disc set selection chart:
| Models | 43 (220-240V 50Hz) | 43V1 (100-120V 50/60Hz) | 43V4 (220-240V 60Hz) |
| Grinding disc set part numbers | 000018 | 00001 |
The 2 grinding discs are identical and can be mounted on the mobile plate (19) (mobile disc) or on the cast iron adjustment block (21) (fixed disc).
- Empty the bean hopper (2).
- Switch off the appliance by turning switch (13) to “OFF” and unplug the power cable.
- Turn the grind adjustment knob (6) clockwise until it stops at the “LARGE” position .
- Unscrew and remove the knob locking screw (5), remove the grind adjustment knob (6) with the spring (21) and the indexing pin (20)
- Unscrew the 6 screws holding the front upper metal plate (3) and remove it.
- Remove the bean hopper retaining rod (22).
- Remove the bean hopper (2) and the safety pallet (23).
- Unscrew the 3 fastening nuts (16) of the grinding body assembly (15) to access the grinding discs.
- Remove the complete grinding body (15).
- Unscrew the 3 mounting screws of the worn mobile grinding disc (17) on the mobile grinding disc plate (18).
- Unscrew the 3 fixing screws of the worn fixed grinding disc (17) on the fixed grinding disc support block (19).
- Change both grinding discs (17) after thoroughly cleaning the bearing surfaces.
CAUTION: The slightest small coffee particle placed under the grinding disc can interfere with the proper functioning of the appliance. We recommend cleaning the grinding body assembly with a compressed air jet or a dry brush. - Reassemble the grinding body assembly (15).
Reassemble the grinding body assembly (15).
CARE
▪ Before locking the fastening nuts (16) of the grinding body (15), check that the index (4) of the grind adjusting knob is in the (6) “LARGE” position. This precaution must be observed to avoid any risk of pressing the grinding discs together, which could distort the grinding body. - Lock the 3 clamping nuts (16) of the grinding body (15).
- Refit the front upper plate (3).
- Refit the grind adjustment knob (6) with the spring (21) and the index finger of the knob (20)
- Tighten the knob locking screw (5).
- Adjust the grind (see “Adjusting the grind”).
- Re-index the index finger if necessary.
ADJUSTING THE MINIMUM GRINDING DISC SPACING
This adjustment must be made after a change of grinding discs.
- Connect the appliance and let it run empty.
- Loosen the locking Allen screw on index (7) using a 2 mm Allen key. Check that the index (4) is free to rotate without dragging the knob (6).
- Turn the knob (6) anti-clockwise until the grinding discs touch (a slight rubbing noise is heard) and then turn it back one notch.
CAUTION
This operation is delicate, it is important to avoid prolonged contact between the grinding discs, which would result in damage. - Switch off the appliance by setting switch (13) to “OFF”.
- Without moving the knob (6), move the index finger (4) to the “END” position and then lock the Allen screw (7).
- Run the appliance empty, to check that the grinding discs turn without touching in the fine adjustment position. If not, repeat the operation.
TROUBLESHOOTING ASSISTANCE
Accurately identify the cause of the appliance stoppage.
In all cases: If the problem persists, switch off the power (unplug the mains plug) and call in a person from the maintenance department or contact a Santos authorized dealer.
The appliance does not start:
- Check: Mains supply and power cable condition,
- The main switch (13) must be in the ” ON ” position.
- Press the overcurrent protector button (14) once
- Check that there are no foreign objects caught between the grinding discs.
- Check the electrical components by replacing them one after the other
The appliance stops after a few minutes of operation:
- The appliance has a safety timer that deactivates the on/off switch (13) after 15 minutes of operation.
The appliance stops because the motor has overheated:
(metal plate hot in the vicinity of the motor unit) The appliance stops automatically if the motor overheats,
The safety system, built into the motor, resets automatically. Wait for the motor to cool down (15 to 30 minutes), before restarting the machine.
The appliance stops following an overload:
In case of motor blockage (foreign body or body too hard), the overcurrent protector (9), located at the rear of the unit automatically trips and cuts off the power supply to the unit.
- Turn the power switch (13) to position “0” and unplug the appliance.
- Rectify the fault and operate the overcurrent protector button (14)
- Press the on/off switch (13) (position 1).If the problem persists, check the following:
- Make sure the grinding discs do not come into contact with each other.
- Check the condition of the grinding discs (too fine grinding with worn grinding discs may cause this phenomenon of motor overload).
- If there are no foreign objects interfering with the operation of the appliance, check and replace the motor starting relay and the condenser.
TECHNICAL FEATURES OF THE APPLIANCE
| ELECTRICAL SPECIFICATIONS Model | (1) | 43 | 43V4 | 43V1 |
| Supply voltage | (V) | 220-240 | 220-240 | 100-120 |
| Frequency | (Hz) | 50 | 60 | 50/60 |
| Motor: | ||||
| Absorbed power | (W) | 600 | 600 | 650 |
| Speed | (rpm) | 1500 | 1800 | 1500/1800 |
| Set of Santos grinding discs, 063 mm | ref | 00001 B | 00001 | 00001 |
| Average flow | (kg/h) | 15 – 35 | ||
| Hopper capacity | (kg) | 1.7 | ||
| Motor overload safety device | Yes | |||
| Intermittent operation (3) | 15min ON / 5min OFF | |||
| Permissible ambient | Max | 60°C | ||
| temperature | Min | -20°C | ||
| Dimensions: Height | (mm) | 475 | ||
| Width | (mm) | 190 | ||
| Depth | (mm) | 315 | ||
| Weight: Net weight | (kg) | 19 | ||
| Shipping weight | (kg) | 20 | ||
| Noise level: (2) Lan uncertainty Kan = 2.5dB | (DBA) | 68 | ||
- These values are given for information only. The exact electrical characteristics of your appliance are noted on its manufacturer’s plate.
- Noise level measured at sound pressure with appliance under load according to NF EN 12852:2010, ISO 11201:1995, and ISO 4871:1996. The appliance is positioned on a work surface 75 cm from the floor. Microphone facing the appliance 1.6m from the floor and 1m from the appliance
- 15min / 5min cycle:
This professional appliance is intended for intermittent use following a 15-minute “on” and 5minute
“off” cycle. This cycle corresponds to the “on” time to perform the function and the “off” time for the preparation and service of the processed products, in accordance with the requirements of the standard: EN 60335-2-64+A1:2004 Part 2-64: Special requirements for commercial electric kitchen machines.
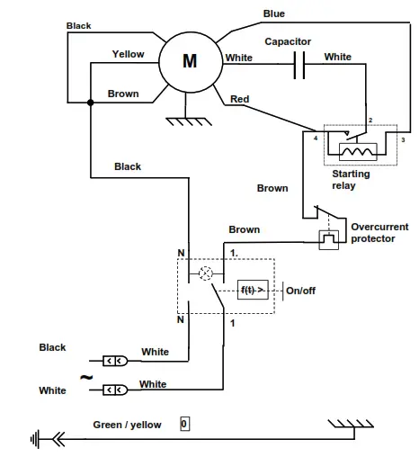
Electrical diagram
Electrical diagram – 110-120V 50/60Hz

Electrical diagram – 220-240V 50Hz

Electrical diagram – 220-240V 60Hz

Figures









| ITEM | DESIGNATION |
| 1 | Bean hopper cover |
| 2 | Bean hopper |
| 3 | Front top plate |
| 4 | Adjustment index |
| 5 | Knob locking screw |
| 6 | Grind setting knob |
| 7 | Index locking screw |
| 8 | Bag clamp operating pull |
| 9 | Bag clip strip |
| 10 | The ground coffee outlet tube |
| 11 | Baseplate |
| 12 | Non-slip feet |
| 13 | On/off switch |
| 14 | Overcurrent protector button |
| 15 | Grinding body |
| 16 | Grinding body locking nut |
| 17 | Grinding discs |
| 18 | Grinding disc support plate |
| 19 | Fixed grinding disc support plate |
| 20 | Knob index finger |
| 21 | Spring |
| 22 | Bean hopper retaining rod |
| 23 | Safety pallet |
WARRANTY CERTIFICATE
WARRANTY
Since 01.01.95, all our appliances are CE-compliant and CE-marked. Our warranty is twenty-four months from the date of manufacture indicated on the data plate, except for asynchronous motors (composed of a rotor and stator) which are warranted for a period of 5 years from the date of manufacture. The warranty is strictly limited to the free replacement of any genuine part recognized by us which is defective as a result of a defect or defect in construction and identified as belonging to the appliance in question. It does not apply to damage resulting from installation or use that does not comply with the instructions accompanying each appliance (user manual) or in the event of an obvious lack of maintenance or failure to observe basic electrical safety rules. The guarantee does not apply in the case of natural wear. Any warranty part replacement is performed after the defective part is returned to our paid-for workshops, along with a copy of the Declaration of conformity, which shows the serial number of the unit. Every appliance is fitted with a CE-compliant rating
plate, a double of which appears in the Declaration of conformity (serial no., date of manufacture, electrical characteristics, etc.). In the event of the serious damage which is only found to be repairable in our workshops, and after prior agreement of our services, any appliance under warranty is shipped by the distributor in prepaid postage. In the event of repair or reconditioning of an out-of-warranty appliance, return transportation is
the responsibility of the distributor. Parts and labor are charged at the current rates (spare parts – hourly –
labor). A pre-quote may be provided. Coffee grinders not equipped with original SANTOS grinders are not taken under warranty. The conditions of the guarantee, repair, reconditioning, of the espresso coffee grinders are the subject of the specific notice. Our warranty does not extend to the payment of penalties, to the repair of direct or indirect damages, and in particular, to any loss of profits resulting from the non-conformity or defect of the products, SANTOS’s overall liability is limited to the selling price of the delivered product
and the possible repair of defective products.
In the event of a defect being disclosed during the warranty period, the distributor shall, unless otherwise agreed in writing by SANTOS, instruct the customer, to cease all use of the defective product. Such use would release SANTOS from all responsibility.
APPLIANCE MANUFACTURER’S PLATE
EXAMPLE |


















