INTERMATIC GM40AV Series General Purpose Electromechanical Commercial Time Switches

Operating Instructions
Risk of Fire or Electric Shock
- Disconnect power at the circuit breaker(s) or disconnect switch(es) before installing or servicing.
- More than one circuit breaker or disconnect switch may be required to de-energize the equipment before servicing.
- Do not use the manual shut-off position of the timer for equipment servicing. Always disconnect the power at the circuit breaker(s) or disconnect switch(es).
- Installation and/or wiring must be in accordance with national and local electrical code requirements.
- This Time Switch is designed to control one or two single-phase loads. Do not use to directly control three-phase loads. Consult a qualified electrician if you are required to control three-phase equipment.
- Some terminals in the Time Switch may be energized even if the yellow and green LED indicators are OFF.
- The circuit conductors shall have an ampacity not less than the maximum total load to be controlled.
- For all connections, use COPPER conductors ONLY – min. #8 AWG wires for 40 A loads, or #10 AWG wires for 30 A loads, min. 90°C (194°F)
- Over-current protection shall have an interrupting rating sufficient for the application control circuit voltage and the total load current of the equipment being controlled.
- A fuse or circuit breaker shall be connected in series with each ungrounded conductor (and shall be able to simultaneously open each conductor.
- Check all terminals and wires with an appropriate voltage meter before touching them.
- This enclosure does not provide grounding between conduit connections. When a metallic conduit is used, you must also install grounding-type bushings and jumper wire, in accordance with the (NEC) National Electrical Code requirements.
- For outdoor locations or wet locations (rain-tight), conduit hubs that comply with requirements of the UL514B (standard for fitting conduit and outlet boxes) are to be used.
- Replace plastic insulator covering terminals before powering ON.
NOTICE
- Rotate timer dial clockwise only.
- Jumper wires are not included.
- Alterations or modifications to the device will void the warranty
Read Instructions completely before installation and retain this booklet for future reference.
INSTALLATION INSTRUCTIONS


- Open door and remove the interior protective cover by releasing the spring latch. (See Figure 1)
- Remove the printed circuit board by releasing the spring latch holding the bottom of the board.(see Figure 1)
- Select knockouts to be used. Remove the inner 1/2″ knockout by inserting a flathead screwdriver in the slot and carefully punch the knockout loose. Remove slug. If 3/4″ knockout is required, remove the outer ring with pliers after removing the 1/2″ knockout. Smooth edge with a knife, if necessary.
- Place the enclosure in the desired mounting location, and mark the three mounting holes (refer to Figure 2 for dimensions). Install the top screw first with one of the supplied spacers, and then hang the enclosure by the keyhole. Drive the remaining two screws at the bottom of the enclosure through the mounting holes while passing each screw through one of the supplied spacers and in to the wall.
- Connect conduit hubs to conduit before connecting the hubs to the enclosure. After inserting hubs into the enclosure, carefully tighten hub lock nut. Do not over-torque.
- Replace printed circuit board making sure to engage spring latch at the bottom of PCB.
- Wire in accordance with national and local electrical and safety codes (see wiring diagrams).
- Grounding: Terminate all ground wires to the ground lug inside the case at the bottom of the enclosure.
- Replace interior protective cover.
- Close the enclosure door.
PROGRAMMING INSTRUCTIONS
SETTING THE CLOCK TIME
Rotate the program dial gradually clockwise until the time of day on the outer dial is nearly aligned with the triangle marker at the 2 o’clock position. Then set time to the minute by rotating minute hand clockwise until the time of day (and AM or PM) on the outer dial is aligned with the triangle marker on the inner dial.
SETTING ON/OFF TIMES
Move the white tab (tripper) on the outer dial outward at the start of the desired ON period. Move each adjacent tab outward until the desired OFF time is reached. (See Fig. 3)
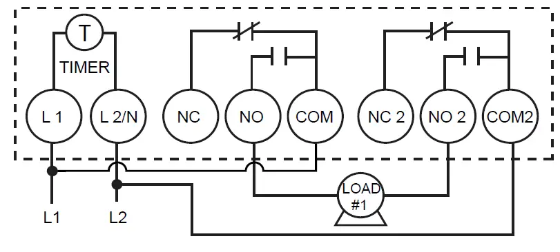
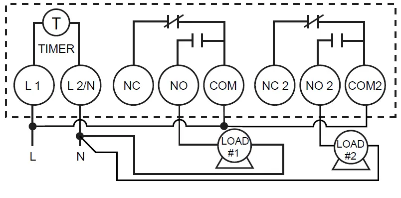
GM40AV SERIES TERMINAL DESIGNATIONS
208/240 VAC Application One Load
120/277 VAC Application Two Loads
LIMITED WARRANTY
Warranty service is available by either (a) returning the product to the dealer from whom the unit was purchased or (b) completing a warranty claim online at www.intermatic.com. This warranty is made by: Intermatic Incorporated, Customer Service 1950 Innovation Way, Suite 300, Libertyville, IL 60048. For warranty service go to: http://www.Intermatic.com or call 815-675-7000.





















