SRC1KI-IN APC Smart-UPS

Important Safety Information
Read the instructions carefully to become familiar with the equipment before trying to install, operate, service or maintain it. The following special messages may appear throughout this manual or on the equipment to warn of potential hazards or to call attention to information that clarifies or simplifies a procedure.
The addition of this symbol to a Danger or Warning safety label indicates that an electrical hazard exists which will result in personal injury if the instructions are not followed.
This is the safety alert symbol. It is used to alert you to potential personal injury hazards. Obey all safety messages that follow this symbol to avoid possible injury or death.
![]()
DANGER indicates a hazardous situation which, if not avoided, will result in death or serious injury.
![]()
WARNING indicates a hazardous situation which, if not avoided, could result in death or serious injury
![]()
CAUTION indicates a hazardous situation which, if not avoided, could result in minor or moderate injury.
![]()
NOTICE is used to address practices not related to physical injury.
Safety and General Information
Inspect the package contents upon receipt. Notify the carrier and dealer if there is any damage.
- This UPS is for indoor use only.
- Do not operate this UPS in direct sunlight, in contact with fluids, or where there is excessive dust or high humidity.
- Do not operate the UPS near open windows or doors.
- Be sure the air vents on the UPS are not blocked. Allow adequate space for proper ventilation.
NOTE: Allow a minimum of 20 cm clearance on all four sides of the UPS. - Environmental factors impact battery life. Elevated ambient temperatures, poor quality utility power, and frequent discharges will shorten battery life. Follow the battery manufacturer recommendations.
Electrical safety
- Connection to the branch circuit (mains) must be performed by a qualified electrician.
- The protective earth conductor for the UPS carries the leakage current from the load devices (computer equipment). An insulated ground conductor is to be installed as part of the branch circuit that supplies the UPS. The conductor must have the same size and insulation material as the grounded and ungrounded branch circuit supply conductors. The conductor will be green and with or without a yellow stripe.
- The grounding conductor is to be grounded to earth at the service equipment, or if supplied by a separately derived system, at the supply transformer or motor generator set.
- Ensure that a 16 A utility circuit breaker is installed at the UPS input.
Battery safety
RISK OF HYDROGEN SULPHIDE GAS AND EXCESSIVE SMOKE
- Replace the battery at least every 5 years or at the end of its service life, whichever is earlier.
- Replace the battery immediately when the UPS indicates battery replacement is necessary.
- Replace batteries with the same number and type of batteries as originally installed in the equipment.
- Replace the battery immediately when the UPS indicates a battery over-temperature condition or when there is evidence of electrolyte leakage. Power off the UPS, unplug it from the AC input, and disconnect the batteries. Do not operate the UPS until the batteries have been replaced.
Failure to follow these instructions can result in injury.
- Servicing of batteries should be performed or supervised by personnel knowledgeable about batteries and the required precautions.
- CAUTION: Do not dispose of batteries in a fire. The batteries may explode.
- CAUTION: Do not open or mutilate batteries. Released material is harmful to the skin and eyes. It may be toxic.
- CAUTION: Before installing or replacing the batteries, remove conductive jewelry such as chains, wrist watches, and rings. High energy through conductive materials could cause severe burns.
- CAUTION: A battery can present a risk of electrical shock and high
short-circuit current. Failed batteries can reach temperatures that exceed the burn thresholds for touchable surfaces. The following precautions should be observed when working on batteries:- Disconnect the charging source prior to connecting or disconnecting battery terminals.
- Do not wear any metal objects including watches and rings.
- Do not lay tools or metal parts on top of batteries.
- Use tools with insulated handles.
- Wear rubber gloves and boots.
- Determine if battery is either intentionally or inadvertently grounded. Contact with any part of a grounded battery can result in electric shock and burns by high short-circuit current. The risk of such hazards can be reduced if grounds are removed during installation and maintenance by a skilled person.
Hardwiring safety
- Verify that all branch circuit (mains) and low voltage (control) circuits are deenergized, and locked out before installing cables or making connections, whether in the junction box or to the UPS.
- Wiring by a qualified electrician is required.
- Check national and local codes before wiring.
- Strain relief is required for all hardwiring.
- All openings allowing access to UPS hardwiring terminals must be covered. Failure to do so may result in personal injury or equipment damage.
- Select wire size and connectors according to national and local codes.
Radio Frequency Warning
This product has been tested and found to be category C2 device. This equipment generates, uses, and can radiate radio frequency energy and, if not installed and used in accordance with the instruction manual, may cause harmful interference to radio communications. Operation of this equipment is likely to cause radio interference with some communication devices like TV, mobiles, audio equipment’s, radio receivers, etc. Generally this issue can be corrected by moving the equipment a little away from the UPS, however sometimes additional measures may have to be taken at user’s expense.
Product Description
The APC by Schneider Electric Smart-UPS™ is a high performance uninterruptible power supply (UPS). The UPS helps to protect the connected electronic equipment from utility power blackouts, brownouts, sags, surges, small utility power fluctuations and large disturbances. The UPS also provides battery backup power for connected equipment until utility power returns to normal levels or the batteries are discharged.
This user manual is available on the APC by Schneider Electric Web site,
www.apc.com.
Package Contents
Read the Safety Guide before installing the UPS.
The packaging is recyclable; save it for reuse or dispose of it properly.
- UPS
- Literature kit containing:
- Product documentation
- Safety information
All models
- Utility power cable

- USB cable
Used to connect UPS to computer/laptop for PCBE monitoring
- Serial communication cable
Used to upgrade the UPS firmware if and when a new version is available. Also used to monitor the UPS using PowerChute software.
SRC1KUXI model only
- Battery connection cable

NOTE: The model and serial numbers are located on a small, rear panel label.
Optional Accessories
Refer to the APC by Schneider Electric Web site, www.apc.com, for available accessories.
Specifications
Environmental specifications

RISK OF EQUIPMENT DAMAGE
- UPS must be used indoors only.
- The installation location should be sturdy to withstand the weight of the UPS.
- Do not operate UPS where there is excessive dust or where the temperature or humidity are outside specified limits.
Failure to follow these instructions can result in equipment damage.
| Temperature | Operating | 0 to 40 °C at rated load 40 to 50 °C linearly derated to 75% of maximum load capacity | This unit is intended for indoor use only. Select a location sturdy enough to handle the weight. Do not operate UPS where there is excessive dust or where the temperature or humidity are outside specified limits. NOTE: Charge the battery modules every six months during storage. |
| Storage | -20 to 60 °C | ||
| Elevation | Operating | 0 – 3,000 m Above 1000 m, linearly derated to 75% of maximum load capacity | |
| Storage | 0 – 15,000 m | ||
| Humidity | 0 to 95% relative humidity, non-condensing | ||
Physical specifications
| The UPS is heavy. Follow lifting guidelines. | < 18 kg (< 40 lb) | |
| UPS model | SRC1KI-IN | SRC1KUXI |
| Dimensions Width x Height x Depth | 145 mm (5.7 in) x 220 mm (8.67 in) x 397 mm (15.62 in) | |
| Weight with packaging | 14.5 kg | 5.5 kg |
| Weight without packaging | 13.1 kg | 4.1 kg |
Input specifications
| UPS model | SRC1KI-IN | SRC1KUXI |
| Nominal input voltage | 230 Vac | |
| Input frequency | 40 – 70 Hz | |
| Input cable | 10 A, 1.5 m | |
| Input voltage range (100% load) | 175 Vac – 280 Vac | |
| Input voltage range (50% load) | 110 Vac – 175 Vac | |
| Input power factor (100% load) | ³ 0.99 typical | |
| Input protection | Thermal circuit breaker | |
Output specifications
| UPS model | SRC1KI-IN | SRC1KUXI |
| Output power capacity max. | 1000 VA / 800 W | |
| Nominal output voltage | 230 Vac | |
| Other programmable voltages | 220 Vac and 240 Vac | |
| Efficiency at rated load | > 90% | |
| Output voltage regulation | ± 1% static | |
| Output voltage distortion | < 3% for linear load, < 6% for non-linear load | |
| Output frequency battery mode | 50/60 Hz ± 0.5% | |
| Output frequency AC mode | 50/60 Hz ± 3 Hz | |
| Crest factor | 3:1 | |
| Waveform | Sinewave | |
| Output connection | 4 numbers of 5 A India socket | |
| Bypass | Internal bypass | |
Battery
| UPS model | SRC1KI-IN | SRC1KUXI |
| Configuration | Internal battery | External battery |
| Type | Sealed maintenance free 12 V, 9 Ah | Sealed Maintenance Free (SMF) / Valve Regulated Lead Acid (VRLA) type, Flooded / tubular / vented type |
| Battery bank voltage | 36 V | 24 V |
Battery charger current selection for SRC1KUXI model
Select the battery charger current in the SRC1KUXI model. Use the rotary switch provided in the rear panel to set the battery charger current.
NOTE: Default factory settings for charging current selection switch is 4 A. Wrong selection of charging current will reduce the battery life.
| Current Rating Selection | 2 A | 4 A | 8 A | 12 A |
| SMF battery | 12 Ah – 20 Ah | 26 Ah – 42 Ah | 65 Ah – 80 Ah | 80 Ah – 120 Ah |
| Tubular battery | NA | 40 Ah | 60 Ah – 75 Ah | 100 Ah – 120 Ah |
| Switch position | ![]() | ![]() | ![]() | ![]() |
Battery type selector switch for SRC1KUXI model
Keep battery selector switch in suitable position as per the specific type of battery used with the UPS. The available battery options, FLD/SMF, are provided in the rear panel.
| Battery type | FLD | SMF |
| Switch position | ![]() | ![]() |
NOTE: Default factory setting for battery selection switch is SMF.
Rear Panel Features

1 | SmartSlot for management accessories | 8 | USB port |
| 2 | Battery backup plus surge arrest outlets | 9 | Serial com connector |
| 5 | Utility power cable connector | 10 | Emergency Power Off (EPO) |
| 7 | Input thermal circuit breaker reset button | ||
| Applicable only for SRC1KUXI model | |||
| 3 | External battery connector (remove the cover to access the connector) | 6 | Battery selector switch |
| 4 | Charging current selection switch | ||
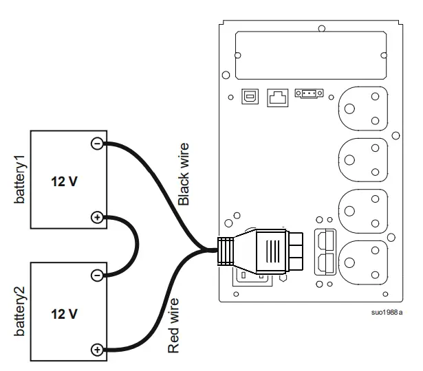
Connect the Battery Bank to SRC1KUXI
![]()
RISK OF ELECTRIC SHOCK
- Adhere to all national and local electrical codes.
- All electrical work must be performed by a qualified electrician.
- Identify the polarities of the battery terminals before connecting the battery.
- Be sure grounding is connected firmly.
- Do not short the battery terminals.
- Do not touch multiple terminals in the battery at the same time.
- Do not wear jewellery when working with electrical equipment.
Failure to follow these instructions can result in moderate injury.

RISK OF IMPROPER CONNECTION
Connect the battery according to the battery voltage indicated on the rear panel. If the connected battery voltage is incorrect, UPS may be damaged and cannot be repaired. Therefore, be sure to confirm that the battery voltage is in accordance with the UPS specification.
Failure to follow these instructions can result in equipment damage.
NOTE:
- Use batteries which can withstand:
- boost voltage of 15 V
- float voltage of 13.8 V
- Maintenance of battery should be done at regular intervals.
- Locate the battery connector cover on rear panel of UPS.
- Remove the screws securing the cover and remove the cover.
- Use the supplied battery connection cable.
- Connect the lugs of the positive (red) and negative (black) wires, to the positive and negative terminal respectively, on the battery bank.
- Plug the battery cable connector into the battery connector receptacle on the rear side of the UPS.
- Insert and tighten the screws removed in step2 to secure the battery connector receptacle to the battery connector of UPS.

Start Up
Connect equipment, external batteries and input power to the UPS
![]()
HAZARD OF ELECTRIC SHOCK
- All electrical work must be performed by a qualified electrician.
- Turn off all power to this equipment before working on the equipment. Practice lockout/tagout procedures. Do not wear jewelry when working with electrical equipment.
Failure to follow these instructions can result in moderate injury.
- Connect equipment to UPS. Avoid using extension cords.
- Connect external batteries to UPS. See “Connect the Battery Bank to SRC1KUXI” on page 9 in this manual.
- Connect input utility power to the UPS.
- Switch the utility input power on. The display panel will illuminate when utility power is available.
Start the UPS
Press the POWER ON/OFF button located on the front panel of UPS.
Cold start the UPS
Use cold start feature to supply power to connected equipment from the UPS batteries.
Press the POWER ON/OFF button. The display panel will illuminate.
Press the POWER ON/OFF button again to supply battery power to the connected equipment.
Install PowerChute™ Software
To install PowerChute Business Edition (PCBE) software, connect the supplied serial cable to the serial port on the UPS and the other end to a computer with access to the Web.
On the computer, go to www.apc.com/tools/download. Select “Software Upgrades – PowerChute Business Edition” in the “Filter by Software/ Firmware” drop down menu. Select the appropriate operating system. Follow directions to download the software
Operation
Front display panel features

| 1 | UPS POWER ON/OFF button | Press the POWER ON/OFF button to turn the UPS on. Press and hold the POWER ON/OFF button until a beep is heard to turn the UPS off. Press the POWER ON/OFF button to reset alerts. |
| 2 | Status LED | The Status LED illuminates green when the power is on. The LED indicates two different states of output power:
|
| 3 | LCD Display | The display interface options are visible on this LCD screen. Press UP/DOWN ARROW button to activate LCD, if the display is not illuminated. |
| 4 | MUTE/ESC button | Press the MUTE/ESC button:
|
| 5 | ENTER button | Press the ENTER button to enter the menu or to select a menu item/ value during navigation. |
| 6 | UP/DOWN ARROW button | Press the UP/DOWN ARROW button to scroll through the main menu options and display screens. |
| 7 | Alert LED | The Alert LED illuminates red when the UPS detects an error and blinks red for UPS notifications. See “Alerts and Notifications” on in this manual. |
Front display icons
| On Line: The UPS is drawing utility power and performing double conversion to supply power to the connected equipment. |
![]() | On Battery: The UPS is supplying battery backup power to the connected equipment. |
![]() | Replace Battery: The battery is not connected securely or the battery is nearing the end of its service life and should be replaced. |
![]() | Bypass: The UPS is in bypass mode, sending utility power directly to connected equipment. Bypass mode operation is the result of an internal UPS event or an overload condition. Battery operation is not available while the UPS is in bypass mode. See “Alerts and Notifications” on page 22 in this manual. This icon in combination with Green Mode icon, indicates that the UPS is in green mode operation. |
![]() | System Alerts: An internal fault is detected. See “Alerts and Notifications” on page 22 in this manual. |
![]() | Overload: The equipment connected to the UPS is drawing more power than rated. |
![]() | Battery Charge: The battery charge level is indicated by the number of bar sections illuminated. When all five blocks are illuminated, the battery is fully charged. Each bar represents approximately 20% of the battery charge capacity. |
![]() | Load Level: The load percentage is indicated by the number of load bar sections illuminated. Each bar represents approximately 20% of the maximum load capacity. |
![]() | Mute: An illuminated line through the icon indicates that the audible alert is disabled. |
![]() | Green Mode: An illuminated icon indicates that the unit is working in Green mode. The connected equipment is receiving the utility input directly as long as the input voltage and frequency are within the configured limits. |
![]() | Alert or notification: The UPS has detected an error or the UPS is in configuration mode. See “Alerts and Notifications” on page 22 in this manual. |
![]() | Event: The icon is illuminated when the user is viewing the event log. |
Status Indicators
| Audible Alert | Condition |
| Continuous beeps, every half second | Low Battery State – The battery is nearing its complete discharge state. The UPS is about to shutdown. |
| Overload condition – The equipment connected to the UPS is drawing more power than rated. | |
| 4 beeps every 30 sec (first beep starts after 4 sec on battery) | On Battery State – The UPS is supplying battery backup power to the connected equipment. |
| Beeper continuously on | Alert State – UPS has detected an error. See “Alerts and Notifications” on page 22 in this manual. |
| Short beep every 2.5 sec | Battery disconnected |
| Continuous short beeps for every half second for 1 minute, repeats every 5 hours | Bad battery (replace) |
| Two short beeps every 5 sec | Event Bypass State – UPS has detected an error. Connected equipment receives utility input power through the bypass relay. |
UPS Display Parameters
Operational data displayed in the display panel is given in the table. Navigate using the UP/DOWN ARROW buttons.
| Parameter | Units | Indicator Icons |
| Output voltage | Vac | OUT, V |
| Output frequency | Hz | OUT, Hz |
| Input voltage | Vac | IN, V |
| Input frequency | Hz | IN, Hz |
| State of battery charge | % | BAT, % |
| Battery voltage | V DC | BAT, V |
| Ambient temperature | °C | NUMBER, C |
| Remaining On Battery runtime | Minutes | BAT, Min |
| Load level in percentage (Maximum of Watts or VA) | % | OUT, % |
| Load level in kVA | kVA | OUT, kVA |
| Total Ah capacity of connected battery | Ah | BAT, Ah |
| Connected battery type | SF – SMF / VRLA Fld – Flooded / Tubular / Vented | BAT |
Configuration
UPS settings
Configure UPS settings using the display interface. See “Configure UPS parameters” on page 17 to edit the parameters.
| Function | Factory Default | User Selectable Options | Description |
| Output voltage | 230 Vac | 220, 230, 240 Vac | Allows the user to select output voltage while the UPS is operating online. |
| Audible alert | Enable | Enable; disable | UPS will mute audible alerts when set to disable or when the display panel MUTE button is pressed. |
| Bypass voltage – Lower limit | 160 V | 156 V, 160 V, 164 V, 168 V, 172 V, 176 V, 180 V, 184 V, 188 V, | Allows the user to select voltage below which unit will not transfer to bypass, instead it will drop the load by turning output off. If unit is already in bypass, it will disconnect the bypass and drop the load. |
| Bypass voltage – Upper limit | 265 V | 253 V, 257 V, 261 V, 265 V | Allows the user to select voltage above which the UPS will not transfer to bypass, instead it will drop the load by turning output off. If unit is already in bypass, it will disconnect the bypass and drop the load. |
| Green mode/ high efficiency mode | Disabled | Enable/Disable | When this mode is enabled, connected equipment receives utility input power through the bypass relay as long as input voltage is within the range of ± 12 V of configured output voltage and ± 3 Hz of configured output frequency. Inverter is turned off during this mode. If utility power input goes out of range, inverter is turned on. The load is transferred to online mode. The power to the connected equipment may be interrupted up to 10 milliseconds. |
| Minimum battery capacity to restart setting | 0% | 0%, 15%, 30%, 45%, 60%, 75%, 90%, | UPS output will not be turned on until the battery is charged to a level such that it can provide the runtime configured by this setting. If configured to 0%, UPS output is turned on immediately after utility power returns. |
| Function | Factory Default | User Selectable Options | Description |
| Total battery Ah capacity connected | 42 Ah | 7 to 200 | For SRC1KUXI model only: Allows the user to set the total Ah of the batteries connected to UPS. See “External Batteries for SRC1KUXI model” on page 19 in this manual for details. Note: Battery charging current limit changes based on this setting. |
| Low battery state indication setting | 2 min | 2 min, 5 min, 8 min, 11 min, 14 min, 17 min, 20 min, 23 min. | The UPS will emit audible alarm when the actual run time reaches the limit set by the end user. The audible alarm will emit only when the UPS is working in battery mode. |
The UPS display has five main menu and two sub-menu options. Press the ENTER button from the Home Screen to access these menu options. Use the UP/ DOWN ARROW buttons to navigate between the menu options.
| Menu option | Description |
![]() | Show Event Log Use this menu option to see the UPS event log. The UPS records the last 10 events and displays the codes in this log. |
![]() | Configure the UPS Use this menu option to configure the UPS parameters. Press the ENTER button to see the configuration options. See “Configure UPS parameters” on page 17 for details. |
![]() | Show UPS information Use this menu option to see the UPS information. Press the ENTER button to see the rating of the UPS. |
| Menu option | Description |
![]() | User Command to bypass Use this menu option to switch the UPS to bypass mode or bring the UPS to online mode from bypass mode. Press ENTER button:
|
![]() | Execute Battery Self Test Use this menu option to conduct a self test and determine the battery status. Press the ENTER button to initiate the test. If the test command is accepted, the UPS will initiate a self test and will start a count down on the display. Display messages are shown at the end of the test.
|
Configure UPS parameters
Follow the steps to configure parameters in the UPS:
- Press the ENTER button.
- Press the UP/DOWN ARROW buttons to navigate to “Set”.
- Press the ENTER button.
- Navigate through the parameters using the UP/DOWN ARROW buttons.
- Press the ENTER button to edit a parameter. Icons start flashing to indicate the editing.
- Press the UP/DOWN ARROW buttons to navigate between the options available for the selected parameter.
- Press the ENTER button to select the option or MUTE/ESC button to abort the editing of current parameter. Flashing of icons stops after this.
- Press the UP/DOWN ARROW buttons to navigate between parameters.
- Press the MUTE/ESC button to exit menu navigation.
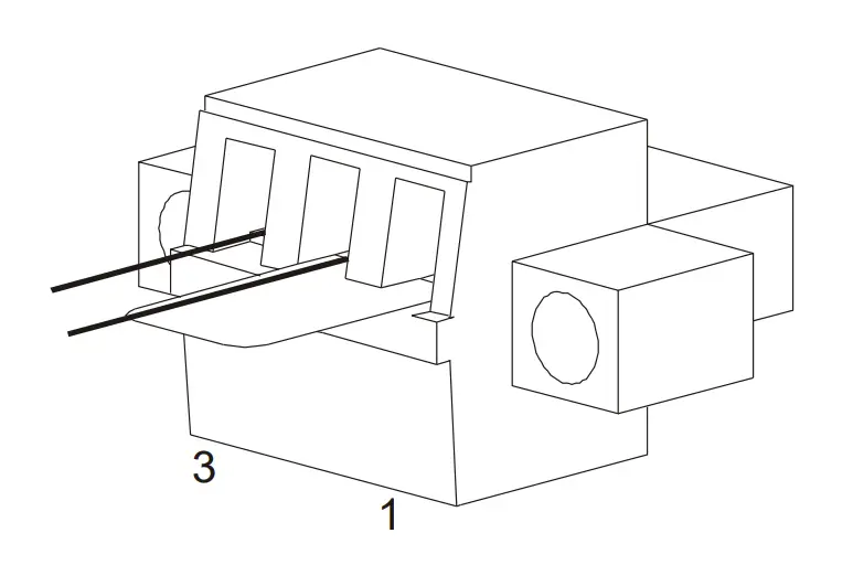
Emergency Power Off
The Emergency Power Off (EPO) option is a feature that will immediately remove power to all connected equipment. When EPO button is pushed, all connected equipment will immediately turn off and will not switch to battery power.
Adhere to all national and local electrical codes. Wiring must be performed by a qualified electrician.
The EPO switch is internally powered by the UPS for use with non-powered switches or potential free contacts.
Normally open (N/O) contacts
- Retain the metal link between pins 1 and 2.
- Remove the EPO connector screws beneath pins 2 and 3.
- Connect N/O relay contacts between pins 2 and 3 of the EPO terminal block. Use 0.5 to 1 mm2 wire.
- Secure the EPO connector screws beneath pins 2 and 3.
If the N/O is closed, the UPS will turn off and power will be removed from the load.
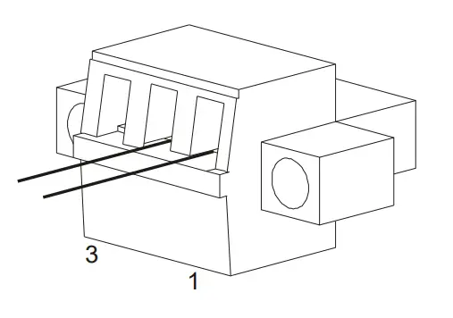
Normally closed (N/C) contacts
- Remove the EPO connector screws beneath pins 1 and 2.
- Remove the metal link between pins 1 and 2.
- Connect N/C relay contacts between pins 1 and 2 of the EPO terminal block. Use 0.5 to 1 mm2 wire.
- Secure the EPO connector screws beneath pins 1 and 2.
If the N/C is open, the UPS will turn off and power will be removed from the load.

EQUIPMENT DAMAGE
Do not connect the EPO interface to any circuit other than a unused circuit.
Failure to follow these instructions can result in equipment damage.
The EPO interface is a Safety Extra Low Voltage (SELV) circuit. Connect it only to other SELV circuits. The EPO interface monitors circuits that have no determined voltage potential. Such closure circuits may be provided by a switch or relay properly isolated from the utility. To avoid damage to the UPS, do not connect the EPO interface to any circuit other than a unused circuit.
Use one of the following cable types to connect the UPS to the EPO switch.
- CL2: Class 2 cable for general use.
- CL2P: Plenum cable for use in ducts, plenums, and other spaces used for environmental air.
- CL2R: Riser cable for use in a vertical run in a floor-to-floor shaft.
- CLEX: Limited use cable for use in dwellings and for use in raceways.
External Batteries for SRC1KUXI model

EQUIPMENT DAMAGE
- Do not connect a battery string with voltage greater than 24 VDC.
- Do not exceed the maximum recommended charging current.
Failure to follow these instructions can result in equipment damage.
Use SMF or flooded type batteries for optimum battery charger performance.
Do not exceed the maximum recommended battery charging current rate when configuring the battery charger current setting of the external battery system.
The UPS is intended for use with 24 VDC nominal battery voltage. The external battery system connected to the UPS must not exceed 24 VDC nominal voltage. Refer to the APC by Schneider Electric Web site, www.apc.com or an APC by Schneider Electric dealer for information regarding APC by Schneider Electric external battery solutions.
Troubleshooting
See “Rear Panel Features” on page 8 and “Front display panel features” on page 12 for the locations and graphical representations of the buttons and LEDs referred to in this table.
| Problem and/or Possible Cause | Solution |
| UPS will not turn on when utility input is available or there is no power output | |
| The UPS is not turned on. | Press the POWER button to turn on the UPS. |
| The UPS is not connected to utility power supply. | Check that the power cable from the UPS to the utility power supply is securely connected at both ends. See “Start Up” on page 11 in this manual. |
| Input thermal circuit breaker on the UPS is tripped. | Press the input thermal circuit breaker reset button in the rear panel. |
| The UPS is operating on battery, while connected to the input utility power | |
| There is high, low, or distorted input voltage or frequency. | Connect the UPS to a different outlet on a different circuit. Test the utility input power to ensure the unit is receiving input power. If display is on, navigate and check the input voltage and frequency. |
| UPS, when connected to battery, is not supplying power to the connected equipment | |
| The UPS is not turned on. | If the UPS has shutdown (the display is not on), follow the procedure “Cold start the UPS” on page 11. |
| The battery is not connected. | Connect battery to the UPS. See “Connect the Battery Bank to SRC1KUXI” on page 9 in this manual. |
| Low battery cut off. UPS may have discharged the battery due to utility power outage and turned the output off due to low battery condition. | Wait for the utility power to return and charge the battery. To turn on the output power after utility power returns, press POWER ON button. |
| UPS emits an audible beeping sound at long intervals | |
| The UPS is operating normally when running on battery. | UPS has detected an error. See “Alerts and Notifications” on page 22 in this manual. |
| Alert LED is illuminated. The UPS displays an alert message and emits a constant beeping sound | |
| The UPS has detected an error. | See “Alerts and Notifications” on page 22 in this manual. |
| No audible sounds from UPS even when the Alert LED is illuminated | |
| Audible alert is disabled. | Change the UPS configuration to enable audible alerts. |
| Problem and/or Possible Cause | Solution |
| UPS is not providing expected backup time | |
| The UPS battery is discharged due to a recent power outage. | The batteries require recharging after extended outages. Batteries can wear faster when put into service without proper recharging or when operated at elevated temperatures. |
| The battery is near the end of its service life. | If the battery is near the end of its service life, consider replacing the battery, even if the replace battery indicator is not illuminated. See “Connect the Battery Bank to SRC1KUXI” on page 9 in this manual. For SRC1KI-IN model contact APC by Schneider Electric customer support. |
| UPS is not turning off | |
| POWER OFF button not pressed properly. | Press and hold the POWER OFF button until the beep is heard to power off the UPS. |
| Utility input power is available. | UPS logic power can not be turned off if utility input power is available. To turn off the UPS, turn off utility input power and press POWER OFF button. Release when a beep is heard. |
| UPS is in Bypass mode and the LED is not illuminated red | |
| UPS is in green mode | Disable green mode if not desired. |
| UPS is configured to stay in the bypass mode. | Change the configuration to exit bypass mode. |
| UPS is in Bypass mode and the LED is illuminated red | |
| The UPS has experienced an overload condition and transferred to bypass. | Connected equipment exceeds the “maximum load” as defined in specifications on the APC Web site, www.apc.com. The alerts remain on until the overload condition is corrected. Disconnect nonessential equipment from the UPS to eliminate the overload condition. The UPS continues to supply power as long as it is in bypass mode and the circuit breaker does not trip. The UPS will not provide battery power in the event of a utility voltage interruption. |
| UPS detected an error and transferred to bypass. | See “Alerts and Notifications” on page 22 in this manual. |
Alerts and Notifications
UPS displays a text code and a numeric code on the display when it detects an error.
Alerts
| Display code | Description | Solution |
|
| UPS has experienced a short circuit at the output. | Check if there is any short circuit at the UPS output. Press POWER ON/OFF button to start the UPS. Note: The power supplied to the connected equipment is dropped when the UPS is in this condition. |
![]() | UPS is experiencing an overload condition. | Disconnect nonessential equipment from the UPS to eliminate the overload condition. |
![]() | The UPS has detected a DC voltage error. Unit will try to auto-recover from this condition. | If the UPS does not recover automatically, contact APC by Schneider Electric. |
![]() | Temperature of the unit is rising above the set limits. | Disconnect nonessential equipment from the UPS to reduce the UPS load. Ensure that ambient temperature is within limits. Ensure that adequate clearance is maintained. |
![]() | UPS has recovered from an EPO shutdown. | Press the POWER ON/OFF button to clear the EPO message. |
![]() | UPS has detected a charger error. | Verify if there is any short circuit at the UPS battery terminal. Press POWER ON/OFF button to start the UPS. |
| Contact APC by Schneider Electric for all other alert codes. | ||
Notifications
| Display code | Description | Solution |
![]() | Battery is not connected. | Connect battery to the UPS. See “Connect the Battery Bank to SRC1KUXI” on page 9 in this manual. |
Service
If the unit requires service, do not return it to the dealer. Follow these steps:
- Review the Troubleshooting section of the manual to eliminate common
problems. - If the problem persists, contact APC by Schneider Electric Customer Support.
a. Note the model number and serial number and the date of purchase.
The model and serial numbers are located on the rear panel of the unit and are available through the LCD display on select models.
b. Call APC by Schneider Electric Customer Support and a technician will attempt to solve the problem over the phone. If this is not possible, the technician will issue a Service Request Number.
c. If the unit is under warranty, the repairs are free.
An Authorized Service Representative will visit your location and try to
resolve the issue.
Limited Factory Warranty
Schneider Electric IT Business India Private Ltd. (SEITBIPL), warrants its products to be free from defects in materials and workmanship for a period of two (2) years from the date of purchase. The SEITBIPL obligation under this warranty is limited to repairing or replacing, at its own sole option, any such defective products or parts there of. Repair or replacement of a defective product or part thereof does not extend the original warranty period.
This warranty applies only to the original purchaser who must have properly registered the product within 10 days of purchase. Products may be registered online at warranty.apc.com or by mailing in the completed warranty registration card that is included with the documentation. SEITBIPL shall not be liable under the warranty if its testing and examination disclose that the alleged defect in the product does not exist or was caused by end user or any third person misuse, negligence, improper installation, testing, operation or use of the product contrary to SEITBIPL recommendations or specifications. Further, SEITBIPL shall not be liable for defects resulting from: 1) unauthorized attempts to repair or modify the product, 2) incorrect or inadequate electrical voltage or connection, 3) inappropriate on site operation conditions, 4) Acts of God, 5) exposure to the elements, 6) theft. In no event shall SEITBIPL have any liability under this warranty for any product where the serial number has been altered, defaced, or removed, 7) normal wear resulting from frequent use.
EXCEPT AS SET FORTH ABOVE, THERE ARE NO WARRANTIES, EXPRESS OR IMPLIED, BY OPERATION OF LAW OR OTHERWISE, APPLICABLE TO PRODUCTS SOLD, SERVICED OR FURNISHED UNDER THIS AGREEMENT OR IN CONNECTION HEREWITH. SEITBIPL DISCLAIMS ALL IMPLIED WARRANTIES OF MERCHANTABILITY, SATISFACTION AND FITNESS FOR A PARTICULAR PURPOSE. SEITBIPL EXPRESS WARRANTIES WILL NOT BE ENLARGED, DIMINISHED, OR AFFECTED BY AND NO OBLIGATION OR LIABILITY WILL ARISE OUT OF, SEITBIPL RENDERING OF TECHNICAL OR OTHER ADVICE OR SERVICE IN CONNECTION WITH THE PRODUCTS. THE FOREGOING WARRANTIES AND REMEDIES ARE EXCLUSIVE AND IN LIEU OF ALL OTHER WARRANTIES AND REMEDIES. THE WARRANTIES SET FORTH ABOVE CONSTITUTE SEITBIPL’S SOLE LIABILITY AND PURCHASER’S EXCLUSIVE REMEDY FOR ANY BREACH OF SUCH WARRANTIES. SEITBIPL WARRANTIES EXTEND ONLY TO ORIGINAL PURCHASER AND ARE NOT EXTENDED TO ANY THIRD PARTIES. IN NO EVENT SHALL SEITBIPL, ITS OFFICERS, DIRECTORS, AFFILIATES OR EMPLOYEES BE LIABLE FOR ANY FORM OF INDIRECT, SPECIAL, CONSEQUENTIAL OR PUNITIVE DAMAGES, ARISING OUT OF THE USE, SERVICE OR INSTALLATION OF THE PRODUCTS, WHETHER SUCH DAMAGES ARISE IN CONTRACT OR TORT, IRRESPECTIVE OF FAULT, NEGLIGENCE OR STRICT LIABILITY OR WHETHER SEITBIPL HAS BEEN ADVISED IN ADVANCE OF THE POSSIBILITY OF SUCH DAMAGES. SPECIFICALLY, SEITBIPL IS NOT LIABLE FOR ANY COSTS, SUCH AS LOST PROFITS OR REVENUE, WHETHER DIRECT OR INDIRECT, LOSS OF EQUIPMENT, LOSS OF USE OF EQUIPMENT, LOSS OF SOFTWARE, LOSS OF DATA, COSTS OF SUBSTITUANTS, CLAIMS BY THIRD PARTIES, OR OTHERWISE.
To obtain service under warranty you must call customer support. Customers with warranty claims issues may access the SEITBIPL worldwide customer support network through the SEITBIPL Web site: www.apc.com. Select your country from the country selection drop down menu. Open the Support tab at the top of the web page to obtain information for customer support in your region. Refer to the product user manual for more information on how to contact customer support.
APC by Schneider Electric Customer Support India
© 2022 APC by Schneider Electric. APC, the APC logo, and Smart-UPS are owned by Schneider Electric Industries S.A.S., or their affiliated companies. All other trademarks are property of their respective owners.
Internet http://www.apc.com/in
Toll Free 18001030011/18004194272
E-mail [email protected]



























Put: Use to switch the UPS to bypass mode of operation.
Out: Bring the UPS out of bypass and restore clean power to the connected equipment.
Test refused. The output is off or battery is not charged.
Test not passed
Test passed
Test is aborted due to internal reasons Press the ESC button to return to the Home Screen.
























