Microsemi DG0440 Running Modbus TCP Reference Design on SmartFusion2 Devices

Microsemi Corporate Headquarters
One Enterprise, Aliso Viejo,
CA 92656 USA
Within the USA: +1 (800) 713-4113
Outside the USA: +1 (949) 380-6100
Fax: +1 (949) 215-4996
Email: [email protected]
www.microsemi.com
© 2017 Microsemi Corporation. All rights reserved. Microsemi and the Microsemi logo are trademarks of Microsemi Corporation. All other trademarks and service marks are the property of their respective owners
Microsemi makes no warranty, representation, or guarantee regarding the information contained herein or the suitability of its products and services for any particular purpose, nor does Microsemi assume any liability whatsoever arising out of the application or use of any product or circuit. The products sold hereunder and any other products sold by Microsemi have been subject to limited testing and should not be used in conjunction with mission-critical equipment or applications. Any performance specifications are believed to be reliable but are not verified, and Buyer must conduct and complete all performance and other testing of the products, alone and together with, or installed in, any end-products. Buyer shall not rely on any data and performance specifications or parameters provided by Microsemi. It is the Buyer’s responsibility to independently determine suitability of any products and to test and verify the same. The information provided by Microsemi hereunder is provided “as is, where is” and with all faults, and the entire risk associated with such information is entirely with the Buyer. Microsemi does not grant, explicitly or implicitly, to any party any patent rights, licenses, or any other IP rights, whether with regard to such information itself or anything described by such information. Information provided in this document is proprietary to Microsemi, and Microsemi reserves the right to make any changes to the information in this document or to any products and services at any time without notice.
About Microsemi
Microsemi Corporation (Nasdaq: MSCC) offers a comprehensive portfolio of semiconductor and system solutions for aerospace & defense, communications, data center and industrial markets. Products include high-performance and radiation-hardened analog mixed-signal integrated circuits, FPGAs, SoCs and ASICs; power management products; timing and synchronization devices and precise time solutions, setting the world’s standard for time; voice processing devices; RF solutions; discrete components; enterprise storage and communication solutions, security technologies and scalable anti-tamper products; Ethernet solutions; Power-over-Ethernet ICs and midspans; as well as custom design capabilities and services. Microsemi is headquartered in Aliso Viejo, California, and has approximately 4,800 employees globally. Learn more at www.microsemi.com.
Revision History
The revision history describes the changes that were implemented in the document. The changes are listed by revision, starting with the most current publication.
Revision 7.0
Updated the document for Libero v11.8 software release.
Revision 6.0
The following changes are done in revision 6.0 of this document.
- Libero SoC, FlashPro, and SoftConsole design requirements are updated in the Design Requirements, page 5.
- Throughout the guide, the names of SoftConsole projects used in the demo design and all the associated figures are updated.
Revision 5.0
Updated the document for Libero v11.7 software release (SAR 76559).
Revision 4.0
Updated the document for Libero v11.6 software release (SAR 72924).
Revision 3.0
Updated the document for Libero v11.5 software release (SAR 63972).
Revision 2.0
Updated the document for Libero v11.3 software release (SAR 56538).
Revision 1.0
Updated the document for Libero v11.2 software release (SAR 53221).
Running Modbus TCP Reference Design on SmartFusion2 Devices Using IwIP and FreeRTOS
Introduction
Microsemi offers a reference design for SmartFusion®2 SoC FPGA devices that demonstrate the
tri-speed ethernet medium access controller (TSEMAC) features of the SmartFusion2 SoC FPGA and implements the Modbus protocol. The reference design runs on the UG0557: SmartFusion2 SoC FPGA Advanced Development Kit User Guide. This demo guide describes.
- Usage of SmartFusion2 TSEMAC connected to a serial gigabit media independent interface (SGMII) PHY.
- Integration of SmartFusion2 MAC driver with the lightweight IP (IwIP) transmission control protocol (TCP) or IP stack and the free real time operating system (RTOS).
- Application layer with industrial automation protocol, Modbus on TCP or IP.
- How to run the reference design
The microcontroller subsystem (MSS) of the SmartFusion2 SoC FPGA has an instance of the TSEMAC peripheral. The TSEMAC can be configured between the host processor and the Ethernet network at the following data transfer rates (line speeds):
- 10 Mbps
- 100 Mbps
- 1000 Mbps
For more information on the TSEMAC interface for SmartFusion2 devices, see the UG0331: SmartFusion2 Microcontroller Subsystem User Guide.
Using the Modbus Protocol
Modbus is an application layer messaging protocol present at the level seven of the
open systems interconnection (OSI) model. It enables client or server communication between the devices connected in different types of buses or networks. It is a service protocol that offers many services specified by the function codes. The Modbus function codes are elements of Modbus request or reply protocol data units. The components of the Modbus protocol include:
- TCP or IP over Ethernet
- Asynchronous serial transmission over a variety of media
- Wire:
- EIA/TIA-232-E
- EIA-422
- EIA/TIA-485-A Fiber
- Radio
- Modbus PLUS, a high-speed token passing network
The following figure describes the Modbus communication stacks for various communication networks.
Figure 1 • Modbus Communication Stack

Using Modbus Protocol on SmartFusion2 Device
The Modbus TCP server runs on the SmartFusion2 Advanced Development Kit and responds to the Modbus TCP client running on the host PC. The following figure shows the block diagram of the Modbus TCP server and application on the SmartFusion2 device.
Figure 2 • Block Diagram of Modbus TCP Server and Application on SmartFusion2
| 0RGEXV 7&3 $SSOLFDWLRQ | 0RGEXV 7&3 6HUYHU |
| ,Z,3 7&3 RU ,3 6WDFN | |
| )UHH5726 | )LUPZDUH |
| 6PDUW)XVLRQ2 $GYDQFHG ‘HYHORSPHQW .LW (+:) | |
Design Requirements
The following table lists the hardware and software design requirements.
Table 1 • Reference Design Requirements and Details
Design Requirements: Description
Hardware
- SmartFusion2 Advanced Development Kit
– USB A to mini-B cable
– 12 V adapter
Rev A or later - Ethernet cable RJ45
- Any one of the following serial terminal emulation programs:
– HyperTerminal
– TeraTerm
– PuTTY - Host PC or Laptop Windows 64-bit Operating System
Software
- Libero® System-on-Chip (SoC) v11.8
- SoftConsole v4.0
- FlashPro programming software v11.8
- USB to UART drivers –
- MSS Ethernet MAC drivers v3.1.100
- A serial terminal emulation program HyperTerminal, TeraTerm, or PuTTY
- Browser Mozilla Firefox or Internet Explorer
Demo Design
The following sections describe the demo design of the Modbus TCP reference design on SmartFusion2 devices using IwIP and FreeRTOS.
The demo design files are available for download at:
http://soc.microsemi.com/download/rsc/?f=m2s_dg0440_liberov11p8_df
The demo design files include:
- Libero
- Programming files
- HostTool
- Readme
The following figure shows the top-level structure of the design files. For more information, see the Readme.txt file.
Figure 3 • Demo Design Files Top-Level Structure

Demo Design Features
The reference design includes:
- Complete Libero SoC Verilog project
- SoftConsole firmware project
The reference design can support the following Modbus function codes depending on the free Modbus communications stack settings:
- Read input registers (function code 0×04)
- Read holding registers (function code 0×03)
- Write single registers (function code 0×06)
- Write multiple registers (function code 0×10)
- Read or Write multiple registers (function code 0×17)
- Read coils (function code 0×01)
- Write single coil (function code 0×05)
- Write multiple coils (function code 0×0F)
- Read discrete inputs (function code (0×02)
The reference design supports the following Modbus function codes for all free Modbus communications stack settings:
- Read input registers (function code 0×04)
- Read discrete inputs (function code (0×02)
- Write multiple coils (function code 0×0F)
- Read holding registers (function code 0×03)
Demo Design Description
The design is implemented using a SGMII PHY interface by configuring the TSEMAC for the ten-bit interface (TBI) operation. For more information on the TSEMAC TBI interface, see the UG0331: SmartFusion2 Microcontroller Subsystem User Guide.
Libero SoC Hardware Project
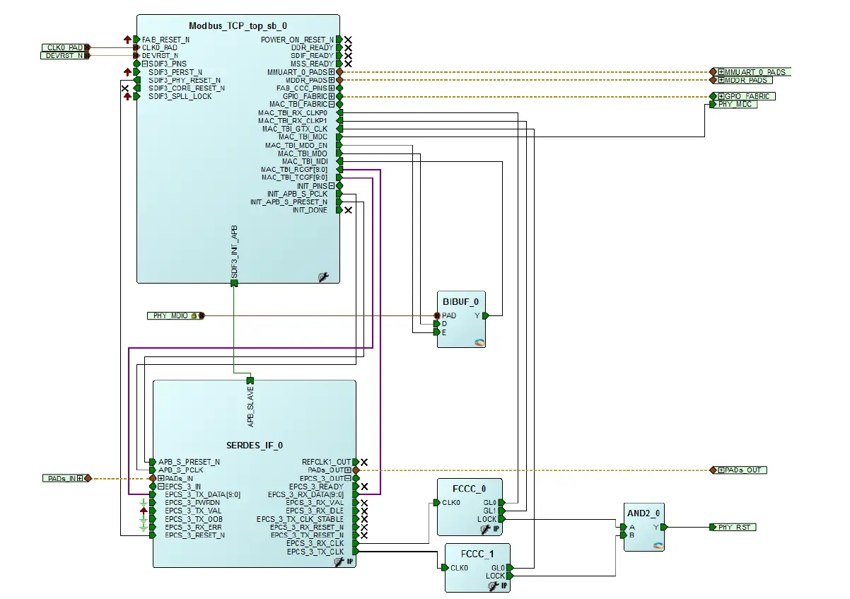
The following figure shows the hardware design implementation on which the reference design slave firmware runs.
Figure 4 • Libero SoC Top-Level Hardware Design

The Libero SoC hardware project uses the following SmartFusion2 MSS resources and IPs:
- TSEMAC TBI interface
- MMUART_0 for RS-232 communications on the SmartFusion2 Advanced Development Kit
- Dedicated input pad 0 as the clock source
- General purpose input and output (GPIO) that interfaces the following:
- Light emitting diodes (LEDs): 4 numbers
- Push-buttons: 4 numbers
- Dual in-line package (DIP) switches: 4 numbers
- The following board resources are associated with the Modbus commands:
- LEDs (coils)
- DIP switches (discrete inputs)
- Push-buttons (discrete inputs)
- Real time clock (RTC) (input registers)
- High-speed serial interface (SERDESIF) SERDES_IF IP, configured for SERDESIF_3 EPCS lane 3, see the following figure. To know more about high-speed serial interfaces, see the UG0447- SmartFusion2 and IGLOO2 FPGA High Speed Serial Interfaces User Guide.
The following figure shows the High Speed Serial Interface Configurator window.
Figure 5 • High Speed Serial Interface Configurator Window

Package Pin Assignments
Package pin assignments for LED, DIP switches, push-button switches, and PHY interface signals are shown in the following table through Table 5, page 9.
Table 2 • LED to Package Pins Assignments
- Output Package Pin
- LED_1 D26
- LED_2 F26
- LED_3 A27
- LED_4 C26
Table 3 • DIP Switches to Package Pins Assignments
- Output Package Pin
- DIP1 F25
- DIP2 G25
- DIP3 J23
- DIP4 J22
Table 4 • Push Button Switches to Package Pins Assignments
- Output Package Pin
- SWITCH1 J25
- SWITCH2 H25
- SWITCH3 J24
- SWITCH4 H23
Table 5 • PHY Interface Signals to Package Pins Assignments
- Port Name Direction Package Pin
- PHY_MDC Output F3
- PHY_MDIO Input K7
- PHY_RST Output F2
SoftConsole Firmware Project
Invoke the SoftConsole project using standalone SoftConsole IDE. The following versions of the stack are used for the reference design:
- lwIP TCP or IP stack version 1.3.2
- Modbus TCP server version 1.5 (www.freemodbus.org) with enhancements for the complete function code support as Modbus TCP server
- FreeRTOS (www.freertos.org)
The following figure shows SoftConsole software stacks directory structure of the design.
Figure 6 • SoftConsole Project Explorer Window

The SoftConsole workspace consists of the project, Modbus_TCP_App that has the Modbus TCP application (which uses lwIP and FreeRTOS) and all the firmware and hardware abstraction layers that correspond to the hardware design.
The following figure shows the driver versions used for the demo.
Figure 7 • Demo Design Driver Versions

Setting Up the Demo Design
The following steps describe how to setup the demo for the SmartFusion2 Advanced Development Kit board:
- Connect the host PC to the J33 connector using the USB A to mini-B cable. The USB to universal asynchronous receiver/transmitter (UART) bridge drivers are automatically detected.
- From the detected four communication (COM) ports, right-click any one of the COM ports and select Properties. The selected COM port properties window is displayed, as shown in the following figure.
- Ensure to have the Location as on USB FP5 Serial Converter C in the Properties window as shown in the following figure.
Note: Make a note of the COM port number for serial port configuration and ensure that the COM port Location is specified as on USB FP5 Serial Converter C.
Figure 8 • Device Manager Window

- Install the USB driver if the USB drivers are not detected automatically.
- Install the FTDI D2XX driver for serial terminal communication through the FTDI mini USB cable. Download the drivers and installation guide from:
www.microsemi.com/soc/documents/CDM_2.08.24_WHQL_Certified.zip - Connect the jumpers on the SmartFusion2 Advanced Development Kit board as shown in the following table. For information on jumper locations, seethe Appendix: Jumper Locations, page 19.
CAUTION: Switch OFF the power supply switch, SW7, before making the jumper connections.
Table 6 • SmartFusion2 Advanced Development Kit Jumper Settings
- Jumper Pin From Pin To Comments
- J116, J353, J354,J54 1 2 These are the default jumper settings of the Advanced Development Kit board. Ensure that the jumpers
- J123 2 3 are set accordingly.
- J124, J121, J32 1 2 JTAG programming via FTDI
- Connect the power supply to the J42 connector in the SmartFusion2 Advanced Development Kit board.
- This design example can run in both static IP and dynamic IP modes. By default, programming files are provided for dynamic IP mode.
- For static IP, connect the host PC to the J21 connector of the
SmartFusion2 Advanced Development Kit board using an RJ45 cable. - For dynamic IP, connect any one of the open network ports to the J21 connector of the SmartFusion2 Advanced Development Kit board using an RJ45 cable.
- For static IP, connect the host PC to the J21 connector of the
Board Setup Snapshot
Snapshots of the SmartFusion2 Advanced Development Kit board with all the setup connections are given in the Appendix: Board Setup for Running the Modbus TCP Reference Design, page 18.
Running the Demo Design
The following steps describe how to run the demo design:
- Download the design file from:
http://soc.microsemi.com/download/rsc/?f=m2s_dg0440_liberov11p8_df - Switch ON the power supply switch, SW7.
- Start any serial terminal emulation program such as:
- HyperTerminal
- PuTTY
- TeraTerm
Note: In this demo HyperTerminal is used.
The configuration for the program is: - Baud Rate: 115200
- 8 Data bits
- 1 Stop bit
- No parity
- No flow control
For information on configuring the serial terminal emulation programs, see the Configuring Serial Terminal Emulation Programs.
- Launch the FlashPro software.
- Click New Project.
- In the New Project window, enter the Project Name, as shown in the following figure.
Figure 9 • FlashPro New Project

- Click Browse and navigate to the location where you want to save the project.
- Select Single device as the Programming mode.
- Click OK to save the project.
- Click Configure Device.
- Click Browse and navigate to the location where the Modbus_TCP_top.stp file is located and select the file. The default location is:
(\SF2_Modbus_TCP_Ref_Design_DF\Programmingfile\Modbus_TCP_top.stp). The required programming file is selected and is ready to be programmed in the device as shown in the following figure.
Figure 10 • FlashPro Project Configured
- Click PROGRAM to start programming the device. Wait until a message is displayed indicating that the program passed. This demo requires the SmartFusion2 device to be preprogrammed with the application code to activate the Modbus application. The SmartFusion2 device is preprogrammed with the Modbus_TCP_top.stp using FlashPro software.
Figure 11 • FlashPro Program Passed
Note: To run the design in static IP mode, follow the steps mentioned in Appendix: Running the Design in Static IP Mode, page 20. - Power cycle the SmartFusion2 Advanced Development board.
A welcome message with the IP address is displayed in the HyperTerminal window, as shown in the following figure.
Figure 12 • HyperTerminal with IP Address
Open a new command prompt on the host PC, go to the folder
(\SF2_Modbus_TCP_Ref_Design_DF\HostTool) where
SmartFusion2_Modbus_TCP_Client.exe file is present, enter the command: SmartFusion2_Modbus_TCP_Client.exe <IP address> as shown in the following figure.
Figure 13 • Invoking the Modbus Client
The following figure shows the Modbus TCP functions that are running. The functions are:- Read discrete inputs (function code 02)
- Read holding registers (function code 03)
- Read input registers (function code 04)
- Write multiple coils (function code 15)
Figure 14 • Modbus Functional Codes Demonstration
See the Running Modbus Functions, page 17 for more information on the Modbus functions that are demonstrated in the reference design.
- After running the demo, close HyperTerminal.
Running Modbus Functions
This section describes the Modbus functions that are demonstrated in the reference design.
Read Discrete Inputs (function code 02)
GPIOs are connected to 4 DIP switches and 4 push-button switches. Switch ON and switch OFF the DIP switches and push-button switches on the SmartFusion2 Advanced Development Kit. Read discrete inputs functional code displays the statuses of switches as shown in the following figure.
Figure 15 • Read Discrete Inputs
Read Holding Registers (function code 03)
The following figure shows the global buffer data defined in the firmware.
Figure 16 • Read Holding Registers
Read Input Registers (function code 04)
The following figure shows the number of seconds that the real-time counter (RTC) has counted.
Figure 17 • Read Input Registers
Write Multiple Coils (function code 0×0F)
The following figure shows the Write Multiple Coils register data for toggling the LEDs connected to GPIOs.
Figure 18 • Write Multiple Coils
Appendix: Board Setup for Running the Modbus TCP Reference Design
The following figure shows the board setup for running the reference design on the SmartFusion2 Advanced Development Kit board.
Figure 19 • SmartFusion2 Advanced Development Kit Board Setup

Appendix: Jumper Locations
The following figure shows the jumper locations on the SmartFusion2 Advanced Development Kit board.
Figure 20 • SmartFusion2 Advanced Development Kit Silkscreen Top View
Note: Jumpers highlighted in red are set by default. Jumpers highlighted in green must be set manually.
Note: The location of the jumpers in the preceding figure are searchable.
Appendix: Running the Design in Static IP Mode
The following steps describe how to run the design in static IP mode:
- Right-click the Project Explorer window of SoftConsole project and go to Properties as shown in the following figure.
Figure 21 • Project Explorer Window of SoftConsole Project
- Remove the symbol NET_USE_DHCP in Tool Settings of the Properties for Modbus_TCP_App window. The following figure shows the Properties for Modbus_TCP_App window.
Figure 22 • Project Explorer Properties Window
- If the device is connected in static IP mode, the board static IP address is 169.254.1.23, then change the Host TCP/IP settings to reflect the IP address. See the following figure and Figure 24,
Figure 23 • Host PC TCP/IP Settings
Figure 24 • Static IP Address Settings
Note: When these settings are configured, compile the design, load the design into Flash memory, and run the design using SoftConsole.
DG0440 Demo Guide Revision 7.0
References
FPGA Documentation | Microchip Technology
FreeMODBUS - A free MODBUS ASCII/RTU and TCP implementation - SILA
FreeRTOS - Market leading RTOS (Real Time Operating System) for embedded systems with Internet of Things extensions
Microsemi | Semiconductor & System Solutions | Power Matters
microsemi.com/index.php?option=com_docman&task=doc_download&gid=130815
microsemi.com/index.php?option=com_docman&task=doc_download&gid=130918
sf2_igl2_Serial_UG.pdf
microsemi.com/index.php?option=com_docman&task=doc_download&gid=134215


Note: To run the design in static IP mode, follow the steps mentioned in Appendix: Running the Design in Static IP Mode, page 20.
Open a new command prompt on the host PC, go to the folder
The following figure shows the Modbus TCP functions that are running. The functions are:
See the Running Modbus Functions, page 17 for more information on the Modbus functions that are demonstrated in the reference design.






















