PROCLEANROOM Stainless steel electric height adjustable cleanroom table Owner’s Manual

Stainless steel electric height adjustable cleanroom table
800 – 3500 mm
600 – 700 mm
800 – 1000 mm

Standard features

Adjustable height (800 – 1000 mm)
Easy-to-clean height control panel
Max loading 120 kg/tabletop (uniform layout)
Welded frame. Legs made of stainless steel tube 40×40 mm. Frame made of stainless steel tube 25×25 mm
Adjustable stainless steel feet (amplitude 65 mm
General information
- Specifications


| Model | D**‐R*V | D**‐X*V | ||
| Type | Electric height adjustable table | Wall mounted electric height adjustable table | ||
| Loading | 120 kg uniform loading per tabletop 120 kg uniform loading per shelf | |||
| Dimensions LxBxH, mm | 1000‐2000×600‐ 700×900 | 2100‐3500×600‐ 700×900 | 1000‐2000×600‐ 700×900 | 2100‐3500×600‐ 700×900 |
| Adjustment range | 800‐1000 | |||
| Electric Linear Actuators (motor), pcs* | 2 | 3 | 2 | 3 |
| Input, A | 1.5 | |||
| Voltage/ Frequencies, V/Hz | 230/50 | |||
| Protection class | IP66 | |||
| Typical speed, mm/s | 11.2 | |||
| Duty cycle | Max 10% (2 min. continuous use followed by 18 min. not in use) | |||
| Exterior/Interior | Stainless steel | |||
- Instruction for use
To ensure that you get optimum use of your purchased product, please read these instructions carefully before putting it to use. Save these instructions for future reference. - Receiving equipment
Check the packaging and cabinet for shipping damage before and after unloading the unit, and after removing all the packaging. The receiver of this product is responsible for filing freight damage claims. This equipment must be opened immediately for inspection. All visible damage must be reported to the freight company and must be noted on freight bill at the time of delivery.
Safety regulations
- Operating
These units are intended for indoor use only. It is not intended for use by persons with reduced physical, sensory, or mental capabilities except the case, when they are instructed about safe operating before. Ensure proper supervision of children and keep them away from unit. Make sure all operators are instructed on safe and proper use of unit. Do not operate unattended.
ELECTRIC SHOCK, FIRE OR BURN INJURIES CAN OCCUR IF THIS EQUIPMENT IS NOT USED PROPERLY. TO REDUCE RISK OF INJURY:- Have the unit installed by qualified service personnel;
- Plug only into grounded electrical outlets matching the required voltage;
- Unplug the unit before cleaning or moving;
- Unit should be used in a flat, level position;
- Before moving the table, always adjust to its lowest position;
- The unit is not intended for lifting people;
- Be certain hands are clear of any pinch points when adjusting the table up or down;
- Ensure loads on the table are evenly distributed, and the load specifications are not exceeded.
- Service
To avoid serious injury or damage, never attempt to repair this equipment or replace a damaged power cord yourself. Contact a qualified professional repair service.
Always disconnect the product before servicing or replacing any electrical component. If operating fails, first look to see whether the unit has been unfortunately switched off, or whether a fuse has blown. If the failure cannot be found, please contact your supplier.
If the unit is not working properly, the settings may need to be reset:
- Unplug the power cord;
- Wait for 20 seconds;
- Plug the power cord back in;
- Press the “down” button, holding it for 10 seconds and then operate the equipment as usual.
Please do not locate the height adjustable table on uneven ground, use uniform loading per tabletop, otherwise the table might be crooked. If the table is crooked it is needed to check the engine:
- Detach the engine from the table;
- Look if the engine is working;
- If the engine is working it can be attached back to the table and used further, otherwise contact your.
Installation
- General requirements This unit must be installed by qualified, trained installers. Installation must conform to all local electrical codes. Check with local electrical inspectors. Before starting to operate the equipment, protective film must be taken off from every surface of the equipment and the unit must be cleaned with a mild soap solution and checked thoroughly before it is put into operation. Once the table is installed, check that it can easily be raised and lowered, that there are no hindrances to stepless movement over the entire range of movement. Then please reset the unit. Plug the power cord into a 230 V outlet, press and hold the down button for 10 seconds then press and hold up button to increase the height of the unit at the most ergonomically suitable height.

IMPORTANT! In places where warning triangles and/or screws are used to secure covers around electrical parts, there is a risk of severe injury if covers are removed. Therefore, covers must only be removed by a service technician. - Location These units are intended for indoor use only. It should be located in the area that is convenient for use. Avoid placement of the table in a chlorine/acid-containing environment (swimming-bath etc.) due to risk of corrosion. Locate the unit on level solid flooring. If the table is fitted with legs, legs must be adjusted to ensure that it stands level and not distorted in any way. To ensure correct and efficient usage of the unit, there must be a safe distance from walls, panels or anything that could interfere with the movement of the table.
- Electrical connection All the units are tested by producer to assure proper operation. Power must be connected via a wall socket. The wall socket should be easily accessible. The unit is intended for connection to alternating current. The connection values for voltage (V) and frequency (Hz) are given on the nameplate, which is located on the side of the power block. The nameplate shown in the fig.1 is intended purely as an example.

Fig.1. Example of the nameplate
![]()
WARNING! This appliance must be earthed. Connecting the unit to the improper power source can cause damage to the unit and invalidate the warranty.
Never use an extension cord for this appliance. If a wall socket is placed in a longer distance than the length of the supplied power cord, contact an electrician to install a wall socket within the range of the supplied power cord.![]()
The unit must be disconnected from the power source whenever performing service or maintenance functions. All earthing requirements stipulated by the local electricity authorities must be observed. The unit plugs and wall socket should then give correct earthing. If in doubt, contact your local supplier or authorized electrician.
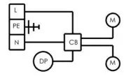
CB‐ control box
DP‐control panel
M‐liner actuators electric![]()
Operation
The height adjustment function can only be activated from the control panel that is fitted to the underside of the table top (see Fig. 3). The panel has two buttons. The table has no on/off switch and can only be switched off at the mains contact. Press and hold
to increase the height of the unit and to
decrease it. The table can be stopped at all levels.
Fig. 3. Setting height of the electric height adjustable table
Maintenance and cleaning
![]()
Always disconnect the equipment before cleaning.
Wipe the interior metal surfaces with a paper towel to remove any remaining food debris. Clean interior with a damp cloth or sponge and any good commercial detergent at the recommended strength. Clean the stainless steel by using a soft cloth and mild soap solution. If it is not sufficient, try a non- abrasive liquid stainless steel polish. The equipment should be checked before it is put into operation again. Be sure they are completely rinsed away with clear water, immediately after cleansing. Chemical residue could corrode surface of unit. For the external maintenance, use stainless steel polish.
Cleansing agents containing chloride or compounds of chlorine as well as other corrosive means, may not be used, as they might cause corrosion to the stainless panels of the unit. Do not spray outside of unit or controls with liquid or cleaning product. Liquid could enter the electrical compartment and cause a short circuit or electric shock.
To avoid damaging the finish, do not use abrasive materials, scratching cleaners or scouring pads. Always rub along the grain of stainless steel polish.
![]()
BEFORE CLEANING ALWAYS BE SURE THE UNIT IS TURNED OFF.
Spare parts list
| Pos. | Name | Model |
| 1 | Height control panel | Y-EVM |
| 2 | Motor control unit | K-EFLB-2/ K-EFLB-3 |
| 3 | Motor | K-EFLV |
| 4 | Insert square inner | K-KIV-40 |
| 5 | Insert square outer | K-KII-50 |
| 6 | Adjustable stainless steel feet | K-KK-40x40x70-REG |

EC DECLARATION OF CONFORMITY
Adjustable table (Models: D**-R*V, D**-X*V)
- 2006/42/EC “Machinery Directive”;
- 2006/95/EC “Low Voltage Directive”;
- 2004/108/EC “Electromagnetic Compatibility Directive” and is in conformity with the harmonized standards
- EN ISO 12100:2011 / LT EN ISO 12100:2011 “Safety of machinery General principles for design – Risk assessment and risk reduction (ISO 12100:2010)”. EN 1570-1:2011 / LST
- EN 1570-1:2012 “Safety requirements for lifting tables Part 1: Lifting tables serving up to two fixed landings”;
- EN 1672-2:2005+A1:2009/LST EN 16722:2005+A1:2009 “Food processing machinery. Basic concepts Part 2: Hygiene requirements”;
- EN 60335-1:2002 / LST EN 1:2003 “Household and similar electrical appliances. Safety. Part 1: General requirements (IEC 60335 1:2001, modified)”.
WARRANTY CERTIFICATE
This warranty certificates that:
- The seller provides warranty for all of the equipment against defects in materials and workmanship for a period of 1 year from the date of shipment, if the product was used according all the exploitation recommendations;
- The seller does not guaranty the normal working of the product, if the voltage is lower than 210 V and upper than 240 V.
Notes regarding warranty maintenance:
- The seller shall sign Warranty Certificate and give User Manual during the purchase;
- The product shall be used in accordance to the User Manual;
- The buyer shall give this Warranty Certificate duly completed – date of shipment, the seller’s sign and seal must be on it for warranty maintenance;
- Faulty parts shall be returned to the seller for inspection.
The warranty does not cover:
- Mechanical damages, including those, caused during the delivery;
- If the product was plugged in without earthing and relay of outflow current;
- If damage occurs from improper installation, misuse; incorrect voltage supply, wear and tear from normal usage, accidental breakage;
- If the equipment is operated contrary to the user instructions;
- If the damage occurs due to natural disasters, fire;
- If repair service was made by unauthorized person;
- Any expenses in connection with the installation or costs of making adjustments (including service procedures, travel time costs) on the equipment to comply with the supply at the point of installation and are not covered by this warranty.
Date of Shipment …………………………
Seller ………………………………………….
shop.procleanroom.com [email protected] +31 (0)40 209 40 24 11



Fig.1. Example of the nameplate

















