GROTHE Croma 100A Electronic Wired Doorchime Instruction Manual
Dear Customer
In purchasing this equipment you have acquired a quality product which we have developed and manufactured for you with the greatest care and with the greatest possible precision. Statutory warranty rights apply. Defects caused byinexpert handling, using the equipment for a purpose other than that for which it is intended or disregarding the instructions for operation and installation shall be excluded from this warranty.
Using the product for its intended purpose
- The products described here are intended solely as ringing or signalling systems.
- Do not expose chime to dripping or sprayed water.
- Never dismantle the chime because high voltages may be present!
INSTALLATION
General
- Please note that installation and assembly of electrical equipment should only be undertaken by a qualified electrician!
- Nationally specific regulations on electrical installation work must be observed.
- Before starting installation ensure that the circuit is isolated from the supply by withdrawing the circuit fuse or circuit breaker.
- The corrugated structure on the back can be used as a cable duct!

Mounting / Attachment
- Remove cover as shown in fig. 1
- To fix with screws, suspend from A and screw at apertures B!

Voltage supply with batteries
- 4×1,5V (type LR14/C, alkaline battery). Pay attention to the correct polarity!
Safety advice for voltage supply with batteries:
Do not expose batteries to excessive heat ! (e.g. strong insolation, fire or suchlike)

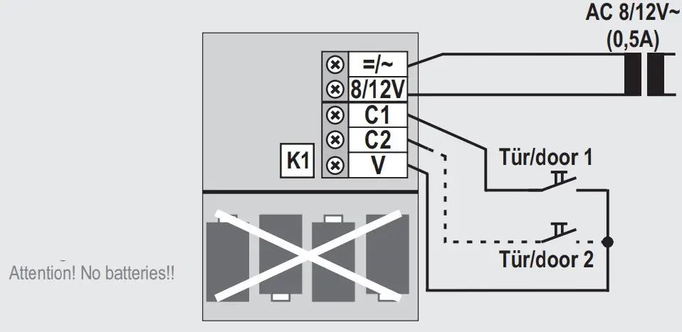
Voltage supply with =/~8-12V (0,5A)
- via terminal as shown in fig. 3a
- Use cable penetration “K1”
- ATTENTION! Only use certified transformers in accordance with EN 61558-2-6 /-2-8!

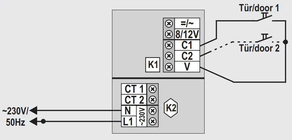
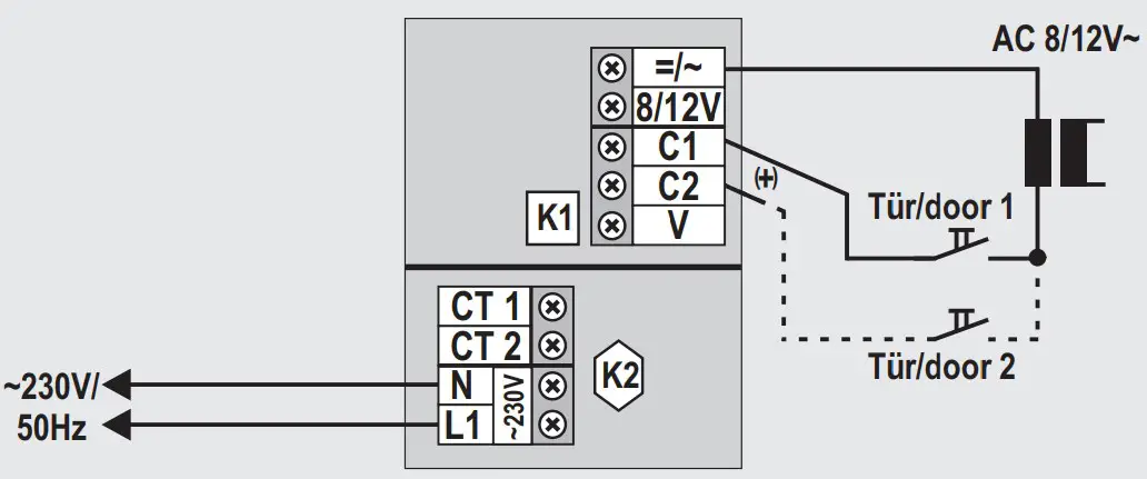
Voltage supply with ~230V (50Hz)
- Via terminal as shown in fig. 3.
- Before connection remove cover as shown in fig. 3b and unscrew/ remove the protection cap as shown in fig. 3c.


- Use cable penetration “K2”
- After connection fix protection cap again!

Connection of the bell pushbutton (dial tone actuation)
- The ring tone can always be actuated, regardless of the power supply, by the following different types of connection: !(2) with 8-12V=/~, as in circuit diagrams B, D. For DC voltage “+” must be connected to C1 or C2!

- (1) with a floating contact, as in Fig. 4a and circuit diagrams A and C.

- (3) with 230V~, as in Fig. 4b and circuit diagram G.

Caution! Use only suitable 230V pushbuttons Make absolutely certain that the barrier is installed and screwed down again following installation according to Figs. E to H! - For all types of connection, two channels (“Channel” C1/C2 and “Channel” CT1/CT2) are available for call discrimination.
Trigger Mode
- Two trigger modes are applicable for both channels:
- continous operation: as long as the button is pushed, the bell will repeat the melody
- singular operation: the bell is playing the melody only once, after pushing the button.
- hold the key T1 unless LED 4 flashes once.
- flashing LED 4 means singular operation.

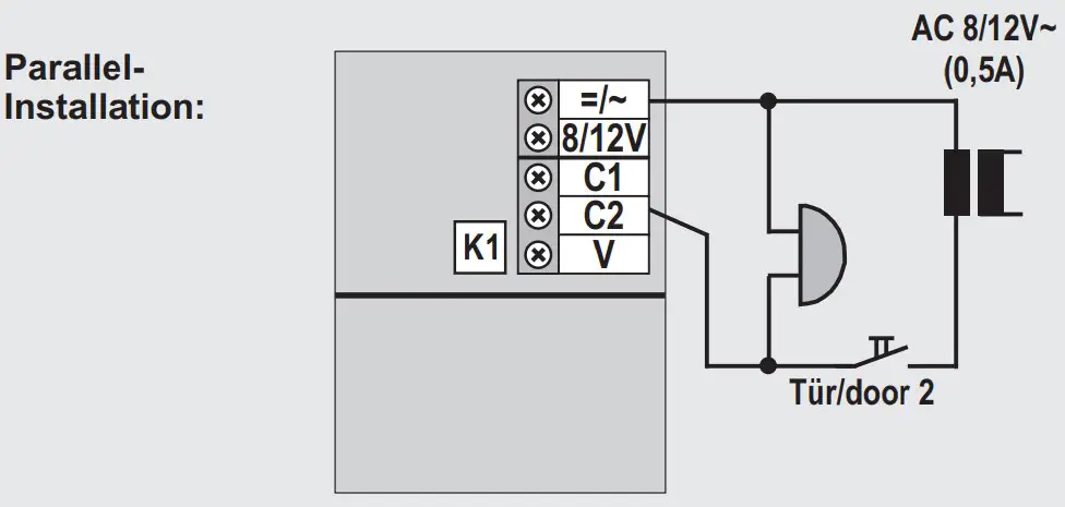
Parallel connection
- For parallel connection, connect terminals with the same designation in parallel as well.
- Parallel connection is also possible as in Fig. 4c to the existing gongs (8-12V~).

INSTALLATION Wiring
- Power supply: Rufton/Start sound: Contact

- Power supply: Start sound: =/~8-12V

- Power supply: =/~8-12V
Start sound: Contact
- Power supply: =/~8/12V
Start sound: =/~8/12V
- Power supply: 230V~ (50Hz)
Start sound: Contact
- Power supply: 230V~ (50Hz)
Start sound: =/~8-12V
- Power supply: 230V~ (50Hz)
Start sound: 230V~ (50Hz)
- Power supply: =/~8-12V
Start sound: =/~8-12V
OPERATION Ring tones / Signals
General
- The gong has two channels to permit call discrimination.
- For Channel 1 a (selectable) melody sounds
- For Channel 2 a (selectable) melody also sounds. Alternatively, you can also select an ALARM function (e.g. for a motion detector). This ALARM function always sounds with maximum loudness.

Adjusting the loudness
- Turn the volume control: soft to loud.
- NOTE: Regardless of the loudness setting, the ALARM function (set with MODE key T1) always sounds with maximum loudness

Selection of melody (MELODY function)
- IMPORTANT! The required melody is always assigned to the bell pushbutton last actuated.

- Actuate the bell pushbutton for which you wish to change the melody.
- Open the cover.
- Continue to press the right key T2 until the required melody is played. The melody selection also includes an ALARM tone (not to be confused with the ALARM function described in the following) for both channels.

Channel 2 MODE (ALARM function)
- This function is interesting if e.g. a motion detector is connected which actuates a melody during the day and an ALARM function overnight.
- This MODE function can only be used with Channel 2 (i.e. for the buttons connected to terminals C2 and CT 2).
- In the normal state, Channel 2 sounds a melody, just as for Channel 1. In this case, the green LED 1 does not flash.
- Actuating button T1 activates the ALARM function. LED 1 then flashes twice at regular intervals.
- Actuating button T1 again switches off Channel 2 altogether. LED 1 then flashes once at regular intervals.
- Actuating button T1 once again restores the normal state (melody). LED 1 then no longerflashes.

Silent Operation (MELODY off-function)
- Continue pressing button T2 for more than 3 seconds, until LED 2 flashes.
- The red warning light LED 2 now flashes as a reminder
- All melodies for Channel 1 and Channel 2 are now silenced.
However, if the ALARM function was previously activated with button T1(see above), this function remains active. - Switch on again by pressing button T2 briefly.

Supply with batteries
- Replacement is required if the ring tone (e.g., DingDong) is followed by 2 short BEEP tones. Depending on the equipment version, the yellow control LED “LowBatt RX” flashes on the bell. For units equipped with two flash LEDs on the front door, both these LEDs flash.

- The typical lifespan with normal use is approx. 5 years.
- Required batteries: 4 x 1.5V, type LR14/C, alkaline.

- Replacement: Open the cover, insert the batteries and close the cover again.
OPERATION Replacing the Battery
General
- If LED 2 flashes twice regularly or the unit no longer functions reliably it is necessary to replace the batteries.
- Dispose of used batteries correctly in accordance with the regulations in
your country! - Do not dispose of used batteries in household refuse!
- Only use batteries of the same type and with the same amount of charge!
- Open cover
- Insert new batteries (4×1.5V, type LR14/C, alkaline battery)
- Close cover.

E-waste does NOT belong in the domestic waste!
E-waste does NOT belong in the domestic waste!
Electrical appliances bearing this mark must be collected separately and reused in an environmentally sound manner (in accordance with the European Waste Electrical and Electronic EquipmentDirective (WEEE) and its transposition into national law), German Act for Electrical and Electronic Equipment, Act on the Sale, Return and Environmentally Sound Disposal of Electrical Equipment and electronic devices (ElektroG)).
Please dispose of unusable or discarded electrical appliances only via the return and collection systems or via the manufacturer or importer.
Technical Data / Information
Approval
- Depending on equipment type, tested in accordance with the respective relevant standards EN 50081, 50082, 55022,
EN 61000-4-2/3/4/5/6-11, DIN EN 60065
Ring tone / Signals
- 17 different ring tones
- Able to distinguish between ring tones
- Max. volume 86 dB(A)
Dimensions
- 191x163x51mm
Voltage Supply: See section on installation
Ambient temperature
- 5°C… 40°C
Contact
Grothe GmbH
Loehestraße 22
D-53773 Hennef
Tel.+49 2242-8890-0
Fax. +49 2242-8890-36
[email protected]













































