Lindab GTI Nozzle Diffuser

Description
GTI is a flexible supply air nozzle that is suitable for the ventilation of large areas. The nozzle can be used for both heated and cooled air and can be adjusted from diffused to concentrated supply air patterns. The supply air pattern can be adjusted by turning the insert in relation to the central line of the nozzle. The nozzle is equipped with Lindab Safe and can be installed directly into a circular duct, fitting, wall or duct side.
- Flexible nozzle for cooling and heating
- Adjustable dispersal pattern
- Simple installation
Maintenance
The visible parts of the diffuser can be wiped with a damp cloth.
Materials and finish
- Insert: Steel
- Connection: Galvanised steel
- Standard finish: Powder-coated
- Standard color: RAL 9003 or 9010, gloss 30
The diffuser is available in other colors. Please contact Lindab’s sales department for further information.
Order code

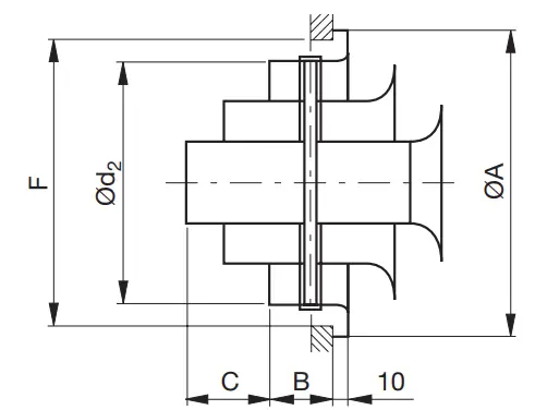
Dimensions
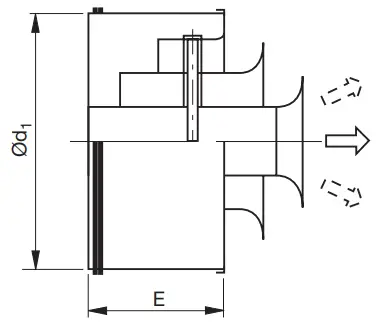
Installation 0

Diffused supply air – for installation in a circular duct or fitting. Supplied adapted to this form of installation as standard.
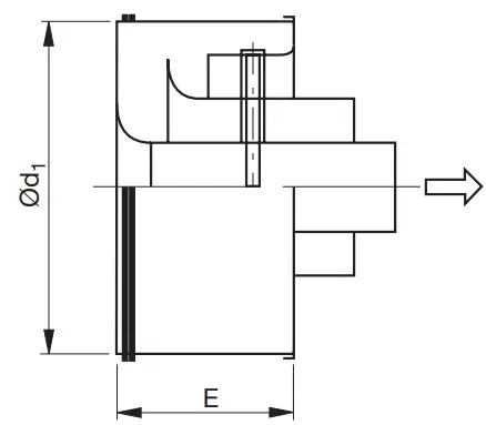
Installation 1

Concentrated supply air – for installation in a circular duct or fitting. The insert is turned 180 degrees.
Installation 2

Diffused supply air – for installation in a wall or duct side. Remove the external pipe.
| Size | ØA mm | B mm | C mm | Ød1 mm | E mm | F mm | Ød2 mm | Weight kg |
| 200 | 203 | 40 | 55 | 198 | 109 | 170 | 158 | 0,8 |
| 250 | 253 | 50 | 75 | 248 | 139 | 210 | 198 | 1,3 |
| 315 | 318 | 60 | 95 | 313 | 169 | 260 | 248 | 2,0 |
| 400 | 403 | 70 | 115 | 398 | 199 | 321 | 313 | 2,8 |
Technical data
Capacity
Volume flow qv [l/s] and [m3/h], total pressure Δpt [Pa], throw l0.3 [m] and sound power level LWA [dB(A)] can be seen in the diagrams.
Throw l0.3
Throw l0.3 can be seen in the diagrams for isothermal air at a terminal velocity of 0.3 m/s.
Resulting sound effect level
The sound effect level from the nozzles must be added logarithmically to the sound effect level from the flow noise in the duct. See sample calculation, section Nozzle calculations.
The frequency-related sound effect level
The sound effect level in the frequency band is defined as LWA + Kok Kok values are given in charts beneath the diagrams on the following pages.
Table 1 – diffused supply air
| Centre frequency Hz Size 63 125 250 500 1K 2K 4K 8K | ||||||||
| 200 | 15 | 0 | -5 | -6 | -2 | -10 | -22 | -32 |
| 250 | 13 | -3 | -6 | -6 | -1 | -14 | -14 | -33 |
| 315 | 16 | -1 | -6 | -2 | -3 | -15 | -26 | -35 |
| 400 | 14 | -1 | -3 | 0 | -5 | -16 | -27 | -32 |
Table 2 – concentrated supply air
| Centre frequency Hz Size 63 125 250 500 1K 2K 4K 8K | ||||||||
| 200 | 14 | 0 | -3 | -4 | -2 | -13 | -27 | -37 |
| 250 | 16 | -3 | -6 | -4 | -2 | -16 | -25 | -28 |
| 315 | 18 | -1 | -5 | -2 | -3 | -16 | -29 | -40 |
| 400 | 15 | -4 | -6 | -4 | -2 | -21 | -34 | -38 |
Air jet width bh
- Diffuse
- Concentrated

Diffuse supply

Concentrated supply

Resulting sound effect level
To calculate the resulting sound effect level from the nozzles, add the sound effect level from the nozzles (LWA nozzle) and the sound effect level from the flow noise in the duct (LWA duct) logarithmically.
Diagram 1, sound effect duct, LWA duct.

Diagram 2, addition of sound levels.
Difference to be added to the highest dB value (dB).

Sample calculation:
- LAD-200 q = 100 l/s
- ΔPt nozzle 90 Pa
Duct size:
In order to achieve a sensible distribution of the air out to the nozzles without using a damper, it is recommended that the pressure loss in the nozzle be 3 times higher than the dynamic pressure in the duct system.
- Selected duct dimension: Ø 400
- Number of nozzles at joint: 6
- Volume of air in the duct: 6×100 = 600 l/s
- LWA duct (can be seen in diagram 1): 43 dB(A)
- LWA nozzle (can be seen in product diagram): 37 dB(A)
- Difference between db values: 6 dB(A)
- Value to be added to the highest dB value (diagram 2): 1 dB(A)
Resulting sound effect level: 43 +1 = 44 dB(A)
Extension of throw for two nozzles, positioned side by side:
If two nozzles are positioned next to each other, the air jets will be amplified, thereby extending the throw. To calculate this, use the diagram below, in which the distance between the nozzles is designated D. The calculation factor K4 must be multiplied by the throw l0.3. The throw is not extended further with more nozzles.

Sample calculation
- LAD-125. Distance D = 1.5 metres.
Volume of air: q = 15 l/s - Diagram throw under selected nozzle
Specified throw: l0.3 = 7 m
D [m] / l0.3[m]: 1.5 / 7 = 0.21 - K4 calculation factor
Can be seen in the diagram: K4 = 1.25 - Resulting throw
K4 x l0.3 = 1.25 x 7 m = 8.75 m
Supply air with cooled air

Supply air with heated air


Sample calculation: Cooled air
- LAD-200: q = 400 m3/h
- Δt = 6K α = 30°
- Final velocity vx = 0,3 m/s

Sample calculation: Heated air

Calculation factors

| LAD | |||||||
| 125 | 0.0029 | 0.037 | 0.133 | 3.9 | 0.30 | 0.24 | 0.86 |
| 160 | 0.0071 | 0.023 | 0.083 | 15.6 | 1.20 | 0.122 | 0.44 |
| 200 | 0.0095 | 0.020 | 0.072 | 24.0 | 1.85 | 0.097 | 0.35 |
| 250 | 0.0165 | 0.0153 | 0.055 | 54.4 | 4.2 | 0.064 | 0.230 |
| 315 | 0.0254 | 0.0122 | 0.044 | 104 | 8.0 | 0.046 | 0.166 |
| 400 | 0.0398 | 0.0097 | 0.035 | 206 | 15.9 | 0.033 | 0.119 |
| DAD | |||||||
| 160 | 0.0056 | 0.026 | 0.094 | 10.7 | 0.83 | 0.145 | 0.52 |
| 200 | 0.0095 | 0.020 | 0.072 | 24.0 | 1.85 | 0.097 | 0.35 |
| 250 | 0.0154 | 0.0157 | 0.057 | 49.0 | 3.78 | 0.068 | 0.24 |
| 315 | 0.0240 | 0.0127 | 0.046 | 96.0 | 7.41 | 0.048 | 0.17 |
| GD | |||||||
| 0.0027 | 0.038 | 0.137 | 3.5 | 0.27 | 0.26 | 0.92 | |
| GTI-1 | |||||||
| 200 | 0.0200 | 0.0090 | 0.032 | 114 | 8.8 | 0.048 | 0.173 |
| 250 | 0.0310 | 0.0073 | 0.026 | 219 | 16.9 | 0.034 | 0.122 |
| 315 | 0.0490 | 0.0058 | 0.021 | 435 | 34 | 0.024 | 0.086 |
| 400 | 0.0780 | 0.0046 | 0.017 | 875 | 68 | 0.017 | 0.062 |
Vertical supply air with heated air


Lindab reserves the right to make changes without prior notice 2021-02-09
Most of us spend the majority of our time indoors. The indoor climate is crucial to how we feel, how productive we are and if we stay healthy. We at Lindab have therefore made it our most important objective to contribute to an indoor climate that improves people’s lives. We do this by developing energy-efficient ventilation solutions and durable building products. We also aim to contribute to a better climate for our planet by working in a way that is sustainable for both people and the environment.




















