SPECTRACOOL
Slim Fit Air Conditioners (Surface-Mount Units Only)
Quick Start Operation Guide
NOTE: Refer to the instruction manual for all other installation and safety information
HANDLING AND TESTING THE AIR CONDITIONER
Inspect the air conditioner and verify correct functionality before mounting the air conditioner.
CAUTION
Do not attempt to operate the air conditioner while it is horizontal or on its side, back or front. The refrigeration compressor is filled with lubricating oil. This will cause permanent damage to the air conditioner and voids the warranty.
If the air conditioner has been in a horizontal position, be certain it is placed in an upright, vertical or mounting position for a minimum of five (5) minutes before operating.
ELECTRICAL INSTALLATION
Refer to the nameplate for proper electrical current requirements, and then wire the unit to a properly grounded power supply using copper conductors only. Power supply wiring should be restrained after field installation to ensure no contact with internal fan.
Minimum circuit ampacity should be at least 125% of the amperage, and +/- 10% of the voltage, shown on the unit nameplate.
No other equipment should be connected to this circuit to prevent overloading.
Use a higher ampere rated circuit breaker, or time-delay fuse, that is closest to the nominal ampere rating of the air conditioner, or sum of the individual component ampere ratings, to protect system electrical circuits from short circuit or overload.
- Loosen the screw on the evaporator access panel and remove the power access panel, see Figure 1
- Route the power supply wire through the strain relief.
- Connect the wire to the terminal block per the label.
- Reinstall the power access panel and screw.
- Tighten the screw on the strain relief to secure the supply wire, see Figure 2.
- For optional 3-phase operation, ensure the proper phase connection order by observing the phase monitor green light.

Immediately after applying power, the evaporator blower (enclosure air) should start running.
Operate the air conditioner with the compressor running for five (5) to ten (10) minutes. You will need to set the cooling controller set point below the ambient temperature to operate the compressor.
Condenser air temperatures should be warmer than normal room temperatures within a few minutes after the condenser impeller(s) starts.
If electrical power to the air conditioner is interrupted and reapplied, the compressor may take up to five (5) minutes to restart due to the high back pressure of the compressor.
DOOR SWITCH
The door switch terminal block on the back of the unit includes a jumper that is used only if the door switch option is not used. Several door switches may be connected in series and operated on one cooling unit. The door switch only supports a floating connection, no external voltages. Remove the jumper from terminals 3 and 4 of the connector, and connect the door switch to the two terminals if the door switch is available.
SURFACE MOUNTING
CAUTION
Air conditioner must be in upright position during operation.
- Using the mounting gasket kit provided with the unit, install gasket to the air conditioner, see Figure 3.
- See Figure 5 or Figure 6 or Figure 7 or Figure 8 or Figure 9 for the enclosure cutout diagrams, depending on the unit being installed.
- Screw the supplied grub screws into the blind nuts on the rear of the unit, see Figure 4.
- Secure the unit using the supplied washers and nuts.
- Mount the air conditioner to the enclosure being careful not to damage the mounting gasket. The mounting gasket is the seal between the air conditioner and the enclosure. Avoid dragging the air conditioner on the enclosure with the mounting gasket attached as this could cause rips or tears in the gasket.
- Allow unit to remain upright for a minimum of five (5) minutes before starting.

SMART CONTROLLER
The controller is wired and programmed at the factory to be energized when power is applied to the air conditioner. Adjust the controller to the desired cabinet temperature.
The factory default cooling differential for controllers that are set-up for °C, or for °F, are as follows:
| Cooling Set-point | Turn-on | Turn-off |
| 35°C | 35°C | 30°C |
| 80°F | 87°F | 80°F |
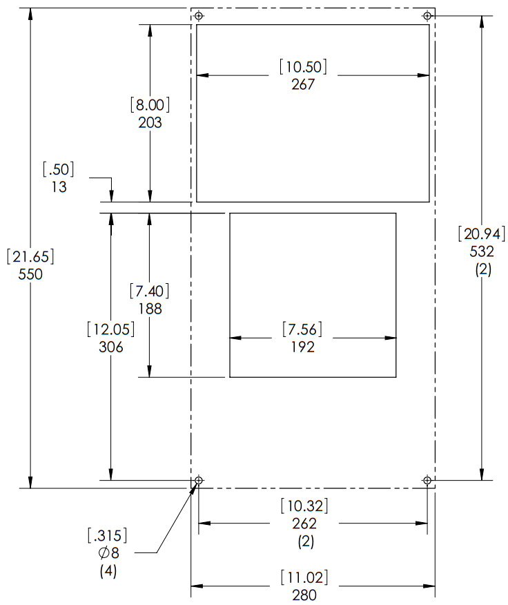
Figure 5
S06 300W SURFACE-MOUNT CUTOUT
DASHED LINES REPRESENT THE AIR CONDITIONER
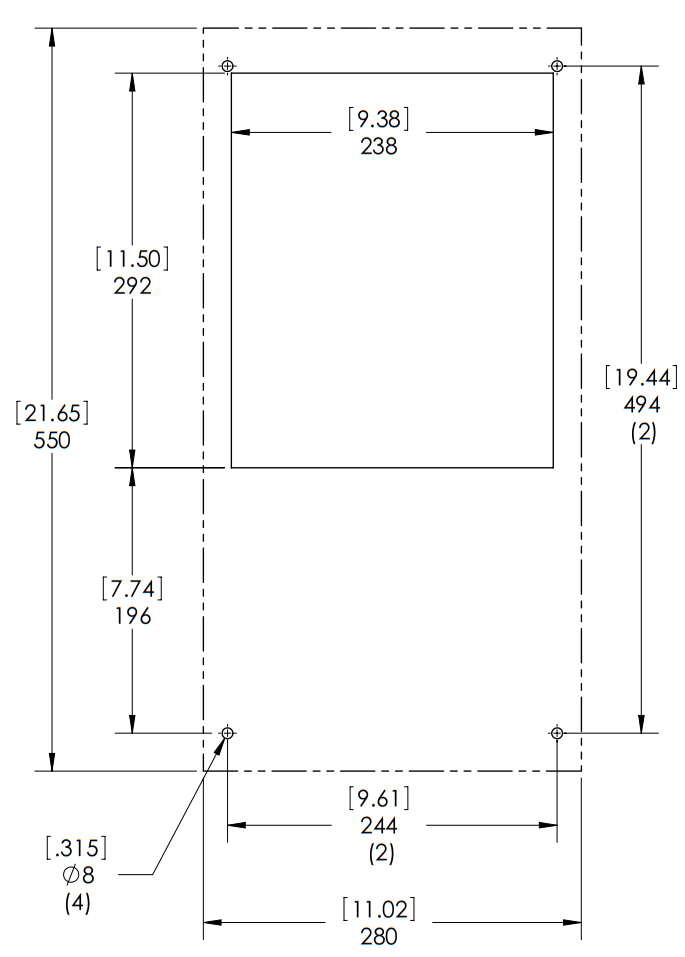
Figure 6
S06 500W SURFACE-MOUNT CUTOUT
DASHED LINES REPRESENT THE AIR CONDITIONER
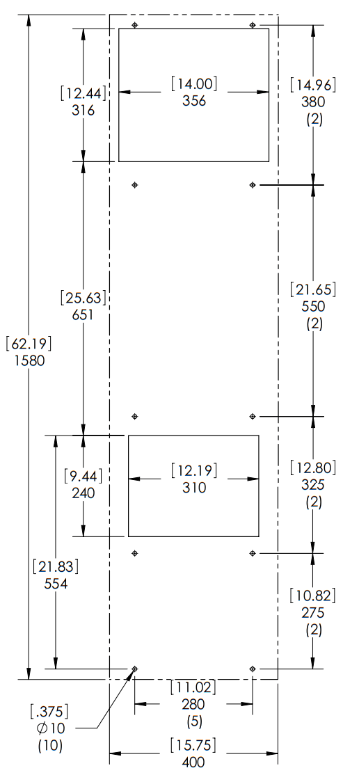
Figure 7
S10 1000/1500W SURFACE-MOUNT CUTOUT
DASHED LINES REPRESENT THE AIR CONDITIONER
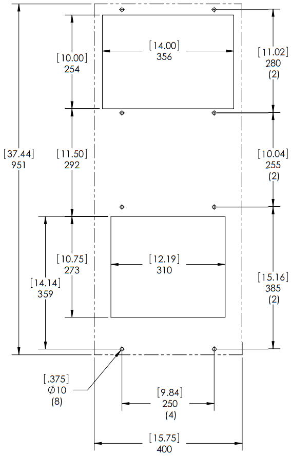
Figure 8
S16 2000/2500W SURFACE-MOUNT CUTOUT
DASHED LINES REPRESENT THE AIR CONDITIONER
Figure 9
S16 4000W SURFACE-MOUNT CUTOUT
DASHED LINES REPRESENT THE AIR CONDITIONER
© 2022 nVent
P/N 89113978 89113977
PH 763 422 2211
nVent.com



















