

EVANESCENCE ® ADDENDUM to the OWNER’S MANUAL
IMPORTANT INFORMATION FOR THE INSTALLER
AND THE OWNER
INCLUDED: FREESTANDING EVANESCENCE BATHS INSTALLATION INSTRUCTIONS
EVANESCENCE | INSTALLATION INSTRUCTIONS
| A. PARTS INCLUDED | |
| A-1 | Floor anchoring |
| A-2 | Installation template |
| B. TOOLS REQUIRED | |
| B-1 | 48-inch level |
| B-2 | Caulking gun |
| B-3 | Silicone |
| B-4 | Saw |
| B-5 | ABS & PVC Glue |

Evanescence Freestanding models require a 13” x 14” (33 cm X 36 cm) compartment for the drain, distance air inlet, and space for control cables and options. Refer to the installation template.
ACCESS AND AIR INLET
For these models, the turbine is not installed on the bathtub.
Determine a location near the bathtub at a maximum distance of 15 feet or (4.6 metres) under the floor, in a cabinet or any other location to conceal the turbine and optional accessory casings. The location chosen must also be accessible and allow sufficient air intake for the turbine. (Refer to the TURBINE – remote mounting INSTALLATION
section of the Owner’s Manual)
| 1. LOCATION | |
| 1-1 | Place the installation template on the ground at the chosen location. |
| 1-2 | Align the position of the overflow drain with the floor drain and ensure that the compartment size corresponds to requirements. |
| 1-3 | Mark the location of the anchor point screws. |
| 1-4 | Remove the installation template and screw in the anchor points in the marked locations. |
| 2. INSTALLATION OF BATH | |
| 2-1 | Assemble the drain on the bathtub. Use the overflow assembly provided for the junction to the drain T-joint. Ensure watertightness. This operation is much easier to complete when the bathtub rests on its side. Place a cover or protective cardboard on the floor before positioning the bathtub on its side. |
| 2-2 | If necessary, cut the overflow pipe to the desired length, and glue it to the PVC connector and to the drain. |
| 2-3 | Apply a joint of silicone under the edge of the base of the bathtub. |


Installation Template

Evanescence Oval 5936

Evanescence Oval 6636 & 7440

| 2-3 | Install the bathtub on the anchor pointsfastened to the floor and immediately wipeaway any excess silicone. Connect the drain. |
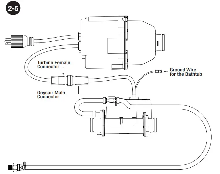
| 2-4 | Install the turbine according to the instructions in the TURBINE – REMOTE MOUNTING INSTALLATION section of the Owner’s Manual. The air inlet is located to the right of the bathtub drain and, if applicable, control and option connection cables to the right. Connect control and option cables if applicable. For Geysair-equipped baths, also run the water hose and electrical wiring through the floor. |
| 2-5 | For Geysair-equipped baths, connect the Geysair electrical wire supplied with the male connector with the turbine cable equipped with the female connector. Test for grounding continuity between the bath grounding terminal |

Evanescence 6634

Evanescence Oval 5936, 6636 & 7440

NOTE
• To install the Evanescence Freestanding on a concrete slab with no place for the passage of the air inlet pipe to the bathtub: drill a hole 1 5/8 inches in diameter in the
skirt.
IMPORTANT: Drill the hole 1 1/2 inches above floor level and protect the bathtub with a piece of wood placed behind the location to be drilled.
1 800 463.2187
From 8 a.m. to 6 p.m. Monday to Thursday (EST) . From 8 a.m. to 5 p.m. on Friday (EST)
Printed in Canada. Copyright © March 2021 Bains Ultra Inc. All rights reserved. 45200599
















