Charge Amps Pole Mount

Respect the environment! Must not be discarded with household waste! This product contains electrical or electronic components.
Leave the product for separate collection and proper treatment at a designated location e.g. the local authority’s recycling station.
Approved in conformity with the relevant EU directives and UK legislation.
Neglecting to follow and carry out the directions, instructions and safety precautions in this Installation Manual implies that any warranty provisions will be cancelled and that Charge Amps can reject any and all claims for compensation in connection with any injuries/damage or incidents – direct or indirect – that are a result of such negligence.
Charge Amps does not give any warranties as to the accuracy or completeness of this document and shall have no liability for the consequences of using such information. The manufacturer reserves the right to make changes to information published in this document without notice. Visit www.chargeamps.com for the latest document releases.
© Copyright Charge Amps AB. All rights reserved. Copying, amending and translating are strictly forbidden without prior written approval from Charge Amps AB.
Safety
Warning Read all the instruction before use
- The product must only be installed by a qualified electrician in accordance with the Installation Manual.
- National usage requirements and restrictions apply.
- Inspect the product for visible damage before use.
- Never attempt to repair or use the product if it is damaged.
The product must only be repaired by a qualified electrician. - Make sure to switch the power off at the main switch before installation or service. Improper use may create a risk of personal injury.
- Make sure all cables are correctly fastned.
- Double check all screw terminals after installation.
- Avoid combustible materials to be used in the product.
- Never attempt to disassemble the product in any other way than described in this manual.
Technical Data
| Rated voltage (Un) | 230/400 V |
| Rated insulation voltage (Ui) | 250/400 V |
| Rated impulse withstand voltage (Uimp) | 4 kV |
| Rated frequency (fn) | 50 Hz |
| Rated current (In) | 64/32 A |
| Rated diversity factor (RDF) | 1 (can be lowered if used together with a load balancing functionality) |
| Pollution degree | 3 |
| Types of earthing system for which the assembly is designed | TN, TT, IT |
| IP code | IP44 |
| IK code | IK10 |
| Measures for protection against electric shock | Class I |
| Dimensions (W x D x H) | 215 x 188 x 512 mm |
| Weight | 4.1 kg |
| Incoming cable dimensions | Cu 0.5 – 16 mm2 |
Product Overview
Package contents
Charge Amps Pole Mount Charge Amps Dawn
Charge Amps Pole Mount – Dual – Charge Amps Dawn
Installation




N.B. Charge Amps Cable Holder and screws are not included in the package for Charge Amps Pole Mount.


N.B. If applicable, install the LAN cable
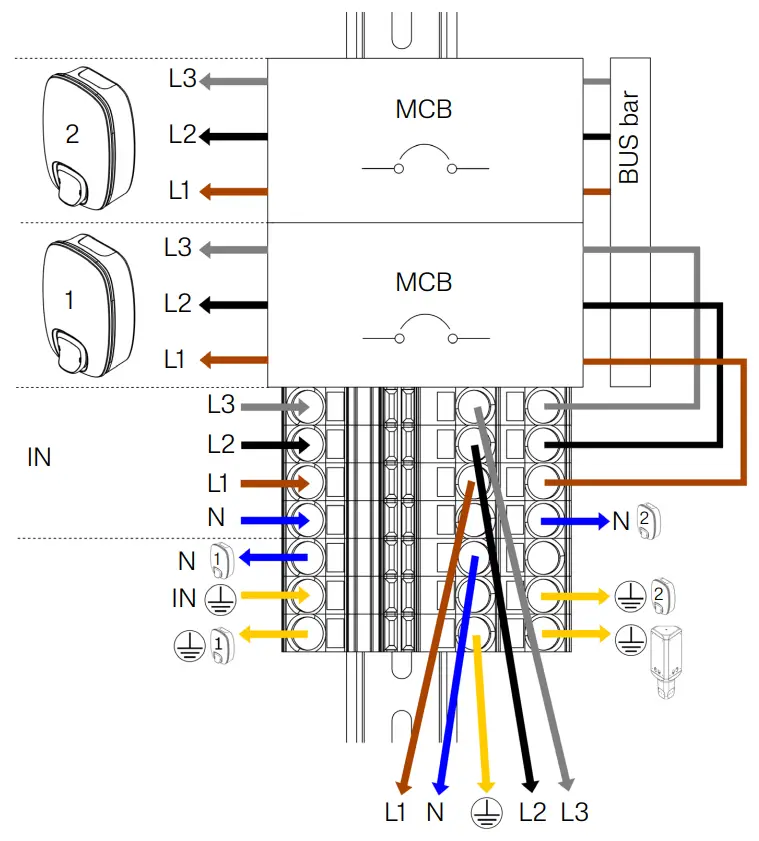
Cable Connection Overview
N.B. Check the cable connection below before proceeding with connecting the cables








Customer Support
chargeamps.com
Charge Amps AB (publ)
Frösundaleden 2B, 8th floor
SE–169 75 Solna, Sweden
Charge Amps UK Ltd
4th Floor, 3 More London Riverside
London SE1 2AQ, United Kingdom


















