AIMS POWER GEN6600W240VS Portable Inverter Generator

SAFETY INFORMATION
EXHAUST FUMES ARE POISONOUS
- Never operate the engine in a closed area or it may cause unconsciousness or death within a short period of time. Operate the engine in a well ventilated area.
FUEL IS HIGHLY FLAMMABLE AND POISONOUS
- Always turn off the engine when refueling.
- Never refuel while smoking or around an open flame.
- Take care not to spill any fuel on the engine or muffler when refueling.
- If you swallow any fuel, inhale fuel vapor, or if fuel vapor comes in contact with your eyes, seek medical assistance immediately. If any fuel spills on your skin or clothing, immediately wash with soap and water and change your clothes.
- When operating or transporting the generator, be sure it is kept upright. If it tilts, fuel may leak from the carburetor or fuel tank.
ENGINE AND MUFFLER MAY BE HOT
- Place the generator in a place where passers-by or children are not likely to touch the generator.
- Avoid placing any flammable materials near the exhaust outlet during operation.
- Keep the generator at least 3 feet from buildings and other equipment, or the engine may overheat.
- Avoid operating the engine with a dust cover.
- Be sure to carry the generator only by its carrying handle.
- Put the generator on the flat ground, allowing the generator to vent heat freely.
ELECTRIC SHOCK PREVENTION
- Never operate the generator in rain or snow.
- Never touch the generator with wet hands or electric shock may occur.
- Be sure to ground (earth) the generator.
NOTE:
Use ground (earth) lead of sufficient current capacity.
Diameter: 0.12mm (0.005 in)/ampere
EX: 10 Ampere –1.2mm (0.055 in)

CONNECTION NOTES
- Do not connect the generator to commercial power outlet.
- Do not connect the generator in parallel with any other generator.
CONTROL & FEATURES

- Spark plug
- Fuel tank
- Fuel tank cap
- Fuel filter
- Carrying handle
- Fuel level gauge
- Muffler
- Battery
- Air filter
- Brake lever
- Wheel
- Oil filler cap
- Oil drain plug
- AC pilot light
- Overload indicator light
- Oil warning light
- Engine switch
- DC receptacle
- DC protector
- USB Output
- AC receptacle 5-20R GFCI
- Ground (earth) terminal
- AC receptacle L14-30R 120/240V
- Auto gen start
- AC protector
- Voltmeter
- Fuel cock
- Output reset
- Economy control switch
OIL WARNING SYSTEM
When the oil level falls below the lower level, the engine stops automatically. Unless you refill with oil, the engine will not start again.

ENGINE SWITCH
The engine switch controls the ignition system. FIG.3
- RUN (on)
Ignition circuit is switched on. The engine can be started. - STOP
Ignition circuit is switched off. The engine will not run. - START
Starting circuit is switched on. The starter motor starts.

ECONOMY CONTROL SWITCH
When the economy control switch is turned “ON”, the economy feature controls the engine speed according to the connected load. The fuel consumption is more efficient and less noise.

DC CIRCUIT PROTECTOR
The DC circuit protector turns off automatically when the load exceeds the generator rated output.
CAUTION:
- Reduce the load to within specified generator’s rated output if the DC circuit protector turns off.
FUEL COCK
The fuel cock is used to supply fuel from the tank to the carburetor.

BRAKE LEVER
The function of brake lever is to protect generator from moving.

- If the brake lever is not on, the generator can move.
- If the brake lever is on, the generator can’t move.
OUTPUT RESET
Push reset button for 2 seconds, the generator will recover the AC output when the generator stop producing AC output under overload protect.

NOTE:
Reduce the load on the generator to ensure that the total load is within the generator’s rated output power.
AUTO GEN START
The auto gen start controls the ignition system.

- When the circuit of this plug is connected, the starter motor starts and runs the generator.
- When the circuit of this plug is disconnected the engine will stop
PRE-OPERATION CHECK
NOTE
- Pre-operation checks should be made each time the generator is used.
CHECK ENGINE FUEL
- Make sure there is sufficient fuel in the tank.

- If fuel is low, refill with unleaded gasoline.
- Be sure to use the fuel filter screen on the fuel filter neck.
- Recommended fuel: Unleaded gasoline.
- Fuel tank capacity:
WARNING:
- Do not refill tank while engine is running or hot.
- Close fuel petcock before refueling.
- Be careful not to allow dust, dirt, water or other foreign objects into fuel.
- Do not fill above the top of the fuel filter or it may overflow when the fuel heats up and expands.
- Wipe off spilt fuel thoroughly before starting engine.
- Keep away from open flames.
CHECK ENGINE OIL
Make sure the engine oil is indicated by dip stick at the upper level of the oil filler hole. Add oil as necessary.

- Remove oil filler cap and check the engine oil level.
- If oil level is below the lower level line, refill with suitable oil to upper level line. Do not screw in the oil filler cap when checking oil level.
- Change oil if dirty.
Oil capacity: - Recommended engine oil: 10W-30
API Service SJ

GROUND (Earth)
Make sure to ground (earth) the generator.

CONNECT BATTERY
- Loosen the screw and remove the battery cover.

- Clamp the red wire to the positive (+) terminal and the black wire to the negative (-) terminal of the battery. Do not reverse the polarity.
- Be sure the battery is installed on the battery mount tray securely.
- Install the cover and tighten the screw.
NOTE:
- Recommended battery: 12V18AH
OPERATION
NOTE:
- The generator has been shipped without engine oil. Fill with oil or it will not start.
- Do not tilt the generator when adding engine oil. This could result in overfilling and damage to the engine.
STARTING THE ENGINE
NOTE:
- Before starting the engine, do not connect electric appliance.

- Electric start
- Turn the fuel cock lever to the ON position.

- Pull out manual choke lever
- Turn the engine switch to the START position.

- Turn the engine switch to the RUN position.

- Warm up the engine without a load for a few minutes.
- Push in manual choke lever
- Turn the fuel cock lever to the ON position.
- Auto start
- Make sure the fuel cock valve to the ON position.
- Make sure the engine switch to the RUN position.
- Connect the cable to Auto Gen Start plug, as soon as the generator receives the start signal, the generator will start. If the generator does not start successfully, it will try to start again. Generator will disconnect the circuit when the generator does not start after three times.

USING ELECTRIC POWER
- AC APPLICATION
- Check the AC indicator light for proper voltage.
- Turn off the switch(es) of the electrical appliance(s) before connecting to the generator.
- Insert the plug(s) of the electrical appliance(s) into the outlet.

CAUTION:
- Be sure the electric device is turned off before plugging in.
- Be sure the total load is within generator’s rating.
- Be sure the outlet load current is within outlet’s rated current.
- The economy control switch must be turned to “OFF” when using electric devices that require a large starting current, such as a compressor or a submersible pump.

OVERLOAD INDICATOR LIGHT
The overload indicator light comes on when overloaded, short circuit, or voltage is out of operating tolerance, or the AV output voltage rises. The electronic breaker will then activate, stopping power to the generator in order to protect the generator and any connected electric devices. The overload indicator light (red) will flicker and then keep on, the generator will stop power output. If so please follow the following steps:

- Reduce the total wattage of connected electric devices within the application range.
- Check for blockages in the cooling air inlet and around the control unit. If any blockages are found, remove.
- Press the “RESET” button to reset the output.

CAUTION:
- The generator AC output automatically resets when the engine is stopped and then restarted.
- The overload indicator light may come on for a few seconds at first when using electric devices that require a large starting current, such as a compressor or a submergible pump. This is not a malfunction.
DC APPLICATION
12V battery charging only.

- 12V DC socket maybe use to charge cell phones and other small electronics using a 12DC adapter
- When charging batteries, make sure to properly connect the leads to the battery. Do not reverse the polarity.
- If DC breaker has popped or open, disconnect the device then press to reset and reconnect DC device.

CAUTION:
- Be sure the economy control switch is turned off while charging the battery.
STOPPING THE ENGINE
- Turn off the power switch of the electric device or disconnect any electric devices.

- Turn the engine switch to STOP position.

- Turn the fuel cock lever to OFF.

PERIODIC MAINTENANCE
MAINTENANCE CHART
Regular maintenance is important for the best performance and safe operation.
Item | Remarks | Pre-operation check (daily) | Initial 1 months or 20 Hr | Every 3 months or 50Hr | Every 6 months or 100Hr | Every 12 months or 300Hr |
| Spark Plug | Check condition adjust gap and clean. Replace if necessary. | ● | ||||
| Engine Oil | Check oil level | ● | ||||
| Replace | ● | ● | ||||
| Oil filter | Clean oil filter | ● | ||||
| Air Filter | Clean. Replace if necessary. | ● | ||||
| Fuel Filter | Clean fuel cock filter. Replace if necessary | ● | ||||
| Choke | Check choke operation | ● | ||||
| Valve Clearance | Check and adjust when engine is cold. | ● | ||||
| Fuel Line | Check fuel hose for crack or damage. Replace if necessary. | ● | ||||
| Exhaust System | Check for leakage. Retighten or replace gasket if necessary | ● | ||||
| Check muffler screen. Clean / replace if necessary. | ● | |||||
| Carburetor | Check choke operation | ● | ||||
| Cooling system | Check fan damage. | ● | ||||
| Starting system | Check recoil starter operation. | ● | ||||
| Idle speed | Check and adjust engine idle speed | ● | ||||
| Fittings / Fasteners | Check all fittings and fasteners correct if necessary. | ● | ||||
| Crankcase breather | Check breather hose for cracks or damage. Replace if necessary | ● | ||||
| Generator | Check the pilot light comes on | ● |
ENGINE OIL REPLACEMENT
- Place the generator on a level surface and warm up the engine for several minutes. Then stop the engine and turn the fuel cock knob to OFF. Turn the fuel tank cap air vent knob clockwise.
- Loosen the screw and remove the cover.

- Remove the oil filler cap.

- Place an oil pan under the engine. Tilt the generator to drain the oil completely.
- Replace the generator on a level surface.
- Add engine oil to the upper level of dip stick.
- Install the oil filler cap.
- Install the cover and tighten the screw.
- Recommended engine oil:
API Service SJ
CAUTION:
- Be sure no foreign material enters the crankcase.
- Do not tilt the generator when adding engine oil. This could result in overfilling and damage to the engine.
- Change the oil filter every 100hr.
AIR FILTER
Cleaning your air filter needs to be part of your maintenance regime. The air filter ensures that the air entering the combustion chamber is as clean as possible. Contaminated air wears on the engine caused by foreign bodies and a less efficient combustion process.

- Remove the cover.
- Remove the air filter cover and element.
- Wash the element in solvent and dry.
- Oil the element and squeeze out excess oil. The element should be wet but not dripping.
- Insert the element into the air filter.
- Replace the cover.
CAUTION:
The engine should never run without the element; excessive piston and/or cylinder wear may result.
CLEANING AND ADJUSTING SPARK PLUG
- Remove the cover.
- Check for discoloration and remove the carbon.

- Check the spark plug type and gap.
- Replace the spark plug.
- Attach the cover
Standard electrode color: Tan Color
Standard Spark Plug: F5RTC (TORCH)
Spark Plug Gap: 0.6-0.7 mm (0.024-0.028 in)
FUEL TANK FILTER
- Remove the fuel tank cap and filter.

- Clean the filter with solvent. If damaged, replace.
- Wipe the filter and reinsert.
WARNING
- Be sure the tank cap is tightened securely.
MUFFLER SCREEN
WARNING
- The engine and muffler will be very hot after the engine has been run.
- Avoid touching the engine and muffler while they are still hot with any part of your body or clothing during inspection or repair.
- Remove the cover.

- Remove the muffler screen.
- Use a flathead screw driver to pry the spark arrester out from the muffler.
- Remove the carbon deposits on the muffler screen and spark arrester using a wire brush.

- Re-install the muffler screen.
- Re-install the cover
TROUBLE SHOOTING
ENGINE WON’T START
- Fuel systems
- No fuel supplied to combustion chamber.
- No fuel in tank….Supply fuel.
- Fuel in tank….Fuel tank cap air vent knob to “ON”, fuel cock knob to “ON”
- Clogged fuel line….Clean fuel line.
- Clogged carburetor….Clean carburetor.
- Engine oil system
- Insufficient oil
- Oil level is low….Add engine oil.
- Electrical systems
- Poor spark
- Spark plug dirty with carbon or wet….Remove carbon or wipe spark plug dry.
- Faulty ignition system….Consult dealer.
- Compression insufficient
- Worn out piston and cylinder….Consult dealer.
- Generator won’t produce power
- Output breaker safety device (AC) to OFF …Stop the engine, then restart.
- Output breaker safety device (DC) to OFF …Press to reset the DC protector
STORAGE
Long term storage of your generator will require some preventive procedures maintenance to guard against deterioration.
DRAIN THE FUEL
- Remove the fuel tank cap, drain the fuel from the fuel tank
- Remove the cover, drain fuel from the carburetor by loosening the drain screw.
ENGINE
- Remove the spark plug, pour in about one tablespoon of SAE 10W30 or 20W40 motor oil into the spark plug hole and reinstall the spark plug.
- Clean exterior of the generator and apply a rust inhibitor.
- Store the generator in a dry, well-ventilated place, with the cover place over it.
- The generator must remain in a vertical position.
SPECIFICATION
MODEL | GEN6600W240VS – EPA Compliant | |
GENERATOR | Type | Inverter Generator |
AC Voltage | 120/240V | |
| Frequency | 60Hz | |
Max. Output | 6.6 kW | |
| Continuous Output | 6 kW | |
| Power Factor | 1.0 | |
| DC Output | POWER OUTLET 12V / 5.0A / USB 5V/3.1A | |
ENGINE | Model | XY188F-1 |
Type | Air-cooled, 4 cycle, OHV, Gasoline Engine | |
Bore×Stroke mm×mm | 88×64 | |
| Displacement | 389cc | |
Max. Output | 7.2kW / 3600rpm | |
| Fuel | Unleaded Gasoline | |
Fuel tank Capacity | 18.5 liters | |
| Rated Continuous Operation | 4h30min(100% Load) | |
Lubricating oil | SAE 10W30 | |
| Lubricating oil Capacity | 1.1 liter | |
Starting System | Electric Starter | |
| Ignition system | C.D.I. | |
Spark Plug: Type | F5RTC | |
| DIMENSION | Net dimension L×W×H | 29.5×21×25 inches |
Overall dimension L×W×H | 32.5×24.5×27.5 inches | |
| Unit Weight | 191b | |
Boxed Weight | 211.5lb | |
- Specifications subject to change without prior notice.
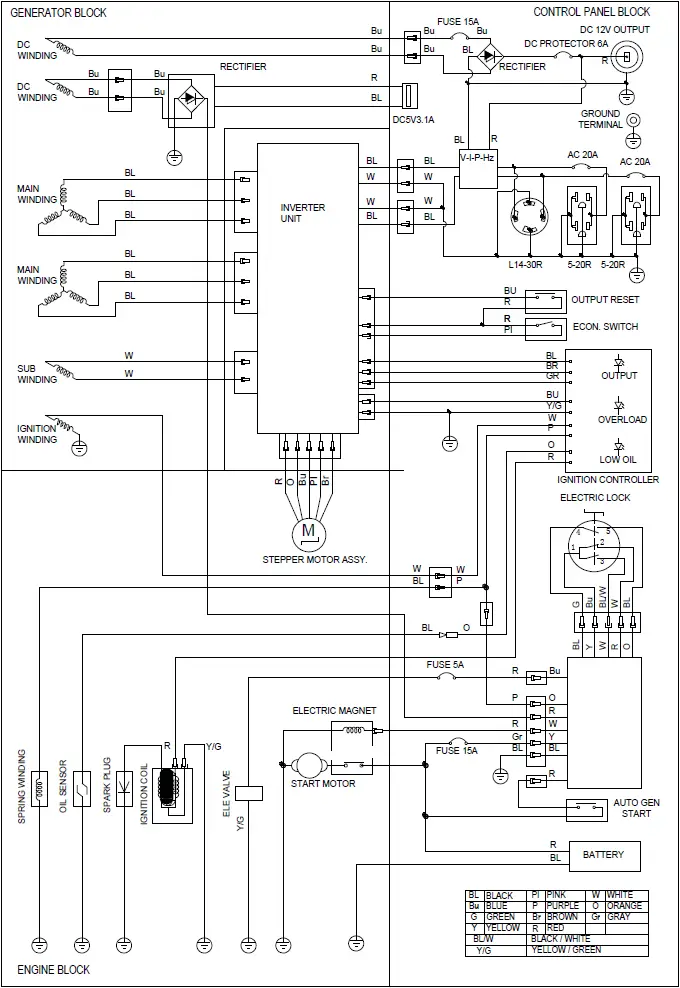
WIRING DIAGRAM






































