6-Channel PA Mixer for 4 Zones
INSTRUCTION MANUAL
PA-6040MPX
Bestell-Nr. • Order No. 0174760
PA-4000PTT
Bestell-Nr. • Order No. 0236000
PA-4000RC
Bestell-Nr. • Order No. 0236010![]()



6-Channel PA Mixer for 4 Zones
These instructions are intended for experts (installation) and for users without any technical knowledge (operation). Please read these instructions carefully prior to operation and keep them for later reference.
All operating elements and connections described can be found on the fold-out page 3.
Control Elements and Connections
1.1 Front side of the PA-6040MPX
- Tone controls BASS and TREBLE, each for input channels CH1 to CH6
- Switches to assign the input to the outputs Z1 to Z4, each for input channels CH1 to CH6
- Signal level indicators 0 /−3 /−8 /−13 dB for the outputs Z1 to Z4 CLIP will light up when the output is overloaded
In this case, reduce the volume of the output with the control (9) or reduce the volume of the inputs with the controls LEVEL (8) - Switches PAGING / PTT Z1 to Z4 to select the outputs for an announcement via the desktop microphone PA-4000PTT or via the input PAGING (26)
- Rotary switch REC / MONITOR to select a zone output signal for the outputs REC (19) and MONITOR (20); position OFF = off
- Volume control LEVEL for the outputs REC (19) and MONITOR (20)
- LED indicators SIG will light up when a signal is available at the input, each for input channels CH1 to CH6
- Volume controls LEVEL, each for input channels CH1 to CH6
- Controls LEVEL for the overall volume, each zone outputs Z1 to Z4
- Volume control LEVEL for an announcement via the desktop microphone PA-4000PTT or via the input PAGING (26)
- Power indicator
- POWER switch Note: The mixer cannot be switched off when the voltage of an emergency power supply is available at the terminals 24 V ⎓ (15).
1.2 Rear side of the PA-6040MPX - Mains jack for connection to a socket(230 V / 50 Hz) via the mains cable supplied
- Support for the mains fuses Always replace a blown fuse with one of the same types.
- Screw terminals for an emergency power supply (24 V ⎓)
- Outputs Z1 to Z4 via balanced XLR connections, for connection to the amplifiers
- Inputs LOCAL INPUT for signals that are directly routed to the respective zone output (balanced 6 .3 mm jacks), each for zones Z1 to Z4
- RCA jacks, each for input channels CH5 and CH6; LEFT and RIGHT RCA jacks are provided for stereo signal sources. The mixer is monophonic; therefore, the stereo signals are internally transformed into a mono signal .
- RCA outputs REC to record an output signal selected with the selector switch REC /MONITOR (5); LEFT and RIGHT RCA jacks are provided for stereo recorders. The mixer is monophonic; therefore, the signals at the two jacks are identical .
- Output MONITOR as a 2-pole 6 .3 mm jack to connect a monitoring system for checking the outputs; the jack will receive the signal selected with the switch REC / MONITOR (5)
- Switches PHANTOM, each for input channelsCH1 to CH4; when the switch is engaged, a voltage of ⎓ 15 V for phantom-powered microphones will be available at the XLR contacts of the input jack (22) ☞ Make absolutely sure to observe the notes in chapter 5 .1!
- Inputs (combined XLR / 6 .3 mm jacks, balanced), each for input channels CH1 to CH4 ☞ Make absolutely sure to observe the notes in chapter 5 .1!
- Controls GAIN to match the input sensitivity to the signal source (microphone level to line level), each for input channels CH1 to CH4
- RJ45 jack to connect the desktop microphone PA-4000PTT
- Plug-in screw terminals (removable) to connect the pushbuttons for the chime, each for input channels CH1 to CH4
- Plug-in screw terminals PAGING (removable) to connect a signal source with line-level output, as an alternative to the desktop microphone PA-4000PTT, for announcements of the highest priority
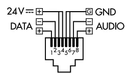
1.2.1 Connection module for the zone paging microphone PA-4000RC - RJ45 input jacks INPUT 1 and INPUT 2 to connect up to 32 zone paging microphones PA-4000RC; when making the connections, observe the correct line termination (☞ chapter 5 .5 .2)
- Indicator DATA for the existing connection a zone paging microphone PA-4000RC 1.3 Desktop microphone PA-4000PTT (separately available accessory)
- Microphone cartridge with windshield
- LED indicator, will light up when the talk button (31) is pressed
- Button TALK; to make an announcement, keep the button pressed and, if applicable, wait for the chime
- Jack for connection to the mixer
- Switch for priority feature and chime PRIORITY – for use at the PA-6040MPX, leave this switch in the upper position, because the priority of this microphone is defined in the mixer (when an announcement is made or the chime sounds, the other input signals will be muted so that the announcement is easier to understand) CHIME – in the position ON, a chime will sound first when the button TALK (31) is pressed
1.4 Zone paging microphone PA-4000RC
(separately available accessory) - Indicator POWER / CPU ERROR will light up when the supply voltage is available; it will start flashing in case of a malfunction of the microprocessor in PA-4000RC
- Indicator MIC FAULT / LOW VOLTAGE will light up in case of a microphone failure; it will start flashing when the supply voltage is too low
- Indicator SIGNAL will light up when a microphone signal is available
- Jack 24 V ⎓ to supply additional voltage via a power supply unit with a low-voltage plug 5 .5 / 2 .1 mm (exterior/interior diameter) and any polarity; an additional power supply unitwill be required when power supply via the mixer does not suffice (e . g . when more than 10 PA-4000RC are connected or when the cable length exceeds 500 m)
- Switches for the address and the line termination I .D – prior to connection to the mixer, use these 5 switches to set different addresses at all PA-4000RC (☞ chapter 5 .5 .3) TERMINATION – at the final PA-4000RC connected in a chain, set the switch to ON in order to activate the terminating resistor
- Switches CHIME – in the position ON, a chime will sound first when the button TALK (43) is pressed PRIORITY – in the position ON, PA-4000RC will take priority over the other units where this function has not been activated and will interrupt their announcements COMPRESSION – in the position ON, the dynamics of the microphone signal will be attenuated in order to reduce distortions when announcements are being made in a loud voice
- Microphone cartridge with windshield
- Buttons to select the announcement zones, each with the following status indicators: BUSY – will light up when the zone for an announcement has been selected; if an announcement is being made via a different PA-4000RC, the LEDs for the respective zones will start flashing EMER. – without any function when PA4000RC is used with PA-6040MPX
- Button ALL CALL to select /deselect all zones for an announcement at the same time
- Button TALK; to make an announcement, keep the button pressed and, if applicable, wait for the chime The LED indicator above the button will light up while the button is being pressed; the other input signals of the mixer (e . g . music) will be muted to make the announcement easier to understand .
- Control AUDIO LEVEL to adjust the volume of the announcement 45 RJ45 jack LINK for connection to a jack INPUT (27) of the connection module at the mixer or to the jack INPUT (46) of another PA-4000RC 46 RJ45 jack INPUT to connect another PA4000RC
Safety Notes
The unit corresponds to all relevant directives of the EU and is therefore marked with
.
WARNING The unit uses dangerous mains voltage. Leave all operations described in these instructions where the unit must be opened to skilled personnel! There is a risk of electric shock.
- The unit is suitable for indoor use only. Protect it against dripping water and splash water, high air humidity, and heat (admissible ambient temperature range 0 – 40 °C) .
- Do not place any vessels filled with liquid on the unit, e. g . a drinking glass .
- Do not operate the unit and disconnect it from the mains
1 . if the unit or the mains cable is visibly damaged,
2 . if a defect might have occurred after the unit was dropped or suffered a similar accident,
3 . if malfunctions occur. In any case, the unit must be repaired by skilled personnel . - Never pull the mains cable to disconnect the mains plug from the socket, always seize the plug .
- For cleaning only use a dry, soft cloth; never use water or chemicals .
- No guarantee claims for the unit and no liability for any resulting personal damage or material damage will be accepted if the unit is used for other purposes than originally intended, if it is not correctly connected or operated, or if it is not repaired in an expert way.
If the unit is to be put out of operation definitively, dispose of the uniting in accordance with local regulations.
Applications and Accessories
This signal mixer has especially been designed for PA systems. It is inserted before the PA power amplifiers and allows for the connection of up to 4 microphones (also phantom-powered microphones). As an alternative, it is possible to connect audio units with line-level output to inputs 1 to 4 . Additional units with line level output can be connected to inputs 5 and 6. For each input, it can be defined to which of the 4 outputs (PA zones) the signal shall be routed. For announcement signals with line level, an additional input with plug-in terminal screws is available.
An announcement can be preceded by a chime tone. Monitor output for checking the outputs and for recording purposes is available.
To ensure continued operation after a mains failure, the mixer can be connected to a 24 V emergency power supply unit.
To expand the announcement options, a desktop microphone PA-4000PTT with a talk button and up to 32 zone paging microphones PA-4000RC with zone selection and status indicators can be connected.
Input prioritization will add to the audibility of important announcements: Signals from an input of lower priority will automatically be muted when an announcement via an input of higher priority is being made. The priority of the structure is as follows:
| Priority | Input |
| 1 (high) | PA-4000PTT, PAGING, LOCAL INPUT (PRIORITY) |
| 2 | PA-4000RC (PRIORITY = ON) |
| 3 | PA-4000RC (PRIORITY = OFF) |
| 4 | CH1, CH2, CH3, CH4 |
| 5 | CH5, CH6 |
| 6 (low) | LOCAL INPUT (SLAVE) |
⑤ Input priorities
Setup Options
The unit is designed for installation into a rack (482 mm / 19”), but may also be used as a desktop unit. For rack installation, 2 RU (rack units) = 89 mm are required.
Connections
Prior to connecting units or changing any existing connections, disconnect PA-6040MPX from the power supply and switch off the units to be connected.
5.1 Microphones
Microphones with an XLR plug or 6 .3 mm plug can be connected to the combined XLR / 6 .3 mm jacks (22) of the inputs CH1 – CH4.
- Turn the control for the input gain GAIN (23) towards “MIC”. If required, readjust the control during operation. (If the announcement via this input is not loud enough, turn the control clockwise; if the announcement is distorted, turn the control counter-clockwise .)
- If a microphone requires phantom power, engage the switch PHANTOM (21). The phantom power will only be available at the XLR contacts of the jack.
CAUTION!
- Actuate the switch only when the unit has been switched off or when the input has been muted (switching noise) .
- Do not connect an unbalanced microphone when phantom power has been activated; otherwise, the microphone may be damaged.
5.2 Audio sources with line level
- Connect units with a mono output to the combined XLR / 6 .3 mm jacks (22) of the inputs CH1 – CH4. Turn the control for the input gain GAIN (23) towards “LINE”. If required, readjust the control during operation.
(If the signal via this input is not loud enough, turn the control clockwise; if the sound is distorted, turn the control counter-clockwise .)
Disengage the switch PHANTOM (21), unless the audio source explicitly requires phantom power (phantom power only at the XLR contacts of the jack).
The jacks are designed for balanced signals. Audio sources with unbalanced signals can be connected via 2-pole 6 .3 mm plugs or via an XLR plug where contacts 1 and 3 are connected with each other. Of course, audio sources with unbalanced signals can also be connected to one of the RCA jacks (18) of channel CH5 or CH6.
The input channels CH1 to CH4 are of medium priority, i . e . their input signals will take priority over the channels CH5 and CH6 but will be interrupted by announcements that are made via the zone paging microphones PA-4000RC or the desktop microphone PA-4000PTT.
For input signals requiring the highest priority, use the input PAGING (26) with plug-in screw terminals (e . g . for a microphone with a preamplifier or for the line-level output of a telephone system). - Connect units with a stereo output (e . g . CD player) to the RCA jacks (18) of the input CH5 or CH6. In the PA-6040MPX, the two stereo channels are mixed into a mono signal.
These inputs have the lowest priority and will automatically be muted by a signal at an input of higher priority (☞ table fig . 5 in chapter 3).
5.3 Direct inputs
When a signal with line-level is to be heard in one zone only, connect the signal source to the jack LOCAL INPUT of the zone desired. The jacks are designed for balanced signals. Audio sources with unbalanced signals can be connected via 2-pole 6 .3 mm plugs. The control LEVEL of the zone will have no effect on the volume of this input signal; the volume must be adjusted via the output level of the signal source.
5.3.1 Setting the priority for the direct inputs
Jumpers are used to define for each direct input if its signal shall take priority over other signals or not (☞ table fig . 5 in chapter 3: LOCAL INPUT PRIORITY/ SLAVE).
WARNING The mixer must be opened for this operation; therefore, it must be performed by skilled personnel only! Prior to opening the mixer, disconnect the mains plug from the socket; otherwise, there will be a risk of electric shock!
- Remove the housing cover from the mixer.
- The jumpers are located on the front circuit of the board behind the controls for the inputs CH1 to CH4:
⑥ Selecting the priority of a direct input Rearrange the respective jumpers as required. - Close the housing again.
5.4 Desktop microphone PA-4000PTT
With this desktop microphone (separate accessory), announcements of the highest priority can be made. The PA zones where the announcements are to be heard are selected at the PA-6040MPX.
Connect the PA-4000PTT to the RJ45 jack “PA-4000PTT” (24) by means of the cable supplied, for example. The length of the connection line must not exceed 30 m.
5.5 Zone paging microphone PA-4000RC
With this zone paging microphone (separate accessory), announcements of high priority can be made. The PA zone where the announcements are to be heard can be selected at the respective PA-4000RC. Up to 32 PA-4000RC can be connected to a single PA-6040MPX.
5.5.1 Installing the connection module
First, install the connection module supplied with the PA-4000RC in the mixer. Figure 2 shows the mixer with the module installed. The connection module is equipped with two RJ45 jacks(27); a PA-4000RC can be connected to each of these jacks. An additional zone paging microphone can be connected to each zone paging microphone until a maximum of 32 zone page microphones and the mixer are connected with each other.
- Screw off the two screws of the cover plate (located to the right on the rear side of the mixer) and remove the plate.
- If only jack INPUT 1 of the two connection jacks (27) is used, rearrange the jumper on the circuit board of the connection module to the position ON for a correct line termination; when both jacks are used, rearrange the jumper to the position OFF:
⑦ Connection module for PA-4000RC with a jumper for the terminating resistor - Slide the module into the opening on the rear side of the mixer, making sure that the connector on the module fits into the socket of the mixer. Fasten the module with the two screws.
5.5.2 Connecting zone paging microphones
- Connect a jack of the connection module to the RJ45 jack LINK (45) of the (first) PA-4000RC by means of the cable supplied, for example. If required, connect the jack INPUT (46) to the jack LINK of another PA-4000RC, etc . until all units are connected in a chain. The total line length must not exceed 1000 m.
- To prevent interference in signal transmission, make sure that the line is correctly terminated: At the final unit in the chain (or at the final two units if INPUT 1 and INPUT 2 at the module are used), set the switch TERMINATION of the DIP switch block (38) to the lower position (ON). At all other units, the switch must remain in the upper position.
- The power supply via the PA-6040MPX will not suffice when the total line length exceeds 500 m (for each input at the connection module) or when more than 10 PA-4000RC are connected. In this case, connect an additional power supply unit with ⎓ 24 V to the 11th PA-4000RC or to the zone paging
microphone with a connection line length of more than 500 m to the PA-6040MPX .
Connect the power supply unit to the jack ⎓ 24 V (37). The required dimensions of the low-voltage plug are 5 .5 / 2 .1 mm (exterior / interior diameter). The polarity is as desired.
The supply voltage will be routed to the zone paging microphones that are connected to the jack INPUT (46). Thus, these zone paging microphones do not require a power supply unit of their own if the power supply unit connected to the jack ⎓ 24 V provides sufficient current (current consumption of each PA-4000RC: 63 mA).
5.5.3 Address assignment
To enable communication between the mixer and the zone paging microphones, the PA4000RC connected must have different data bus addresses. To assign the addresses, use the first 5 switches of the DIP switch block (38) located on the rear side of the zone paging microphones. Set the addresses continuously according to the table in figure 8.
Note: Always switch off the mixer prior to addressing assignment; any address changes made during operation will not be recognized.
| Address | Switch | Address | Switch |
| 1 | ![]() | 17 | ![]() |
| 2 | ![]() | 18 | ![]() |
| 3 | ![]() | 19 | ![]() |
| 4 | ![]() | 20 | ![]() |
| 5 | ![]() | 21 | ![]() |
| 6 | ![]() | 22 | ![]() |
| 7 | ![]() | 23 | ![]() |
| 8 | ![]() | 24 | ![]() |
| 9 | ![]() | 25 | ![]() |
| 10 | ![]() | 26 | ![]() |
| 11 | ![]() | 27 | ![]() |
| 12 | ![]() | 28 | ![]() |
| 13 | ![]() | 29 | ![]() |
| 14 | ![]() | 30 | ![]() |
| 15 | ![]() | 31 | ![]() |
| 16 | ![]() | 32 | ![]() |
⑧ Address assignment at the PA-4000RC
5.6 Recorder, monitoring system
A recorder or another audio unit with a line input (e . g . a monitoring system for checking the outputs) can be connected to the RCA jacks REC (19) or to the 6 .3 mm jack MONITOR (20). LEFT and RIGHT RCA jacks are provided for stereo recorders. The mixer is monophonic; therefore, the signals at the two jacks are identical.
The setting of the selector switch REC / MONITOR (5) located on the front side of the unit will determine the output signal for this output.
5.7 Amplifiers
Connect the power amplifiers for the four PA zones to the XLR jacks OUT (16) . At these jacks, the mixed signals for the respective zone are available as balanced signals with a line level.
5.8 Pushbutton for the chime
A normally open contact can be used to add a chime tone to the signals of each of the inputs CH1 to CH4. Three different tones are available for selection (☞ chapter 5 .8 .1) . To trigger the chime tone, connect a pushbutton to the respective contact of the plug-in screw terminals CHIME INPUT 1/ 2 / 3 / 4 (25) and the common contact G, for example:
⑨ Connection of the chime pushbutton
5.8.1 Selecting the chime tone
can be set inside the mixer. A 2-tone sequence, a 4-tone sequence, and a siren tone are available. The siren tone is an emergency tone according to DIN 33 404 / EN 457 .
WARNING The mixer must be opened for this operation; therefore, it must be performed by skilled personnel only! Prior to opening the mixer, disconnect the mains plug from the socket; otherwise, there will be risk of electric shock!
- Remove the housing cover from the mixer.
- In the rear section, parallel to the rear side of the unit, a circuit board with jumpers is located near the inputs for CH1 and PAGING.
Rearrange the jumper to the position of the tone desired:
⑩ Selection of the chime tone - Close the housing again.
5.9 Power supply and emergency power supply
To ensure continued operation after a mains failure, connect a 24 V emergency power supply unit (e . g . P A-24ESP) to the terminals 24 V ⎓ (15). Finally, use the main cable provided to connect the main jack (13) to a socket (230 V/ 50 Hz) .
Note: When a voltage of 24 V is available, the mixer will immediately be in operation and the power indicator (11) will light up. The mixer cannot be switched off with the switch POWER (12). This switch can only be used to switch from mains power supply to emergency power supply.
Operation
- To prevent an excessive volume, turn the output controls Z1 – Z4 (9) to “0” prior to switching on the mixer for the first time.
- First, switch on the audio sources connected and, with the switch POWER (12), the PA-6040MPX. The power indicator (11) will light up . Finally, switch on the power amplifiers connected to the PA-6040MPX. After the operation, switch off the power amplifiers first.
- For the basic settings, set the controls for the inputs LEVEL (8) and the tone controls (1) to mid-position for the time being .
- Turn the controls for the outputs used Z1 – Z4 (9) clockwise so that the subsequent settings can be easily heard via the speakers.
- Use the switches Z1 – Z4 (2) to define for each input to which outputs (i . e . PA zones) its signal shall be routed.
The LED SIG (7) will light up when a signal is available. If the LED does not light up, increase the output level of the audio sources or readjust the input gain for the channels CH1 to CH4, using the control GAIN (23) located above the respective input jack. Use the respective volume controls LEVEL (8) to mix the input signals or to mute or unmute them as required. If an audio source is not used, set the control LEVEL of the respective input channel to “0” . - Use the output controls Z1 – Z4 (9) to adjust the volume desired for the respective PA zone.
CAUTION Never adjust a very high speaker volume. Permanent high volumes may damage your hearing! Your ear will get accustomed to high volumes which do not seem to be that high anymore after some time. Therefore, do not further increase the high volume after getting used to it.
To prevent feedback noise, do not hold a microphone towards a speaker or too close to it. Likewise, feedback noise may occur when the volume adjustment of the speakers is too high. In this case, attenuate the microphone volume, using the respective control LEVEL.
The LEDs −13, −8, −3, 0 dB and CLIP (3) indicate the level of the respective output. The LED CLIP will light up when the output is overloaded. In this case, turn back the control (9) of the output accordingly or reduce the volume of the respective input signal with the control LEVEL (8). Adjust the tone with the controls (1) TREBLE for the high frequencies and BASS for the low frequencies. Then readjust the volume, if required.
6.1 Checking the outputs
The signals of the outputs can be checked by means of a monitoring system connected to the jack MONITOR (20).
- Use the rotary switch REC / MONITOR (5) to select the output to be checked. In the position of, no output is selected.
- Use the control LEVEL (6) to adjust the volume desired.
Note: The output jacks REC (19) will receive the same signal as the jack MONITOR (20) .
6.2 Chime To activate a chime, e . g.
to precede an announcement to be made via one of the channels CH1 – CH4, briefly press the respective pushbutton connected to the terminals (25) (☞ chapter 5 .8). The chime tone will be added to the input signal; its volume, however, does not depend on the control LEVEL (8) of the input channel but only on the volume adjustment of the output (9).
Like announcement made via the inputs CH1 – CH4, the input signals of the input channels of lower priority (CH5 and CH6) will be muted during the chime.
6.3 Desktop microphone PA-4000PTT
For announcements with this desktop microphone:
- Use the switches PAGING / PTT Z1 – Z4 (4) at the mixer to select the PA zones where the announcement is to be heard. Engage the switches for the zones desired; disengage the other switches.
- Prior to the first announcement, turn the volume control PAGING / PTT LEVEL (10) at the mixer approx. to mid-position.
- Keep the talk button TALK (31) on the micro-phone pressed and speak into the microphone cartridge (29). The LED indicator (30) will light up. If a specific speech volume is exceeded, the input signals of lower priority at the mixer will automatically be muted (☞ table fig . 5 in chapter 3).
- If required, use the control LEVEL-PAGING / PTT to readjust the volume of the announcement. The volume controls for the outputs (9) will have no effect here.
6.3.1 Settings at the PA-4000PTT
Two small switches are located on the rear side of the desktop microphone:
PRIORITY – for usage at the PA-6040MPX, leave this switch in the upper position, because the priority of this microphone is defined in the mixer (when an announcement is made or a chime sounds, the other input signals will be muted so that the announcement is easier to understand)
CHIME – in the position ON, a chime will sound first when the button TALK (31) is pressed; the tone of the chime will be same as the chime tone that is triggered by a push button connected to the mixer; the tone can be selected in the mixer (☞ chapter 5 .8 .1)
6.4 Announcement via the input PAGING
For announcements via a unit connected to the input PAGING (26) (e . g . microphone with a preamplifier or the line-level output of a telephone system), proceed as described in chapter 6 .3. The settings will apply both to the desktop microphone PA-4000PTT and to the input PAGING. A signal at the input PAGING will also mute the input signals of lower priority; if an announcement via the desktop microphone is made at the same time, the signal at the input PAGING will be mixed with the signal of the desktop microphone .
6.5.1 Status indications at the PA-4000RC
In addition to the indicators BUSY and TALK described above, the zone page microphone provides the following status indicators:
POWER / CPU ERROR (34) – will light up when the supply voltage is available and will start flashing in case of a malfunction of the microprocessor in the PA-4000RC
MIC F AULT/ LOW VOLTAGE (35) – will light up in case of a microphone failure and will start flashing when the supply voltage is too low; an additional power supply unit may be used when the supply voltage is too low (☞ chapter 5 .5 .2, step 3)
SIGNAL (36) – will light up when a microphone signal is available
EMER. (41) – (one for each PA zone) is without any function when the PA4000RC is used with the PA-6040MPX
6.5.2 Settings at the PA-4000RC
The three switches of the DIP switch block (39) on the rear side of the desktop microphone provide the following functions:
CHIME – is the position ON, a chime will sound first when the button TALK (43) is pressed; the tone of the chime will be the same as the chime tone that is triggered by a pushbutton connected to the mixer; the tone can be selected in the mixer (☞ chapter 5 .8 .1)
PRIORITY – in the position ON, the PA-4000RC will take priority over the other units where this function has not been activated and will interrupt their announcements COMPRESSION – in the position ON, the dynamics of the microphone signal will be attenuated in order to reduce distortions when announcements are made in a loud voice
Specifications
7.1 Mixer PA-6040MPX
Frequency range:………….. 20 – 20 000 Hz (−1 dB)
S / N ratio
via LINE input: ………………..> 87 dB (A filter)
via MIC input: ……………………> 65 dB (A filter)
THD
via LINE input: ………………….< 0 05 % (1 kHz)
via MIC input:……………………… < 0 1 % (1 kHz)
Inputs CH1 – CH4
XLR / 6 3 mm jack
(input sensitivity, impedance, connection type)
“MIC”: ……………………2 5 mV, 5 kΩ, balanced
“LINE”: ………………….245 mV, 15 kΩ, balanced
Inputs CH5 – CH6
RCA: ………………..245 mV, 15 kΩ, unbalanced
Input PAGING
plug-in screw terminals:………………….. 245 mV, 10 kΩ, balanced
Inputs LOCAL INPUT
6 3 mm jack:…………………… 245 mV, 5 kΩ, balanced
Outputs OUT
XLR: ……………………….1 23 V, 600 Ω, balanced
Output REC OUT
RCA: ………………………..775 mV, 3 kΩ, unbalanced
Output MONITOR
6 3 mm jack: ………………………775 mV, 100 Ω, unbalanced
Tone controls
BASS: …………………………±10 dB, 100 Hz
TREBLE: ……………………±10 dB, 10 kHz
Power supply
Mains oper nation: …………………..~ 230 V / 50 Hz
P ower consumption: ……………………………15 VA max
Emergency power supply: ……………………⎓ 24 V
Current consumption: …………………500 mA max
Ambient temperature: ……………………..0 – 40 °C
Dimensions (W × H × D): 482 × 90 × 305 mm,2 RU
Weight: 4 4 kg
Pin configuration of the input jacks CH1 – CH4 (22)
![]() | 1 = ground 2 = signal + (+15 V phantom power) 3 = signal − (+15 V phantom power) |
6 3 mm jack
![]() | T = signal + R = signal S = ground |
Pin configuration of the input jacks LOCAL INPUT (17)
6 3 mm jack
![]() | T = signal + R = signal S = ground |
Pin configuration of the output jacks OUT (16)
XLR
![]() | 1 = ground 2 = signal + 3 = signal − |
Pin configuration of the output jack MONITOR (20)
6 3 mm jack
![]() | T = signal S = ground |
7.2 Zone paging microphone PA-4000RC
Power supply:…………….. ⎓ 24 V (⎓ 16 – 35 V)
via PA-6040MPX or
power supply unit
Power consumption:…………………………. 63 mA
Audio output
Rated level: ………………………..245 mV
Impedance:……………………… 600 Ω
Connection type:…………….. balanced
S / N ratio: …………………….> 60 dB
THD:…………………………..< 0 5 %
Frequency range: ……………………………..150 – 15 000 Hz
Dimensions (W × H × D): 110 × 48 × 155 mm
Weight:…………………………….. 900 g
Connection:
RJ45

Max number of units: 32
Total connection length: 1000 m max
Note: An additional power supply unit will be required when the total connection length exceeds 500 m or when more than 10 PA-4000RC are connected.
Subject to technical modification.
All rights reserved by MONACOR ® INTERNATIONAL GmbH & Co. KG. No part of this instruction manual may be reproduced in any form or by any means for any commercial use.
PA-6040MPX
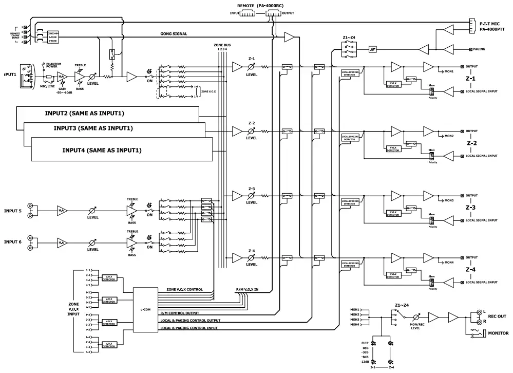
• Block diagram

MONACOR INTERNATIONAL GmbH & Co. KG
• Zum Falsch 36
• 28307 Bremen
• Germany
Copyright © by MONACOR INTERNATIONAL. All rights reserved.
A-1665 .99 .03 .03 .2022
THE AUDIO COMPANY THE AUDIO COMPANY THE AUDIO COMPANY THE AUDIO COMPANY THE AUDIO COMPANY THE AUDIO COMPANY
⑥ Selecting the priority of a direct input Rearrange the respective jumpers as required.
⑦ Connection module for PA-4000RC with a jumper for the terminating resistor































⑩ Selection of the chime tone




















