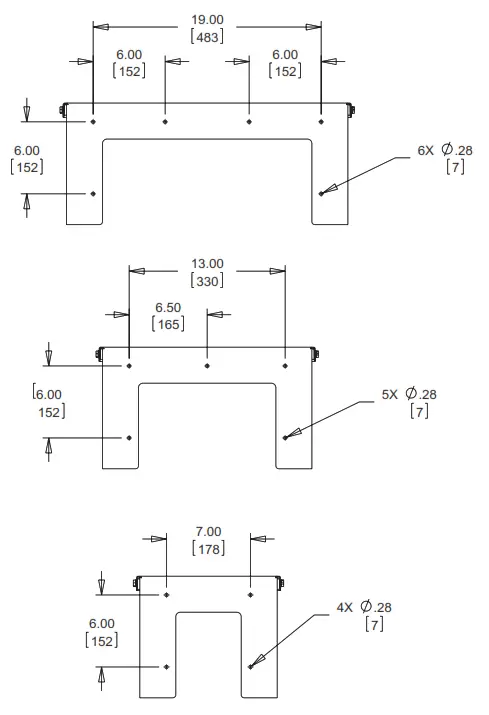
AA35SHLF2424 Folding Shelf
Instruction Manual

AA35SHLF2424 Folding Shelf

Maintains UL and CSA Type 4, 4X and 12 enclosure rating when installed per these instructions.


Rev. C
© 2018 Hoffman Enclosures Inc.
PH 763 422 2211
nVent.com/HOFFMAN
P/N 87950428
87950513
















