HYENA ST-SQ-1 E-Bike System

Introduction
This manual is intended primarily for the trained technician to install, disassemble, or maintain the Hyena e-bike system only. Please read all the safety warnings and instructions carefully. Failure to follow the warnings and instructions may result in death or severe injuries. Save this manual for future reference .
Product Features
Product Description
The ST-SQ-1 is a BB type unilateral crank torque sensor used on Hyena system e-bikes to detect the pedal torque and rotation speed. It features a simple design and small size with high measurement accuracy and linear signal.
Product Dimension
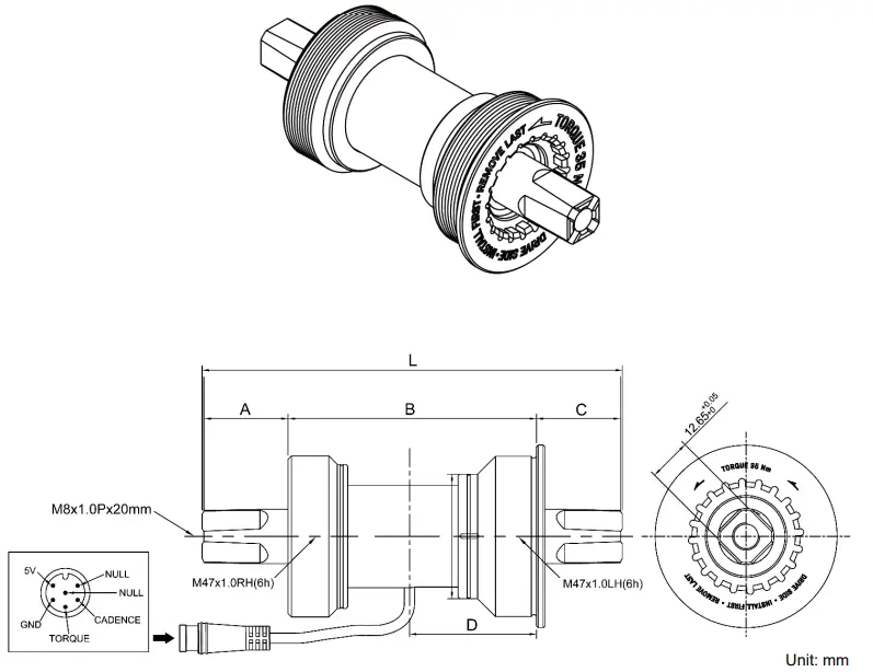
BSA Type

L | A | B | C | D | Product No: |
| Spindle length | Left side | Housing distance | Right side | Cable to BB(R) | |
123 mm | 26.5 mm | 68 mm | 28 mm | 34 mm | 57T008 |
| 123 mm | 24 mm | 74 mm | 24.5 mm | 37 mm | 57T021 |
148 mm | 22 mm | 100 mm | 25 mm | 50 mm | 57T027 |
T47 Type

L | A | B | C | D | Product No: |
Spindle length | Left side | Housing distance | Right side | Cable to BB(R) | |
| 124 mm | 24.25 mm | 73 mm | 25.25 mm | 37.55 mm | 57T022 |
111.5 mm | 20 mm | 69 mm | 21.5 mm | 34.8 mm | 57T025 |
Cable Pin Definition

Signal Charts


Technical Data
Function | ||
Pedal force detection | Single side | Left side |
| Pedal cadence detection | 32 signals | |
Characteristic | ||
| 5.0 ± 0.5 V | |
Operating temperature | -20℃ to +60℃ @80%RH | |
| Storage temperature | -20℃ to +80℃ @80%RH | |
Waterproof level | IP65 | |
| Applicable torque range | 2-60Nm | |
Resolution | 10mV/Nm | |
| Output voltage | 1.9-2.5V | |
Mounting Parameter | ||
Spindle length | BSA type:123/148 mm T47 type:124/111.5 mm | Refer to the product dimension. |
| Spindle type | Square | |
BB housing type | BSA/T47 | |
Cup thread | BSA type: 68/74/100 mm T47 type: 69/73 mm | Refer to the product dimension. |
| Cable length | 120 mm | |
Connector | JL-F-Z609AG | |
Certification | ||
EN 15194:2017 | Yes | |
| EN 14764 | Yes | |
EN 60529 | Yes | |
| RoHS | Yes | |
Mounting Instructions
- Use the proper bicycle tools during the installation or removal process.
- Fasten the product with the correct torque value during installation to avoid affecting signal accuracy.
- Carefully install this product is necessary, do not strike it with any tool such as a hammer or wrenches.
- NOTE! The image of the bike frame, bowl cup type, and cable direction seen in the manual may be different from the actual bike but will be enough to help you understand related sensor install instructions.
Warning! Do NOT use any tool with strong magnetic during assembly; this may lead to permanent damage.
- Insert and tighten the right side of the bottom bracket bowl cup with torque to 35 Nm.

- Insert the sensor from the left side and pull the cable from the bottom bracket’s bottom hole. NOTE: Please pay attention to the direction of the “Stop Marking” as shown.

- Insert and tighten the bracket bowl cup of the left side bottom with torque to 35 Nm.

- Install the chainwheel and cranks

Safety Instructions
Instructions Pertaining To A Risk Of Fire, Electric Shock, Or Injury To Persons
- WARNING – When using the ST-SQ-1 Torque Sensor, basic precautions should always be followed, including the following:
- Read all the instructions before using the product.
- Close supervision is necessary to reduce the risk of injury when the product is used near children.
- Do NOT put fingers or hands into the product.
- Do NOT use this product if the flexible power cord or output cable is frayed, has broken insulation, or any other signs of damage.
- All the component leads shall use original Hyena components.
- This product is not intended to be used at ambient temperatures less than -10°C (14°F) or above ambient temperatures of 60°C (140°F).
- Do NOT immerse the product or any e-system component in water.
- Do NOT place the product or any e-system component near fire or heat.
- Always turn off the e-bike system and remove the battery before installing, disassembling, or modifying any components on the e-bike.
Important Notice
- This product manual is intended primarily for the trained technician to install, disassemble, or maintain the e-bike.
- Users not professionally trained for bicycle assembly should not attempt to install, disassemble or modify the components themselves.
- All Hyena e-system manuals and technical documents are accessible online at “www.hyenaebike.com”.
- The term “battery” is used in these instructions to mean all original Hyena e-Bike batteries.
- Read and observe the safety warnings and directions contained in all the Hyena e-Bike system operating instructions and in the operating instructions of your e-Bike.
Moving and Storage Instructions
- CAUTION – Do NOT place the sensor near any strong magnets or magnetic tools in any situation, as this may lead to changes within the spindle’s magnetic field. Furthermore, it causes the sensor to lose its functionality permanently!
- Please keep the product and all e-system components in their original package and keep tools or other metal objects away from them during storage and moving.
- If you did not keep the original packaging, they can be packed in solid cartons with proper packing materials such as bubble wrap or soft cloth, and label the cartons “Fragile.”
- Do NOT store the product at ambient temperatures less than -20°C (-4°F) or above ambient temperatures of 80°C (176°F).
- Cover the product to prevent sunlight damage if you will keep it stored at any place for more than a week.
- Store the product on a fireproof surface without contact with water, heat, or sand.
- Do NOT place any heavy item on the product or any e-system component.
- Do NOT place the product or any e-system component in the car trunk for more than one day.
- Do NOT load or move the product in the rain whenever possible, and make sure it has no moisture or mildew before loading it.
- Do NOT drop the product from more than 30cm (11.81 inches) height.
Maintenance
- Do NOT clean the product or any e-system component with detergent or organic solvent. Only clean the product with a water-dampened soft cloth.
- Do NOT clean the product or any e-system component with pressured water.
Disposal
- In accordance with Directive 2012/19/EU, electronic devices that are no longer usable and defective/ drained batteries must be collected separately and recycled in an environmentally friendly manner.
This symbol is only valid within the European Union. Follow local regulations when disposing of used batteries. If you are not sure, consult the place of purchase or a bicycle dealer. - The e-system drive unit, including the motor, controller, battery, speed sensor, torque sensor, HMI, accessories, and packaging, should be disposed of in an environmentally correct manner.
- Do NOT dispose of e-bikes and their components with household waste.
SAVE THESE INSTRUCTIONS
CUSTOMER SUPPORT
Hyena Inc.
Tel: +886 4 23598810
Fax: +886 4 23598610
Address: No.25, Jingke N. Rd., Nantun Dist., Taichung City 408, Taiwan (R.O.C.)
www.hyena-ebike.com





This symbol is only valid within the European Union. Follow local regulations when disposing of used batteries. If you are not sure, consult the place of purchase or a bicycle dealer.








