Caddy Mig C160i 230V Welder Machine
Instruction Manual
Caddy® Mig C160i
Instruction manual
0440 000 001 GB 20120604
Valid for serial no. 924-xxx-xxxx
Caddy Mig C160i 230V Welder Machine
DECLARATION OF CONFORMITY
In Accordance with The Low Voltage Directive 2006/95/EC of 12 December 2006, entering into force 16 January 2007
The EMC Directive 2004/108/EC of 15 December 2004, entering into force 20 July 2007
Type of equipment
Welding power sources for MIG/MAG welding
Brand name or trade mark ESAB
Type designation etc.
Caddy Mig C160i Valid from serial number 924-xxx-xxxx (2009 w.24), 111-xxx-xxxx (2011 w.11)
Manufacturer or his authorised representative established within the EEA Name, address, telephone No, telefax No:
OZAS-ESAB Sp. z o.o.
ul.A.Struga 10 , 45-073 Opole , Poland
Phone: +48 77 4019200, Fax: +48 77 4019201
The following harmonised standard in force within the EEA has been used in the design:
EN 60974-1, Arc welding equipment— Part 1: Welding power sources
EN 60974-5, Arc welding equipment — Part 5: Wire feeders
EN 60974-10, Arc welding equipment — Part 10: Electromagnetic compatibility (EMC) requirements
Additional information: Restrictive use, Class A equipment, intended for use in locations other than residential
By signing this document, the undersigned declares as manufacturer, or the manufacturer’s authorised representative established within the EEA, that the equipment in question complies with the safety requirements stated above.
Place and Date
Opole , 2011-03-23
Signature
Dariusz Brudkiewicz Clarification
Position
Managing Director
OZAS-ESAB Sp. z o.o.
SAFETY
Users of ESAB equipment have the ultimate responsibility for ensuring that anyone who works on or near the equipment observes all the relevant safety precautions. Safety precautions must meet the requirements that apply to this type of equipment. The following recommendations should be ob-served in addition to the standard regulations that apply to the workplace.
All work must be carried out by trained personnel well-acquainted with the operation of the equip-ment. Incorrect operation of the equipment may lead to hazardous situations which can result in in-jury to the operator and damage to the equipment.
- Anyone who uses the equipment must be familiar with:
• its operation
• location of emergency stops
• its function
• relevant safety precautions
• welding and cutting - The operator must ensure that:
• no unauthorised person is stationed within the working area of the equipment when it is started up.
• no-one is unprotected when the arc is struck - The workplace must:
• be suitable for the purpose
• be free from drafts - Personal safety equipment
• Always wear recommended personal safety equipment, such as safety glasses, flame-proof clothing, safety gloves.
• Do not wear loose-fitting items, such as scarves, bracelets, rings, etc., which could become trapped or cause burns. - General precautions
• Make sure the return cable is connected securely.
• Work on high voltage equipment may only be carried out by a qualified electrician.
• Appropriate fire extinguishing equipment must be clearly marked and close at hand.
• Lubrication and maintenance must not be carried out on the equipment during operation.
WARNING![]()
Arc welding and cutting can be injurious to yourself and others. Take precautions when welding and cutting. Ask for your employer’s safety practices which should be based on manufacturers’ hazard data.
ELECTRIC SHOCK – Can kill
- Install and earth the unit in accordance with applicable standards.
- Do not touch live electrical parts or electrodes with bare skin, wet gloves or wet clothing.
- Insulate yourself from earth and the workpiece.
- Ensure your working stance is safe.
FUMES AND GASES – Can be dangerous to health
- Keep your head out of the fumes.
- Use ventilation, extraction at the arc, or both, to take fumes and gases away from your breathing zone and the general area.
ARC RAYS – Can injure eyes and bum skin.
- Protect your eyes and body. Use the correct welding screen and filter lens and wear protective clothing.
- Protect bystanders with suitable screens or curtains.
FIRE HAZARD
- Sparks (spatter) can cause fire. Make sure therefore that there are no inflammable materials nearby.
NOISE – Excessive noise can damage hearing
- Protect your ears. Use earmuffs or other hearing protection.
- Warn bystanders of the risk.
MALFUNCTION – Call for expert assistance in the event of malfunction.
Read and understand the instruction manual before installing or operating.
PROTECT YOURSELF AND OTHERS!
WARNING Do not use the power source for thawing frozen pipes.
CAUTION This product is solely intended for arc welding.
CAUTION Class A equipment is not intended for use in residential locations where the electrical power is provided by the public low-voltage supply system. There may be potential difficulties in ensuring electromagnetic compatibility of class A equipment in those locations, due to conducted as well as radiated disturbances.![]()
CAUTION
Read and understand the instruction manual before installing or operating.
Dispose of electronic equipment at the recycling facility!
In observance of European Directive 2002/96/EC on Waste Electrical and Electronic Equipment and its implementation in accordance with national law. electrical and/or electronic equipment that has reached the end of its life must be disposed of at a recycling facility.
As the person responsible for the equipment. it is your responsibility to obtain information on approved collection stations. For further information contact the nearest ESAB dealer.
ESAB can provide you with all necessary welding protection and accessories.
INTRODUCTION
ESAB’s accessories for the product can be found on page 19.
Mig C160i is a portable welding power source in a compact design, intended for MIG/MAG welding.
It is possible to switch between welding with solid wire/shielding gas and welding with selfshielded cored wire without gas.
The power source operates with wire diameters from 00.6 to 01.0 mm. Pure argon. mixed gas or pure CO2 may be used as shielding gases.
ESAB’s accessories for the product can be found on page 19.
2.1 Equipment
The power source is supplied with:
- Instruction manual
- Welding gun MXL 180 (3m. fixed)
- Return cable with damp (3m. fixed)
- Mains cable (3m, fixed, with plug)
- Shoulder strap (see page 8)
- Gas hose with quick connection (4.5m)
TECHNICAL DATA
| Power source | Mig C160i |
| Mains voltage Permissible load at 35 % duty cycle 60 % duty cycle 100 % duty cycle Setting range Open circuit voltage Open circuit power Efficiency at maximum current Power factor at maximum current Wire feed speed Wire diameter Fe Cored wire Max. diameter wire bobbin Continual sound pressure at no-load Dimensions lxwxh Weight Operating temperature Transportation temperature Enclosure class Application classification | 230 V, 1- 50/60 Hz 150 A/ 21.5 V 120A/20V 100 A / 19 V 30A 15.5 V-160A / 22 V 60 V 15 W 82% 0.99 2.0 – 11.0 mimin 0.8 (0.6-1.0) 0.8-1.0 Ø 200 mm < 70 dB 449 x 198 x 347 mm 12 kg -10 to +40°C -20 to +55°C IP 23C S |
| Welding torch | MXL 180 |
| Cooling Permitted load at 20 % duty cycle Carbon dioxideCO2 Mixed gas Ar/CO2 Self-shielded Permitted load at 35 % duty cycle Carbon dioxide CO2 Mixed gas Ar/CO2 Self-shielded Recommended gas flow Wire diameter Weight Length cable assembly Standard control cable | Air/shielding gas 200 A 180 A 120 A 180 A 150 A 100 A 8-15 l/min 0.6 – 1.0 mm 1.32 kg 3.0 m 2- pole |
Duty cycle
The duty cycle refers to the time as a percentage of a ten-minute period that you can weld or cut at a certain load without overloading. The duty cycle is valid for 40° C.
Enclosure class
The IP code indicates the enclosure class. i. e. the degree of protection against penetration by solid objects ci water. Equipment marked IP23C is designed for indoor and outdoor use.
Application class
The symbol S indicates that the power source is designed for use in areas with increased electrical hazard
INSTALLATION
The installation must be carried out by a professional.
Note
Mains supply requirements
High power equipment may. due to the primary current drawn from the mains supply. influence the power quality of the grid. Therefore connection restrictions or requirements regarding the maximum permissible mains impedance or the required minimum supply capacity at the interface point to the public grid may apply for some types of equipment (see technical data). In this case it is the responsibility of the installer or user of the equipment to ensure. by consultation with the distribution network operator if necessary. that the equipment may be connected.
4.1 Lifting instruction
The power source is lifted by the handle or by the shoulder strap, supplied with the power source. The strap is fastened as shown in the picture below.
4.2 Location
Position the welding power source in such a way that its cooling air inlets and outlets are not obstructed.
4.3 Mains power supply
Check that the unit is connected to the correct mains power supply voltage, and that it is protected by the correct fuse size. A protective earth connection must be made, in accordance with regulations.
Recommended fuse sizes and minimum cable area
| Mig C1130i | |
| Mains voltage Mains cable area Phase current, left Fuse anti-surge | 230 V ±15%1- 50/130 Hz 3G1.5 mm2 10 A 16 A |
NOTE! The mains cable areas and fuse sizes as shown above are In accordance with Swedish regulations. Use the power source in accordance with the relevant national regulations.
Extension cable
If needed. it is recommended to use an extension cable, 3×2.5 mm2′ of a maximum length of 50m.
Supply from power generators
The power source can be supplied from different types of generators. However. some generators may not provide sufficient power for welding. The generators with AVR, equivalent or better type of regulation with rated power 5.5…6.5 kW are recommended to supply the power source within it’s full capacity.
It is also possible to use generators with lower rated power. starting from 3.0kW. but in that case the setting must be proportionally limited. The power source is protected against undervoltage. If the power supplied by the generator is not sufficient, the welding is interrupted. Especially the welding start could be disturbed. In case of disturbed welding process. either adjust the welding parameters or change to a more powerful generator.
OPERATION
General safety regulations for handling the equipment can be found on page 4.
Read through before you start using the equipment!
NOTE: When moving the equipment use intended handle. Never pull on the gun.![]()
WARNING Rotating parts can cause Injury, take great care.
WARNING Assure that the side panels are closed during operation.
WARNING Risk of crushing when replacing the wire bobbin! Do not use safely gloves when inserting the welding wire between the feed rollers.
WARNING! Lock the bobbin in order to prevent it from sliding off the hub.
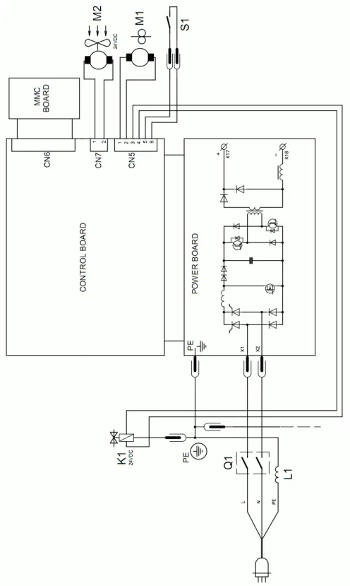
5.1 Connection and control devices
- Mains supply switch
- Green indicating lamp, power supply ON
- Orange indicating lamp. overheating
- Welding gun
- Return cable
- Knob for setting of material thickness
- Knob for arc correction
- Connection for shielding gas
- Mains cable
5.2 Operation
The power source is not powered instantly when the mains switch (1) is turned on. After approximately 2 seconds the green lamp (2) indicates that the power source is ready. If the welding gun trigger is pressed while the power source is being turned on, the operation is disabled, until the trigger is released. This is also indicated by the orange lamp (3).
The main knob (6) is scaled in mm and ga. The numbers point out recommended thicknesses of the mild steel workpiece to be welded with 0.8 mm wire. This knob simultaneously adjusts both the wire feed speed and the average output voltage.
The knob (7) sets the arc length correction or i.e. the voltage correction. The return cable (5) must be reliably connected to the workpiece or to the welding table.
The side panel covering the wire feeder must be closed prior to welding.
The power source is instantly switched with the mains switch (1).
5.3 Polarity change
The power source is delivered with the welding wire connected to the plus pole. Some wires, e.g. shelfshielded cored wires, are recommended to be welded with negative polarity. Negative polarity means that the wire is connected to the minus pole and the return cable to the plus pole. Check the recommended polarity for the welding wire you want to use.
The polarity can be changed as follows:
- Switch off the power source and disconnect the mains cable.
- Open the side panel.
- Bend the rubber covers back to give access to the +/- terminals.
- Remove the nuts and washers. Note the correct order of the washers.
- Change the position of the cables to the desired polarity (see marking).
- Install the washers in correct order and tighten the nuts to spanner tightness.
- Make sure the rubber covers are covering the +/- terminals.
5.4 Wire feed pressure
Start by making sure that the wire moves smoothly through the wire guide. Then set the pressure of the wire feeder’s pressure rollers. It is important that the pressure is not too great.
To check that the feed pressure is set correctly, you can feed out the wire against an insulated object, e.g. a piece of wood.
When you hold the gun approx. 5 mm from the piece of wood (fig. 1) the feed rollers should slip.
If you hold the gun approx. 50 mm from the piece of wood, the wire should be fed out and bend (fig. 2).
5.5 Replacing and inserting wire
- Open the side panel.
- Place the spool on the hub and secure it with the lock.
- Disconnect the pressure arm by folding it sidewards, the pressure roller slides away.
- Straighten out the new wire 10-20 cm. File away burrs and sharp edges from the end of the wire before inserting it into the wire feeder.
- Make sure that the wire goes properly into the feed roller groove and into the outlet nozzle and the wire liner.
- Secure the pressure arm.
- Close the side panel.
Feed the wire through the welding gun until it comes out through the nozzle. This operation should be carried out carefully, as the wire is ready for welding and an unintentional arc may occur. Keep the gun off conducting parts during feeding the wire through and terminate wire feeding instantly when the wire comes out.
See Technical Data, chapter 3, for suitable wire dimensions for each wire type.
Use only 0200mm spools.
Note! 0100mmilkg spools are not applicable.
WARNING! Do not keep the welding gun near the ears or the face during the wire feeding, as this may result in personal injury.
5.5.1 Changing the feed roller groove
The power source is delivered with the feed roller set for 00.8/1.0mm welding wire. If you want to use it for 00.6mm wire you must change groove in the feed roller.
- Fold back the pressure arm to release the pressure roller.
- Switch on the power source and press the gun trigger to position the feed roller so that the locking screw is visible.
- Switch off the power source.
- Use a 2mm Allen key to open the locking screw about half a turn.
- Pull the feed roller off the shaft and turn it around. See marking on the side of the feed roller for suitable wire diameters.
- Put the roller back on the shaft and make sure it goes all the way in. You may need to turn the roller to position the locking screw over the flat surface of the shaft.
- Tighten the locking screw.
5.6 Shielding gas
A mixture of carbon dioxide and argon or pure carbon dioxide can be used as shielding gases.
5.7 Overheating protection
Overheating is indicated by lamp (3). A thermal overload fuse protects the unit against overheating by disabling the welding if overheating occurs. The fuse resets automati-cally when the unit has cooled.
MAINTENANCE
Regular maintenance is important for safe, reliable operation.
CAUTION
All guarantee undertakings from the supplier cease to apply if the customer attempts any work to rectify any faults in the product during the guarantee period.
6.1 Inspection and cleaning
Power source
- Check regularly that the power source is free from dirt.
- How often and which cleaning methods apply depend on: the welding process, arc times, placement, and the surrounding environment. It is normally sufficient to blow the dust out of the power source with dry compressed air (reduced pressure) once a year.
- Clogged or blocked air inlets and outlets otherwise result in overheating.
Welding gun
- The welding gun’s wear parts should be cleaned and replaced at regular intervals in order to achieve trouble-free wire feed. Blow the wire guide clean regularly and clean the contact tip.
6.2 Changing the wire liner
A. Loosen the fixing screw and take the roller off the axle.
B. Loosen the adaptor nut, straighten the gun cable and remove the liner.
C. Insert the replacement liner into the straightened cable until it touches the contact tip.
D. Lock the liner with adaptor nut. Cut excess of liner so it sticks 7mm out of the tip adaptor.
FAULT TRACING
Try these recommended checks and inspections before sending for an authorised service technican.
| Type of fault | Actions |
| No arc | Check that the mains power supply switch is turned on. Check that the welding current supply and return cables are correctly connected. Check that correct current value is set. |
| Welding current is interrupted during welding | Check whether the overheating protection has tripped. (indicated by the orange lamp on the front). Check the main power supply fuses. |
| The overheating protection trips frequently | Check to see whether the air inlet or outlet are clogged. Make sure that you are not exceeding the rated data for the power source (i.e. that the unit is not being overloaded). |
| Poor welding performance | Check that the welding current supply and return cables are correctly connected. Check that the correct current value is set. Check that the correct welding wires are being used. Check the main power supply fuses. Check if proper rollers are applied and if the pressure of the wire feeder’s pressure rollers is properly set. |
ORDERING OF SPARE PARTS
Repair and electrical work should be performed by an authorised ESAB service technician. Use only ESAB original spare and wear parts.
Mig C160i is designed and tested in accordance with the international and European standards 60974-1, 60974-5 and 60974-10. It is the obligation of the service unit which has carried out the service or repair work to make sure that the product still conforms to the said standard.
Spare parts may be ordered through your nearest ESAB dealer, see the last page of this publication.
Diagram
Order number
| Ordering no. | Denomination | Type | Notes | ||
| 0349 310 850 0349 300 556 | Welding power source Spare parts list | Caddy® Mig C160i, CE (Europe) | 230 V, 1- 50/60 Hz | ||
Wear parts
| Item | Denomination | Ordering no. | Notes |
| A | Gas nozzle Gas nozzle/Tip insulator MXL | 0700 200 054 0700 200 105 | |
| B
| Contact tip
| 700200063 700200064 700200065 700200066 | W 0.6 M6x25 W 0.8 M6x25 W 0.9 M6x25 W 1.0 M6x25 |
| C | Nozzle spring | 700200078 | |
| D | Tip adaptor | 700200072 | |
| E | Wire liner 0-ring | 0700 200 085 0700 200 087 700200091 | W 0.6-0.8 Steel for Fe and Ss wire W 0.9-1.2 Steel for Fe and Ss wire W 0.9-1.2 PTFE for Al and CuSi wire 0-ring 3.5/IDX 1.8 (3.5×1.8mm) Black nitrile rubber |
| F | Feed roller | 349311890 | W 0.6/0.8-1.0 V-groove |
| G | Pressure roller | 349312062 | |
| H | Inlet nozzle | 455049002 | W 0.6-1.0 |
The feed rollers are marked with wire dimension in mm and inch. 
Accessories
Trolley with gas shelf (incl. fixing kit for machine)…………………………..0459 366 887
Welding gun MXL 180 (incl. in Mig C160i)……………………………….0349 483 070
ESAB subsidiaries and Representative Office
| Europe AUSTRIA ESAB Ges.m.b.H Vienna-Liesing Tel: +43 1 888 25 11 Fax: +43 1 888 25 11 85 BELGIUM S.A. ESAB N.V. Brussels Tel: +32 2 745 11 00 Fax: +32 2 745 11 28 BULGARIA ESAB Kft Representative Office Sofia Tel/Fax: +359 2 974 42 88 THE CZECH REPUBLIC ESAB VAMBERK s.r.o. Vamberk Tel: +420 2 819 40 885 Fax: +420 2 819 40 120 DENMARK Aktieselskabet ESAB Herlev Tel: +45 36 30 01 11 Fax: +45 36 30 40 03 FINLAND ESAB Oy Helsinki Tel: +358 9 547 761 Fax: +358 9 547 77 71 FRANCE ESAB France S.A. Cergy Pontoise Tel: +33 1 30 75 55 00 Fax: +33 1 30 75 55 24 GERMANY ESAB GmbH Solingen Tel: +49 212 298 0 Fax: +49 212 298 218 GREAT BRITAIN ESAB Group (UK) Ltd Waltham Cross Tel: +44 1992 76 85 15 Fax: +44 1992 71 58 03 ESAB Automation Ltd Andover Tel: +44 1264 33 22 33 Fax: +44 1264 33 20 74 HUNGARY ESAB Kft Budapest Tel: +36 1 20 44 182 Fax: +36 1 20 44 186 | ITALY ESAB Saldatura S.p.A. Bareggio (Mi) Tel: +39 02 97 96 8.1 Fax: +39 02 97 96 87 01 THE NETHERLANDS ESAB Nederland B.V. Amersfoort Tel: +31 33 422 35 55 Fax: +31 33 422 35 44 NORWAY AS ESAB Larvik Tel: +47 33 12 10 00 Fax: +47 33 11 52 03 POLAND ESAB Sp.zo.o. Katowice Tel: +48 32 351 11 00 Fax: +48 32 351 11 20 PORTUGAL ESAB Lda Lisbon Tel: +351 8 310 960 Fax: +351 1 859 1277 ROMANIA ESAB Romania Trading SRL Bucharest Tel: +40 316 900 600 Fax: +40 316 900 601 RUSSIA LLC ESAB Moscow Tel: +7 (495) 663 20 08 Fax: +7 (495) 663 20 09 SLOVAKIA ESAB Slovakia s.r.o. Bratislava Tel: +421 7 44 88 24 26 Fax: +421 7 44 88 87 41 SPAIN ESABIbérica S.A. Alcalá de Henares (MADRID) Tel: +34 91 878 3600 Fax: +34 91 802 3461 SWEDEN ESAB Sverige AB Gothenburg Tel: +46 31 50 95 00 Fax: +46 31 50 92 22 | ESAB international AB Gothenburg Tel: +46 31 50 90 00 Fax: +46 31 50 93 60 SWITZERLAND ESAB AG Dietikon Tel: +41 1 741 25 25 Fax: +41 1 740 30 55 UKRAINE ESAB Ukraine LLC Kiev Tel: +38 (044) 501 23 24 Fax: +38 (044) 575 21 88 North and South America ARGENTINA CONARCO Buenos Aires Tel: +54 11 4 753 4039 Fax: +54 11 4 753 6313 BRAZIL ESAB S.A. Contagem-MG Tel: +55 31 2191 4333 Fax: +55 31 2191 4440 CANADA ESAB Group Canada Inc. Missisauga, Ontario Tel: +1 905 670 02 20 Fax: +1 905 670 48 79 MEXICO ESAB Mexico S.A. Monterrey Tel: +52 8 350 5959 Fax: +52 8 350 7554 USA ESAB Welding & Cutting Products Florence, SC Tel: +1 843 669 44 11 Fax: +1 843 664 57 48 Asia/Pacific AUSTRALIA ESAB South Pacific Archerfield BC QLD 4108 Tel: +61 1300 372 228 Fax: +61 7 3711 2328 CHINA Shanghai ESAB A/P Shanghai Tel: +86 21 2326 3000 Fax: +86 21 6566 6622 | INDIA ESAB India Ltd Calcutta Tel: +91 33 478 45 17 Fax: +91 33 468 18 80 INDONESIA P.T. ESABindo Pratama Jakarta Tel: +62 21 460 0188 Fax: +62 21 461 2929 JAPAN ESAB Japan Tokyo Tel: +81 45 670 7073 Fax: +81 45 670 7001 MALAYSIA ESAB (Malaysia) Snd Bhd USJ Tel: +603 8023 7835 Fax: +603 8023 0225 SINGAPORE ESAB Asia/Pacific Pte Ltd Singapore Tel: +65 6861 43 22 Fax: +65 6861 31 95 SOUTH KOREA ESAB SeAH Corporation Kyungnam Tel: +82 55 269 8170 Fax: +82 55 289 8864 UNITED ARAB EMIRATES ESAB Middle East FZE Dubai Tel: +971 4 887 21 11 Fax: +971 4 887 22 63 Africa EGYPT ESAB Egypt Dokki-Cairo Tel: +20 2 390 96 69 Fax: +20 2 393 32 13 SOUTH AFRICA ESAB Africa Welding & Cutting Ltd Durbanvill 7570 – Cape Town Tel: +27 (0)21 975 8924 Distributors For addresses and phone numbers to our distributors in other countries, please visit our home page |
















